客运专线工程施工测量技术交底深圳附图.doc

上传人:p** 文档编号:996053 上传时间:2024-06-12 格式:DOC 页数:9 大小:161.50KB
下载 相关 举报
客运专线工程施工测量技术交底深圳附图.doc_第1页
第1页 / 共9页
客运专线工程施工测量技术交底深圳附图.doc_第2页
第2页 / 共9页
客运专线工程施工测量技术交底深圳附图.doc_第3页
第3页 / 共9页
客运专线工程施工测量技术交底深圳附图.doc_第4页
第4页 / 共9页
客运专线工程施工测量技术交底深圳附图.doc_第5页
第5页 / 共9页
客运专线工程施工测量技术交底深圳附图.doc_第6页
第6页 / 共9页
客运专线工程施工测量技术交底深圳附图.doc_第7页
第7页 / 共9页
客运专线工程施工测量技术交底深圳附图.doc_第8页
第8页 / 共9页
客运专线工程施工测量技术交底深圳附图.doc_第9页
第9页 / 共9页
亲,该文档总共9页,全部预览完了,如果喜欢就下载吧!
资源描述

《客运专线工程施工测量技术交底深圳附图.doc》由会员分享,可在线阅读,更多相关《客运专线工程施工测量技术交底深圳附图.doc(9页珍藏版)》请在第壹文秘上搜索。

1、技 术 交 底 记 录表C2-1编 号GSG- 工程名称某某客运专线ZH-3标(深圳北站工程)交底日期 年 月 日施工单位中铁二局某某客运专线ZH-3标项目经理部二分部、钢构分部分项工程名称测量工程交底提要1、 技术交底编制依据;2、 施工准备,主要部位测量施工方法、标准;3、 工程测量质量要求4、 测量中应注意的事项5、 深基坑开挖应急措施交底内容:(一)技术交底编制依据深圳某某客运专线ZH-3标建筑、结构图工程测量规范建筑施工手册中铁二局精测队测量成果报告深圳某某客运专线ZH-3工程施工组织设计建筑施工手册第四版(二)施工准备1、施工条件工程定位放线:测量设备经过计量检测。测绘院交桩完毕。

2、基础工程测量:标高控制点由城市水准点引测至建筑物周边,同时经过闭合符合要求。轴线控制点由测绘院所交桩位进行支线测放,形成控制网,经过闭合符合要求,并及时进行平差。主体工程测量:由控制桩位测放建立天顶法的控制点完毕,同时经过闭合,其测角中误差、边长相对中误差符合要求;标高控制点引测到建筑物上。2、技术准备项目部由项目技术负责人组织,仔细学习施工图纸和施工规范,熟悉、校核施工图轴线尺寸、结构尺寸和各层各部位的标高变化及其相互间的关系。对照总图,现场勘察、校测建筑用地红线桩点、坐标、高程及相邻建筑物关系。3、 设备及人员配置主要测量仪器、工具及材料:测量仪器准备:全站仪(OTS632NL)一台,带2

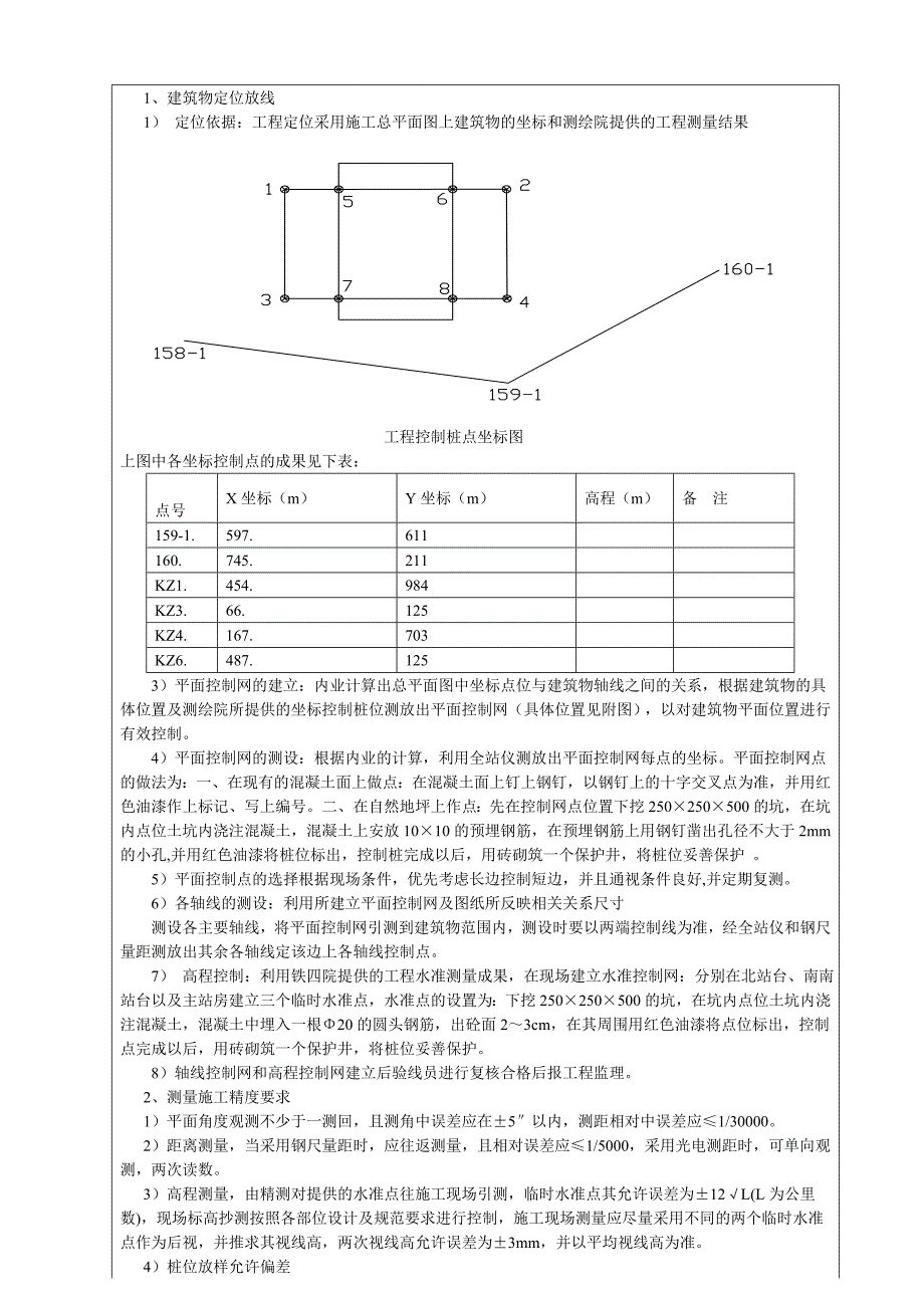
3、个单棱镜;自动安平水准仪2台、经纬仪一台;5m塔尺2把;50 m钢卷尺2把。水准仪、铁钉、油漆、5m小卷尺、50m钢卷尺、水准尺、(搭尺)、坠子、直径0.51mm线、墨斗、三角板、工程笔、手锤、扫帚、水平尺、水平连通管等以上测量仪器均应在施工前检定合格,确保测量数据的准确。人员配备:测量工9人,验线员1人,上述人员均持有上岗证书。(三)主要工程测量方法:1、建筑物定位放线1) 定位依据:工程定位采用施工总平面图上建筑物的坐标和测绘院提供的工程测量结果工程控制桩点坐标图上图中各坐标控制点的成果见下表: 点号X坐标(m)Y坐标(m)高程(m)备注159-1.597.611160.745.211KZ

4、1.454.984KZ3.66.125KZ4.167.703KZ6.487.1253)平面控制网的建立:内业计算出总平面图中坐标点位与建筑物轴线之间的关系,根据建筑物的具体位置及测绘院所提供的坐标控制桩位测放出平面控制网(具体位置见附图),以对建筑物平面位置进行有效控制。4)平面控制网的测设:根据内业的计算,利用全站仪测放出平面控制网每点的坐标。平面控制网点的做法为:一、在现有的混凝土面上做点:在混凝土面上钉上钢钉,以钢钉上的十字交叉点为准,并用红色油漆作上标记、写上编号。二、在自然地坪上作点:先在控制网点位置下挖250250500的坑,在坑内点位土坑内浇注混凝土,混凝土上安放1010的预埋钢

5、筋,在预埋钢筋上用钢钉凿出孔径不大于2mm的小孔,并用红色油漆将桩位标出,控制桩完成以后,用砖砌筑一个保护井,将桩位妥善保护 。5)平面控制点的选择根据现场条件,优先考虑长边控制短边,并且通视条件良好,并定期复测。 6)各轴线的测设:利用所建立平面控制网及图纸所反映相关关系尺寸测设各主要轴线,将平面控制网引测到建筑物范围内,测设时要以两端控制线为准,经全站仪和钢尺量距测放出其余各轴线定该边上各轴线控制点。7) 高程控制:利用铁四院提供的工程水准测量成果,在现场建立水准控制网:分别在北站台、南南站台以及主站房建立三个临时水准点,水准点的设置为:下挖250250500的坑,在坑内点位土坑内浇注混凝

6、土,混凝土中埋入一根20的圆头钢筋,出砼面23cm,在其周围用红色油漆将点位标出,控制点完成以后,用砖砌筑一个保护井,将桩位妥善保护。8)轴线控制网和高程控制网建立后验线员进行复核合格后报工程监理。2、测量施工精度要求1)平面角度观测不少于一测回,且测角中误差应在5以内,测距相对中误差应1/30000。2)距离测量,当采用钢尺量距时,应往返测量,且相对误差应1/5000,采用光电测距时,可单向观测,两次读数。 3)高程测量,由精测对提供的水准点往施工现场引测,临时水准点其允许误差为12L(L为公里数),现场标高抄测按照各部位设计及规范要求进行控制,施工现场测量应尽量采用不同的两个临时水准点作为

7、后视,并推求其视线高,两次视线高允许误差为3mm,并以平均视线高为准。 4)桩位放样允许偏差 单桩的桩中心放样允许偏差为10mm。 群桩的桩中心放样允许偏差为20mm。 5)预制桩施工完成后允许桩位偏差 盖有基础梁且垂直基础梁中心线的100+0.01H。 盖有基础梁且沿基础梁中心线的150+0.01H。 6)人工挖孔桩施工完成后允许桩位偏差 人工挖孔桩的桩径允许偏差为50mm。 桩位允许偏差:13根桩的桩位允许偏差为50mm。 条型桩基沿中心线方向150mm。 垂直度允许偏差为0.5%。 7)泥浆护壁钻孔桩施工完成后允许误差 桩径允许误差50mm。 桩垂直度允许偏差小于1。 13根桩位允许偏差

8、1000.01H。 条形基础沿中心线方向桩位允许偏差1500.01H。( H为施工现场地面标高与设计桩顶标高的距离)3、基础工程施工测量1)桩孔中心点的控制: 防止杂物在开挖时落入孔中,便于第一节砼护壁施工,防止地表水渗入井内,开挖前应以桩中心点为中心,按相应的桩径加大40cm用混凝土浇注一圈,宽度为200mm,高出井周围地面200300mm,同时通过桩中心引两条垂直直径线与井圈相交得四点,在这四点处设置四个钢钉,或用油漆在这四点作标记,作为控制中心点及施工中控制垂直度的依据。要求每模都进行吊中,拆模后进行复检,及时修正,做到中心偏差在50mm以内,并随时抽查桩径是否符合设计规范要求。 2)预

9、埋件测量方法:预埋件测量主要选用全站仪进行测量放线,具体测量步骤如下:首先计算出准备安装的预埋件的中心点坐标和预埋件所处位置处的相交两条轴线的交点坐标。根据已经在施工现场做出的基准点,用全站仪先行放出两条相交轴线的交点位置,并在相应的位置处用红油漆笔做好标记。然后分别放线出各个预埋件的中点坐标,并做好标记。预埋件和轴线坐标全部测量防线出后,用墨斗弹线出轴线和埋件中心线,具体示意如下:用钢卷尺分出预埋件的2条中心线,并用红笔在预埋件上画出,施工人员进行预埋件安装,确保2条中心线完全重合。埋件中心线对齐后,在用水准仪器对预埋件4个角点坐标进行测量,保证4个角点在同一标高面上。预埋件中心线和标高都测

10、量到位后,立即用电焊把埋件点焊在垫层钢筋上进行临时固定。然后在对埋件进行加固处理。完成预埋件安装工作。钢结构预埋件布置图3)墙体测量:因本工程的特殊性,墙体部分很少,只在部分施工区域做墙体的局部控制线, 墙体的标高控制:将标高点引侧至临时水准点上。做为墙体及顶板标高控制的依据。临时水准点的做法为:预先挖一个深50宽20长20的坑,预埋钢筋,钢筋切口必需平正,并浇注混凝土,露出钢筋2-3cm,并砌砖井进行保护。4、主体施工测量方法1) 地下室顶板封顶后主体施工前,要先对建筑物的控制网进行全面校验,合格后再进行定位放线。2) 首层定位放线:利用建筑物四周及中间轴线控制点,架设全站仪向首层地面施测轴

11、线,用钢尺复核建筑物轴线尺寸,误差在允许范围内(10 mm),中间轴线整尺分出。依轴线放出柱边线、电梯井、楼梯间、墙边线及控制线。利用钢尺沿结构外墙向上竖直测量,从每一流水段向上引测,以便于相互校核和适应分段施工需要。3)钢支架测量方法本工程钢支架采用散件运输到施工现场,其中钢支架立杆全部为散件,之家平板为整体在加工厂制作完成后运输到施工现场。钢支架的安装流程为:立杆安装焊接完成后在进行平板安装。钢支架安装的测量方法如下:首先计算出钢支架中心点和钢支架4个角点的坐标。用全站仪测量放线出预埋件的中心线,然后根据设计要求尺寸用卷尺定位处钢支架立杆位置,把钢支架立杆与预埋件焊接牢固在一起,保证立杆的

12、垂直度。钢支架安装完成后,开始进行钢支架平板安装,安装前,先根据设计尺寸复核后,在钢支架平板上用墨线弹出钢支架的2条中心线。把钢支架用吊车吊运到支架立杆上,用线锤子使钢支架中心线与地面轴线重合,然后用全站仪对钢支架中心线进行复核,如果不满足要求,及时的根据偏差数据进行调整,一直调整到满足要求。钢支架中心点坐标满足要求后,用水准仪对支架的4个角点和中心点的标高进行测量,使钢支架整体标高达到设计要求值。调整完成钢支架的标高后,在次对支架中心点坐标进行复测,确保中心点坐标满足要求,然后进行钢支架的焊接作业。完成钢支架的测量安装工作。4)钢柱测量方法首节钢柱测量校正钢柱测量校正方法为:先调整标高,再位

13、移,最后调整垂直度,a柱标高调整底层柱子安装前,先在柱身上标定标高基准点,然后以水准仪测定其偏差值,利用柱脚底板下设置的调整螺母来调整柱的标高和垂直偏差,钢柱吊装前可通过水准仪先将调整螺母上表面的标高调整到与柱底板标高齐平。安装完底层钢柱后,应对柱顶做一次标高的实测,根据实测标高的偏差来确定调整与否,最好调整到偏差为0值,将柱脚变形差留在柱子底板与混凝土基础的间隙间。b柱脚位移的调整柱脚的位移调整以基面中线与柱身中线对齐为标准,如有偏差,可用千斤顶往反方向调整。c钢柱垂直度校正将检定过的两台经纬仪分别置于相互垂直的轴线控制线上(借用1线),精确对中整平后,后视前方的同一轴线控制线,并固定照准部

14、,然后纵转望远镜,照准钢柱头上的标尺并读数,与设计控制值相比后,判断校正方向并指挥吊装人员对钢柱 进行校正,直到两个正交方向上均校正到正确位置后,拧紧柱子的地脚螺栓和收紧缆风绳,并将柱脚垫铁与柱底板点焊。用缆风绳或支撑校正柱子时,必须是缆风绳或支撑松开后,柱子保持垂直才算校正完毕。钢柱钢柱的垂直偏差也可以采用控制柱底位移来调整,如果柱子垂直偏差过大,个别情况下,可以利用调整柱底中心线的就位偏差来调整柱子的垂直精度。校正时两个方向应先校正偏差大的,后校正偏差小的,如两方向偏差相近,先校正小面,后校正大面。(以钢管柱为例)上部钢柱测量校正a位移的调整上一节钢柱的校正均以下节钢柱顶部的实际中心线为准,安装钢柱的底部对准下节钢柱的中心线即可,控制节点间时需注意四周外表面的相对平整,偏差不得集中一侧,以保证焊接后垂直面能较平滑地过渡。(以钢管柱为例)见下图校正位移时,要注意钢柱的扭转,钢柱扭转对框架梁的安装很不利。上下两节柱产生位移扭转时,可在下节柱的耳板连接处加减垫片并利用千斤顶来调整。柱底位移值的控制:下节柱施焊后投点于柱顶,测得柱顶位移值,要根据柱子垂直

展开阅读全文
相关资源
猜你喜欢
相关搜索

当前位置:首页 > 建筑/环境 > 建筑节能

copyright@ 2008-2023 1wenmi网站版权所有

经营许可证编号:宁ICP备2022001189号-1

本站为文档C2C交易模式,即用户上传的文档直接被用户下载,本站只是中间服务平台,本站所有文档下载所得的收益归上传人(含作者)所有。第壹文秘仅提供信息存储空间,仅对用户上传内容的表现方式做保护处理,对上载内容本身不做任何修改或编辑。若文档所含内容侵犯了您的版权或隐私,请立即通知第壹文秘网,我们立即给予删除!