泸县建筑施工扬尘防治检查表(新).docx

上传人:p** 文档编号:1042427 上传时间:2024-06-16 格式:DOCX 页数:2 大小:12.38KB
下载 相关 举报
泸县建筑施工扬尘防治检查表(新).docx_第1页
第1页 / 共2页
泸县建筑施工扬尘防治检查表(新).docx_第2页
第2页 / 共2页
亲,该文档总共2页,全部预览完了,如果喜欢就下载吧!
资源描述

《泸县建筑施工扬尘防治检查表(新).docx》由会员分享,可在线阅读,更多相关《泸县建筑施工扬尘防治检查表(新).docx(2页珍藏版)》请在第壹文秘上搜索。

1、附件3泸县房屋建筑与市政工程大气污染防治攻坚专项整治检查表工程名称工程规模建设单位施工单位监理单位施工进度检查内容是/否管理行为检查1.是否建立项目施工扬尘防治工作组织机构,明确建设单位、施工单位、监理单位扬尘防治人员是口否2.是否按规定编制并审核项目施工扬尘污染防治专项方案,并对扬尘防治专项方案进行交底是口否口3.是否按规定进行扬尘防治信息公示是口否口4.是否建立项目扬尘防治项目培训制度,制定培训教育计划并实施是口否口5.是否按规定开展项目扬尘防治检查工作是口否口6.工程所在地监管要求配置扬尘在线监测设备、视频监控设备等信息化系统,并保持系统运行正常(现场扬尘监测数值:PMlO=)是口否7.

2、是否按规定编制项目扬尘污染应急预案,并及时响应落实所在地重污染天气应急管控措施是口否口现场实体检查1.施工围档围挡是否按规定进行连续封闭设置是口否围挡的高度、材质及喷淋措施是否符合要求是口否口围挡是否通过验收是口否口施工期间,围挡喷淋是否按规定正常开启是口否口围挡是否完好,无污损变形或被物料堆放依靠情况是口否口2.施工出入口车辆冲洗设施是否符合要求,满足实际冲洗要求是口否冲洗设施是否通过险收是口否口是否建立车辆冲洗记录台账是口否口冲洗设施是否正常运行,循环排水通畅,出入口无积水积泥,车辆冲洗干净、无带泥出场是口否口3.场地硬化主要施工道路是否按要求进行硬化并设置排水沟是口否口材料堆场、仓库、加

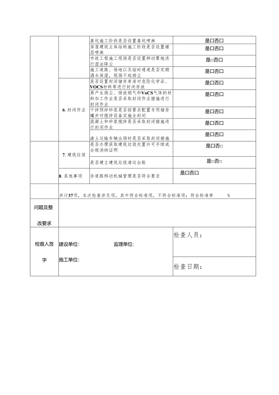
3、工区地面是否按要求进行硬化是口否口生活区、办公区场地是否进行硬化是口否口硬化场地和路面是否保持清洁、不起尘是口否口4.现场覆盖裸士是否按要求进行覆盖是口否口易起尘物料是否按要求进行覆盖或封闭存放是口否口现场建筑垃圾是否按要求进行覆盖或装袋是口否口5.湿法作业现场拆除、破碎作业,现场石材、瓷砖材料切割作业及渣土装载等易起扬尘作业是否湿法降尘是口否口土石方作业时是否在施工作业面进行湿法降尘是口否口基坑施工阶段是否设置基坑喷淋是口否口房屋建筑主体结构施工阶段是否设置楼层喷淋是口否口市政工程施工现场是否设置移动雾炮进行湿法降尘是否口施工道路、场地以及临时通道是否定期洒水保湿,现场不起扬尘是口否口6.封

4、闭作业是否设置封闭储存库房对危险化学品、VOCS材料等进行封闭存放是口否口易产生扬尘、排放烟气和VoCS气体的材料加工作业是否采取封闭作业措施进行封闭作业是口否口干拌预拌砂浆是否按要求配置专用储存罐并对搅拌设备实施全封闭是口否口混凝土和砂浆搅拌是否采取封闭措施进行封闭作业是口否口渣土运输车辆出场时是否采取封闭措施是口否口7.建筑垃圾是否办理获取建筑垃圾处置许可手续或合规消纳证明是口否是否建立建筑垃圾清运台账是否8.其他事项非道路移动机械管理是否符合要求是口否口共计37项,本次检查涉及项,其中符合标准项,不符合标准项;符合标准率%问题及整改要求检查人签字建设单位:监理单位:施工单位:检查人员:检查日期:

展开阅读全文
相关资源
猜你喜欢
相关搜索

当前位置:首页 > 建筑/环境 > 安全文明施工

copyright@ 2008-2023 1wenmi网站版权所有

经营许可证编号:宁ICP备2022001189号-1

本站为文档C2C交易模式,即用户上传的文档直接被用户下载,本站只是中间服务平台,本站所有文档下载所得的收益归上传人(含作者)所有。第壹文秘仅提供信息存储空间,仅对用户上传内容的表现方式做保护处理,对上载内容本身不做任何修改或编辑。若文档所含内容侵犯了您的版权或隐私,请立即通知第壹文秘网,我们立即给予删除!