建筑工程施工质量通病图集.doc

上传人:p** 文档编号:1048573 上传时间:2024-06-22 格式:DOC 页数:18 大小:217.32KB
下载 相关 举报
建筑工程施工质量通病图集.doc_第1页
第1页 / 共18页
建筑工程施工质量通病图集.doc_第2页
第2页 / 共18页
建筑工程施工质量通病图集.doc_第3页
第3页 / 共18页
建筑工程施工质量通病图集.doc_第4页
第4页 / 共18页
建筑工程施工质量通病图集.doc_第5页
第5页 / 共18页
建筑工程施工质量通病图集.doc_第6页
第6页 / 共18页
建筑工程施工质量通病图集.doc_第7页
第7页 / 共18页
建筑工程施工质量通病图集.doc_第8页
第8页 / 共18页
建筑工程施工质量通病图集.doc_第9页
第9页 / 共18页
建筑工程施工质量通病图集.doc_第10页
第10页 / 共18页
亲,该文档总共18页,到这儿已超出免费预览范围,如果喜欢就下载吧!
资源描述

《建筑工程施工质量通病图集.doc》由会员分享,可在线阅读,更多相关《建筑工程施工质量通病图集.doc(18页珍藏版)》请在第壹文秘上搜索。

1、项次工序节点名 称图 示要求与做法一建筑物外墙与散水坡、台阶、明沟留沉降缝1、散水坡、台阶、明沟本身按6m长度(总长度均分)留沉降缝。2、外墙阴阳角位按450角留沉降缝。3、散水坡与台阶交接处留沉降缝分隔。 二室外地面留伸缩缝1、伸缝纵向间距30m。 2、缩缝横向间距6m(总长度均分),做法详第三项。三室内地面楼面留缩缝(一)地面1、用大面积水泥混凝土地面、楼面水泥砂浆面层。2、横向缩缝间距按轴线尺寸。纵向缩缝间距6m(横向两轴线间总长度均分)。 3、采用金界 机金界 缝,缝平直方正。4、混凝土和水泥砂浆达到强度等级后才能进行金界 缝。(二)楼面(三)严禁在已完成的楼地面上拌和砂浆、揉制油灰、

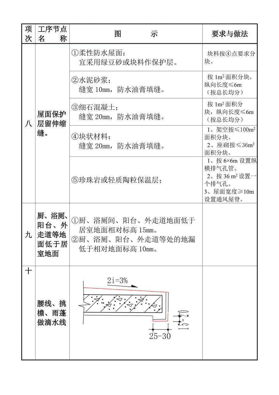
2、调制油漆等,防止地面污染受损。项次工序节点名 称图 示要求与做法四变形沉降缝(一)楼面B设计缝宽; H设计面层厚度;D找平层厚度;1、一面层按设计。2、5厚钢板。3、 形不锈钢或铝合金封口板。 4、24#镀锌 形铁皮。5、一塑料胀锚木 牙螺丝500 C/C固定 形 镀锌铁皮。6、一塑料胀锚不 锈钢螺丝500 C/C固定 形 封口板。7、一沥青胶泥填 嵌。8、一硅铜胶封缝。(二)墙面(三)天面G1.2.3-设计结构宽度项次工序节点名 称图 示要求与做法八屋面保护层留伸缩缝。柔性防水屋面; 宜采用绿豆砂或块料作保护层。 块料按点要求分块。水泥砂浆; 缝宽10mm,防水油膏填缝。 按1m2面积分块,

3、纵向长度6m(按总长均分)细石混凝土; 缝宽20mm,防水油膏填缝。 按1m2面积分块,纵向长度6m(按总长均分)块状材料: 缝宽20mm,防水油膏填缝。 1、架空按100m2面积分块。 2、座砌按36m2面积分块。珍珠岩或轻质陶粒保温层; 1、按66m设置纵横排气孔管。 2、按36 m2设置一个排气孔。3、屋面宽度10m设置通风屋脊。九厨、浴厕、阳台、外走道等地面低于居室地面厨、浴厕间、阳台、外走道地面低于 居室地面相对标高15mm。厨、浴厕、阳台、外走道等处的地漏 低于相对地面标高10mm。十腰线、挑檐、雨蓬做滴水线项次工序节点名 称图 示要求与做法十一窗楣做鹰咀,外窗台低于内窗台,外窗台

4、做向外排水坡 1、窗楣及窗台块料贴面,其外角采用夹角镶贴。 2、窗楣突出线时按第十项施工。窗台突出线时,按第五项施工。 3、铝合金窗外周边留宽5mm深8mm槽,防水胶密封。 4、安装用螺丝应用铜或不锈钢螺丝。5、钢窗内外窗台 高差10mm。铝合金窗下框必须有泄水结构,如无时; 推拉窗:导轨在靠两边框位处铣8mm宽口泄水。平开窗:在框靠中梃位置每个扇洞铣一个宽8mm口泄水。项次工序节点名 称图 示要求与做法十二墙面、地面镶贴块料面不允许有小于1/4的块料。条形饰面砖不得小于1/2砖。独立柱用条形饰面砖时,宽度方向必须用整砖。地面铺400400以下块料必须通缝。400400以上块料可用分色块料分隔

5、。天面、地面块料铺贴缝宽2mm以防膨胀起鼓变形。露台铺贴块料时,地面四周留缝20mm宽,防水油膏填缝。 1、镶贴前进行模数计算和预排、使排砖和拼缝均匀。 2、非整砖行排在阴角处或次要部位。 3、阴阳角方正顺直,不得出现鼠尾现象。 4、采取措施消除空鼓和裂纹。十三楼梯步级级面平整、宽度均匀一致,防滑条采用石米、铁砂时应高出级面5mm;采用铜条时应高出2mm,并顺直、牢固。相邻两级差不得超过10mm。十四木门窗安装按规范要求做好锚固。铰链要用开槽机双面开槽,槽深浅度一致。门窗安装的留缝宽度:(1)门窗扇与框间立缝的留缝宽度为1.5-2.5mm。(2)框与扇间上缝的留缝宽度为1.0-1.5mm。(3

6、)门扇与地面间缝: a)外门留缝宽度为4-5mm。 b)内门留缝宽度为6-8mm。 c)卫生间门留缝宽度为10-12mm。 1、门窗上下冒头必须刨光,刷油漆。 2、油漆不得污染小五金。项次工序节点名 称图 示要求与做法十五天面地漏斜水坡度及防渗十六管道穿越楼板、屋面的套管埋设 套管的选用、加工大样及埋设工艺要求详见有关标准图集。十七镀锌水管的连接生活给水管及DN100mm的非生活给水管(如消防、空调等)不得焊接。DN100mm的非生活给水管,在特别情况下, 可允许采用焊接,但不得减少通水截面,并 须作防锈处理。项次工序节点名 称图 示要求与做法十八立管(包括生活和消 防 给水、排水、空调水系统

7、及输送其它介质的各种立管)要离墙敷设1、管卡设置要符合规范要求,且工艺合理。2、管背墙面平直,装饰(粉刷)到位,不得补油漆污染。 3、PVC管的金属管卡与管外表面之间应垫软垫片。十九管道(包括生活和消防给水、排水、空调水等管道)在屋面、楼地面上的敷设1、严禁无支托架(墩)沿地面敷设,应采用膨胀螺栓固定型钢支(托)架的敷设方式。在支架安装损坏结构及防水层处,必须做好防水处理。2、管道经过建筑物的伸缩缝或沉降缝处,应装设合适的补偿装置(如伸缩节、伸缩弯管等)。项次工序节点名 称要 求 与 做 法二十防雷与接地装置的安装外露的避雷针(带)及引下线等防雷装置,当选用碳素型钢时,须作热镀锌处理。镀锌层被

8、破坏时须补涂防锈底漆后再涂面漆。当用圆钢作避雷针(带)及引下线时:(1)连接应采用双面搭接连续焊,焊缝长度不小于直径的6倍,焊缝外观应良好。(2)转角处的弯曲半径应正确,一般R60mm。(3)外露的避雷带应采用热镀锌的专门夹式支持码支持,避免支持件与避雷带焊接(如图示)。 (4)避雷针(带)及引下线等应横平竖直,牢固可靠;无倾斜,弯曲和高低起伏。用钢管作防雷接地装置(含针、带等)时,管壁厚不应小于2.5mm。管对接焊时,管内应设置合适的衬管。补管外径应与被连接钢管内径相吻合,衬管长度不应小于其外径的4倍。从接地体引上的保安接地和防雷接地干线(利用建筑物钢筋除外),应在距首层地面1.5-1.8m

9、处设置断接卡,断接卡处应有明显的接地标志及可靠的保护措施(如带有门锁的保护箱等)。利用建筑物钢筋引上的,也应在距首层地面1.5-1.8m处引出易于操作维护的永久性测试点。测试点应有明显示的接地标志及可靠的防损防腐措施。 项次工序节点名 称要 求 与 做 法二十一电 气 线路、电气照明器具和箱、盘、柜安装插座、螺口灯头的接线须正确,严禁调错及漏接。同一房间内高位和低位开关、插座的安装标高应一 致,允差5mm;并列安装的开关、插座应平齐,允 差0.5mm。对地面的安装标高低于2.4m的金属外壳灯具和其 它电器,其金属外壳须可靠接地保护。顶棚的灯具和器具应专门设置独立的固定吊点。顶棚内的灯具外壳应设

10、有管孔或带管孔的接线盒,灯 具的金属外壳和金属线盒应设接地端子。箱、盘、柜上装有电器的可开启门或面板应用合适 截面的裸铜软线与箱、盘、柜体作跨接。同一建筑物内的各相线应分别为同一种颜色(如黄、 绿、红色),地线必须为黄绿双色,零线宜为淡蓝色。干线和支路的空气、漏电开关配选应正确合理,产 品质量可靠。项次工序节点名 称要 求 与 做 法二十二镀锌线管敷设线管与线槽(盒)、箱、盘、柜等连接时,严禁用熔焊方式开孔,且应采用内外迫母锁紧固定,管端螺纹外露2-3扣(5mm)。管口应有护线塑料套咀。在安装壁灯、吸顶灯、吊灯等电器的部位应设接线盒。跨接地线应采用专门的接地线卡并正确选用跨接导线,且连接牢固可

11、靠;不应采用熔焊跨接。在露天和潮湿场所明装时,不得用薄壁线管。其配套的盒、箱应齐全可靠。铁盒、箱及有关配件用热镀锌件。明配(含吊顶内)的线管应排列整齐美观。支(吊架、卡码设置合理,固定点间距均匀;其中管卡与终端、弯头中点、电器器具或盒(箱、盘、柜)边缘的距离均宜为150-500mm。二十三风管安装风管的连接应严密,无脆裂,缝隙应填密封胶。保温棉应与风管外表面紧贴严密,胶钉应牢固且间距合理。风管系统应按规范装设防火阀。支架应按规范设置。项次工序节点名 称要 求 与 做 法二十四空调水系统与风机盘管安装冷凝水管道坡向合理,无渗漏,运行前应作排水试验。冷冻供回水管严禁渗漏,且保温严密、到位。三速开关

12、接线正确,各档风速应有明显区别。二十五电梯安装电梯机房设备安装:(1)曳引机承重梁的非支承部位应明显离开楼地面,严禁在梁底填塞建材。(2)控制柜正面和维修侧面距墙面均不小于600mm,且距机械设备不小于 500mm。(3)钢丝绳与楼板孔边间隙均应为20-40mm,楼板通向井道的孔四周应有不低于50mm高的防水台阶。(4)电线管(槽)的敷设也应符合建筑电气装置的有关施工规范。电梯轿厢层站、部件的安装:(1)指示信号清晰、准确,光电数码管无缺画;面板平正、无缺损,且不应嵌入墙面。(2)层门地坎高于装修完成地面2-5mm。(3)防止门夹人的安装保护装置(安全触板或光电装置)灵敏可靠。 安全触板动作的碰撞力应不大于5N。项次工序节点名 称要 求 与 做 法二十六检查井、沉砂井、井环、盖与道路路面接顺。1、井盖高度与路面高程一致。2、井砌完后,应及时装上预制井环。安装前应校核井环面标高与路面标高是否一致。无误后才许坐浆垫稳。3、井底应平顺,不得有建筑杂物,管底与井底位置要准确。4、一定要保证井的收口砖数,用M10水泥砂浆砌双偶砖,内壁1:2水泥砂浆批档15厚,且井环的灰缝要平整饱满。5、井框、井盖必须完整无损,安装平稳,位置正确。项次工序节点名

展开阅读全文
相关资源
猜你喜欢
相关搜索

当前位置:首页 > 建筑/环境 > 建筑图集

copyright@ 2008-2023 1wenmi网站版权所有

经营许可证编号:宁ICP备2022001189号-1

本站为文档C2C交易模式,即用户上传的文档直接被用户下载,本站只是中间服务平台,本站所有文档下载所得的收益归上传人(含作者)所有。第壹文秘仅提供信息存储空间,仅对用户上传内容的表现方式做保护处理,对上载内容本身不做任何修改或编辑。若文档所含内容侵犯了您的版权或隐私,请立即通知第壹文秘网,我们立即给予删除!