施工技术管理体系.doc

上传人:p** 文档编号:1051000 上传时间:2024-06-26 格式:DOC 页数:13 大小:28.50KB
下载 相关 举报
施工技术管理体系.doc_第1页
第1页 / 共13页
施工技术管理体系.doc_第2页
第2页 / 共13页
施工技术管理体系.doc_第3页
第3页 / 共13页
施工技术管理体系.doc_第4页
第4页 / 共13页
施工技术管理体系.doc_第5页
第5页 / 共13页
施工技术管理体系.doc_第6页
第6页 / 共13页
施工技术管理体系.doc_第7页
第7页 / 共13页
施工技术管理体系.doc_第8页
第8页 / 共13页
施工技术管理体系.doc_第9页
第9页 / 共13页
施工技术管理体系.doc_第10页
第10页 / 共13页
亲,该文档总共13页,到这儿已超出免费预览范围,如果喜欢就下载吧!
资源描述

《施工技术管理体系.doc》由会员分享,可在线阅读,更多相关《施工技术管理体系.doc(13页珍藏版)》请在第壹文秘上搜索。

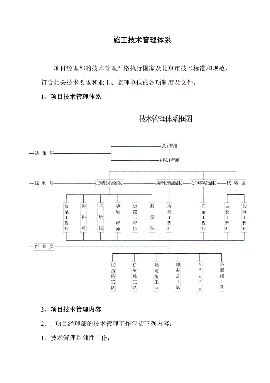
1、施工技术管理体系项目经理部的技术管理严格执行国家及北京市技术标准和规范,符合相关技术要求和业主、监理单位的各项制度及文件。1、项目技术管理体系2、项目技术管理内容21项目经理部的技术管理工作包括下列内容:1、技术管理基础性工作;2、施工过程的技术管理工作;3、科研管理工作;4、技术经济分析与评价。22项目技术负责人履行下列职责: 1、主持项目的技术管理工作; 2、主持制定项目技术管理工作计划; 3、组织有关人员熟悉与审查图纸,主持编制项目管理实施规划的施工方案并组织落实; 4、负责技术交底; 5、组织质量检验和试验; 6、指导质量检验和试验; 7、审定技术措施计划并组织实施; 8、参加工程验收

2、,处理质量事故; 9、组织各项技术资料的签证、收集、整理和归档; 10、领导技术学习,交流技术经验; 11、组织专家进行技术攻关。23项目经理部的技术工作应符合下列要求: 1、项目经理部在接到工程图纸后,按过程控制程序文件要求进行内部审查,并汇总意见; 2、项目技术负责人应参与业主组织的设计会审,提出设计变更意见,进行设计变更洽商; 3、在施工过程中,如发现设计图纸中存在问题,或因施工条件变化必须变更设计;4、编制施工方案;5、技术交底必须贯彻施工验收规范、技术规程、工艺标准、质量检验评定标准等要求。书面资料应由签收人和审核人签字,使用后归入技术资料档案;6、各类隐蔽工程应进行隐验、做好隐验记

3、录、办理隐验手续、参与各方责任人应确定、签字;7、项目经理部按项目管理实施规划和企业技术措施纲要实施技术措施计划;8、项目经理部设技术资料管理人员,做好技术资料的收集、整理和归档工作,并建立技术资料台帐。3、项目部技术管理岗位职责31总工程师(1)组织编制单位工程施工组织设计,作业指导书,冬、雨期措施及施工方案,安全技术措施,支架设计方案,施工用电组织设计,组织编制保证质量、安全、节约的技术措施计划,并贯彻措施;(2)单位工程设计交底、图纸会审,并向工程技术部部长及相关人员进行交底;(3)负责指导按设计图纸、施工规范、操作规程、施工组织设计、技术安全措施进行施工,发现问题及时处理或请示上级解决

4、。(4)负责组织分部工程质量评定工作,参与隐蔽工程验收和工程竣工验收;(5)组织项目经理部范围内定期和不定期的质量检查,参加工程质量事故的调查、分析、处理,并及时上报;(6)负责技术革新、科研,三废治理计划的应用实施;(7)对施工中的安全负技术上的责任;(8)对项目管理人员,施工人员进行工程技术质量、安全进行全面交底;(9)领导技术档案的整理、原始资料的积累及定期移交归档;(10)领导全项目技术业务学习和技术安全教育。32副总工程师(1)协助总工管理分管的技术工作;(2)参加项目组织的各种技术工作会议;(3)组织科技攻关。33工程技术部部长(1)负责项目部技术管理工作;(2)负责贯彻工国家、北

5、京市的行业技术规范、规程及标准;(3)负责组织测量交桩、图纸会审及技术交底工作;(4)负责组织工程报监工作;(5)负责组织创优工作;(6)负责各专业的协调工作;(7)负责组织“四新”技术推广与总结工作;(8)负责工程(设计)变更管理;(9)参加技术方案的研讨及审查工作;(10)参加质量问题的协调及讨论工作;(11)参与工程交工验收工作;(12)负责组织工程技术资料的管理、归档和移交工作。34专业工程师(1)参加图纸学习、审查和会审,办理设计变更有关事项;(2)编制分部、分项工程施工方案,并结合施工实际,制定具体的技术组织措施,并督促贯彻执行;(3)向班组进行技术安全交底;(4)会同项目总工做好

6、各项施工准备工作,并审定有关技术资料;(5)参加队月、旬作业计划的讨论,协助工程技术部部长处理施工技术问题;(6)组织开展技术业务学习。35施工队长(1)对施工班组进行分项工程技术、质量、安全交底,并负责督促检查落实。(2)遵守各项技术管理制度和过程控制程序,保证不合格品不进入下道工序,并对过程控制引起的质量问题负责;(3)检查班组“工序三检”,参加分项工程质量评定和验收;(4)具体执行产品标识管理及检验和试验状态管理;(5)做好施工纪录,对质量记录完整性、正确性责任。36资料员(1)责任图纸的收集保管,负责工程技术资料的收集整理,并按技术资料整理要求装订成册并存档;(2)负责下发、收集、检查

7、各工序原始记录;(3)对全部收存资料进行编目、登记造册;(4)及时收集汇总编各种试验数据、材质证明、出厂合格证,发现问题及时汇报;(5)负责工程各阶段资料的收集、整理。(6)负责整理、编制竣工文件;(7)严格执行资料保管制度,所有工程资料做到真实、可靠、齐全。37测量工程师(1)在项目总工指导下完成项目施工测量工作,为工程施工提供依据;(2)放线工作,放线前必须认真熟悉图纸,放线结束后通知甲方、监理验线,合格后方可施工;(3)根据甲方提供的资料及水准点进行工程水准测量,为便于工作,应在基坑周围布置基点;(4)严格按照仪器操作规程使用仪器,认真执行测量规范,保证测量精度,工作中不得擅自离开仪器,

8、以免仪器受振动倾倒,碰撞以及他人操作而损坏;(5)测量仪器、工具应按规定周期送检,工作中,如发现仪器误差过大或受损时,应及时送检测中心校正;(6)应经常保持仪器的清洁,仪器用专业工具清擦。38试验、检测工程师(1)在项目总工的领导下,负责本工程的各项原材、施工试件取样送检;(2)负责监督、检查进场各种原材料材质,及时整理试验成果,及时汇报;(3)做好现场混凝土台班,混凝土塌落度,试块的台帐及原记录。4、项目部技术管理措施项目部自组建以来,迅速建立健全各种管理制度和岗位责任制,完善管理体系中的职能责任分解,对项目部的质量管理目标提出了计划与实施细则,制定了奖罚标准,施工中将严格检查制度,认真落实

9、检查,对现场的标准化、规范化、程序化圈定了既定目标,施工中将认真严格执行相关规范和标准。项目部主要从以下几方面进行落实保证:4.1 图纸会审4.1.1 图纸会审程序图纸会审包括熟图、初审、内部预审三个阶段。熟图:各专业技术人员在领到施工图纸后必须先认真学习,弄清设计意图及技术标准要求,熟悉工艺流程及工程特点等,必要时可设计单位进行设计交底;初审:组织有关技术人员对本工种图纸进行详细的核对审查,以便进一步弄清设计意图,检查图面有无问题;内部预审:是指项目经理部内部各专业工种间的施工图审查。核对各工种各专业间的相关部分有无矛盾,并协调配合施工事宜。4.1.2 图纸会审的要点设计是否符合国家有关的技

10、术政策、设计、施工规范和有关规定;设计是否符合施工可行,如需要采取特殊措施时,技术上有无困难,能否保证安全施工;有无特殊材料(包括新材料)要求,其品种、规格、数量能否满足施工需要;建筑、结构与设备安装之间及设备安装各专业之间有无重大矛盾;图纸及说明是否齐全、清楚、明确、图纸尺寸、坐标、标高及管线、道路交叉连接点是否相符。4.2测量复测管理制度1、项目部在接到交桩资料后,组织合格的测量人员使用合格的测量仪器对导线和基准点进行复测;2、测量精度要求:方位角闭合差:10n(秒), n站点数;相对闭合差:11500水准点闭合差:20L(mm),L水准路线长度(Km);3、导线复测应延伸至相邻标段内两个

11、基准点,水准点复测,除本标段闭合外,应延伸至相邻标段内各一个水准点且闭合;4、建立测量换手复核制度,确保测量成果的一致性和准确性;5、测量记录做到原始、正确、完整、工整,坚持测量作业与计算工作的一致性。4.3 技术交底管理制度1、技术交底:包括设计交底(审图记录)施工组设计交底、主要是分部分项施工技术交底。各项交底应有文字记录,交接双方在交底记录上签字,一式四份,一份交队长,一份交技术资料员存档,一份由交底人存查;2、分部分项工程技术交底以书面形式交底;3、有条件工程部位,可先做成样板,用实物交底;4、书面交底力求简明扼要,重点交清设计意图、施工技术措施、安全措施和工程负责要求等;5、项目技术

12、负责人对施工员所作交底记录的内容和质量,应不定期进行抽查。4.4 材料实验管理规定1、原材料及成品、半成品的质量必须合格,要严格按国家规范和验收标准进行检验,材料部门供应的材料及成品、半成品必须符合质量要求。对水泥、钢材、沥青、焊条、焊剂、轻骨料、防水材料、新型材料,应有合格证,进场后要复试,不合格的材料以及成品、半成品不得用于工程上;2、材料进场合格证、复试合格证由材料供应部门交技术部资料存档,并负责登记台账,纳入竣工技术资料;3、材料试验项目主要为水泥、钢筋、结构钢材、电焊条、砂、石和防水材料等。4.5施工试验管理规定4.5.1基础回填素土、灰土、砂卵石时,为保证密实,应做实验、取样数量和

13、试验方法,按技术标准规定执行。4.5.2混凝土试块强度砼的质量应以标准养护龄期28天的试块抗压强度为准,依照混凝土强度检验评定标准;项目试验员负责试块的制作、养护、送试、所有试块应注明标号、工程名称、部位、成型日期、并登记台帐、保证按时留置、按时试压;混凝土结构用砂、石料应做含量、含水率、粒径级配试验。试配,开盘时应由项目技术员(或施工员)配合实验员进行验磅、测试坍落度、并作记录;结构拆模应经工程项目技术负责人批准,由施工员提出申请,项目技术负责人根据浇注时间、养护龄期、施工部位,经换算强度(重要结构,冬期施工拆模,须经同条件养护试块强度试压)后,达到要求后批准拆模,并办理批准手续。4.5.3

14、钢筋焊接试验凡对钢筋进行点焊、闪光对焊、电弧焊等均应按钢筋焊接及验收规范的规定进行焊接试验;钢筋焊接接头应分批进行质量检查和验收,其结果应符合规范规定或设计要求;电弧焊试验报告须注明使用电焊条的牌号(型号)、规格、结论中应有拉断区域(焊缝或影响区内外)、脆断还是塑断记载。4.5.4防水砼抗渗试验防水砼结构采用普通防水砼或掺加剂的防水砼,其配合比通过试验,配合比应符合各项技术指标。4.6隐蔽工程验收管理制度4.6.1隐蔽项目是指为下道工序施工所隐蔽的工程项目,在隐蔽前必须进行隐蔽检查。检查意见应具体、明确、检查手续应及时 办理,不得后补,需复验的,要办理复验手续,填写复验的,要办理复验手续,填写

15、复验日期并由复验人做出结论。 一般部位:由主管技术员填写隐蔽工程验收单,由项目技术部组织,技术负责人主持质检员参加,经验收合格后,由技术部办理验收手续登记并归档,移交技术资料保管人员,纳入竣工技术档案资料。重要部位:重要部位的隐蔽工程验收是在项目隐蔽验收合格后,由技术部联系建设单位约请设计人员,进行鉴定验收或确定处理方案,并办理验收手续,并登记归档移交技术资料保管人员纳入竣工技术档案资料。4.6.2隐蔽工程验收项目及内容(1)地基:包括土质情况、标高、几何尺寸;(2)基础、主体结构各部位钢筋:包括钢筋的品种、规格、数量、焊缝长度、除锈、锚固长度、保护层等;(3)现场结构焊接钢筋焊接:包括焊接形式及焊接种类,焊条牌号(型号)焊口规格、焊缝长度,厚度及外观清渣等。4.7、组织保证措施项目部建立以项目总工程师为组长、副总工程师为副组长的技术管理小组,白天不定时到工地进行检查,夜间轮流值班,监督施

展开阅读全文
相关资源
猜你喜欢
相关搜索

当前位置:首页 > 论文 > 管理论文

copyright@ 2008-2023 1wenmi网站版权所有

经营许可证编号:宁ICP备2022001189号-1

本站为文档C2C交易模式,即用户上传的文档直接被用户下载,本站只是中间服务平台,本站所有文档下载所得的收益归上传人(含作者)所有。第壹文秘仅提供信息存储空间,仅对用户上传内容的表现方式做保护处理,对上载内容本身不做任何修改或编辑。若文档所含内容侵犯了您的版权或隐私,请立即通知第壹文秘网,我们立即给予删除!