机场地基处理碎石盲沟施工方案#昆明.doc

上传人:p** 文档编号:1051983 上传时间:2024-06-26 格式:DOC 页数:14 大小:319KB
下载 相关 举报
机场地基处理碎石盲沟施工方案#昆明.doc_第1页
第1页 / 共14页
机场地基处理碎石盲沟施工方案#昆明.doc_第2页
第2页 / 共14页
机场地基处理碎石盲沟施工方案#昆明.doc_第3页
第3页 / 共14页
机场地基处理碎石盲沟施工方案#昆明.doc_第4页
第4页 / 共14页
机场地基处理碎石盲沟施工方案#昆明.doc_第5页
第5页 / 共14页
机场地基处理碎石盲沟施工方案#昆明.doc_第6页
第6页 / 共14页
机场地基处理碎石盲沟施工方案#昆明.doc_第7页
第7页 / 共14页
机场地基处理碎石盲沟施工方案#昆明.doc_第8页
第8页 / 共14页
机场地基处理碎石盲沟施工方案#昆明.doc_第9页
第9页 / 共14页
机场地基处理碎石盲沟施工方案#昆明.doc_第10页
第10页 / 共14页
亲,该文档总共14页,到这儿已超出免费预览范围,如果喜欢就下载吧!
资源描述

《机场地基处理碎石盲沟施工方案#昆明.doc》由会员分享,可在线阅读,更多相关《机场地基处理碎石盲沟施工方案#昆明.doc(14页珍藏版)》请在第壹文秘上搜索。

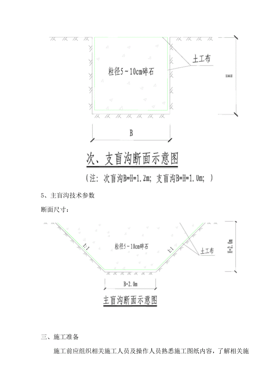
1、目 录一、编制依据3 二、工程概况3 三、施工准备5 四、碎石盲沟施工方案 5 五、碎石盲沟施工工艺6 六、盲沟施工质量标准及检测要求8 七、质量保证体系及质量保证措施8 八、安全生产措施9 九、文明施工措施11 十、环境保护措施 11 十一、附图14 一、编制依据 本方案依据某某新机场西次区域地基处理与土石方工程施工图设计及设计说明、施工组织设计及现行有关技术规范编制。 二、工程概况 1、本工程盲沟主要设置于北侧填方区,平面位置见设计图纸基施-01,主要有3条主盲沟和5条次盲沟,主要工程量如下: 2、盲沟设置原则:沿主要冲沟沟底,设置主盲沟,在原有次要冲沟沟谷位置,设置次盲沟,结合地形情况和

2、渗流情况设置支盲沟。每一个泉眼均应设置排水支盲沟,并与主盲沟或次盲沟相连,以便将泉水引入主盲沟或次盲沟内,盲沟内用碎石充填并用土工布包裹形成反滤层。主次盲沟设计断面及技术参数如下示: 3、次盲沟、支盲沟技术参数: 5、主盲沟技术参数 断面尺寸: 三、施工准备 施工前应组织相关施工人员及操作人员熟悉施工图纸内容,了解相关施工工艺、技术指标、验收标准、检验方法等,并对原地表进行勘察复测、障碍物拆除、清表处理,进行施工前的技术交底工作。 对设计盲沟沿地势测设高程,推算出出水口在边坡排水沟的高程是否满足设计要求:主盲沟、次盲沟和支盲沟的纵向坡度应不小于0.5%,盲沟应引入填筑体外坡脚排水沟,出水口底面

3、标高应高出盲沟外最高水位20cm。 盲沟施工前应进行实地测设及放样,出水口标高应满足设计要求,与现有排水系统应有足够落差。如果实测发现有设计沟底比现有排水系统低的,应提供实测数据,报请监理及业主,明确处理方案后再施工。 根据施工范围、工程量及工程进度要求,配备足够的施工机械,操作班组及管理人员及时到位,并对清表前及清表后进行1010米方格网测设,报请监理及业主确认。 四、碎石盲沟施工方案 测量放样:根据排水施工平面定位布置图,由测量员进行施工测量放线。在地面上分别定出排水沟的开挖边线,增设施工平面,高程控制桩,并根据沟槽设计及土质情况计算出开槽宽度和深度。 开挖沟槽:测量放线后,开始挖沟槽。挖

4、深由测量人员检测高程控制。采用以机械(挖掘机)为主、人工为辅施工。 开槽时应同时采取防水、排水措施,避免槽底受水浸泡。应尽量缩短开槽的暴露时间。开槽后如不能立即进行下一道工序,应保留1030cm的深度不挖,待下道工序施工前整修为设计槽底高程,同时应预留厚20cm左右的一层用人工清挖。严禁扰动槽底,如发生超挖,应按设计要求进行回填。 开槽过程中,要经常检查槽帮是否稳定,一经发现变形、裂缝或支撑走动,必须立即停止施工,进行处理。夯实沟槽土基:沟槽开挖达到设计深度后,沟底土基采用蛙式打夯机配合人工进行夯实。 敷设土工布:人工将土工布铺入沟内,铺放土工布时沟面上要留有一定的土工布卷边,以包裹碎石填料。

5、土工布之间留30cm搭接长度,以保证过滤效果。土工布敷设时采取适当的固定措施,防止碎石充填时移动土工布。土工布施工完毕,要加强成品保护。 设置反滤层:由筛选过的中砂、粗砂、砾石等渗水材料按设计要求确定层数和粒径级配,其中砂石料颗粒小于0.15mm的含量不大于5%。 充填碎石:选用510cm碎石填满沟槽。施工时先由人工在沟底铺筑约30cm厚碎石一层并粗平,再由小型装载机将碎石料填入沟槽中。 五、碎石盲沟施工工艺 碎石盲沟施工工艺图见下图示。 盲沟施工工艺框图 六、碎石盲沟施工质量标准及检测要求 5.1 主、次盲沟和支盲沟的纵向坡度应不小于0.5%;排水盲沟可用粒径 510cm 的碎石,含泥量不大

6、于5%,并用滤水无纺土工布包裹,以保证长期排水效果。土工布规格不小于300g/m2 ,抗拉强度不小于 6kN/m,渗透系数为 510-2 510-1 cm/s。 5.2 应结合现场原地基处理实际情况,合理设置排水盲沟。当盲沟施工与地基处理不相互影响时,可同时或提前进行盲沟施工;当盲沟施工与地基处理相冲突时,应在地基处理完成后进行。例如,当盲沟出水口位置低于边坡排水沟时,应按照相应部位施工方法先处理红粘土和粘性土地基的方法先处理地基,如果还低于排水沟,再按照上部土石方填筑要求继续填筑到满足盲沟排水口的要求后,再开挖施工盲沟排水沟。见后附图示。 5.3 碎石和土工布必须在进场后及时请监理见证取样后

7、送检,合格后方可投入使用;施工完成后必须办理隐蔽验收。 七、质量保证体系及质量保证措施 (一)、质量目标 符合和满足施工合同要求,并响应施工组织设计质量要求。 (二)、质量保证措施 本工程质量管理全面执行相关国家标准及公司程序文件要求,并以此监控施工全过程。 质量员及施工主要负责人上岗前按照本工程的特点及技术要求提前进行质量技术的培训,并让所有参加施工人员都清楚本工程的质量保证体系及技术质量要求。 施工员和质量员要向各施工队进行技术和质量交底,确保各个施工人员做到对质量心中有数。 严格遵守和执行有关的施工质量规范,推行全面质量管理,建立质量保证 体系,提高全员质量意识,确保质量管理惯彻整个施工

8、过程。 坚持质量自检、互检、交接检“三检”制。 实行质量管理项目部负责制,配置专职质检员,具体负责质量管理工作。严格按项目部管理体系进行施工管理。 做到施工与计量同步,部位与工序验收同步,完工与资料同步,竣工与交验同步。 项目经理部组织结构图 八、安全生产措施 (一)、项目部组织保证措施 安全管理组织机构图 我项目部设立专职安全部门,设安全总监1人,专职安全员1人,兼职安全员1人。 安全总监:谭直安 专职安全员:胡斌 严格执行各项安全措施和管理制度,预防为主、以人为本、搞好三级教育,根据安全操作规程施工,并注意如下措施: 1、建立安全责任制,项目经理部及各施工队伍健全执行责任制度,制定各工种安

9、全技术操作规程,按规定配备专职安全员,安全管理人员责任到人,定期考核。 2、为切实保证施工人员安全,树立“安全第一,预防为主”的思想,根据国家建设部颁发的安全检查评分标准制订具体措施。建立安全保证体系,除企业已有的机构外,工地设立安全管理机构,工程项目设立安全小组、班组设安全员,形成一个健全的安全保证体系,工地的安全管理机构负责工地日常的安全工作,定期组织安全检查,对不符合要求的要及时发出整改通知,指导工程项目部和班组安全员的工作,对违章作业者进行批评教育和处罚。 3、优化安全技术组织措施,包括以改善施工劳动条件,防止伤亡事故和职业病为目的的一切技术措施,如积极改进施工工艺和操作方法,改善劳动

10、条件,减轻劳动强度,消除危险因素,机械设备应设有安全装置。 4、机械操作人员必须持证上岗,各种作业人员应配带相应的安全防护用具及劳保用品,严禁操作人员违章作业,管理人员违章指挥。施工中所有机械、电器设备必须达到国家安全防护标准,自制设备、设施应通过安全检验,一切设备应经过工前性能检验合格后方可使用,并由专人负责,严格执行交接班制度,并按规定定期检查保养。 5、凡进入现场的一切人员,均要戴安全帽,正确使用“三宝”。要配合公司安全月检工作,工程项目部要实行周检,项目点要日检,施工中应抽检,及时消除安全隐患。严格执行各项安全操作规程,施工前要进行安全交底,定期进行安全教育,加强工人的安全意识教育。

11、6、在主要入口处挂醒目的安全防火宣传语牌。 7、加强安全教育和监督,坚持经常性的安全交底制度,提高施工人员的安全生产意识,及时消除事故隐患。 (二)、项目部安全应急救援预案 详见专项应急救援预案。 九、文明施工措施 严格执行项目部安全文明标准化工地策划方案 十、环境保护措施 1 本工程环境污染源分析 在施工当中影响周围环境的因素有: (1)噪声的影响:因离居住区及村庄较远,不存在噪声污染问题。 (2)灰尘的排放。施工现场土石方回填、建筑垃圾、土堆、沙堆、现场路面、进出车辆运输等这些因素都会污染空气,影响健康和污染环境。 (3)路面及现场环境污染。现场运土、生活垃圾、原材料的运输过程中都会出现抛

12、洒现象,造成污染。 (4)生产、生活污水排放。现场所设的食堂、厕所、现场搅拌、特殊工序用水等都会排放出污水,污染水体。 危险源识别与控制见危险源识别、控制、指导方案。 2环境保护目标 针对上述影响环境的因素分析制定环境保护目标,本工程环境保护目标及环境控制指标如下表所示: 执行标准:GB/T24001-2004环境体系标准、中华人民共和国环境保护法、中华人民共和国固体废物污染防治法、中华人民共和国水污染防治实施细则、中华人民共和国大气污染治法实施细则、中华人民共和国环境噪声污染防治法,民用建筑室内环境污染控制规范(GB50325-2001)。 3环境保护措施 对全体职工加强环保宣传教育工作,以

13、提高全体人员的环保意识,执行和遵守国家、省、市有关环境保护法规、法律、政策,主动接受环境监督。规范环保行为,采取有效的环保措施及环保经济责任制,实行必要的奖惩制度。 针对以上分析的各种污染因素,在现场施工前,我单位将精心准备,制定环境保护措施,实行环境保护责任制,并对施工全过程进行监督、控制,推行洁静施工、保护自己的工作(生活)环境、创建绿色建筑,建设云南一流的施工现场。 (1)现场食堂设置隔油池;现场厕所设置化粪池。 (2)针对污染路面现象,现场设置洗车台,土方运输车出场前必须经洗车台冲洗。针对运输抛酒现象,运输车出场一律进行覆盖。 (3)针对现场防火、防爆现象,油库、化学品库、油罐等一律配

14、备规定数量的环保型灭火器,油罐应埋地或搭设防护棚。 (4)针对现场夜间施工光污染,夜间施工时,所有灯具设置灯罩,并注意灯罩方向。 (5)施工期间施工机械车辆较多,周围道路使用频率较高,容易造成扬尘多,对道路定期维修,定期喷撒水、养护,保持路面的湿润,减少对大气环境的污染。考虑到施工期间为秋天,根据某某以往秋季特点会有大风天气,清表留用的回填土用塑料薄膜加以覆盖,防止扬尘。 (6)对现场施工管理人员和操作人员进行消防培训,对库房一律配备环保型灭火器,严格落实各项消防管理制度。 (7)制定切实可行的节水、节能措施。随手关灯,项目部设专人负责监督水电节约措施的实施。 (8)注重保护周边植被,保护好用水环境,如有破坏应及时予以恢复,防止水土流失,保持生态平衡。 (9)施工期间,积极协助当地卫生防疫部门,分期分批地对进入施工现场的施工人员进行检查和检疫,预防流行病的发生。按规定定期组织防疫药物喷洒,隔断疫病源。 (10)施工期间应严格按当地环保卫生部门的要求,在指定地点按标准按要求及时回填建筑垃圾,施工废渣收集处理生活垃圾,减少人为破坏环境。 (11)施工完结后应全面检查施工现场的环境恢复情况,施工单位应及时撤出占用场地,

展开阅读全文
相关资源
猜你喜欢
相关搜索

当前位置:首页 > 建筑/环境 > 设计及方案

copyright@ 2008-2023 1wenmi网站版权所有

经营许可证编号:宁ICP备2022001189号-1

本站为文档C2C交易模式,即用户上传的文档直接被用户下载,本站只是中间服务平台,本站所有文档下载所得的收益归上传人(含作者)所有。第壹文秘仅提供信息存储空间,仅对用户上传内容的表现方式做保护处理,对上载内容本身不做任何修改或编辑。若文档所含内容侵犯了您的版权或隐私,请立即通知第壹文秘网,我们立即给予删除!