6-校核和辊型设计.docx

上传人:p** 文档编号:1075077 上传时间:2024-06-29 格式:DOCX 页数:15 大小:80.44KB
下载 相关 举报
6-校核和辊型设计.docx_第1页
第1页 / 共15页
6-校核和辊型设计.docx_第2页
第2页 / 共15页
6-校核和辊型设计.docx_第3页
第3页 / 共15页
6-校核和辊型设计.docx_第4页
第4页 / 共15页
6-校核和辊型设计.docx_第5页
第5页 / 共15页
6-校核和辊型设计.docx_第6页
第6页 / 共15页
6-校核和辊型设计.docx_第7页
第7页 / 共15页
6-校核和辊型设计.docx_第8页
第8页 / 共15页
6-校核和辊型设计.docx_第9页
第9页 / 共15页
6-校核和辊型设计.docx_第10页
第10页 / 共15页
亲,该文档总共15页,到这儿已超出免费预览范围,如果喜欢就下载吧!
资源描述

《6-校核和辊型设计.docx》由会员分享,可在线阅读,更多相关《6-校核和辊型设计.docx(15页珍藏版)》请在第壹文秘上搜索。

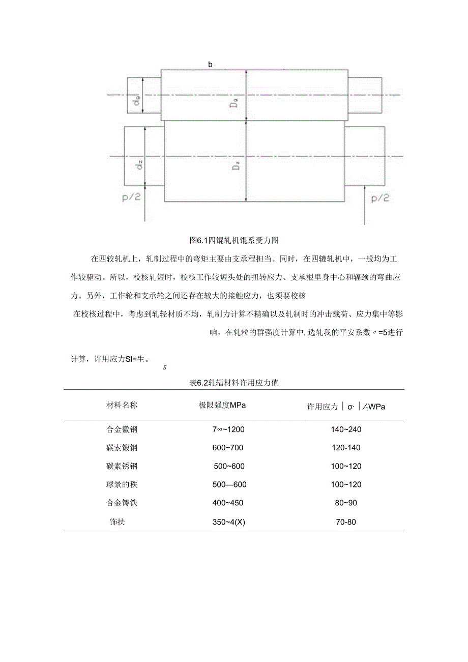
1、6校核和轻型设计6.1 咬入条件的校核由于压下量、轧推直径、咬入角三行关系式如下。=ZXl-CoSe)所以,CoSe=I一号表6咬入角道次1234s678910!a13.8715.7415.7413.8711.729.077.405.233.312.34热轧中厚板的最大咬入角在1522之间,所以轧制各道次咬入角均符合咬入条件。设备的限制条件主要是轧粒的强度和主电机的实力,在本次设计中,主要校核轧犍的强度和主电机的实力.6.2 轧银强度校核最大轧制压力和最大轧制力矩一般取决丁轧辑等零件的强度条件,在制定轧制压卜规程时应进行强度校核。四瓶轧机检系受力状况如图6.1所示:b图6.1四馄轧机馄系受力图

2、在四较轧机上,轧制过程中的弯矩主要由支承程担当。同时,在四辘轧机中,一般均为工作较驱动。所以,校核轧短时,校核工作较短头处的扭转应力、支承根里身中心和辐颈的弯曲应力。另外,工作轮和支承轮之间还存在较大的接触应力,也须要校核在校核过程中,考虑到轧轻材质不均,轧制力计算不精确以及轧制时的冲击载荷、应力集中等影响,在轧粒的群强度计算中,选轧我的平安系数=5进行计算,许用应力Sl=生。S表6.2轧辐材料许用应力值材料名称极限强度MPa许用应力1WPa合金徽钢71200140240碳索锻钢600700120-140碳素锈钢500600100120球景的秩500600100120合金铸铁400450809

3、0饰扶3504(X)70-806.2.1 工作较强度校核工作较只需校核里头的扭转应力。在总共10道次中,第3道的力矩最大,%=88634KNm,一个工作轮所受的扭矩为.以8868.34.1-v.Mn=*=4434.17KN-m22工作短的轮头形式为平台式,因此Wit=(也-0.(M5)4(6.1)4式中/=(0.25-0.30)0,5D、=Dz-(515)WT:OmS是轧掘重车后的最小辐身直径,取DmH=I,咖.所以R=II20-5=1115,W:h=(0.250.30)D,=(0.25O.3O)I1I5=278.75-334.5WI.取A=33O:&=(0.900.94)4=(0.9()0.

4、94)x615=553.55我.1,皿,取4=575WlO代入公式(6.1)得:W=-0.M5)/,=(。黑330-O(M)X0575=0.0624ntM443417旦=x”=7106042KNM=71.06MPajWn0.0624工作里强度满意。工作辘的扭矩图,如图6.2所示。6.2.2 支承较强度校核支承较材质选合金锻钢Rrl=14024()MPa0通过第五章的计修可.得,在第1道轧制力最大,即尸=51811.47KN,(6.2)1 .支承粗强身中心强度校核支承辘粒身中心弯矩计算式如下:由P=51811.47&V,a=596(”“,1.=430(刖”代入式(6.2)中得:/z=箜一空)=4

5、935425KM,“224224其弯曲应力为l,.=-7=,3电44=4耐,A*KN/m2=49.66A70.1D:O.12.55校核通过。2,支承较较劲强度校核支承掘粒劲危急断面弯矩计算如下:(6.3)将P=51811.47KV,.a=596(M1.=4300小加代入式(6.3)中得:=21501.76KN51811.475.96-4.3X22其弯曲应力为=W型:7g=72()08.96/tn3=72.01MPa6MPa图6.3支承根弯矩图6.2.3 工作银与支承辑间的接触应力四轮轧机工作辐和支承根之间承载时有很大的接触应力,在轧轮设计及运用时应进行校核计算。因为两粒的材质不同,接触应力的计

6、算公式为3QK(6.4)11-(Kt+K2)rlr2式中一加在接触表面单位长度上的负荷,?=-;A、相互接触的两个轧般的半径,4=0.56?,A=1.075m:l,马一与轧辑有关的系数,=,格=二匚:如、出及品、,一两轧轻材料的泊松比和弹性模数.支承较选合金锻钢E=l86-206GPa,取E=2()OGPa/,=().25-0.30.取4=0.27工作轻选球提铸铁E2=78,5-157GPa,IREi=100GPa%=0.230.27,取2=0.25代入上面公式得K1=与其=行丝=1.47xlXT11Ei3.14200K=Jy=2.98IO2Pa11Ez3.I41(X)P51811.47八US

7、eB,,a=12.()5l()NIm1.4.3代入公式(6.4)得:(TZ=、乒=h咯竺XI。*。.智丝=74516M/1 N/(K+KMV-(1.47+2.98)1O*110.561.075r=0.3(W,lil=0.3(745.16=226.53MPa对r通常轧程的许用接触应力”值在15002(X)()之间,许用剪切应力IrJ=0.5-0,6=750l200MPa,所以满急强度。6.3主电机功率校核由鞍钢电机设备可知电机功率为2x6()00KW,转速为40100型,在本次设计采纳的是可逆式轧制,因此在进行校核时采纳可逆式工作制的主电机容量计算,考虑电机的允许过载实力与电机发热两方面的因素“

8、6.3.1 可逆式轧机主电机过载校核在可逆式轧机中,轧制过程是轧程首先在低速咬入轧件,然后提高轧件的速度进行轧制,之后又降低轧制速度,实现低速抛出。主电机的过我校验:(6.5)MnnmMr式中Mz电机在轧制过程中承受的最大转矩:Mt电机的额定转矩:儿,一电机的允许过载系数。般Z,型与Z型直流电动机在额定磁通下,4值可选为1.52。对于专为轧钢机运用的ZZ型和ZZy型电机以及同步电机,过载系数4为2.5-3。因此本次设计中儿,=2.5。电机的过我校核,则电机的额定力矩为:M.=9550丛=955OX史崛=3S2OKNmtn(60由表5.1可知,在第1道轧制时有I大转矩A/=886834KMm,按

9、公式(6.5)有:886&S42.5X3820=955O/GV-m即WMV25W,6.3.2 典型产品轧制图表轧制图表主要反映轧制道次和轧制时间的关系,它是探讨和分析轧制过程的主要依据,通过这些关系的探讨与分析可以清楚地看到:轧件在轧制过程中所占的轧制时间、各道次之间的间隙时间、轧制一块钢板所须要的总的持续时间和轧制过程中轧件交叉轧制状况、轧件在随意时间所处的位置等。图6.4典型产品轧制图表此次设计采纳的是单机架可逆式中悻板轧机,轧制图表如图6.4所示.设计中采纳此轧制图表的特点是=rH8式中7轧制节奏时间,S;Ar-前后两块坯料的轧制间隙时间,s;7;根料轧制总持续时间,s:*各道次纯轧时间

10、之和,s:,一各道次间隙时间之和,s:6.3.3 轧机电机的发热校核电机的发热是由于实现能量变换过程中,在电机内部产生损耗并变成热量,使电机的温度上升。电机的发热校验通常采纳等效法,即等效电流法、等效转矩法和等效功率法。在进行设计时,出于计算便利和好用,常应用等效转矩法。其公式如下:MtMtlt(6.6)-=j三f-式中M,一电机的额定转矩:IVllt一电机的等效转矩:Mi-各段轧制时间所对应的力矩:r,一轧制时间内各段纯轧时间的总和;Af“一各段间隙时间所对应的空转力矩:r“一轧制周期内各间隙轧时间的总和。因此,电机的发热校核按公式(6.7)进行计算得:Z501107141.9Mlll=27

11、19504+Z2=75.34$代入公式(6.7)得M1.J率画胸眄孚酶,7Me4+%V75.34该值小于电机的额定力矩,发热校核通过。6.4辐型设计热轧中厚板时,由r轧制时轧较的不匀称热膨胀、轧辑的不匀称磨损以及轧短的附性压扁和用性弯曲,而使空我时的平直混缝在轧制时变得得不平直了,致使板带的横向厚度不均和板形不良。为了克服这些因素,弥补轧制时账缝形态的改变,必需预先招轧辐根身磨成具有肯定的凸凹度的轮廓曲线,以得到横断面厚度匀称的产品。在设计新轮时,对制泥的磨损不必考虑,只考虑不匀称热膨胀和轧辑的弹性变形弯曲“轻型设计的内容包括确定轧料中部的磨损总凸度值、总凸度值在一套轧辐上的安排以及确定适应于

12、我身中部凸度的我而磨削曲线。由于轧我的不匀称磨损小,在本次设计中忽视轧程的不匀称磨损.6.4.1 轧辐的不匀称热膨胀在钢板的轧制过程中,沿粗身长度方向上,其边部受热较小、散热较快,而中部受热较多、散热较慢。因而,中部膨张大一些。通常将辘身中部与边部半径上的热膨胀差值称为轧辐的热凸度,用表示。D,=yf=KTaDZ-T11)=KraTD网(6.8)式中Tz.7;鞋身中部和边部温度:。一轧我直径:轧掘的线膨张系数,钢一取为13x10力,C铸铁辐4取为11.9x10*1/。Kr-轧辑中心与表面不匀称系数,般KT=O.9。我们依据工作短和支承短的己知数据以及鞍钢设备要求求解各里的凸度。工作轻材质选球墨

13、铸铁,依据鞍钢中厚板厂实际生产状况,工作较轻身中部与边部的温度差为1112C.将A=Il20叽,1=11.910ftlC,AT;=HI2-C.Kr=0.9代入式(6.8)得:D,=j,=().9ll.9l()-*(ll12)112()XlO1=132-144zm取ARI=I443支承较材质选合金锻钢.依据鞍钢中厚板厂实际生产状况,支承较辑身中部与边部的温度差为2-3*C0将2=2150,勺=13XIO*1iC,A4=23C,Kt=0.9代入式(6.8)得:D,=y,2=0.913106(2-3)215()x1()=5()75n取D,=75jwm6.4.2 轧混的弹性弯曲变形这主要包括轧鞋的弹性

14、弯曲和弹性压扁0轧辘的弹性压扁沿轻身长度分布是不匀称的,这主要是由于单位压力分布不匀称所致。此外,在我近轧件边部的压扁也要小一些,使轧件边部出现变薄区,随着轧轻直径的减小.边部变薄区也减小,一般状况下这个区域虽然不很大,却也影响成材率。在工作轻与支承短之间也产生不匀称抑性压扁,它干脆影响到工作根的弯曲挠度。理论和实践都表明,轧制时工作辑的实际挠度比支承较大的多。这主要是因为工作辑与支承辑之间存在有弗性压扁变形,结果使位于板宽范困之外的那一部分工作里受到支承辐的悬再弯曲作用,从而大大地增加了工作混本身的挠度。轧件的宽度愈小,工作提的挠度便愈大。四轮轧机工作辑的弯曲挠度不仅取决r支承轻的弯曲挠度,而且也取决于支承辑和工

展开阅读全文
相关资源
猜你喜欢
相关搜索

当前位置:首页 > 论文 > 管理论文

copyright@ 2008-2023 1wenmi网站版权所有

经营许可证编号:宁ICP备2022001189号-1

本站为文档C2C交易模式,即用户上传的文档直接被用户下载,本站只是中间服务平台,本站所有文档下载所得的收益归上传人(含作者)所有。第壹文秘仅提供信息存储空间,仅对用户上传内容的表现方式做保护处理,对上载内容本身不做任何修改或编辑。若文档所含内容侵犯了您的版权或隐私,请立即通知第壹文秘网,我们立即给予删除!