B2-10测量施工方案4.6修改(无钢构公司版).docx

上传人:p** 文档编号:1079870 上传时间:2024-06-29 格式:DOCX 页数:25 大小:563.67KB
下载 相关 举报
B2-10测量施工方案4.6修改(无钢构公司版).docx_第1页
第1页 / 共25页
B2-10测量施工方案4.6修改(无钢构公司版).docx_第2页
第2页 / 共25页
B2-10测量施工方案4.6修改(无钢构公司版).docx_第3页
第3页 / 共25页
B2-10测量施工方案4.6修改(无钢构公司版).docx_第4页
第4页 / 共25页
B2-10测量施工方案4.6修改(无钢构公司版).docx_第5页
第5页 / 共25页
B2-10测量施工方案4.6修改(无钢构公司版).docx_第6页
第6页 / 共25页
B2-10测量施工方案4.6修改(无钢构公司版).docx_第7页
第7页 / 共25页
B2-10测量施工方案4.6修改(无钢构公司版).docx_第8页
第8页 / 共25页
B2-10测量施工方案4.6修改(无钢构公司版).docx_第9页
第9页 / 共25页
B2-10测量施工方案4.6修改(无钢构公司版).docx_第10页
第10页 / 共25页
亲,该文档总共25页,到这儿已超出免费预览范围,如果喜欢就下载吧!
资源描述

《B2-10测量施工方案4.6修改(无钢构公司版).docx》由会员分享,可在线阅读,更多相关《B2-10测量施工方案4.6修改(无钢构公司版).docx(25页珍藏版)》请在第壹文秘上搜索。

1、1、工程集况22、制依据33、H猫工作简述34、人员架构和仪号Ei34.4测坦人员架构34.2.测艮仪照配R45、土建蒲代方案45.1、 知.00以下测量方案55.1.1, 整就点的建立55.1.2, 平面限装派收65.1.3, 高程承潟.95.2、 10.00以上测显方案105.2.1, 平面限制潮fitIO5.2.2, 瓶悭承酒,145.3、 塔楼蜡体垂出度限制166、铜结构译量方案196.1、 钢结构安装定位与校正196.1.1, 核心筒里面埋件的激量定位/96.1.2, 外框纲枝的安装定位与陵灰196.1.3, 展心曲劲性钢柱的安装定位与校正196.1.4, 审结构安装定位的允许偏爱/

2、96.1.5, 候条件对钢结构安装滋量的影响及其施工对策.797、工监197.1、 沉降观测197.1.1, 徽述197.1.2, 赛浴精度要求227.1.3, 沆降变形烧料的挑爻227.2、 建筑物垂直度监测228、蒲景工程质公限制措239、平安铲保证措24流工总承包:广州市建筑集团有限公司2、编制依据1 .工程测量规范3(GB50026-2007)2 .城市测量规范3(CJJ8-99)3 .8建筑变形观测规程(JGJ/T8-97)4 .全球定位系统(GPS)测量规范(GB/T18314-2009)5 .钢结构工程施工质量验收规范(GB50205-2001)6 .国家一、二等水准测域规范3(

3、GB/T12897-2006)7,本工程设计图纸:3、测量工作简述工程测量的工作主要是依据施工设计图纸及设计要求,揩建筑物的平面尺寸、标高位设,测设或放样到建筑物的实建地上或建筑物相对应的位置,为施工供应各种放线标记作为按图施工的依据,针对本工程的工程规模及特点,现场建立平面和高程测用限制系统及监测系统,为整个施工过程和工程质量进行测量限制。依据本工程的测量规划和结合以往超高层建筑的施工阅历,工程测量的主要工作如下:1 .施工打尊阶段(1) .熟识工程图纸、组建测量架构、购置测量仪器和编制测量专项方案:(2) .首级限制网的移交与复测;2 .基坑支护桩、土方施工阶段及0.00以下主体结构施工阶

4、段(D基坑支护桩和搅捽桩止水怵器定点放样:(2) .建立平面和高程二级限制网,采纳“外控法”测量放线;(3) .基坑的支护结构和周边建筑物的水平位移与沉降监测:3 .+0.00以上主体结构施工阶段(D.平面和高程二级限制网“内控法”垂直引测,限制核心筒轴线、标高:(2) .底板基础平面钢柱底预埋件、墙立面预埋件安装定位测量:(3) .平面和高程三级限制网测量,限制柱、梁、墙、门洞口的轴线、标高;(4) .钢柱三维坐标位置的定位校正测I忆并分析气候条件对测址结果的影响;(5) .楼核心筒内外地垂直度及轴线偏差限制测量:4 .总承包服务阶段本阶段主要由总承包单位协作二次结构、装饰装修、机电安装、幕

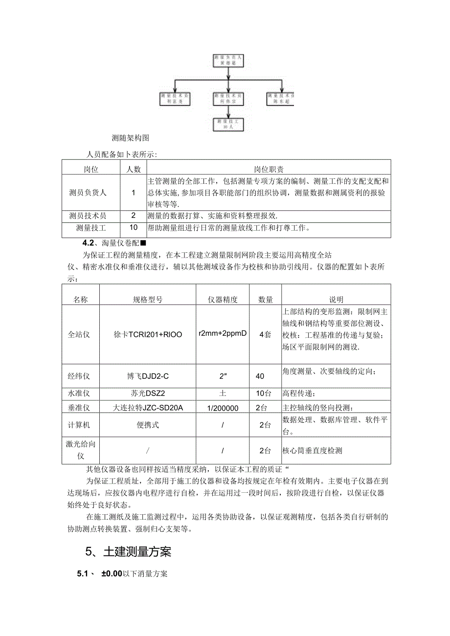
5、墙等分包单位的安装工作,进行平面轴线和高程的交接,并实时检查各分包单位的构配件的定位安装质量。4、人员架构和仪器配置4.1、 测人员架构本工程配备的测量人员,具有丰富的测量学问与阅历,经过良好的培训,运用过各种类型的先进仪器,完全能胜任本工程的测量工作要求。测随架构图人员配备如卜表所示:岗位人数岗位职责测员负货人1主管测量的全部工作,包括测量专项方案的编制、测量工作的支配支配和总体实施,参加项目各职能部门的组织协调,测量数据和测属资利的报验审核等等.测员技术员2测量的数据打算、实施和资料整理报效.测量技工10帮助测量组进行日常的测量放线工作和打尊工作。4.2、淘量仪卷配为保证工程的测量精度,在

6、本工程建立测量限制网阶段主要运用高精度全站仪、精密水准仪和垂准仪进行,辅以其他测域设备作为校核和协助引线用。仪器的配置如卜表所示:名称规格型号仪器精度数量说明全站仪徐卡TCRI201+RlOOr2mm+2ppmD4套上部结构的变形监测:限制网主轴线和钢结构等重要部位测设、校核:工程基准的传递与复验;场区平面限制网的测设.经纬仪博飞DJD2-C240角度测量、次要轴线的定向;水准仪苏光DSZ2土1.5m11zkm10台高程传递;垂准仪大连拉特JZC-SD20A1/2000002台主控轴线的竖向投测:计算机便携式/2台数据处理、数据库管理、软件平台。激光给向仪/2台核心筒垂直度检测其他仪器设备也同

7、样按适当精度采纳,以保证本工程的质证“为保证工程质址,全部用于施工的仪器和设备均按规定在年检有效期内。主要电子仪器在到达现场后,应按仪器内电程序进行自检,并在运用过一段时间后,按阶段进行自检,以保证仪器始终处于良好状态。在施工测纸及施工监测过程中,运用各类协助设备,以保证观测精度,包括各类自行研制的协助测点转换装置、强制归心支架等。5、土建测量方案5.1、 0.00以下消量方案在项目前期支护结构和地卜室施工阶段,主要运用规划部门供应的测量基准点进行测量:,倘如限制点的数量不满意测量放线要求,就在规划部门供应的测量基准点基础上,进行限制点的扩建,直至满意支护结构施工要去为止。在土方工程完成施工后

8、,为协作地下室上建施工须要,项目的限制网将在规划部门供应的测量基准点的基础上,建立本身的测量限制网。地下室施工阶段的测量限制主要采纳外控法,即在基坑顶的限制点撰设全站仪进行施工轴线(点)的放样及其他测设工作.为保证首级限制网的精度,在结合基坑监测报告的战础,每隔15天对限制网进行检查,刚好修正因基坑偏移、沉降或其他缘由引起限制点的变更。5.1.1、 限制点的建立1) .测出基准点的交接曳核进场后,首先进行施工测量限制点(Rl、R2和R3)的交接,联同建设单位、监理单位进行办理移交手续,并进行复测。2) .限制点建立方法在整个建筑场地内建立统一的平面限制网和水准基点,作为建筑物的定位、放线的依据

9、。施工限制网的测量,应遵循先整体后局部的工作程序进行。测量限制点限制点的做法如F:在标桩的顶面安装块100XlOOran的钢板,钢板下面焊有锚固钩,然后将其埋固于桩身混凝土之中。标板上最终标定点位时,在钢板上钻一个直径为l2mm的小孔,通过中心区一个十字线。小孔四周用红漆画一圆圈,使点位触目。施工中,在标桩四周打入爱护桩,在上面困绕铁丝,对测量标桩加以爱护,防止受毁坏.灌工限制点的布设和网点设间距应满意建筑物施工定位放线和规范的要求,并与总平面图相协作,以便在施工过程中,保持有足够数量的限制点,为施工供应定位测设及技术笈核的标记。3) .限制点及标高的襄护措施及其标识在限制点的周边设置15X1

10、.5X1.2m的钢管爱护架,井挂密目平安网,对限制点进行围闭(如下图所示并在其外围挂上标识,注明限制点的名称和“测员限制点,切勿破坏”的警告字样。轴线放样点和标高的表示方法如下图所示:一标高数值-E=轴一样-/控制线5.1.2、 平面限制测公5.1.2.1、 限制网简介因规划部门移交的测量:基准点往往不能满意施工测量的须要,而11还由于施工现场条件的困难和各种限制,测量限制点时常会遭遇破坏或不得不迁移.因此测量限制点在不同的施工阶段都会依据现场的实际状况建立起不同级别的限制网,以满诲施工测量要求。为使本工程施工测量系统的统一性和稳定性,以及协作施工监测、GPS检测等第三方的监测工作,有必要建立

11、和加密测量限制网。D限制网建立原则:1.施工限制点的测量,应进行闭合误差校核,超出允许误差值时,应更测。2 .建立施工平面限制网运用全站仪多测回观测。3 .施工限制点、水准点、及建筑物的主轴线等限制点标记,应设置坚固、稳定,不下沉、不变位,并用混凝土爱护。2) .轴线限制桩的校测1.在建筑物基础施工过程中,对轴线限制桩每半月纪测次,以防桩位位移,而影响到正常施工及工程施测的精度要求.2.采纳测量精度V级、测距精度2三+2ppm的全站仪,依据首级限制进行校测。3) .轴线投测方法1 .首先依据场区平面轴线限制桩和基础开挖平面图,测放出基槽开挖上口线及下口线,并用白石灰撤出。当基槽开挖到施工要求槽

12、底标裔时,用经纬仪将平面限制网轴投测至基槽内,再在基槽内用经纬仪测放出轨基础平面位置,并打限制桩指导桩基工程和基础土方开挖及基础结构的施工。2 .待垫以、底板打好后,依据基坑边上的轴线限制桩,将架J2经纬仪架设在限制桩位上,经对中、整平后,后视同一方向桩(轴线标记),将所需的轴线投测到施工的平面层上,在同一层上投测的纵、横轴线不得少于2条,以此作角度、距离的校核。经校核无误后,方可在该平面上放出其它相应的设计轴线及细部线。并弹盘线标明作为支模板的依据。模板支好后,应用两经纬仪架设在两条相互垂直的轴线上检杳上门的位置。在各楼层的轴线投测过程中,上下层的轴线竖向垂直偏移不得超过3m11u对电梯井位

13、的平面限制,在测量放线中是一个该留意的问题,在电梯井位旁边设置纵、横限制轴线各条,确保电梯井平面位置的正确性。3 .该工程投点误差不应超过3mm.轴线间误差不应超过3m.4 .当每一层平面或每段轴线测设完后,必需进行自检、自检合格后刚好填写报验单,报送报验单必需写明层数、部位、报筠内容并附份报验内容的测量成果表,以便能刚好验证各抽线的正确程度状况5.1.2.2、限制点的平面布置D.限制网的等级:等缎简述作用首级限制网由市规划院供应,位于地面的平面限制点、标高限制点及施工加密的限制点形成的限制网;起限制全局的作用,是其他各级限制网建立和包核的依据.二级限制网布酉在土00Om楼面或外国的各主要轴线

14、限制点、标高限制点;平面及高程限制网向上引测的基点,为下一级平面限制网供应测量依据,并为易受破坏的F一级限制网供应复原和校核的基准,三级限制网引测在各楼层的柱、梁、墙、门洞口等轴线和标高限制点:为各楼层的轴线限制供应施工放线的基点。2).首级限制网首级限制网的限制点由是规划部门供应,木工程有三个首级限制点,分别是RkR2和R3分别位于珠江东路和金穗路的路边上,是建立本工程各级限制网的依据,经检查符合本工程测量放线的精度要求.,3) .首级加密限制网由于首级限制网的限制点不能满意0.0Om以卜施工的须要,所以在地卜.室工程桩和结构施工前,在基坑边上建立首级加密限制网,共设置KkK2、K3和K4四

15、个加密限制点,作为0.OOm以卜施工阶段测量放线的基准点。由于在基坑施工阶段,支护结构会存在不同程度的水平位移,因此限制点的数据会产生肯定程度的变更,到时籽依据基坑的监测状况对限制点进行不定时的检隹,检杳频率将不少于2次/月,每次检杳完讲对数据进行相应调整,以保证测量放线的进度要求。4) .地下室轴线投测方法1 .首先依据场区平面轴线限制桩和基础开挖平面图,测放出施槽开挖上口线及下口线,并用白石灰撒出。当基槽开挖到接近槽底设计标高时,用全站仪仪分别投测出基槽边线和集水坑限制轴线,并打限制桩指导开挖。2 .塔楼部分共有人工挖孔桩38支,桩的定位通过全站仪干脆将4个角的桩定位,其他桩通过钢卷尺放出轴线后,用钢卷尺聘其他桩的位置定好,定好位置后就打入木枇记住桩的位置。人珑就口封数3 .待0层、底板

展开阅读全文
相关资源
猜你喜欢
相关搜索

当前位置:首页 > 建筑/环境 > 设计及方案

copyright@ 2008-2023 1wenmi网站版权所有

经营许可证编号:宁ICP备2022001189号-1

本站为文档C2C交易模式,即用户上传的文档直接被用户下载,本站只是中间服务平台,本站所有文档下载所得的收益归上传人(含作者)所有。第壹文秘仅提供信息存储空间,仅对用户上传内容的表现方式做保护处理,对上载内容本身不做任何修改或编辑。若文档所含内容侵犯了您的版权或隐私,请立即通知第壹文秘网,我们立即给予删除!