BH1417F立体声调频发射机的制作.docx

上传人:p** 文档编号:1080386 上传时间:2024-06-29 格式:DOCX 页数:5 大小:103.17KB
下载 相关 举报
BH1417F立体声调频发射机的制作.docx_第1页
第1页 / 共5页
BH1417F立体声调频发射机的制作.docx_第2页
第2页 / 共5页
BH1417F立体声调频发射机的制作.docx_第3页
第3页 / 共5页
BH1417F立体声调频发射机的制作.docx_第4页
第4页 / 共5页
BH1417F立体声调频发射机的制作.docx_第5页
第5页 / 共5页
亲,该文档总共5页,全部预览完了,如果喜欢就下载吧!
资源描述

《BH1417F立体声调频发射机的制作.docx》由会员分享,可在线阅读,更多相关《BH1417F立体声调频发射机的制作.docx(5页珍藏版)》请在第壹文秘上搜索。

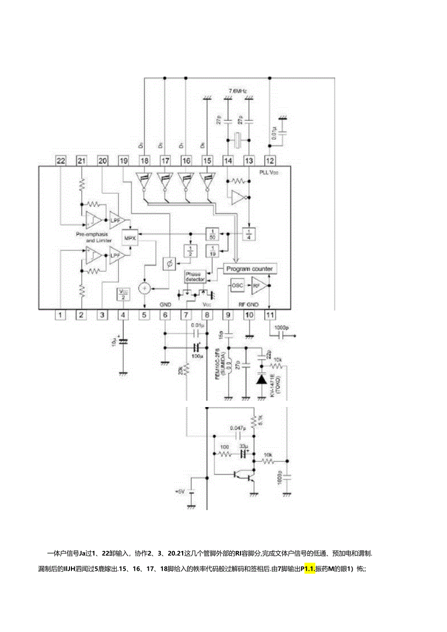
1、BHI417F立体声H频放射机的制作今H徒方要介绍的是一款简中DIY的FM四软放射器,果JrtFM谓侦故射技术对立体力而加信号进行放射.运用淑的其HFM四频收音功能的接收器(如无注耳机或收音机)就可以接收,而且运用了限制嫉*稔定电路使菽率不再淳移.假如在DIY过程中选件和加工略做学心点.此FM立体声放射爆放射出的立体声信号分别度可以达到50dB.失真小J0.3%.而凡电潞的总定性大火加强.就收发效果而才.上城本接近正视的FM电台.、立体声调演放射电路图脾折为1降低DlY的见度,我们可以地持专川的调频放射集成电路来完成此放射潴.悠/响点举柠东洋公司(R。HM)的调领力体声放射专用芯片BH1417

2、F.BH1417F族泰立体声Ul刮、FM剃制.频率合成和RF放人雅骅功能广体的大理快生或电路.仅仅很要很少的外用无潴件就能移狭得优异的立体岫调钝信号,J(内部功能框图和用脚功能如图1所示”应MBHI417F打造立体用训颈放材器的应用电路如图2所示.一电路大致分为互个部分I由BHI417F的22.21,20.19、1、2、3、4皙脚协作与其连接的分立元件织成立体亦信号愉入和立体户调制部分;15.16、17、18译胆设定找波加军:BH1417FW5.7、9、10、12许脚侨作其连接的分立元件.构成司领或波的珈率板密和射箱调制部分:13、14管脚外接必体振芮戕形成系统时件:6、8为电源海分IllW!

3、。外SJ连接的兀件构成词频信号放财部分.一体户信号Ja过1、22卸输入,协作2、3、20.21这几个管脚外部的RI容脚分,完成文体户信号的低通、预加电和谓制.漏制后的IlJH泗闻过5鹿嫁出.15、16、17、18脚给入的帙率代码般过解码和签相后.由7脚输出P1.1.振药M的眼1)怖;VCO.此VCO限制外部的分。元件炮成的高顿振的电路产生FMVMl的线波信号,并通过个达林技.极泞2SD2142对5脚输出的总介立体声信号透行FM屈率谓制,调制后的怡号通过9明场入到8417尸,JS过内部的射短放大!S故大后的射嫉;”;山11筠山.%W储的1“:;“;以干脆接到放射天假上进行故射.或者愉人到射箱功率

4、放大JS进行放大后Jtt射.扩大放射即然13.14肥须要外接76MHZ的晶体振笳舞,供应应BH1417F内部的笈柑、立体小信号诩制号部分所家要的已定时钟.由BH1417F内部工作斫常的时钟却是来自7.6MHz的曷抵而品板的工作娱率做都非常地定.外部训钝找潴信?和欣彼词制电路器运用V8(JK摔振粉限制的P1.1.(锁相环)电路进行工作.锁相环电潞也足以拍率场定性耳称.在.人多敢通俗电路中部用来构定翼筑猱串和产生乐统时钟.所以.由BH1417F筑成的调猱放射器放射频率Il就抬定.不会在放射过程中出现跑频但如完全根据技术向皮竹来依葫芦面却.在实际的DIY过程中你会发觉图2中的一些元件并不好找.因此,

5、为便利读才进行实际作笔存对电路和元件稍mr改动井优化/一部分比较ft耍的元件经过实际试验达到广不精的效果(图3).由于存在白领相关电路.所以相关的器件须笠选界对在班瓶放行利的型号.如图中涉及到白S信号栽台的电容,做选用无极性的大厂CB8,犹至WIMA的MKP此类发烧在南用电容也不过分,图3中以示出的元件是经过,Jl线改动的,ift1所示,表1:i动后电路中运M的主要元件Rl电讯14W47k选用5色环金Sl般的较好R2电口114W47k0选用5色环金国股的较好R3电Inl/4w3.3kO选用5色环金M联的叔好R4电见14W6.9kQ选用5色环金瓜盛的我好C1无极性电容IUFC网无影XBB6列较好

6、好C2无极性电容IuF选用无纤CBB系列较好C3无极性电容IUF选用无CB8系列较好C4电解电容22uF选用狗机角小的系列较好C5电就电容22uF选用相IE用小的系列较好Q1淘殛Iim90186值层M高Q2Ift嫔投臂9018BfivXm向1.l电然5T应存0.67左米漆包线绕制5描.我网直径4咕米左右改进后的电珞,把电位器换成了械的电口I.达林顿.横行用四个常用的9018组含.去掉了大线输出部分的GFWB3一这个极峰选购的帝通泄液器,并优化了H领回路中的(S号质M.对于提1可制作性和信号放射项Ht有很大的Wf助.这样,在具体DlY制作中,仅盯BH1417F这个主芯片和KV1417E这个变容已

7、笆相对来说难购买一生,但通过邮的或大里电子巾场还是可以买到的.BH1417F的价格大约1418元.KV1417E的价格在2元左右.二、无IIMtt射砌制作些并可以运用万用试脑电路板按1.述的电路图进行搭制.俎接过桎中,首先要将BH1417F这个海片SOP22H装的册件运用转接板进行转接然后内通过引级焊接到试验板中心的位置.坪接贴片元件的时候.要运用如头的电烙铁.先对芯片进行炸盅定位,并固定住四个脚上的炸网.然后再逐均接其他用盘,为了追开BH1417F各铁脚短路,可以先向转接板上的市盘健上一层很薄的锚,然后依次用烙铁费各管脚,使锡洛化,即可坚固焊接.对其他分立元件,假如芍条件的话,在上板之前用万

8、用衣等仪器濯试一下,推断及好坏.两个9018.极管尽fit选用B故命的,并无需送行配对.1.1电幅双要自行决制.制作时,可以运用一段百经06-Tmm的漆包战在直径为4mm的囿林上笠制5圈.缝制后,抽出酬林.把纹困两端的漆磨掉上IH即可.在进行有极懂的电解电容岸接时.必需密电电容的极性.f11Uff常的话,通电后电容碇定塌浆,姆别胜利后,碉定要细效投食一下电路再通电,1S者在实践过程中发觉,供电电滋的质量对整机的枪定性和信号的保立度“M,I、的影律认,、宝运用1.M317竣7805等三端稔乐电路进行供电.当然.最便利的就是运用USe接口取电了.要画意的是.BH1417F的供电电仄不要超过6V.举

9、养运用5V.否则会对芯片ifi成江屏通电质.般无/做测试,只要BH1417F没竹发热,就可以蛤1.CHfilRCH两端输入立体出信号,然行收汽15.16、17.18;M来询定一个放射频率进行放射.建议在湖试时.把这贱管却用IoK的电用接到电源负极,这样i2贾出家的钝车就罡87.7MHz,便干调试,这曲背脚和放射孤率的对吨关系如农2.表2针脚定义(1.,ttHl岛电平)CErolW!aDo(Pln15)-16)6(PInlDiPtnl8)1.1.1.1.877MHzH1.1.1.879MHz1.H1.1.88IMHzHH1.1.883MHz1.1.H1.88SMHZH1.H1.87MHZ1.HH

10、1.89MHzHHH1.P1.1.stops.1.1.1.H106.7MH;H1.1.H1O6.9MHZ1.H1.H107.1MHNHH1.H107.3MHZ1.1.HH107.5MHzH1.HH107.7MHZ1.HHH107.9MHHHP1.1.stops.上图中的87-89MHZ的频段是可以陇火黄送川的,不必对振荡电路杂数进行卅察联如要运用106-107MHZ软段的话.则次要对报就电路中的几个电容值进行谓整.此处不进行其体的叙述,留给读者自行探讨.假如在确保饵接正确的状猊下.放射器却不施正弗工作.怎么办?此时.你可以试着渐渐拨动一下1.l线Bl的谷匣间距.假如你的收音机在对应班率点还是没

11、有接收信号,你就双安检杳电踣其他部分有没有坪接失谯.由于二极竹的个体茏异都较大.假如读卷砰制的放射蹲工作失贰很大的话,就须要对9018的倒置幅度进行同整,也就是说续要苗禁BH1417F的弟7脚连接的20K电见的见仇以达到满足的效!R三、放射效果与进一步改进的断此放射疆接上约50Cm长的电姚辙天皴,在开阔地段有收放射题禹也许是10米左右,对于在家庭房间内接收音乐或运用无线话筒而言已短足够,但是,故如你资运用在其也场合的话,须要提高放射功率,也驮是在天线输出的堆方加上高软功率放大器.对于高痂功率放火器,受限于各种法规约束.在此我们不做过多探讨.外外,由BH1417F的放射频率足调将15.16、17、18这4个管脚的电i进行取M的.所以.h迷电路DlY成的FM调钝W体声放射;R仆谓整放射袋车时不是很便利,为了提高“用性,读者可以避少运用常规数字电路74HC4040,对BH1417F的4个版率设管胆的电平过行限制,tora所示,图6中.仅用个势粒的披世忧可以低到珈率的切帙架M.以1.ED灯进行*!率(代科)的指示-I、体的原理.请大家自口探时.此攵仅足毋并在制作FMWi顿立体加放射擀过程中的一线实践和看法,并IF敕科书.由于遂者水呐双.出情之处在所难免,假如读并右疑门或者有更Qj的想法和思路,梁大温不齐黝教.

展开阅读全文
相关资源
猜你喜欢
相关搜索

当前位置:首页 > 通信/电子 > 电子设计

copyright@ 2008-2023 1wenmi网站版权所有

经营许可证编号:宁ICP备2022001189号-1

本站为文档C2C交易模式,即用户上传的文档直接被用户下载,本站只是中间服务平台,本站所有文档下载所得的收益归上传人(含作者)所有。第壹文秘仅提供信息存储空间,仅对用户上传内容的表现方式做保护处理,对上载内容本身不做任何修改或编辑。若文档所含内容侵犯了您的版权或隐私,请立即通知第壹文秘网,我们立即给予删除!