项目安全总监考核评价表.docx

上传人:p** 文档编号:111326 上传时间:2022-12-28 格式:DOCX 页数:2 大小:18.97KB
下载 相关 举报
项目安全总监考核评价表.docx_第1页
第1页 / 共2页
项目安全总监考核评价表.docx_第2页
第2页 / 共2页
亲,该文档总共2页,全部预览完了,如果喜欢就下载吧!
资源描述

《项目安全总监考核评价表.docx》由会员分享,可在线阅读,更多相关《项目安全总监考核评价表.docx(2页珍藏版)》请在第壹文秘上搜索。

1、表5.2-2项目安全总监考核评价表所在单位被考核人员考核日期考核项目考核内容考核标准扣分原则考核结果基准分实得分事故控制(45分)生产性死亡事故控制从业人员(含职工、合同工、临时I)死亡为零每死亡1人扣25分25生产性人身伤害事故和群体健康事故控制不发生3人以上(含3人)群伤事故;重伤事故控制在0.3人/年亿元产值;轻伤事故控制在1人/年亿元产值;不发生群体健康事故每发生一起群伤事故或群体健康事故扣10分;重伤事故每超标1人扣10分;轻伤事故每矗标一人扣5410重大机械设备、交通、火灾事故、中毒、重大险情事故,环境污染事故控制不发生经济损失达5万元以上的机械设备、交通、火灾、中毒事故、环境污染

2、事故,重大险情等责任事故每发生1起扣10分10履职情况(45分)项目部规章制度建立及执行,安全责任落实项目部安全生产/环境管理规章制度健全,具有适宜性和有效性,并严格执行;安全操作规程系统完善;安全职责明确并严格履行其中1项未达到要求扣3分5项目部安全机构及安全管理人员配置符合局、二级单位安全机构设置规定;符合局安全管理人员配制要求其中1项未达到要求扣2分5安全风险评价与风险控制项目部开展安全风险预评价和施工过程风险评价;充分辩识危险源/环境因素,严格控制重大危险源和重要环境因素活动开展不规范或i稼不全,扣3分5安全生产基础管理工作安全基础管理台帐规范,齐全未达到要求酌情扣分5安全生产检查及隐

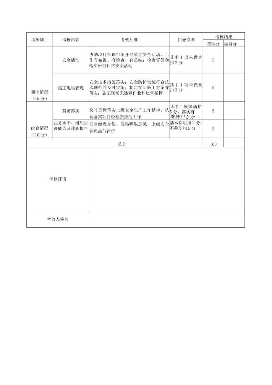
3、患治理按照局、二级单位安全生产检查管理制度,开展综合检查、专项检查、巡视检查;及时治理隐患其中1项未做到扣3分5安全教育培训I新进厂人员三级安全教育率100%,转岗和重新上岗人员安全教育率100%,班前安全教育活动100%;项目经理、副经理、总工、安全总监接受省级安全教育培训率100%其中1项未做到扣2分5持证上岗特种作业人员(含分包队伍施工人员)持证上岗率100%,证件有效:安监员持证上岗率100%其中1人未做到扣2分5续表考核项目考核内容考核标准扣分原则考核结果基准分实得分履职情况(45分)安全活动协助项目经理组织开展重大安全活动,工作有布置、有检查、有总结;检查督促和落实班组日常安全活动其中1项未做到扣2分5施工现场管理安全技术措施落实;安全防护设施符合技术规范并及时实施;制定文明施工方案并落实;施工现场无违章作业和违章指挥其中1项未做到扣3分5综合情况(10分)贯彻落实及时贯彻落实上级安全生产工作精神;认真落实项目经理安排的工作其中1项未幽扣5分,落实有塞皆口3分5业务水平、组织协调能力及述职报告项目经理介绍、现场听取意见,上级安全管理部门评价基本称职扣2分,不称职扣5分5总分100考核评语考核人签名

展开阅读全文
相关资源
猜你喜欢
相关搜索

当前位置:首页 > 管理/人力资源 > 绩效管理

copyright@ 2008-2023 1wenmi网站版权所有

经营许可证编号:宁ICP备2022001189号-1

本站为文档C2C交易模式,即用户上传的文档直接被用户下载,本站只是中间服务平台,本站所有文档下载所得的收益归上传人(含作者)所有。第壹文秘仅提供信息存储空间,仅对用户上传内容的表现方式做保护处理,对上载内容本身不做任何修改或编辑。若文档所含内容侵犯了您的版权或隐私,请立即通知第壹文秘网,我们立即给予删除!