一体化净水设备构造.docx

上传人:p** 文档编号:123031 上传时间:2023-01-09 格式:DOCX 页数:3 大小:108.60KB
下载 相关 举报
一体化净水设备构造.docx_第1页
第1页 / 共3页
一体化净水设备构造.docx_第2页
第2页 / 共3页
一体化净水设备构造.docx_第3页
第3页 / 共3页
亲,该文档总共3页,全部预览完了,如果喜欢就下载吧!
资源描述

《一体化净水设备构造.docx》由会员分享,可在线阅读,更多相关《一体化净水设备构造.docx(3页珍藏版)》请在第壹文秘上搜索。

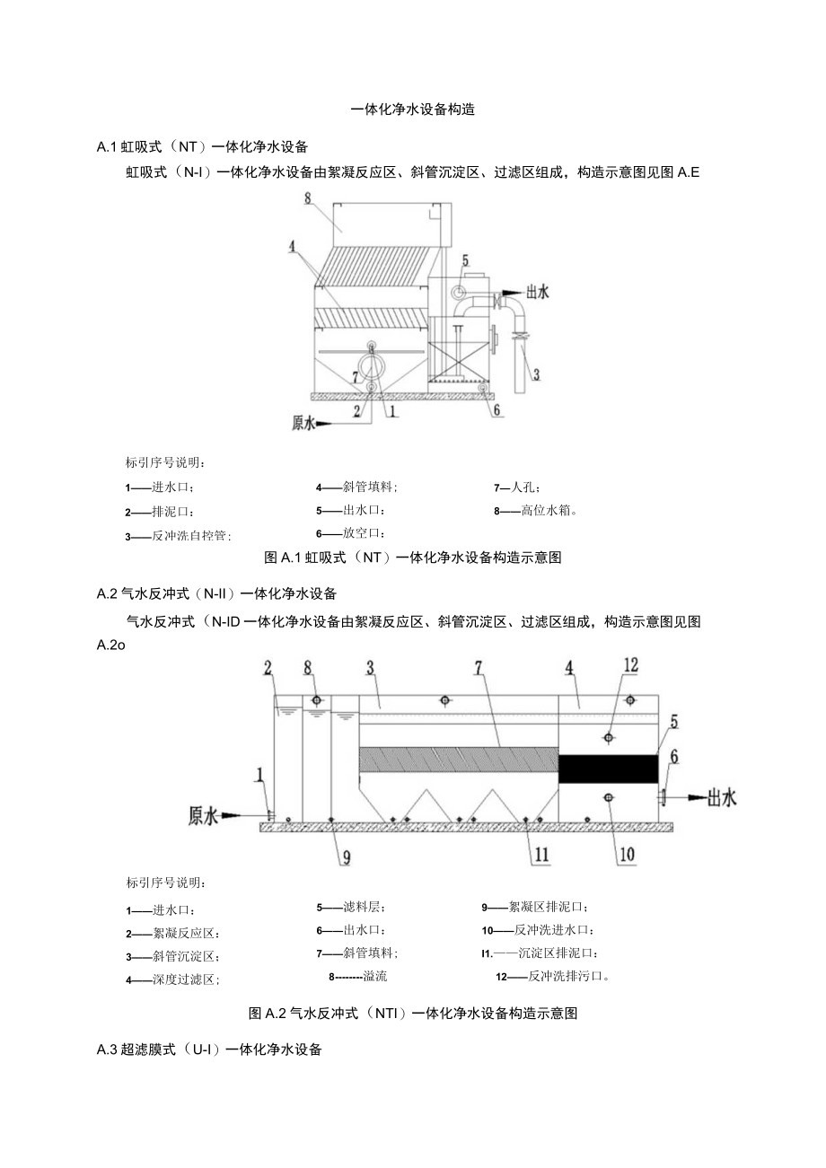
1、一体化净水设备构造A.1虹吸式(NT)一体化净水设备虹吸式(N-I)一体化净水设备由絮凝反应区、斜管沉淀区、过滤区组成,构造示意图见图A.E标引序号说明:1进水口;2排泥口:3反冲洗自控管;4斜管填料;5出水口:6放空口:7人孔;8高位水箱。图A.1虹吸式(NT)一体化净水设备构造示意图A.2气水反冲式(N-II)一体化净水设备气水反冲式(N-ID一体化净水设备由絮凝反应区、斜管沉淀区、过滤区组成,构造示意图见图A.2o5滤料层;6出水口:7斜管填料;8溢流口;9絮凝区排泥口;10反冲洗进水口:I1.沉淀区排泥口:12反冲洗排污口。标引序号说明:1进水口:2絮凝反应区:3斜管沉淀区;4深度过滤

2、区;图A.2气水反冲式(NTI)一体化净水设备构造示意图A.3超滤膜式(U-I)一体化净水设备A.3.1超滤膜式(U-D一体化净水设备(压力式)由预处理过滤模块、超滤膜系统及部件组成,构造示意图见图A.31。标引序号说明:1进水口;2多功能控制阀;3布水器;4石英砂滤料;5中心管;6活性炭滤料;7保安过滤器;8活性接头;9超滤膜进水口:10反洗进水口:11出水口;12浓水排放口。图A.31超滤膜式(U-I)一体化净水设备(压力式)构造示意图A.3.2超滤膜式(UD一体化净水设备(浸没式)由预处理过滤模块、超滤膜系统及部件组成,构造示意图见图A.32。标引序号说明:1进水口;2多功能控制阀;3一布水器;4石英砂滤料;5中心管:9浸没式超滤膜池;6活性炭滤料:10产水口;7活性接头;11反冲洗进气口8保安过滤器;12超滤膜组件。图A.3-2超滤膜式(U-I)一体化净水设备(浸没式)构造示意图

展开阅读全文
相关资源
猜你喜欢
相关搜索

当前位置:首页 > 建筑/环境 > 建筑图集

copyright@ 2008-2023 1wenmi网站版权所有

经营许可证编号:宁ICP备2022001189号-1

本站为文档C2C交易模式,即用户上传的文档直接被用户下载,本站只是中间服务平台,本站所有文档下载所得的收益归上传人(含作者)所有。第壹文秘仅提供信息存储空间,仅对用户上传内容的表现方式做保护处理,对上载内容本身不做任何修改或编辑。若文档所含内容侵犯了您的版权或隐私,请立即通知第壹文秘网,我们立即给予删除!