企业内部存货控制存货采购请购流程.docx

上传人:p** 文档编号:1268921 上传时间:2024-12-27 格式:DOCX 页数:2 大小:11.82KB
下载 相关 举报
企业内部存货控制存货采购请购流程.docx_第1页
第1页 / 共2页
企业内部存货控制存货采购请购流程.docx_第2页
第2页 / 共2页
亲,该文档总共2页,全部预览完了,如果喜欢就下载吧!
资源描述

《企业内部存货控制存货采购请购流程.docx》由会员分享,可在线阅读,更多相关《企业内部存货控制存货采购请购流程.docx(2页珍藏版)》请在第壹文秘上搜索。

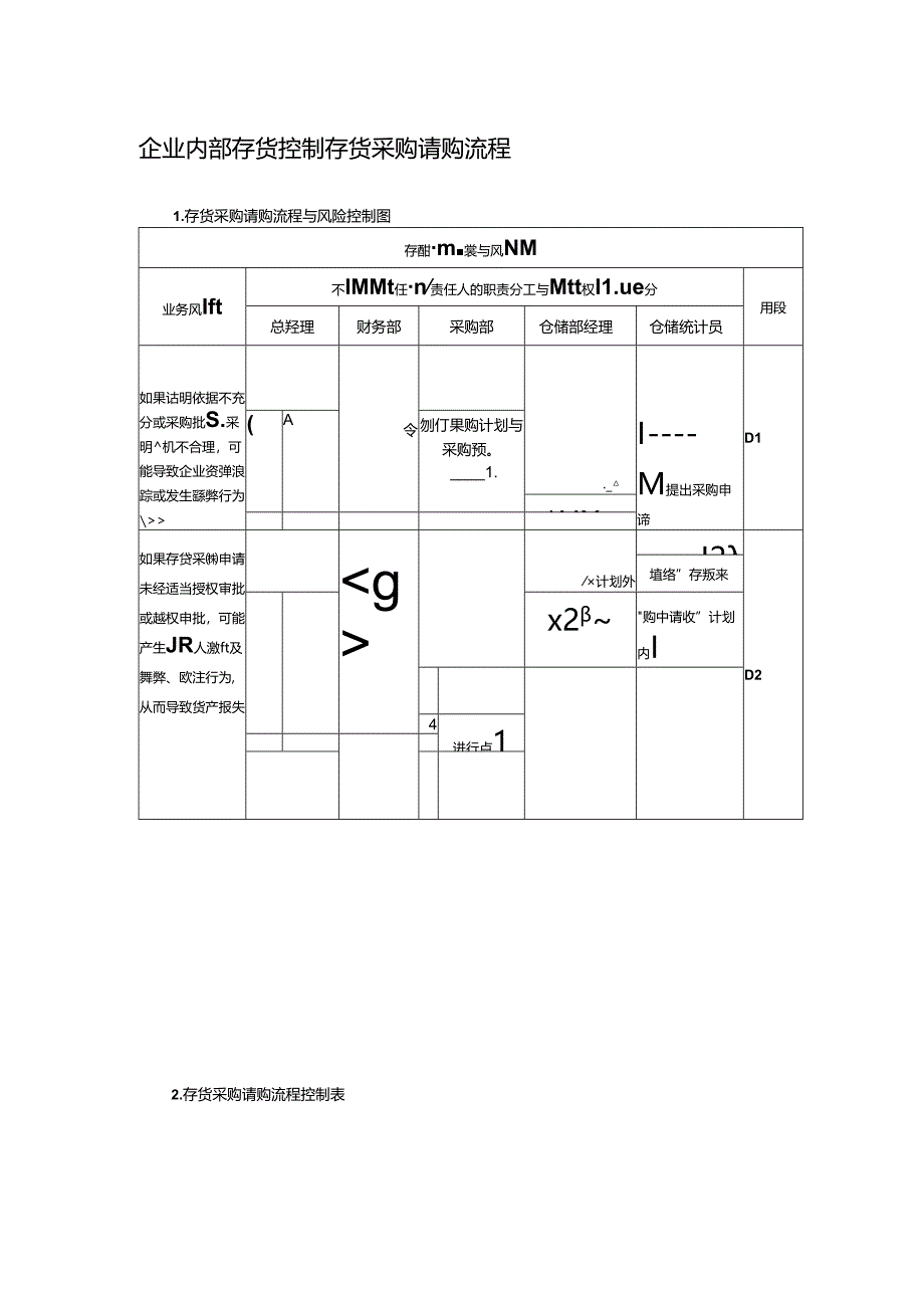
1、企业内部存货控制存货采购请购流程1.存货采购请购流程与风险控制图存酣m裳与风NM业务风Ift不IMMt任n责任人的职责分工与Mtt权I1.ue分用段总羟理财务部采购部仓储部经理仓储统计员如果诂明依据不充分或采购批S.采明机不合理,可能导致企业资弹浪踪或发生繇弊行为令._IM提出采购申谛D1(A刎仃果购计划与采购预。1.*HX】1.iti7mu、恒IJ如果存贷采申请未经适当授权审批或越权申批,可能产生JR人激ft及舞弊、欧注行为,从而导致货产报失计划外I2D2埴络”存叛来x2/O购中请收”计划内I4进行点12.存货采购请购流程控制表fiMWMMKAWV!阶段控制D11 .采购部应当根据仓储计划、

2、资金筹措计划生产计划、销售计划等制订采购计划,对存货的采购实行预算管理,合理确定材料、在产品、产成品等存货的比例2 .仓储郃经理应按照存货采购预算,组织仓储统计员严格执行3 .仓储统计员应逐日根据各种材料的采购间厢期和当日材料的库存量分析确定应采购的日期和数量.或者通过计算机管理系统至新预测材料需要量以及至新计算安全存货水平和经济采购批量,据此提出存货采购申请D24.仓储统计员根据生产实际情况以及仓储情况填写“存货采购申请单”,计划内存货果购申清单,需经仓储部姬理审核、采购部经理审批后采购;计划外存贷采购申请单,需经仓储部经理审核釜字确认后,交采购部和财务郃审核.总经理申批后实施采购5,采购部按照企业相关规定及时进行存货采购相关规花应建规范)存货采购管理制度,存货采购申请管理制度参照规苑3企业内部控制应用指引文件奥料印“存货采购申请单”责任部门及责任人邙采购部、财务部、仓储部)总I经理、仓储部线理、仓储部统计员

展开阅读全文
相关资源
猜你喜欢
相关搜索

当前位置:首页 > 管理/人力资源 > 管理学资料

copyright@ 2008-2023 1wenmi网站版权所有

经营许可证编号:宁ICP备2022001189号-1

本站为文档C2C交易模式,即用户上传的文档直接被用户下载,本站只是中间服务平台,本站所有文档下载所得的收益归上传人(含作者)所有。第壹文秘仅提供信息存储空间,仅对用户上传内容的表现方式做保护处理,对上载内容本身不做任何修改或编辑。若文档所含内容侵犯了您的版权或隐私,请立即通知第壹文秘网,我们立即给予删除!