测定匀变速直线运动的加速度教学设计.docx

上传人:p** 文档编号:156117 上传时间:2023-02-27 格式:DOCX 页数:4 大小:41.94KB
下载 相关 举报
测定匀变速直线运动的加速度教学设计.docx_第1页
第1页 / 共4页
测定匀变速直线运动的加速度教学设计.docx_第2页
第2页 / 共4页
测定匀变速直线运动的加速度教学设计.docx_第3页
第3页 / 共4页
测定匀变速直线运动的加速度教学设计.docx_第4页
第4页 / 共4页
亲,该文档总共4页,全部预览完了,如果喜欢就下载吧!
资源描述

《测定匀变速直线运动的加速度教学设计.docx》由会员分享,可在线阅读,更多相关《测定匀变速直线运动的加速度教学设计.docx(4页珍藏版)》请在第壹文秘上搜索。

1、第一章运动的描述九、测定匀变速直线运动的加速度教学目标1 .了解两种打点计时器的结构和工作原理,会安装并使用打点计时器,理解根据纸带测量速度的原理并测量瞬时速度。2 .用打点计时器研究匀变速直线运动,测定匀变速直线运动的加速度。重点难点重点:正确使用打点计时器难点:作图法求加速度设计思想本实验既是力学实验的基础,也是力学实验的重点所在,通过正确掌握打点计时器的使用方法,以及学会用图象法求加速度,为今后学习探究加速度与力、质量的关系和验证机械能守恒定律实验做好必要的知识和方法上的准备,同时也是前面用打点计时器测量速度实验的延续。教学资源测定匀变速直线运动的加速度多媒体课件、打点计时器、电源、一段

2、带有定滑轮的长木板、纸带、钩码(或小车)等教学设计【课堂引入】问题1:什么是误差?误差分为哪几种?(测量值与真实值之间的差异叫做误差。系统误差和偶然误差)问题2:什么是系统误差?(测量仪器不精确、实验方法粗略、试验原理不完善)问题3:什么是偶然误差?(由于实验者本身及各种偶然因素造成的)问题4:从纸带上可以得到哪些信息?(位移、时间、速度、平均速度等),其实根据以上信息,我们还可以计算该运动物体的加速度,今天我们就一起来学习第九节测定匀变速直线运动的加速度。【课堂学习】实验目的测定匀变速直线运动的加速度实验原理问题1:怎样判断物体作匀变速直线运动?(播放PPT)(做匀变速直线运动的物体在连续相

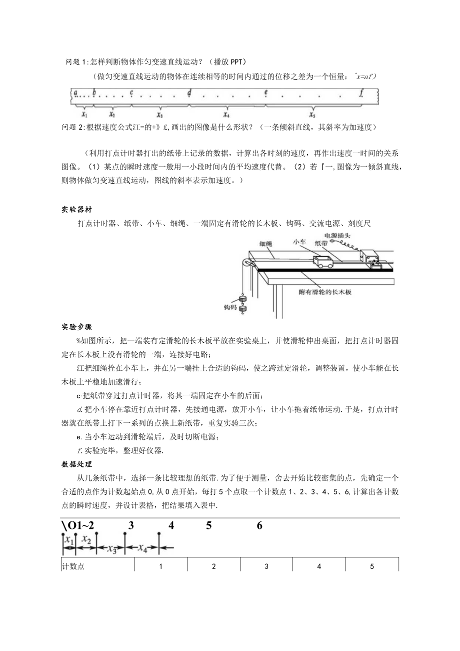
3、等的时间内通过的位移之差为一个恒量:x=af)问题2:根据速度公式江=的+,画出的图像是什么形状?(一条倾斜直线,其斜率为加速度)(利用打点计时器打出的纸带上记录的数据,计算出各时刻的速度,再作出速度一时间的关系图像。(1)某点的瞬时速度一般用一小段时间内的平均速度代替。(2)若一,图像为一倾斜直线,则物体做匀变速直线运动,图线的斜率表示加速度。)实验器材打点计时器、纸带、小车、细绳、一端固定有滑轮的长木板、钩码、交流电源、刻度尺实验步骤%如图所示,把一端装有定滑轮的长木板平放在实验桌上,并使滑轮伸出桌面,把打点计时器固定在长木板上没有滑轮的一端,连接好电路;江把细绳拴在小车上,并在另一端挂上

4、合适的钩码,使之跨过定滑轮,调整装置,使小车能在长木板上平稳地加速滑行;c把纸带穿过打点计时器,将其一端固定在小车的后面;d.把小车停在靠近打点计时器,先接通电源,放开小车,让小车拖着纸带运动.于是,打点计时器就在纸带上打下一系列的点换上新纸带,重复实验三次;e.当小车运动到滑轮端后,及时切断电源;f.实验完毕,整理好仪器.数据处理从几条纸带中,选择一条比较理想的纸带.为了便于测量,舍去开始比较密集的点,先确定一个合适的点作为计数起始点0,从0点开始,每打5个点取一个计数点1、2、3、4、5、6,计算出各计数点的瞬时速度,并设计表格,把结果填入表中.O123456计数点12345时间t/s0.

5、10.20.30.40.5速度v(mS1)t(ms1)画y-f图像问题:画线的要求是什么?尽可能让多数点落在曲线(或直线)上,不在曲线(或直线)上的点尽可能分布在曲线(或直线)两侧.误差分析1、纸带上计数点间距离的测量不精确2、用作图法描点时不准确3、长木板上各处粗糙程度不同,引起的摩擦不均匀4、纸带与振针和限位孔之间存在摩擦5、使用的电源频率不稳定,导致计时误差注意事项(1)开始释放小车时,应使小车靠近打点计时器。(2)先接通电源,等打点稳定后,再释放小车。(3)打点完毕,立即断开电源。(4)选取一条点迹清晰的纸带,适当舍弃密集部分,适当选取计数点(注意计数点与计时点的区别),弄清楚所选的时

6、间间隔T等于多少秒。(5)牵引小车的钩码质量要适宜。如果质量过大,纸带上打出的计时点太少:如果质量过小,打出的点过于密集,不便于测量距离。(6)要防止钩码落地,避免小车跟滑轮相碰,当小车到达滑轮前及时用手按住。(7)在坐标纸上画y/图像时,注意坐标轴单位长度的选取,应使图像尽量分布在较大的坐标平面内。【课堂小结】问题1:本实验的原理是什么?问题2:本实验应注意哪些问题?问题3:本实验的误差来源只要是哪些?教学反思匀变速直线运动规律的应用是力学的重要内容之一,对这一章知识掌握的好坏,将会直接影响以后各章知识的学习,因此,本章知识就显得尤其重要。本章的一个重要特点就是概念多、公式多,处理问题可以用公式法,也可以通过图象法加以处理。内容包括:基本概念、基本公式、基本运动规律以及图象和实验等。我对本章的教学首先从基本概念入手,主要让学生理解本章的相关的概念,特别是对质点这一理想化的模型理解和对加速度的物理意义的理解,并能用之来解决相关的问题,与此同时通过举例对公式进行讲解,然后对基本的运动规律进行透彻的分析,让学生能熟练掌握相关的运动规律。第三是对两种图象的物理意义进行分析和比较,通过对图象的复习使学生能掌握图象的物理意义,并能用图象解决实际问题,最后通过对实验让学生学会使用电磁打点计时器,掌握测定匀变速直线运动的加速度的方法

展开阅读全文
相关资源
猜你喜欢
相关搜索

当前位置:首页 > 论文 > 期刊/会议论文

copyright@ 2008-2023 1wenmi网站版权所有

经营许可证编号:宁ICP备2022001189号-1

本站为文档C2C交易模式,即用户上传的文档直接被用户下载,本站只是中间服务平台,本站所有文档下载所得的收益归上传人(含作者)所有。第壹文秘仅提供信息存储空间,仅对用户上传内容的表现方式做保护处理,对上载内容本身不做任何修改或编辑。若文档所含内容侵犯了您的版权或隐私,请立即通知第壹文秘网,我们立即给予删除!