设备购买申请报告.docx

上传人:p** 文档编号:182295 上传时间:2023-03-28 格式:DOCX 页数:2 大小:16.90KB
下载 相关 举报
设备购买申请报告.docx_第1页
第1页 / 共2页
设备购买申请报告.docx_第2页
第2页 / 共2页
亲,该文档总共2页,全部预览完了,如果喜欢就下载吧!
资源描述

《设备购买申请报告.docx》由会员分享,可在线阅读,更多相关《设备购买申请报告.docx(2页珍藏版)》请在第壹文秘上搜索。

1、路材产品施工设备采购申请报告尊敬的公司领导:外场部为圆满完成常熟的两个项目,前期应对业主及监理采用设备租赁方式,产生费用较大,直接影响费用成本,针对公司现有设备情况无法满足现场总监办、业主的要求,且减少设备租赁的成本开销,特申请添置新设备以满足现场施工需求。同时也是对外全新的展示中恒通形象再提升。一、现有设备状况沥青摊铺设备:现有摊铺机上台,其中固定臂2台:摊铺机titan423、Volvo8820C,其中423已使用14年,8820也已使用近11年;伸缩臂摊铺机2台:陕建7620、VOlVO6820,其中陕建7620由于使用频率高,维修费用越来越大,在202X年度花费维修费用30万左右。对整

2、个机器的油管、电路、加温系统进行了修复更换,VOIVO6820在19年12月初进行了中修,已正常使用;小摊铺机2台:福格勒1300.三一摊铺机45TC,其中福格勒1300配件采购难,均需从国外采购,周期约3个月;三一摊铺机为19年自采购,利用率不高。水稳摊铺设备:现有摊铺机2台固定臂一台,伸缩臂一台,均正常施工沥青压实设备:现有双钢轮压路机9台,悍马HD128OS双钢轮振荡压路机2台;VOlVOII8HF双钢轮压路机2台;悍马HDl2802台;三台小钢轮,1、悍马钢轮较新,未发生大额的维修费用;2、Volvo两台压路机分别采购于10年和12年,已使用10年的钢筒出现了开裂,已维修更换,维修费5

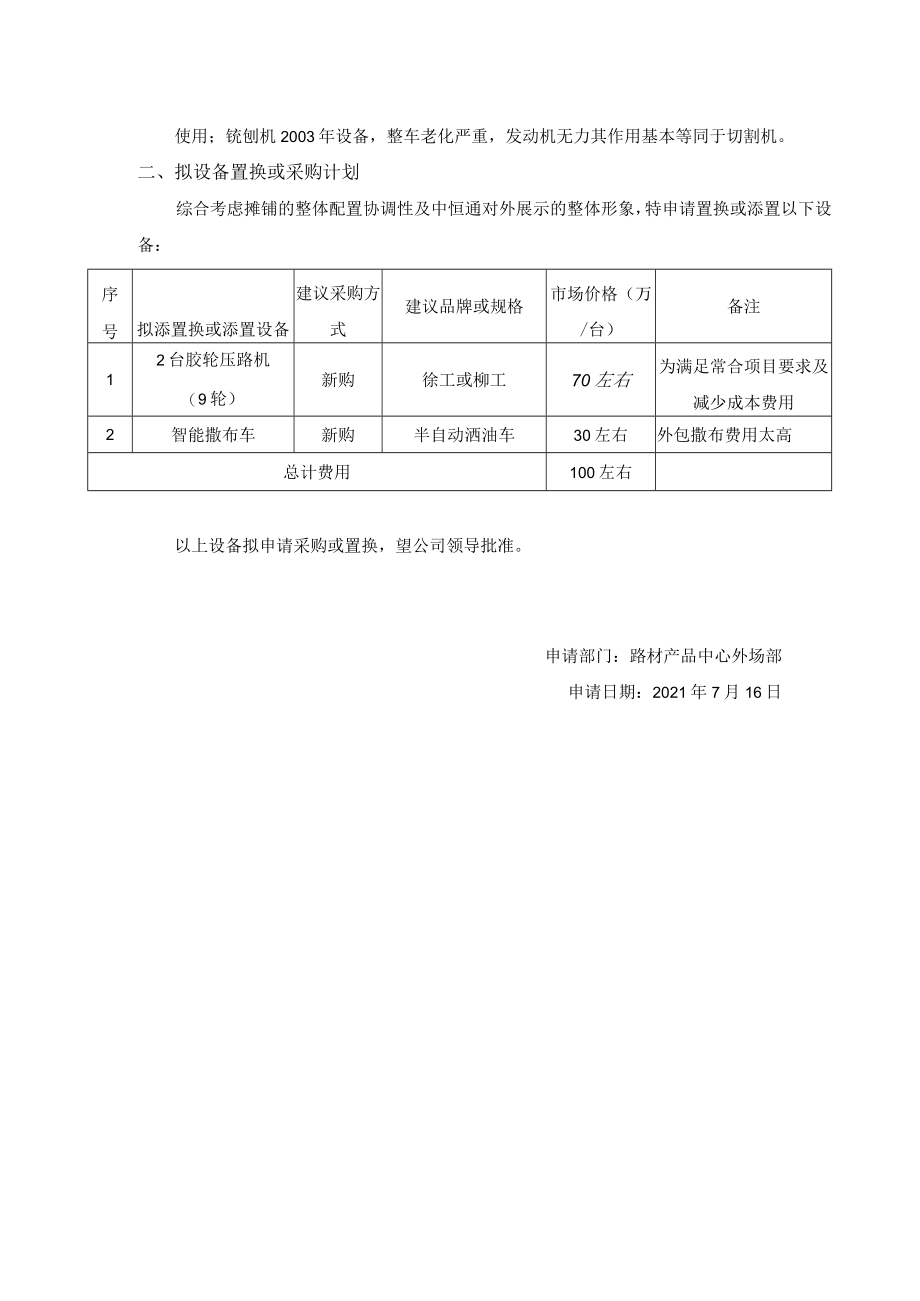
3、.3万元;另一台钢筒也出现了开裂。振动系统已失效。如需恢复,需要费用15万,全面大修需近20万。年后将两台钢轮合并成一台,另外一台用于置换或水稳施工;胶轮压路机4台,涉及2个品牌,2台徐工,2台柳工水稳压实设备:现有振动压路机一台,双钢轮压路机1台,胶轮压路机1台(设备已非常老化);工程科设备:洒油车2台,其中苏E2T280发动机排放不达标,审车需要花费大量费用及时间,清扫车1台;一台新改装的洒油车暂无问题,洒水车1台,能够基本满足水稳施工使用;铳刨机2003年设备,整车老化严重,发动机无力其作用基本等同于切割机。二、拟设备置换或采购计划综合考虑摊铺的整体配置协调性及中恒通对外展示的整体形象,特申请置换或添置以下设备:序号拟添置换或添置设备建议采购方式建议品牌或规格市场价格(万/台)备注12台胶轮压路机(9轮)新购徐工或柳工70左右为满足常合项目要求及减少成本费用2智能撒布车新购半自动洒油车30左右外包撒布费用太高总计费用100左右以上设备拟申请采购或置换,望公司领导批准。申请部门:路材产品中心外场部申请日期:2021年7月16日

展开阅读全文
相关资源
猜你喜欢
相关搜索

当前位置:首页 > 办公文档 > 通知/申请

copyright@ 2008-2023 1wenmi网站版权所有

经营许可证编号:宁ICP备2022001189号-1

本站为文档C2C交易模式,即用户上传的文档直接被用户下载,本站只是中间服务平台,本站所有文档下载所得的收益归上传人(含作者)所有。第壹文秘仅提供信息存储空间,仅对用户上传内容的表现方式做保护处理,对上载内容本身不做任何修改或编辑。若文档所含内容侵犯了您的版权或隐私,请立即通知第壹文秘网,我们立即给予删除!