1.8m雨棚预埋件计算书.docx

上传人:p** 文档编号:199399 上传时间:2023-04-16 格式:DOCX 页数:3 大小:25.65KB
下载 相关 举报
1.8m雨棚预埋件计算书.docx_第1页
第1页 / 共3页
1.8m雨棚预埋件计算书.docx_第2页
第2页 / 共3页
1.8m雨棚预埋件计算书.docx_第3页
第3页 / 共3页
亲,该文档总共3页,全部预览完了,如果喜欢就下载吧!
资源描述

《1.8m雨棚预埋件计算书.docx》由会员分享,可在线阅读,更多相关《1.8m雨棚预埋件计算书.docx(3页珍藏版)》请在第壹文秘上搜索。

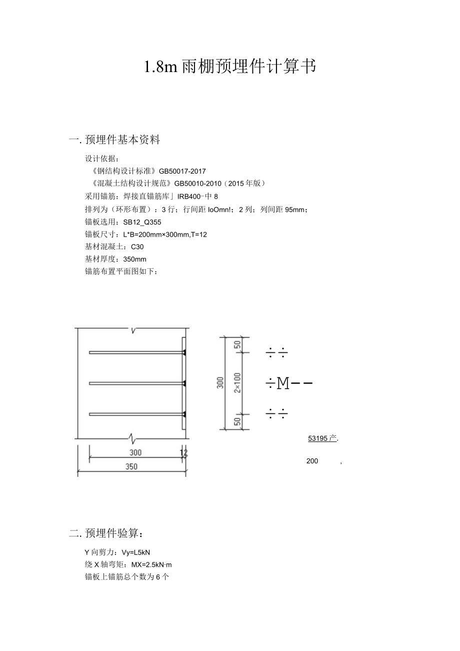
1、1.8m雨棚预埋件计算书一.预埋件基本资料设计依据:钢结构设计标准GB50017-2017混凝土结构设计规范GB50010-2010(2015年版)采用锚筋:焊接直锚筋库IRB400-中8排列为(环形布置):3行;行间距IoOmn!;2列;列间距95mm;锚板选用:SB12_Q355锚板尺寸:L*B=200mm300mm,T=12基材混凝土:C30基材厚度:350mm锚筋布置平面图如下:M-53195产.200,二.预埋件验算:Y向剪力:Vy=L5kN绕X轴弯矩:MX=2.5kNm锚板上锚筋总个数为6个锚筋总面积:A=6(0.5X8)-7100=3.016cm根据混凝土结构设计规范GB5001

2、0-2010(2015年版),锚筋的抗拉强度设计值fy不应大于300Nmm2锚筋抗拉强度设计值:fy=300Nmm2X方向锚筋排数的影响系数:r=lY方向锚筋排数的影响系数:1=0.9锚筋的受剪承载力系数v=(4.0-0.08*d)*(fcfr)=(4.0-0.088)(14.3/300)0=0.7锚板的弯曲变形折减系数ah=0.6+0.25X12/8=0.975沿X向最外层锚筋中心间距Zx=95mm沿Y向最外层锚筋中心间距Zr=200mm按混凝土结构设计规范GB50010-2010(2015年版)公式9.7.2T计算:Ani=Vy/(ary*av*fy)+Mx(l.3*a*ah*fv*Zy)

3、=1.5/(0.90.7X300)10+2.5107(1.30.90.975300200)X10=0.445cm2按混凝土结构设计规范GB50010-2010(2015年版)公式9.7.2-2计算:A2Bin=N/(0.8*ab*fy)+M,(O.4*ary*ab*fy*Zy)10=2.5107(0.40.90.975X300X200)X10=1.187cm2故取锚筋截面面积为:As=max(Ani,Ai)=l.187cm2则截面承载力为:F=A,*fy=l.187X102300=35612.537N=35.613kN实际允许承载力值为:K=A*fy=3.016102300=90.478103

4、N=90.478kN则有:Fd=O.14X360/1.43X8=281.958mm根据混凝土结构设计规范GB50010-2010(2015年版)8.3.1、8.3.2、8.3.3,对锚固长度进行修正当前锚固条件无需修正锚固长度:L=Lb=281.958mm实际锚固长度300,最小限值为281.958,满足!锚板厚度限值计算:根据混凝土结构设计规范GB50010-2010(2015年版)9.7.1锚板厚度不宜小于锚筋直径的0.6倍,受拉和受弯预埋件的锚板厚度尚宜大于锚筋间距的1/8锚筋间距b取列间距,b=95mm锚板厚度限值:T=max(0.6d,b8)=max(0.6X8,95/8)=max(4.8,11.875)=11.875mm实际锚板厚度12,最小限值为11.875,满足!行间距为100,最小限值为70,满足!列边距为95,最小限值为45,满足!行边距为50,最小限值为20,满足!列边距为52.5,最小限值为20,满足!

展开阅读全文
相关资源
猜你喜欢
相关搜索

当前位置:首页 > 建筑/环境 > 建筑图集

copyright@ 2008-2023 1wenmi网站版权所有

经营许可证编号:宁ICP备2022001189号-1

本站为文档C2C交易模式,即用户上传的文档直接被用户下载,本站只是中间服务平台,本站所有文档下载所得的收益归上传人(含作者)所有。第壹文秘仅提供信息存储空间,仅对用户上传内容的表现方式做保护处理,对上载内容本身不做任何修改或编辑。若文档所含内容侵犯了您的版权或隐私,请立即通知第壹文秘网,我们立即给予删除!