WA14预埋 灌砂法试验记录.docx

上传人:p** 文档编号:202031 上传时间:2023-04-16 格式:DOCX 页数:2 大小:20.33KB
下载 相关 举报
WA14预埋 灌砂法试验记录.docx_第1页
第1页 / 共2页
WA14预埋 灌砂法试验记录.docx_第2页
第2页 / 共2页
亲,该文档总共2页,全部预览完了,如果喜欢就下载吧!
资源描述

《WA14预埋 灌砂法试验记录.docx》由会员分享,可在线阅读,更多相关《WA14预埋 灌砂法试验记录.docx(2页珍藏版)》请在第壹文秘上搜索。

1、襄压实度(灌砂法)试验记录陕西四通建设工程八.存下知、八桶皿一含石率曲线试验士咱王八力分项工程沟槽开挖包公那旦有限责任公司报告编号K0+642.5210-15WAl4东IOmWA14西IOmWA14西20m8995900189975481546554397887887882726274827701.3921.3921.3921958.331974.141989.943328334133871.701.691.704#1#3#25.728.324.163.567.265.360.864.462.42.72.82.935.136.138.37.77.87.61.581.571.581.731.73

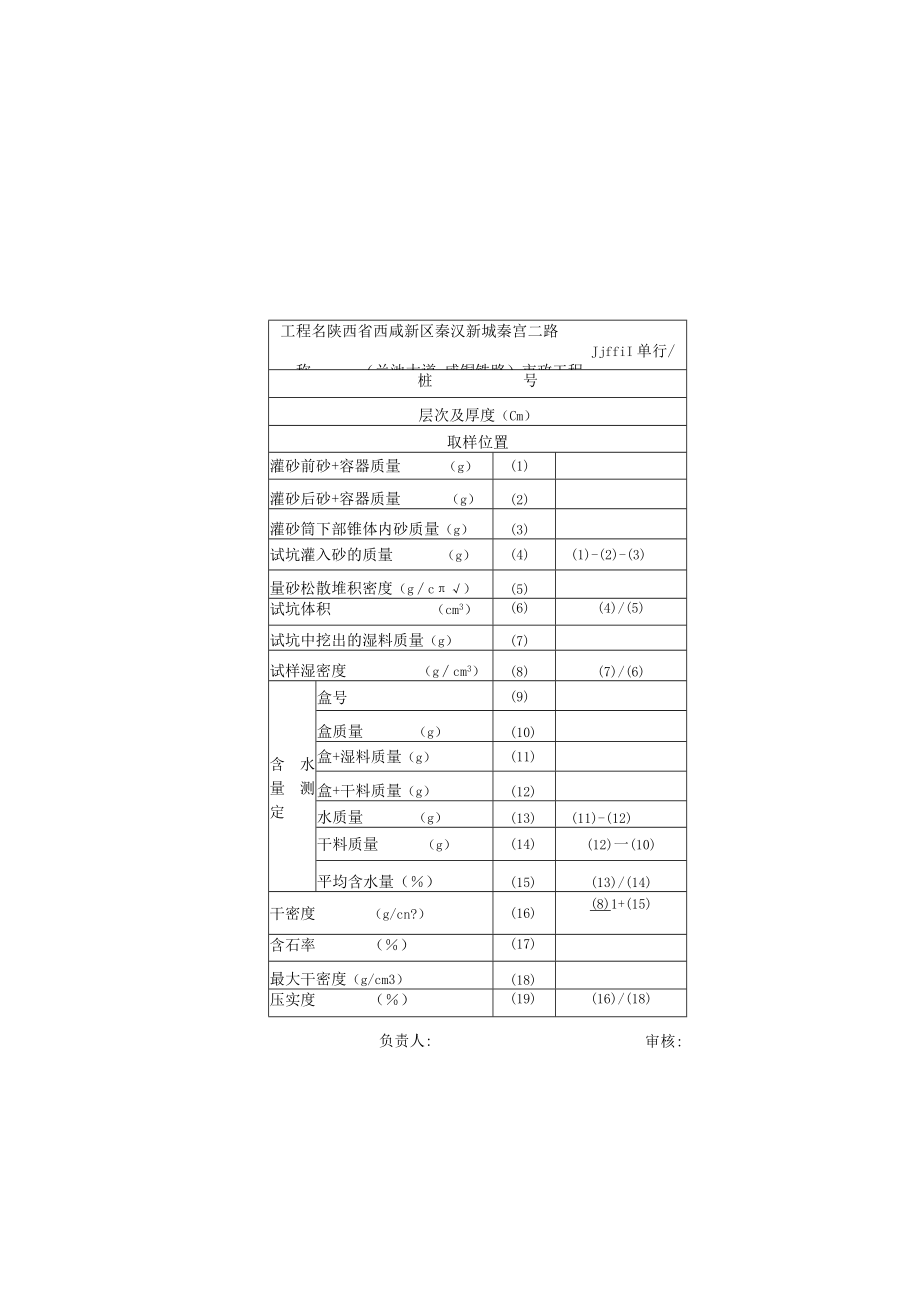
2、1.7391.390.891.3试验日期:年月日试验表44计算:试验:工程名陕西省西咸新区秦汉新城秦宫二路JjffiI单行/称(兰池大道-咸铜铁路)市政工程桩号层次及厚度(Cm)取样位置灌砂前砂+容器质量(g)(1)灌砂后砂+容器质量(g)(2)灌砂筒下部锥体内砂质量(g)(3)试坑灌入砂的质量(g)(4)(1)-(2)-(3)量砂松散堆积密度(gc)(5)试坑体积(cm3)(6)(4)/(5)试坑中挖出的湿料质量(g)(7)试样湿密度(gcm3)(8)(7)/(6)含水量测定盒号(9)盒质量(g)(10)盒+湿料质量(g)(11)盒+干料质量(g)(12)水质量(g)(13)(11)-(12)干料质量(g)(14)(12)一(10)平均含水量()(15)(13)/(14)干密度(g/cn?)(16)(8)1+(15)含石率()(17)最大干密度(g/cm3)(18)压实度()(19)(16)/(18)负责人:审核:

展开阅读全文
相关资源
猜你喜欢
相关搜索

当前位置:首页 > 建筑/环境 > 桩基础

copyright@ 2008-2023 1wenmi网站版权所有

经营许可证编号:宁ICP备2022001189号-1

本站为文档C2C交易模式,即用户上传的文档直接被用户下载,本站只是中间服务平台,本站所有文档下载所得的收益归上传人(含作者)所有。第壹文秘仅提供信息存储空间,仅对用户上传内容的表现方式做保护处理,对上载内容本身不做任何修改或编辑。若文档所含内容侵犯了您的版权或隐私,请立即通知第壹文秘网,我们立即给予删除!