不合格输出控制程序.docx

上传人:p** 文档编号:207644 上传时间:2023-04-16 格式:DOCX 页数:6 大小:15.63KB
下载 相关 举报
不合格输出控制程序.docx_第1页
第1页 / 共6页
不合格输出控制程序.docx_第2页
第2页 / 共6页
不合格输出控制程序.docx_第3页
第3页 / 共6页
不合格输出控制程序.docx_第4页
第4页 / 共6页
不合格输出控制程序.docx_第5页
第5页 / 共6页
不合格输出控制程序.docx_第6页
第6页 / 共6页
亲,该文档总共6页,全部预览完了,如果喜欢就下载吧!
资源描述

《不合格输出控制程序.docx》由会员分享,可在线阅读,更多相关《不合格输出控制程序.docx(6页珍藏版)》请在第壹文秘上搜索。

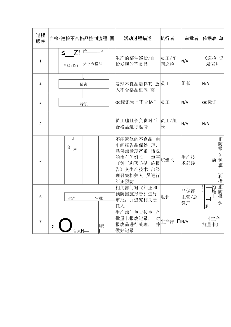
1、不合格输出控制程序L目的对不合格品进行监控,防止不合格品流入下工序或交付客户。2 .范围适用于原材料,半成品和成品的不合格品处理。3 .权责3.1 品保部负责不合格品的判定、标识、评审,跟踪验证不合格品的处理结 果;3.2 品保部负责对不合格品的特采、报废、改作他用等处理结果的审批,生 产技术部对审批后的意见给予落实;3.3 营销部负责因交付或开始使用后发现不合格品与顾客的联络和协调工作;3.4 相关责任部门负责对不合格品的产生进行原因分析,制订纠正和预防措 施。3.5 客户退货、制程批量不良由异常小组负责处理4 .不合格品控制流程图4.1 进料不合格品控制流程过程 顺序进料不合格品控制流程图

2、活动过程描述执行 者审批者依据表单1进货检验发现不合格供方递交的物料, 进货检验员依照 抽样计划抽取相 应的样品并根据 技术图纸而判定 为不合格的物 料。进货 检验 员品保部 主管IQC来 料检验报 告2进货检验员负责 对不良品盖上红 色“不合格”章进货 检验 员N/A产品不合 格标签对物料进行标识3f物料接收员负责 将不良品转入不 合格品区物料 接收 员N/AN/A隔离不合格品4进货检验填写 IQC来料检验 报告并递交部 门主管评审进货 检验 员品保部 主管IQC来 料检验报 告填写进货检验记录54-5审批次序: 采购部主管、 生产技术部主管、品保部主管保品部采购部 主管/生 产技术 部主管

3、/ 品保部IQC来料检验报 告64fe让步接收来料由 品管与生产技术 部和总经理共同 评审总经理N/A接收合格不合格7P不合格的来料由 采购联系厂商退 货采购N/A纠正和 预防措施 报告退货8入库定不合格成品检验依照检验 标准及客户要求进 行检验,当产品与标 准不一致时判定为 不合格的产品成品检 验员品保部 主管FQC产品验收报告2填写报告由成品检验填写 FQC产品验收报告 并判定不合格成品检 验员N/AFQC产品验收报告3递交品保部评审,异 常小组进行纠正预 防品保部 主管N/A纠正和 预防措施 报告41 P特采成品由品保与 生产技术部共同评品保部/ 生产技 术部总经理N/A特采不合格5由生

4、产技术部门组 织人员依验收报告 单评审结果进行返 工生产技 术部门N/AN/A返工填写上H货检验记录/ 划定合格成品检验员对成品 检验合格后,填写合 格通知单递交相关 组组长准备入库品保部N/AFQC产品验收报告10仓管员依据FQC产 品验收报告将成品 入仓仓管N/AFQC产品验收报告入仓过程 顺序交付客户不合格品控制流程 图活动过程描述执行者审批者依据表单1V 开始 , 营销部收到客人因 交付或开始使用后 发现的不合格品或 服务投诉N/AN/A原始投诉 记录收到客诉2业务员接到客户投 诉后,与品保部及客 户共同确认该批产 品是退货或特采、或 选用,然后填写纠 正和预防措施报 告,递交给异常小

5、 组营销部N/A纠正和 预防措施 报告填写纠正和预防措 施报告报告Jl I3异常小组对投诉信 息进行评审异常小 组组员异常小 组组长N/A4异常小组组长组织 责任单位进行原因 分析,制定纠正预防 方案回复业务,并追 究相关责任人异常小 组组员异常小 组组长纠正和 预防措施 报告分析界常原因5由品保部负责跟进 纠正预防措施是否 得以落实品保部品保部 主管纠正和 预防措施 报告品管跟踪验证36营销部依照相关责 任部门提供的原因 分析及纠正预防措 施报告回复客人,并 汇总客诉。营销部N/A客诉汇 总表回复G 结束 )5 .相关文件5.1 标识和可追溯性控制程序5.2 监视和测量设备控制程序6 .相关表单6.1 纠正和预防措施报告6.2 客诉汇总表6.3 IQC来料检验报告6.4 巡检记录表6.5 不良品明细表6.6 FQC产品验收报告6.7 生产批量卡

展开阅读全文
相关资源
猜你喜欢
相关搜索

当前位置:首页 > 资格/认证考试 > 质量管理体系认证

copyright@ 2008-2023 1wenmi网站版权所有

经营许可证编号:宁ICP备2022001189号-1

本站为文档C2C交易模式,即用户上传的文档直接被用户下载,本站只是中间服务平台,本站所有文档下载所得的收益归上传人(含作者)所有。第壹文秘仅提供信息存储空间,仅对用户上传内容的表现方式做保护处理,对上载内容本身不做任何修改或编辑。若文档所含内容侵犯了您的版权或隐私,请立即通知第壹文秘网,我们立即给予删除!