企业设备检查细则(常压储罐管理).docx

上传人:p** 文档编号:211467 上传时间:2023-04-16 格式:DOCX 页数:4 大小:12.92KB
下载 相关 举报
企业设备检查细则(常压储罐管理).docx_第1页
第1页 / 共4页
企业设备检查细则(常压储罐管理).docx_第2页
第2页 / 共4页
企业设备检查细则(常压储罐管理).docx_第3页
第3页 / 共4页
企业设备检查细则(常压储罐管理).docx_第4页
第4页 / 共4页
亲,该文档总共4页,全部预览完了,如果喜欢就下载吧!
资源描述

《企业设备检查细则(常压储罐管理).docx》由会员分享,可在线阅读,更多相关《企业设备检查细则(常压储罐管理).docx(4页珍藏版)》请在第壹文秘上搜索。

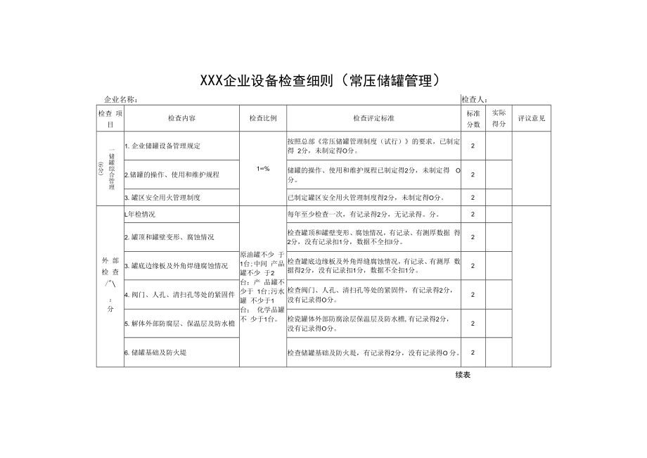
1、XXX企业设备检查细则(常压储罐管理)企业名称:检查人:检查 项目检查内容检查比例检查评定标准标准 分数实际得分评议意见一储罐综合管理(6分)1.企业储罐设备管理规定1%按照总部常压储罐管理制度(试行)的要求,已制定得 2分,未制定得O分。22.储罐的操作、使用和维护规程储罐的操作、使用和维护规程已制定得2分,未制定得 O分。23.罐区安全用火管理制度已制定罐区安全用火管理制度得2分,未制定得O分。2外 部 检 查/2分L年检情况原油罐不少 于1台;中间 产品罐不少 于2台;产 品罐不少于 1台;污水罐 不少于1台; 化学品罐不 少于1台。每年至少检查一次,有记录得2分,无记录得。分。22.罐

2、顶和罐壁变形、腐蚀情况检查罐顶和罐壁变形、腐蚀情况,有记录、有测厚数据 得2分,没有记录扣1分,数据不全扣I分。23.罐底边缘板及外角焊缝腐蚀情况检查罐底边缘板及外角焊缝腐蚀情况,有记录、有测厚 数据得2分,没有记录扣1分,数据不全扣1分。24.阀门、人孔、清扫孔等处的紧固件检查阀门、人孔、清扫孔等处的紧固件,有记录得2分, 没有记录得O分。25.解体外部防腐层、保温层及防水檐检瓷罐体外部防腐涂层保温层及防水檐,有记录得2分, 没有记录得O分。26.储罐基础及防火堤检查储罐基础及防火堤,有记录得2分,没有记录得O 分。2续表检查 项目检查内容检查比例检查评定标准标准 分数实际 得分评议意见全

3、面 检 查ZeV6 分1.检查周期原油罐不少 于1台;中间 产品罐不少 于2台;产 品罐不少于 1台;污水罐 不少于1台; 化学品罐不 少于1台。1 .一般情况下每6年至少检查一次:符合9年检查周 期要求的储罐9年至少检查一次,按期检查且有记录 得4分,没有按期检查得。分,虽按期检查但没记录 得。分。2 .腐蚀严重的储罐已确定合理的全面检查周期得2 分,未确定得O分。3 .特殊情况无法按期检查的储罐有延期手续并有监控 措施得2分,没有手续得O分。82.大型及以上储罐探伤检查大型及以上储罐罐体下部壁板有超声波检测报告得2 分,没有检测报告得O分。23.罐顶板、壁板、底板及内角焊缝腐 蚀情况罐顶板

4、、壁板、底板及内角焊缝腐蚀情况记录齐全、完 整得4分,记录缺一项资料扣1分。44.阴极保护措施有阴极保护措施且记录齐全、完整得2分,记录缺一项 扣1分。2四储罐基础资料和 技术档案管理(一0分)1 .储罐台帐2 .呼吸阀台帐3 .储罐技术档案原油罐不少 于1台;中间 产品罐不少 于2台;产 品罐不少于 1台;污水罐 不少于1台; 化学品罐不 少于1台。L储罐台帐,帐物相符得2分,帐物不相符得。分;2 .呼吸阀台帐,帐物相符得2分,帐物不相符得。分;3 .做到一台储罐一本档案得1分,没有做到得O分: 有外部检查记录得1分,无记录得。分;有全面检查记录得1分,无记录得O分;有防雷、防静电接地测试报

5、告得1分,无报告得。分: 有储罐结构示意图、测厚记录及测厚点布置图得2分, 不齐全得0。10续表检查 项目检查内容检查比例检查评定标准标准 分数实际 得分评议意见五储罐检修管理(20分)L储罐年度检测、修理(防腐)计划、 计划完成率原油罐不少 于1台;中间 产品罐不少 于2台;产品 罐不少于1 台;污水罐不 少于1台; 化学品罐不 少于1台。有储罐年度检测、修理、防腐计划且计划完成率N95% 得4分,无计划或计划完成率在95%以下,缺一项扣1 分。42.储罐定检率储罐定检率达到100%得3分,未达到得0分。33.储罐完好率储罐完好率95%得3分,未达到得。分。34.储罐检修施工方案有储罐检修施

6、工方案得2分,无方案得0分。25.检修记录检修记录齐全得2分,不齐全得。分。26.中检与竣工验收记录中检与竣工验收记录齐全得2分,不齐全得0分。27.储罐防腐措施及运行记录有储罐防腐措施及运行记录得2分,无记录得0分。28.储罐年度工作总结有储罐年度工作总结得2分,没有得。分。2六储罐的使用、检查和维护(28分)L储罐检查、使用、操作规程的执行 情况原油罐不少 于1台;中间 产品罐不少 于2台;产品 罐不少于1 台;污水罐不 少于1台; 化学品罐不 少于1台。1 .认真按规定的时间、路线和内容进行巡回检查,记 录齐全、完整得4分,每缺一项扣1分。2 .当储罐的储存介质或运行条件发生变化应有审批

7、手 续并及时修订操作规程得2分,没有审批手续或未修订 得0分。3 .未发现储罐超温超储运行得2分,发现超温超储运行 得0分。4 .浮顶罐和内浮顶罐操作时,其最低液面不允许低于浮 顶、内浮顶的支撑高度,符合要求得2分,不符合要求 得。分10续表检查 项目检查内容检查比例检查评定标准标准分数实际 得分评议意见2.储罐附件检查维护记录1 .呼吸阀、阻火器、量油孔、泡沫发生器、转动扶梯、 自动脱水器每三个月应检查维护一次,记录齐全得6 分,不齐全每缺一项扣1分。2 .高低液位报警器、人孔、透光孔、排污阀每一个月应 检查维护一次,记录齐全得4分,不齐全每缺一项扣 1分。3 .液压安全阀、通气管、浮顶罐密

8、封装置、罐壁通气孔、 液面计每年应检查维护一次,记录齐全得5分,不齐 全每缺一项扣1分。153.停用储罐管理停用储罐有保护措施得2分,没有措施得。分。24.静电接地电阻测试记录静电接地电阻测试在每年雨季来临之前至少检查一 次,并有记录得I分,没有记录得O分。1七现 场 管 理Z* 8 分1.外部涂层情况不少于2个 罐区检查涂层表面无严重的龟裂、剥落、粉化得2分,涂层 表面有严重的龟裂、剥落、粉化及大面积锈蚀得。分。22.罐壁和罐顶固定测厚点标志罐壁和罐顶上有固定测厚点标志得1分,没有标志得 。分。13.保护层、保温层、防水檐情况保护层、防水檐完好得1分,不完好得O分。 保温层完好得0.5分,有鼓胀、脱落现象得。分。 保温层的定点测厚盒完好得0.5分,不完好得0分。24.防火堤防火堤平整、无裂纹、无洞孔得1分,防火堤不完好 得。分。15.罐区排水系统罐区排水系统畅通得1分,堵塞得0分。16.罐区环境卫生罐区清洁,无杂草、杂物得1分,罐区环境卫生差得0分。1检查H期:

展开阅读全文
相关资源
猜你喜欢
相关搜索

当前位置:首页 > 建筑/环境 > 防腐

copyright@ 2008-2023 1wenmi网站版权所有

经营许可证编号:宁ICP备2022001189号-1

本站为文档C2C交易模式,即用户上传的文档直接被用户下载,本站只是中间服务平台,本站所有文档下载所得的收益归上传人(含作者)所有。第壹文秘仅提供信息存储空间,仅对用户上传内容的表现方式做保护处理,对上载内容本身不做任何修改或编辑。若文档所含内容侵犯了您的版权或隐私,请立即通知第壹文秘网,我们立即给予删除!