大跨距钢制桥架安装工艺.docx

上传人:p** 文档编号:229469 上传时间:2023-04-18 格式:DOCX 页数:3 大小:58.26KB
下载 相关 举报
大跨距钢制桥架安装工艺.docx_第1页
第1页 / 共3页
大跨距钢制桥架安装工艺.docx_第2页
第2页 / 共3页
大跨距钢制桥架安装工艺.docx_第3页
第3页 / 共3页
亲,该文档总共3页,全部预览完了,如果喜欢就下载吧!
资源描述

《大跨距钢制桥架安装工艺.docx》由会员分享,可在线阅读,更多相关《大跨距钢制桥架安装工艺.docx(3页珍藏版)》请在第壹文秘上搜索。

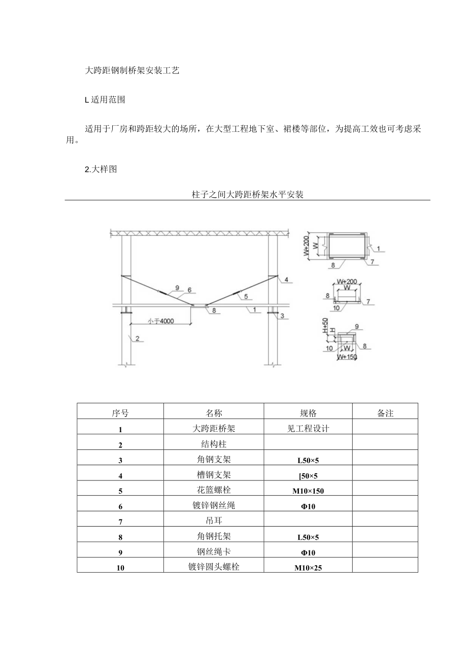
大跨距钢制桥架安装工艺L适用范围适用于厂房和跨距较大的场所,在大型工程地下室、裙楼等部位,为提高工效也可考虑采用。2.大样图柱子之间大跨距桥架水平安装序号名称规格备注1大跨距桥架见工程设计2结构柱3角钢支架L5054槽钢支架5055花篮螺栓M101506镀锌钢丝绳107吊耳8角钢托架L5059钢丝绳卡1010镀锌圆头螺栓M1025柱子之间桥架在行车梁下等处安装示意图kXW7XW7XW入XWAXW7XK_6_LJkA-AAL_Z_AV2_,6_XXu5小于4000,Aj-V-43_序号名称规格备注1行车梁见工程设计2柱间牛腿见工程设计3结构柱见工程设计4角钢L5055大跨距桥架见工程设计6镀锌圆钢127角钢L5058支架夹具(钢板冲压)=IOmm9镀锌螺栓MlO3.工艺核心要义叙述D大跨距桥架根据设计或大跨距结构需要,可定制6T2m长度的桥架,侧板和底板分别压筋以提高结构强度。2)大跨距桥架支架间距可大于3m,支架间距应参照生产厂家技术参数确定敷设电缆后的扰度,扰度应满足设计要求。3)直线段桥架长度超过30米应设伸缩节,桥架跨越建筑物变形缝处应置补偿装置。4)桥架连接处应紧密、无错口现象,各连接螺丝应采用镀锌螺丝,接地线采用大于4mm2铜编织线。4.实例图片

展开阅读全文
相关资源
猜你喜欢
相关搜索

当前位置:首页 > 建筑/环境 > 建筑规范

copyright@ 2008-2023 1wenmi网站版权所有

经营许可证编号:宁ICP备2022001189号-1

本站为文档C2C交易模式,即用户上传的文档直接被用户下载,本站只是中间服务平台,本站所有文档下载所得的收益归上传人(含作者)所有。第壹文秘仅提供信息存储空间,仅对用户上传内容的表现方式做保护处理,对上载内容本身不做任何修改或编辑。若文档所含内容侵犯了您的版权或隐私,请立即通知第壹文秘网,我们立即给予删除!