室内排水管道及配件安装质量标准及检验方法.docx

上传人:p** 文档编号:232173 上传时间:2023-04-18 格式:DOCX 页数:7 大小:28.47KB
下载 相关 举报
室内排水管道及配件安装质量标准及检验方法.docx_第1页
第1页 / 共7页
室内排水管道及配件安装质量标准及检验方法.docx_第2页
第2页 / 共7页
室内排水管道及配件安装质量标准及检验方法.docx_第3页
第3页 / 共7页
室内排水管道及配件安装质量标准及检验方法.docx_第4页
第4页 / 共7页
室内排水管道及配件安装质量标准及检验方法.docx_第5页
第5页 / 共7页
室内排水管道及配件安装质量标准及检验方法.docx_第6页
第6页 / 共7页
室内排水管道及配件安装质量标准及检验方法.docx_第7页
第7页 / 共7页
亲,该文档总共7页,全部预览完了,如果喜欢就下载吧!
资源描述

《室内排水管道及配件安装质量标准及检验方法.docx》由会员分享,可在线阅读,更多相关《室内排水管道及配件安装质量标准及检验方法.docx(7页珍藏版)》请在第壹文秘上搜索。

1、室内排水管道及配件安装质量标准及检验方法1检查数量:主控项目1)排水管道灌水试验:检查全部系统或区段(管线灌水试验及记录)。2)生活污水管道的坡度:每IOOm直线管段抽查3段,不足IOom抽查2段;室内有分隔的建筑物,以隔墙为分段,抽查10%,且不应少于5段。3)排水塑料管安装伸缩节:抽查30%,且不应少于2件。4)排水主立管及水平干管道通球试验:通球率100%。一般项目5)金属排水管道吊钩或卡箍安装:按个数抽查10%,且不应少于5件。6)塑料排水管道支、吊架间距:按个数抽查10%,且不应少于5件。7)管道安装偏差:管道坐标和标高(室内);每20m抽查1点,不足20m不抽查。横管纵、横方向弯曲

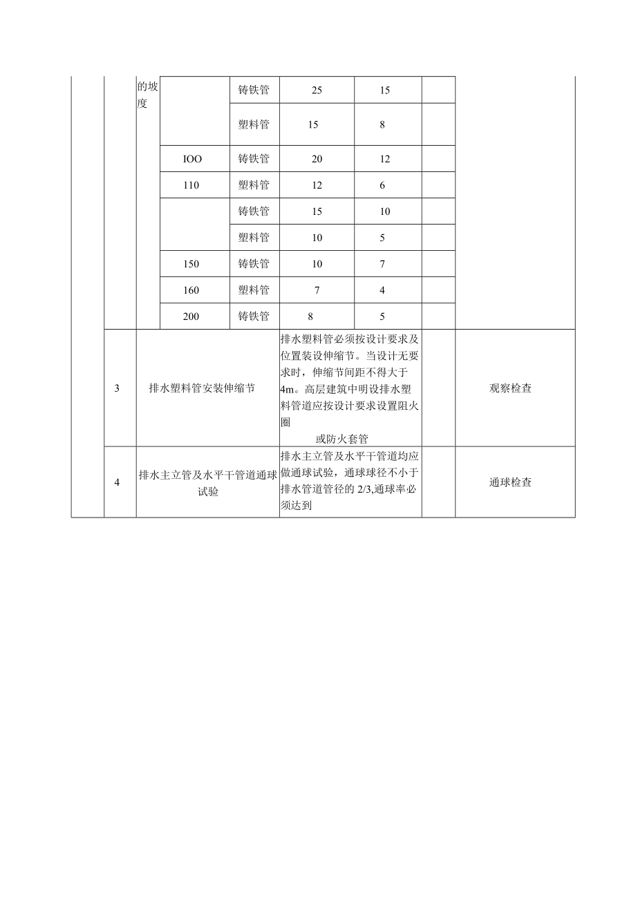
2、:铸铁管,每IOOm抽查3段,不足IOOm时抽查不应少于2段;钢管,每IOOm抽查3段,不足IOom时抽查不应少于2段,室内管道按管的分段数抽查10%,且不应少于5段;塑料管,每20m抽查1点,不足20m不抽查。立管垂直度:按楼层分段抽查10%,且不应少于2段。2质量标准和检验方法:室内排水管道及配件安装质量标准和检验方法哭别序1J-检查项目质量标准单位检验方法及器具主控项目1排水管道灌水试验隐蔽或埋地的排水管道在隐蔽前必须做灌水试验,其灌水高度应不低于底层卫生器具的上边缘或底层地面高度。满水15min水面下降后,再灌满观察5min,液面不降,管道及接口无渗漏为合格观察检查2生活污水管道管径(

3、Innl)管道材质标准坡度(%0)最小坡度(%。)水平尺、拉线钢尺检查铸铁管3525塑料管2512的坡度铸铁管2515塑料管158IOO铸铁管2012110塑料管126铸铁管1510塑料管105150铸铁管107160塑料管74200铸铁管853排水塑料管安装伸缩节排水塑料管必须按设计要求及位置装设伸缩节。当设计无要求时,伸缩节间距不得大于4m。高层建筑中明设排水塑料管道应按设计要求设置阻火圈或防火套管观察检查4排水主立管及水平干管道通球试验排水主立管及水平干管道均应做通球试验,通球球径不小于排水管道管径的2/3,通球率必须达到通球检查1生活污水管上设检查口和清扫口在生活污水管道上设置的检查口

4、或清扫口,当设计无要求时应符合下列规定:(1)在立管上应每隔一层设置一个检查口,且在最底层和有卫生器具的最高层必须设置。如为2层建筑时,可仅在底层设置立管检查口;当有乙字弯管时,则在该层乙字弯管的上部设置检查口。检查口中心高度距操作地面一般为Im允许偏差20mm;检查口的朝向应便于检修。暗装立管,在检查口处应安装检修门。(2)在连接2个及2个以上大便器或3个及3个以上卫生器具的污水横管上应设置清扫口。当污水管在楼板下悬吊敷设时,可将清扫口设在上一层楼地面上,污水管起点的清扫口与管道相垂直的墙面距离不得小于200mm;当污水管起点设置堵头代替清扫口时,与墙面距离不得小于400mmo(3)在转角小

5、于135的污水横管上应设置检查口或清扫口。(4)污水横管的直线管段应按设计要求的距离设置检查口或清扫口观察和钢尺检查2埋地或地板下排水管的检查口设置位置应设在检查井内钢尺检查标高井底表面标高与检查口的法兰相平钢尺检查坡度5%坡度坡向检查口水平尺、拉线钢尺检查3金属排水管道吊钩或卡箍安装安装位置及固定应固定在承重结构上,立管底部的弯管处应设支墩或采取固定措施观察和钢尺检查横管固定件间距2m立管固定件间距3m层高不大于4m立管可安装1个固定件4塑料排水管道支、吊架间距主管管径(mm)501.2m钢尺检查751.5110W2.01252.01602.0横管管径(mm)500.5750.751101.

6、101251.301601.6般项目5排水通气管安装(DHWSW300,且必须大于最大积雪的厚度。(2)在通气管出口4m高度范围内有门、窗时,通气管应高出门、窗顶60Omm或引向无门、窗一侧。(3)在经常有人停留的平屋顶上,通气管应高出屋面2m,并应顺防雷要求设置防雷也(4)屋顶有隔热层时从隔热层板面算起观察和钢尺检查6未经消毒处理的医院含菌污水管道不得与其他排水管道直接连接观察检查7饮食业工艺设备排水管及饮用水箱溢流管不得与污水道直接连接,并应留出不小于IOOmm的隔断空间观察和钢尺检查8通向室外的排水管下返时应采用45三通和45弯头连接,并应在垂直管段顶部设置清扫口观察和钢尺检查9通向室外

7、的排水检查井的排水管井内引入管应高于排出管或两管顶相平,并有不小于90的水流转角,如跌落差大于300mm可不受角度限制观察和钢尺检查10室内排水管道连接管件水平管道间、水平管道与立管间的连接应采用45三通或45四通和90斜三通或90斜四通观察和钢尺检查立管与排出管端部的连接应采用两个45弯头或曲率半径不小于4倍管径的90弯头观察和钢尺检查11排水管道安装偏差坐标15nun仪器及钢尺检查标高15mm仪器及钢尺检查横管纵横方向弯曲铸铁管每米1nun拉线、钢尺检查全长(25m以上)25mm拉线、钢尺检查钢管、每米管径100m1mm拉线、钢尺检查管径IOOmmL5mm拉线、钢尺检查全长(25管径100m25mm拉线、钢尺检查)管W38mm拉线、钢尺检查塑料管每米1.5Inm拉线、钢尺检查全长(25m以上)38mm拉线、钢尺检查钢筋混凝土管、混凝每米3mm拉线、钢尺检查全长(25m以上)75mm拉线、钢尺检查般项目11排水管道安装偏差立管垂直度铸铁管每米3mm吊线、钢尺检查全长(5m以上)15nun吊线、钢尺检查钢管每米W3mm吊线、钢尺检查全长(5m以上)10mm吊线、钢尺检查塑料管每米3mm吊线、钢尺检查全长(5m以上)15mm吊线、钢尺检查

展开阅读全文
相关资源
猜你喜欢
相关搜索

当前位置:首页 > 建筑/环境 > 给排水/暖通与智能化

copyright@ 2008-2023 1wenmi网站版权所有

经营许可证编号:宁ICP备2022001189号-1

本站为文档C2C交易模式,即用户上传的文档直接被用户下载,本站只是中间服务平台,本站所有文档下载所得的收益归上传人(含作者)所有。第壹文秘仅提供信息存储空间,仅对用户上传内容的表现方式做保护处理,对上载内容本身不做任何修改或编辑。若文档所含内容侵犯了您的版权或隐私,请立即通知第壹文秘网,我们立即给予删除!