小学栏杆计算书(按结构意见调整).docx

上传人:p** 文档编号:232737 上传时间:2023-04-18 格式:DOCX 页数:7 大小:40.65KB
下载 相关 举报
小学栏杆计算书(按结构意见调整).docx_第1页
第1页 / 共7页
小学栏杆计算书(按结构意见调整).docx_第2页
第2页 / 共7页
小学栏杆计算书(按结构意见调整).docx_第3页
第3页 / 共7页
小学栏杆计算书(按结构意见调整).docx_第4页
第4页 / 共7页
小学栏杆计算书(按结构意见调整).docx_第5页
第5页 / 共7页
小学栏杆计算书(按结构意见调整).docx_第6页
第6页 / 共7页
小学栏杆计算书(按结构意见调整).docx_第7页
第7页 / 共7页
亲,该文档总共7页,全部预览完了,如果喜欢就下载吧!
资源描述

《小学栏杆计算书(按结构意见调整).docx》由会员分享,可在线阅读,更多相关《小学栏杆计算书(按结构意见调整).docx(7页珍藏版)》请在第壹文秘上搜索。

1、和泽家园小学栏杆计算书目录1计算引用的规范、标准及资料1. 1.围护结构相关设计规范:1.2 建筑结构静力计算手册(第二版)1.3 土建图纸:2栏杆承受荷载计算3栏杆横杆计算23.1 栏杆横杆强度计算23.2 栏杆横杆挠度计算34栏杆立杆计算44.1 栏杆立杆强度计算44.2 栏杆立杆挠度计算51计算引用的规范、标准及资料LI.围护结构相关设计规范:JG/T342-2012JGJ/T470-2019DBJ50-T-123-2020GB55001-2021建筑用玻璃与金属护栏建筑防护栏杆技术标准建筑护栏技术标准工程结构通用规范1. 2建筑结构静力计算手册(第二版)L3土建图纸:2栏杆承受荷载计算

2、本处栏杆为全金属杆结构,这种结构自身在风压和地震作用下的荷载非常小,主要承受的是人为活荷载,这个荷载是均布在横杆上并由横杆传到竖杆的,规范的相关要求如下L按建筑结构荷载规范GB50009-2012第5.5.2条规定:1 1)住宅、宿舍、办公楼、旅馆、医院、托儿所、幼儿园,栏杆顶部的水平荷载应取l.OKN/m;2 2)学校、食堂、剧场、电影院、车站、礼堂、展览馆、体育场,栏杆顶部的水平荷载应取l.OKN/m,竖向荷载应取1.2KNm,水平荷载和竖向荷载应分别考虑;3 .按中小学校设计规范GB50099-2011第8.1.6条规定:中小学校防护栏杆最薄弱处承受的最小水平推力应不小于L5KNm;4

3、.按建筑防护栏杆技术标准JGJ/T470-2019第4.3.2:应对栏杆受水平集中力作用进行验算,水平集中力宜取1.5KN,水平集中力应作用于栏杆中的不利位置,且可与均布荷载不同时作用。5 .按工程结构通用规范GB55001-2021第4.2.14条:(1)住宅、宿舍、办公楼、旅馆、医院、托儿所、幼儿园,栏杆顶部的水平荷载应取l.OkN/m;(2)食堂、剧场、电影院、车站、礼堂、展览馆或体育场,栏杆顶部的水平荷载应取l.OkN/m,竖向荷载应取1.2kNm,水平荷载与竖向荷载应分别考虑;(3)中小学校的上人屋面、外廊、楼梯、平台、阳台等临空部位必须设防护栏杆,栏杆顶部的水平荷载应取1.5kNm

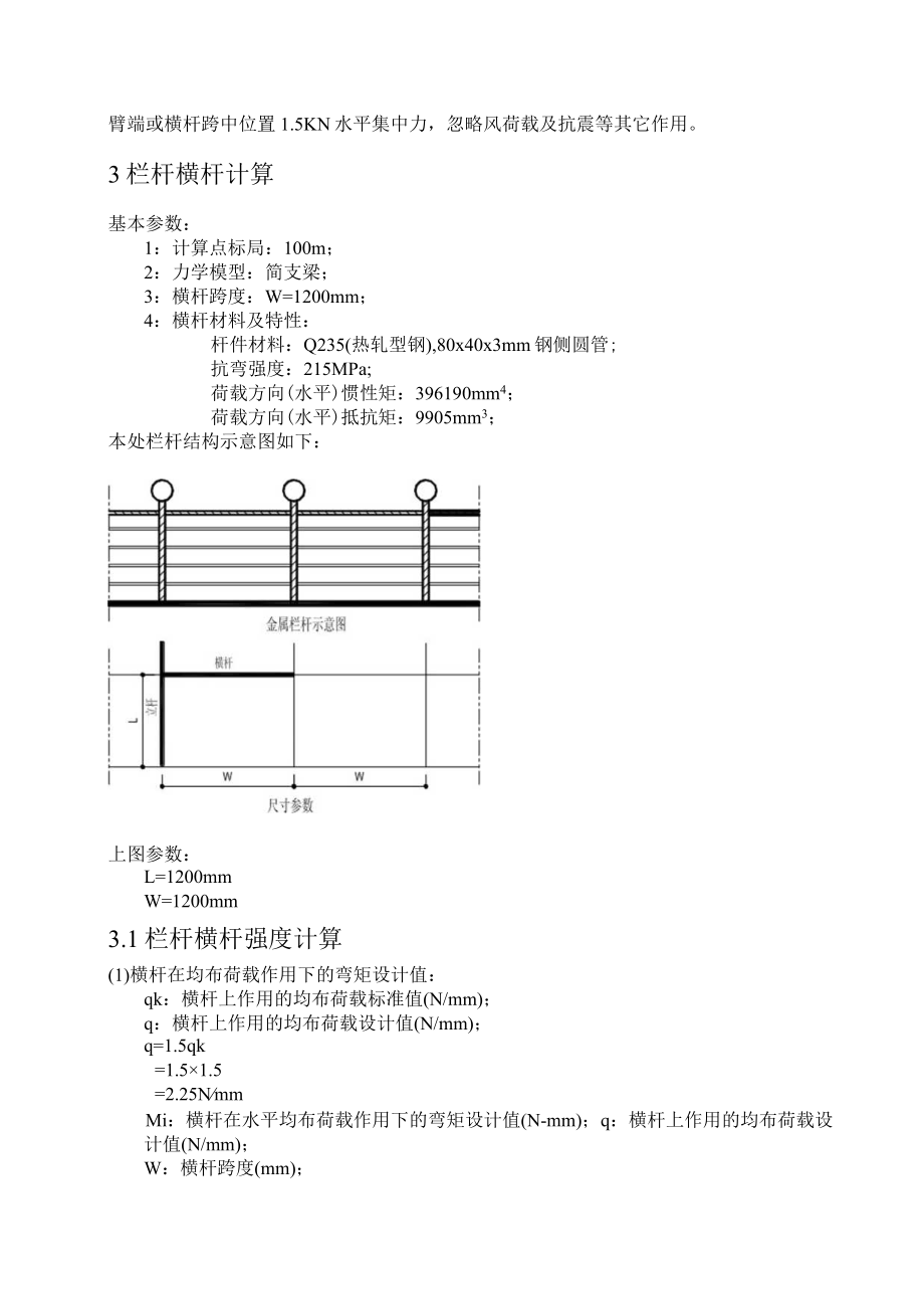
4、,竖向荷载应取1.2kNm,水平荷载与竖向荷载应分别考虑。本处栏杆用途为:中小学校;结合本计算的实际情况,考虑qk=1.5KNm的顶部水平均布荷载标准值,考虑立杆悬臂端或横杆跨中位置1.5KN水平集中力,忽略风荷载及抗震等其它作用。3栏杆横杆计算基本参数:1:计算点标局:100m;2:力学模型:简支梁;3:横杆跨度:W=1200mm;4:横杆材料及特性:杆件材料:Q235(热轧型钢),80x40x3mm钢侧圆管;抗弯强度:215MPa;荷载方向(水平)惯性矩:396190mm4;荷载方向(水平)抵抗矩:9905mm3;本处栏杆结构示意图如下:上图参数:L=1200mmW=1200mm3.1栏杆

5、横杆强度计算(1)横杆在均布荷载作用下的弯矩设计值:qk:横杆上作用的均布荷载标准值(N/mm);q:横杆上作用的均布荷载设计值(N/mm);q=1.5qk=1.51.5=2.25NmmMi:横杆在水平均布荷载作用下的弯矩设计值(N-mm);q:横杆上作用的均布荷载设计值(N/mm);W:横杆跨度(mm);M=qW28=2.25120028=405000N-mm(2)横杆在跨中集中力作用下的弯矩设计值:Pk:横杆跨中水平集中力标准值(N);P:横杆跨中水平集中力设计值(N);P=1.5Pk=1.5X1500=2250NM2:横杆跨中水平集中力作用下的弯矩设计值(N-mm);P:横杆跨中水平集中

6、力设计值(N);W:横杆跨度(mm);M2=PW4=22501200/4=675000Nmm抗弯强度校核:按简支梁抗弯强度公式,应满足:MWnf上式中:M:弯矩设计值(N-mm);W:在弯矩作用方向的净截面抵抗矩(mn);Y:塑性发展系数:对于冷弯薄壁型钢龙骨,按冷弯薄壁型钢结构技术规范GB50018-2002,取1.00;对于热轧型钢龙骨,按JGJ133或JGJ102规范,取1.05;对于铝合金龙骨,按最新铝合金结构设计规范GB50429-2007,取1.00;此处取:=1.05;f:横杆的抗弯强度设计值,取215MPa;则:MW=405000/1.05/9905=38.94lMPa215M

7、PaM2/W=675000/1.05/9905=64.902MPa215MPa横杆的抗弯强度满足要求。3. 2栏杆横杆挠度计算按简支梁挠度计算公式,应满足:dfWdfJim代入具体参数进行计算:I:横杆惯性矩:396190mm4E:钢材的弹性模量,为206000MPa;qk:横杆上作用的均布荷载标准值(N/mm);Pk:横杆跨中水平集中力标准值(N);水平均布荷载产生的挠度计算值为:dn=5qkW4384EI=51.512004384206000396190=0.496mm水平集中荷载产生的挠度计算值为:df2=PkW348EI=1500120048206000396190=0.662mm而d

8、f.iim=1200/250=4.8mm所以横杆的挠度满足设计要求!4栏杆立杆计算基本参数:1:计算点标局:100m;2:力学模型:悬臂梁;3:立杆跨度:L=1200mm;4:立杆材料及特性:杆件材料:Q345(热轧型钢),60x40x8mm矩钢抗弯强度:215MPa荷载方向惯性矩:549630mm4荷载方向抵抗矩:13583mm3本处立杆按悬臂梁力学模型进行设计计算。4.1栏杆立杆强度计算(1)栏杆立杆荷载设计计算:P:横杆在均布荷载作用下传递到立杆上的集中力设计值(N);q:横杆上作用的均布荷载设计值(N/mm);W:横杆跨度(mm);P=qW=2.251200=2700N(2)横杆在均布

9、荷载作用下在立杆根部产生的弯矩设计值:Mi:横杆力作用下在立杆根部产生的弯矩设计值(N-mm);P:横杆传递的作用力设计值(N);L:立杆跨度(mm);Mi=PL=27001200=3240000Nmm(3)横杆在均布荷载作用下在立杆根部产生的剪力设计值:Vi:横杆力作用下在立杆根部产生的剪力设计值(N);P:横杆传递的作用力设计值(N);Vi=P=2700N(4)立杆在顶部水平集中荷载作用下的弯矩设计值:Pk:立杆顶部水平集中荷载标准值(N);P2:立杆顶部水平集中荷载设计值(N);P2=l5Pk=1.5X1500=2250NM2:立杆在顶部水平集中荷载作用下的弯矩设计值(N-mm);P2:

10、立杆顶部水平集中荷载设计值(N);L:立杆跨度(mm);M2=P2L=22501200=2700000Nmm(5)立杆在顶部水平集中荷载作用下的剪力设计值:V2:立杆在顶部水平集中荷载作用下的剪力设计值(N);P2:立杆顶部水平集中荷载设计值(N);V2=P2=2250N(6)栏杆立杆抗弯强度校核栏杆立杆所受轴向荷载非常小,对强度的影响可完全忽略,计算时主要考虑弯矩作用,按抗弯强度公式,应满足:MWnf上式中:M:弯矩设计值(Nmm);W:在弯矩作用方向的净截面抵抗矩(mn?);Y:塑性发展系数;f:立杆的抗弯强度设计值,取215MPa;则:MW=3240000l.05/13583=227.1

11、74MPa3IOMPaM2/W=2700000/1.05/13583=189.312MPa3IOMPa立杆的抗弯强度满足要求。4. 2栏杆立杆挠度计算按悬臂梁挠度计算公式,应满足:dfWdfJim代入具体参数进行计算:Pk:横杆荷载传递到立杆上的集中力标准值(N);Qk:横杆上作用的均布荷载标准值(N/mm);W:横杆跨度(mm);Pk=qkW=1.51200=1800N(横杆均布力作用下在立杆悬臂端产生的集中荷载标准值)JGJ/T470-2019第4.3.2,要求应对栏杆受水平集中力作用进行验算,水平集中力取1.5KN,因为悬臂尺寸相同,所以只取最大集中力计算即可,也就是计算中Pk取1500

12、N。dr:横杆力作用下在立杆悬臂端产生的挠度计算值(Nmm);I:立杆惯性矩:549630mm4E:钢材的弹性模量,为206000MPa;d=PkL33EI按DBJ50-T-123-2020第5.2.4条护栏顶点的饶度限值,应满足表5.2.4:两端支撑Lo25O悬臂支撑Lo/125且不大于20mm。代入各参数,得:dPkL33EI=1800120033206000549630=9.15mmdf,iim=L/125=1200/125=9.6mm所以立杆的挠度满足设计要求!按JGJ/T470-2019第4.3.4,立柱顶部在设计荷载作用下的位移限值应取30mm。代入各参数,得:dPkL33EI=1500130033206000407500=13.086mmdf=13.086mm30mm所以立杆的挠度满足设计要求!

展开阅读全文
相关资源
猜你喜欢
相关搜索

当前位置:首页 > 建筑/环境 > 建筑图集

copyright@ 2008-2023 1wenmi网站版权所有

经营许可证编号:宁ICP备2022001189号-1

本站为文档C2C交易模式,即用户上传的文档直接被用户下载,本站只是中间服务平台,本站所有文档下载所得的收益归上传人(含作者)所有。第壹文秘仅提供信息存储空间,仅对用户上传内容的表现方式做保护处理,对上载内容本身不做任何修改或编辑。若文档所含内容侵犯了您的版权或隐私,请立即通知第壹文秘网,我们立即给予删除!