工序种小灌木球类5.docx

上传人:p** 文档编号:233677 上传时间:2023-04-18 格式:DOCX 页数:2 大小:20.32KB
下载 相关 举报
工序种小灌木球类5.docx_第1页
第1页 / 共2页
工序种小灌木球类5.docx_第2页
第2页 / 共2页
亲,该文档总共2页,全部预览完了,如果喜欢就下载吧!
资源描述

《工序种小灌木球类5.docx》由会员分享,可在线阅读,更多相关《工序种小灌木球类5.docx(2页珍藏版)》请在第壹文秘上搜索。

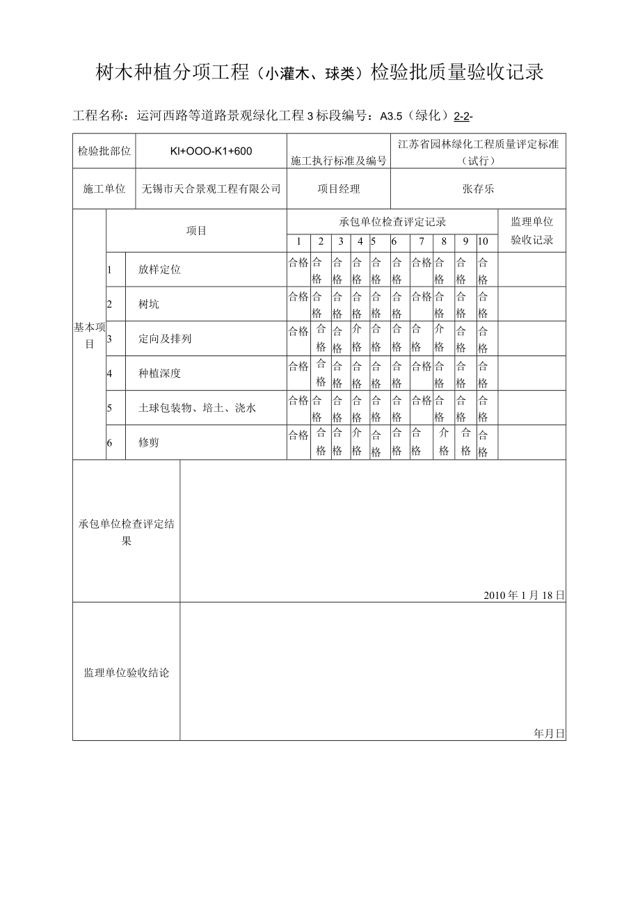
1、A3.5(绿化)绿化工序质量报验单工程名称:运河西路等道路景观绿化工程3标段_编号:A3.5(绿化)2一致:无锡市园林建设监理有限公司(监理单位)兹报验: 1、种植土分项 2、树木种植分项 3、草坪、草花、下木地被种植分项名称:种植垂丝海棠、木槿等种植地点:Kl+OOO-Kl+600验收时间:2010年1月18H本次报验内容系第_一次报验。本项目经理部将对报验内容严格自控,保证符合设计规范要求。承包单位项目经理部(章):项目经理:日期:2010年1月18日项目监理机构签收人姓名及时间承包单位签收人姓名及时间监理抽查数41、收至I2、前及情况记录:J施工相应自评/检查资料和验收记录表共一页,收到

2、时间:检查人:日期:监理审查意见:可进行后续施工。核验未通过,不得进入下道工序施工,整改后再报。项目监理机构(章):专业监理工程师:日期:注:1、未经项目监理机构验收通过,承包单位不得进入下道工序施工。2、承包单位项目经理部应提前提出本报验单,并给予配合。树木种植分项工程(小灌木、球类)检验批质量验收记录工程名称:运河西路等道路景观绿化工程3标段编号:A3.5(绿化)2-2-检验批部位Kl+OOO-K1+600施工执行标准及编号江苏省园林绿化工程质量评定标准(试行)施工单位无锡市天合景观工程有限公司项目经理张存乐基本项目项目承包单位检查评定记录监理单位验收记录123456789101放样定位合格合格合格合格合格合格合格合格合格合格2树坑合格合格合格合格合格合格合格合格合格合格3定向及排列合格合格合格介格合格合格合格介格合格合格4种植深度合格合格合格合格合格合格合格合格合格合格5土球包装物、培土、浇水合格合格合格合格合格合格合格合格合格合格6修剪合格合格合格介格合格合格合格介格合格合格承包单位检查评定结果2010年1月18日监理单位验收结论年月日

展开阅读全文
相关资源
猜你喜欢
相关搜索

当前位置:首页 > 行业资料 > 林业

copyright@ 2008-2023 1wenmi网站版权所有

经营许可证编号:宁ICP备2022001189号-1

本站为文档C2C交易模式,即用户上传的文档直接被用户下载,本站只是中间服务平台,本站所有文档下载所得的收益归上传人(含作者)所有。第壹文秘仅提供信息存储空间,仅对用户上传内容的表现方式做保护处理,对上载内容本身不做任何修改或编辑。若文档所含内容侵犯了您的版权或隐私,请立即通知第壹文秘网,我们立即给予删除!