手持式电动工具安全隐患检查表.docx

上传人:p** 文档编号:238729 上传时间:2023-04-18 格式:DOCX 页数:1 大小:14.08KB
下载 相关 举报
手持式电动工具安全隐患检查表.docx_第1页
第1页 / 共1页
亲,该文档总共1页,全部预览完了,如果喜欢就下载吧!
资源描述

《手持式电动工具安全隐患检查表.docx》由会员分享,可在线阅读,更多相关《手持式电动工具安全隐患检查表.docx(1页珍藏版)》请在第壹文秘上搜索。

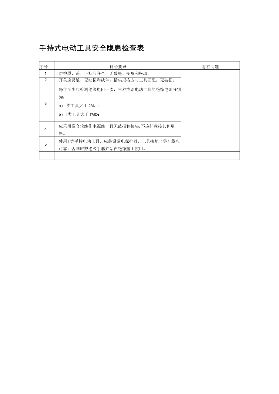
手持式电动工具安全隐患检查表序号评价要求存在问题1防护罩、盖、手柄应齐全,无破损、变形和松动。2开关应灵敏、无缺损和缺件:插头规格应与工具匹配,无破损。3每年至少应检测绝缘电阻一次,三种类别电动工具的绝缘电阻分别为:a)I类工具大于2M。:b)II类工具大于7MQ:C)川类工具大于IMQ。4应采用橡套软线作电源线,且无破损和接头.不应任意接长和更换。5使用I类手持电动工具,应装设漏电保护器,工具接地(零)线应可靠,否则应戴绝缘手套并站在绝缘垫上使用。

展开阅读全文
相关资源
猜你喜欢
相关搜索

当前位置:首页 > 行业资料 > 公共安全/安全评价

copyright@ 2008-2023 1wenmi网站版权所有

经营许可证编号:宁ICP备2022001189号-1

本站为文档C2C交易模式,即用户上传的文档直接被用户下载,本站只是中间服务平台,本站所有文档下载所得的收益归上传人(含作者)所有。第壹文秘仅提供信息存储空间,仅对用户上传内容的表现方式做保护处理,对上载内容本身不做任何修改或编辑。若文档所含内容侵犯了您的版权或隐私,请立即通知第壹文秘网,我们立即给予删除!