明龙骨吊顶工程质量标准及检验方法.docx

上传人:p** 文档编号:242713 上传时间:2023-04-18 格式:DOCX 页数:2 大小:18.96KB
下载 相关 举报
明龙骨吊顶工程质量标准及检验方法.docx_第1页
第1页 / 共2页
明龙骨吊顶工程质量标准及检验方法.docx_第2页
第2页 / 共2页
亲,该文档总共2页,全部预览完了,如果喜欢就下载吧!
资源描述

《明龙骨吊顶工程质量标准及检验方法.docx》由会员分享,可在线阅读,更多相关《明龙骨吊顶工程质量标准及检验方法.docx(2页珍藏版)》请在第壹文秘上搜索。

1、明龙骨吊顶工程质量标准及检验方法1适用范围:本条适用于以轻钢龙骨、铝合金龙骨、木龙骨等为骨架,以石膏板、金属板、矿棉板、塑料板、玻璃板或格栅等饰面材料的明龙骨吊顶工程的施工质量验收。2检查数量:1)同一品种的吊顶工程每50间(大面积房间和走廊按吊顶面积30m2为一间)应划分为一个检验批,不足50间也应划分为一个检验批。2)每个检验批应至少抽查10%,并不得少于3间;不足3间时应全数检查。3质量标准和检验方法:明龙骨吊顶工程质量标准和检验方法美别序号检查项目质量标准单位检验方法及器具主控项目1重型灯具、电扇及其他重型设备安装严禁安装在吊顶工程的龙骨上观察检查2吊杆、龙骨的材质、规格、安装间距及连

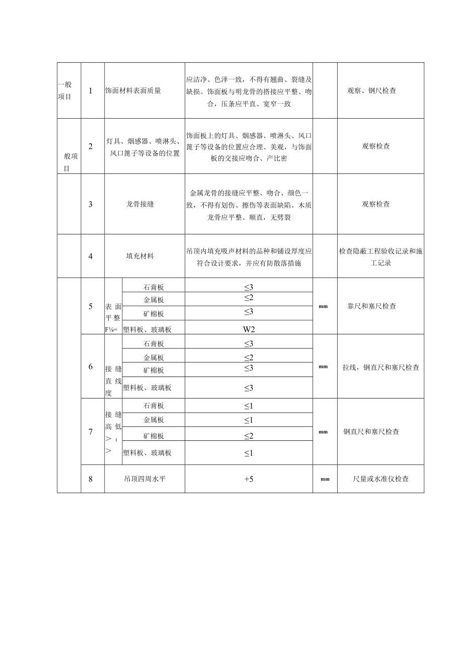
2、接方式应符合设计要求和有关标准的规定。金属吊杆、龙骨应经过表面防腐处理;木吊杆、龙骨应进行防腐、防火处理观察、钢尺检查、检查产品合格证书、性能检测报告、进场验收记录和隐蔽工程验收记录3吊顶标高、尺寸、起拱和造型应符合设计要求观察、钢尺检查4饰面材料的材质、品种、规格、图案和颜色应符合设计要求和现行有关标准的规定观察,检查产品合格证书、性能检测报告和进场验收记录5饰面材料安装饰面材料的安装应稳固严密。饰面材料与龙骨的搭接宽度应大于龙骨受力面宽度的2/3观察、钢尺检查6吊杆和龙骨安装必须牢固手扳检查、检查隐蔽工程验收记录和施工记录一般项目1饰面材料表面质量应洁净、色泽一致,不得有翘曲、裂缝及缺损。

3、饰面板与明龙骨的搭接应平整、吻合,压条应平直、宽窄一致观察、钢尺检查般项目2灯具、烟感器、喷淋头、风口篦子等设备的位置饰面板上的灯具、烟感器、喷淋头、风口篦子等设备的位置应合理、美观,与饰面板的交接应吻合、产比密观察检查3龙骨接缝金属龙骨的接缝应平整、吻合、颜色一致,不得有划伤、擦伤等表面缺陷。木质龙骨应平整、顺直,无劈裂观察检查4填充材料吊顶内填充吸声材料的品种和铺设厚度应符合设计要求,并应有防散落措施检查隐蔽工程验收记录和施工记录5表面平整F=石膏板3mm靠尺和塞尺检查金属板2矿棉板3塑料板、玻璃板W26接缝直线度石膏板3mm拉线,钢直尺和塞尺检查金属板2矿棉板3塑料板、玻璃板37接缝高低;石膏板1mm钢直尺和塞尺检查金属板1矿棉板2塑料板、玻璃板18吊顶四周水平+5mm尺量或水准仪检查

展开阅读全文
相关资源
猜你喜欢
相关搜索

当前位置:首页 > 建筑/环境 > 建筑QC

copyright@ 2008-2023 1wenmi网站版权所有

经营许可证编号:宁ICP备2022001189号-1

本站为文档C2C交易模式,即用户上传的文档直接被用户下载,本站只是中间服务平台,本站所有文档下载所得的收益归上传人(含作者)所有。第壹文秘仅提供信息存储空间,仅对用户上传内容的表现方式做保护处理,对上载内容本身不做任何修改或编辑。若文档所含内容侵犯了您的版权或隐私,请立即通知第壹文秘网,我们立即给予删除!