有限空间存在的危险源及防范措施.docx

上传人:p** 文档编号:243314 上传时间:2023-04-18 格式:DOCX 页数:2 大小:19.31KB
下载 相关 举报
有限空间存在的危险源及防范措施.docx_第1页
第1页 / 共2页
有限空间存在的危险源及防范措施.docx_第2页
第2页 / 共2页
亲,该文档总共2页,全部预览完了,如果喜欢就下载吧!
资源描述

《有限空间存在的危险源及防范措施.docx》由会员分享,可在线阅读,更多相关《有限空间存在的危险源及防范措施.docx(2页珍藏版)》请在第壹文秘上搜索。

1、存在的危险源及防范措施一序号部位或名称危险源潜在事故防范措施1工案施方未编制专项施工方案;专项施工方案未按规定审核、审批;环境和施工条件发生变化,专项施工方案未重新进行审核、审批坍塌物体打击高处坠落触电等编制专项施工方案;专项施工方案按规定审核、审批;环境施工条件发生变化,专项施工方案应重新进行审核、审批2证岗持上特种作业人员未持证上岗火灾、爆炸、中毒、窒息、触电特种作业人员必须持有效的特种作业证上岗3劳保着装劳保着装不符合规范火灾、爆炸、触电必须戴好安全帽、防护眼镜、防护手套、穿工作服、劳保鞋,若进入有腐蚀介质的受限空间,必须穿戴防腐工作服、防腐面具、防腐鞋及手套4潜在风险作业人员和监护人不

2、解现场情况,不清楚潜在的风险火灾、爆炸、中毒、室息、触电作业前必须进行安全教育;生产单位必须与施工单位进行现场检查交底,施工单位负责人应向施工作业人员进行作业程序和安全措施交底5急措施未制定相应的作业程序、安全防范和应急措施火灾、爆炸、中毒、窒息、触电进入有限空间作业前,监护人员和作业人员必须熟知紧急状况时的逃生路线和救护方法,监护人与作业人员约定的联络信号。作业现场应配备一定数量的、符合规定的救生设施和灭火器材等6三不进入未严格执行“三不进入”火灾、爆炸、中毒、窒息、触电没有办理进入有限空间作业许可证不进入;安全防护措施没有落实不进入;监护人不在现场不进入7工艺处理进入有限空间作业前,未做好

3、工艺处理火灾、爆炸、中毒、窒息、触电将有限空间吹扫、蒸煮、置换合格,所有与其相连且可能存在可燃可爆、有毒有害物料的管线、阀门应加盲板隔离,盲板处应挂牌标识8加热试验对盛装过能产生自聚物的设备容器,未做过加热试验爆炸对盛装过能产生自聚物的设备容器,作业前应进行工艺处理,采取蒸煮、置换等方法,并做聚合物加热试验9毒具防面在缺氧、有毒环境中,未佩带隔离式防毒面具中毒、窒息在缺氧、有毒环境中,是否佩带隔离式防毒面具10电安灯全和行安压全进入受限空间作业未使用安全电压和安全行灯触电进入金属容器(炉、塔、釜、罐等)和特别潮湿、工作场地狭窄的非金属容器内作业,照明电压不大于12V;当需要使用电动工具或照明电

4、压大于12V时,应按规定安装漏电保护器,其接线箱(板)必须放置在容器外部11运送作业人员使用卷扬机、吊车等运送作业人员起重伤害进入受限空间作业,不得使用卷扬机、吊车等运送作业人员,作业人员所带的工具、材料须进行登记12易燃易爆环境易燃易爆环境火灾、爆炸在易燃易爆环境中,应使用防爆电筒或电压不大于12V的防爆安全行灯,行灯变压器不得放在容器内或容器上;作业人员应穿戴防静电服装,使用防爆工具13样析取分取样分析没有代表性、全面性火灾、爆炸、中毒、窒息有限空间容积较大时,应对上、中、下各部位取样分析,保证受限空间任何部位的有害物质含量合格14转动部件设备带有搅拌器等转动部件的设备,在断电后未采取必要

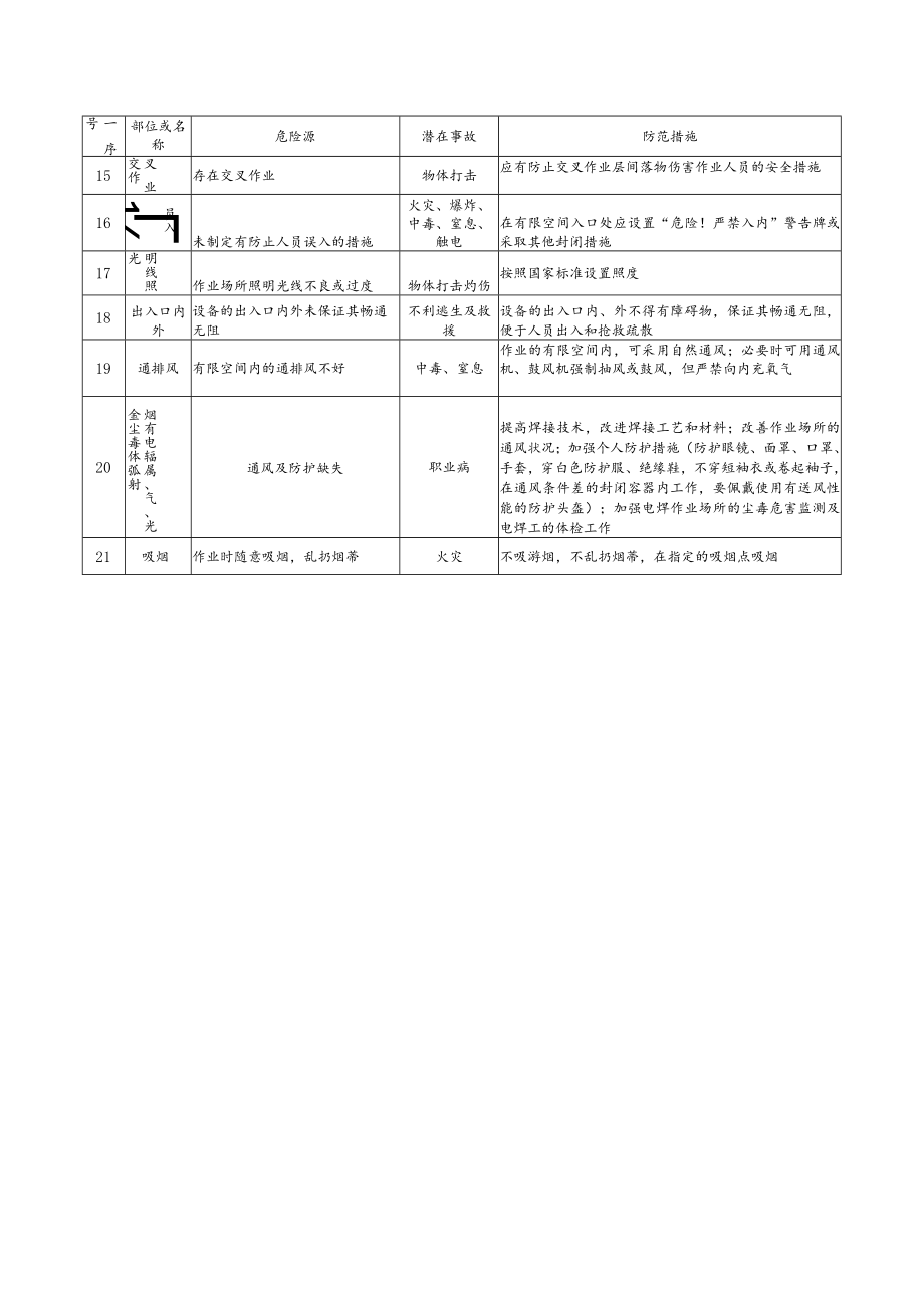
5、的安全防范措施触电带有搅拌器等转动部件的设备,应在停机后切断电源,摘除保险,并在开关上挂上“禁止合闸、有人工作“警示牌,必要时拆除转动部件与电机连接的联轴器一序号部位或名称危险源潜在事故防范措施15叉业交作存在交叉作业物体打击应有防止交叉作业层间落物伤害作业人员的安全措施16员入未制定有防止人员误入的措施火灾、爆炸、中毒、窒息、触电在有限空间入口处应设置“危险!严禁入内”警告牌或采取其他封闭措施17明线照光作业场所照明光线不良或过度物体打击灼伤按照国家标准设置照度18出入口内外设备的出入口内外未保证其畅通无阻不利逃生及救援设备的出入口内、外不得有障碍物,保证其畅通无阻,便于人员出入和抢救疏散19通排风有限空间内的通排风不好中毒、窒息作业的有限空间内,可采用自然通风;必要时可用通风机、鼓风机强制抽风或鼓风,但严禁向内充氧气20烟有电辐属、气、光金尘毒体弧射通风及防护缺失职业病提高焊接技术,改进焊接工艺和材料;改善作业场所的通风状况;加强个人防护措施(防护眼镜、面罩、口罩、手套,穿白色防护服、绝缘鞋,不穿短袖衣或卷起袖子,在通风条件差的封闭容器内工作,要佩戴使用有送风性能的防护头盔);加强电焊作业场所的尘毒危害监测及电焊工的体检工作21吸烟作业时随意吸烟,乱扔烟蒂火灾不吸游烟,不乱扔烟蒂,在指定的吸烟点吸烟

展开阅读全文
相关资源
猜你喜欢
相关搜索

当前位置:首页 > 建筑/环境 > 安全文明施工

copyright@ 2008-2023 1wenmi网站版权所有

经营许可证编号:宁ICP备2022001189号-1

本站为文档C2C交易模式,即用户上传的文档直接被用户下载,本站只是中间服务平台,本站所有文档下载所得的收益归上传人(含作者)所有。第壹文秘仅提供信息存储空间,仅对用户上传内容的表现方式做保护处理,对上载内容本身不做任何修改或编辑。若文档所含内容侵犯了您的版权或隐私,请立即通知第壹文秘网,我们立即给予删除!