机械密封摩擦副材料.docx

上传人:p** 文档编号:244138 上传时间:2023-04-19 格式:DOCX 页数:7 大小:29.36KB
下载 相关 举报
机械密封摩擦副材料.docx_第1页
第1页 / 共7页
机械密封摩擦副材料.docx_第2页
第2页 / 共7页
机械密封摩擦副材料.docx_第3页
第3页 / 共7页
机械密封摩擦副材料.docx_第4页
第4页 / 共7页
机械密封摩擦副材料.docx_第5页
第5页 / 共7页
机械密封摩擦副材料.docx_第6页
第6页 / 共7页
机械密封摩擦副材料.docx_第7页
第7页 / 共7页
亲,该文档总共7页,全部预览完了,如果喜欢就下载吧!
资源描述

《机械密封摩擦副材料.docx》由会员分享,可在线阅读,更多相关《机械密封摩擦副材料.docx(7页珍藏版)》请在第壹文秘上搜索。

1、机械密封摩擦副材料碳化硅陶瓷是近年发展的新材料。它具有很低的摩擦因数,很高的硬度,良好的耐磨性。它具有良好的化学稳定性、耐热性和抗热振性。碳化硅有反应烧结碳化硅、常压烧结碳化硅和热压碳化硅。表1列出国产碳化硅的性能。性能反应烧结氮化硅热压氮化硅密度gNaN-3孔隙率/%2.5-2.63.13抗弯强度/MPa13161抗压强度/MPa196.13688.47784.52抗拉强度/MPa1176.81569.1抗冲击强度/MPa117.68137.29弹性模量/MPa0.150.20.39摩擦因数(1.670-2.16)105硬度(HRA)0.1一热膨胀系数/CT80859192热导率W(mK)T

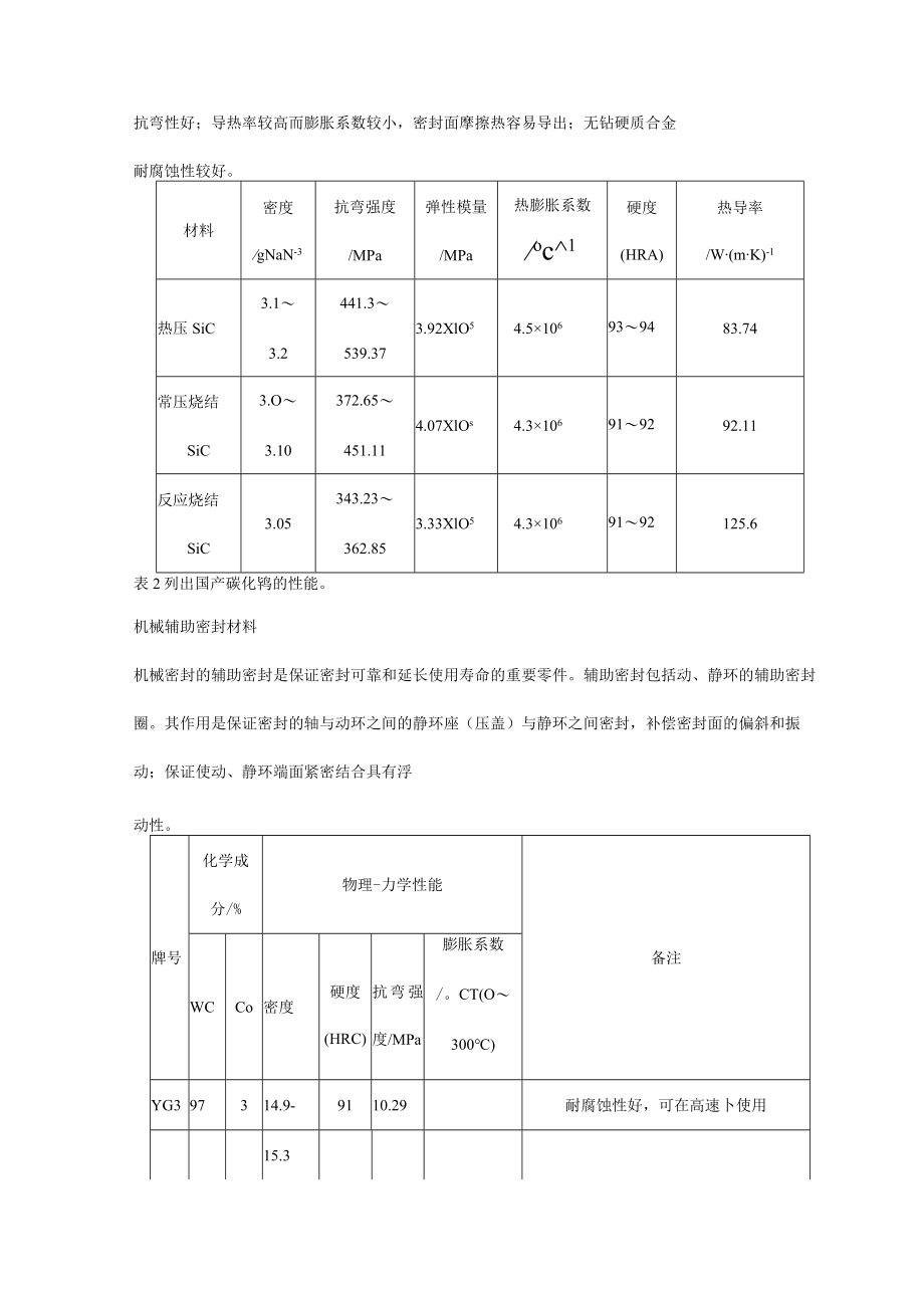
2、2.5X10-6(2.72.8)X10-6电阻率5.02(200oC)cm1018一(700oC)-cm108硬质合金。硬质合金主要是碳化鸽WC,分别有钻基碳化铝WC-Co,银基碳化鸨WC-Ni和钻-银基碳化鸨WJCo-Ni。碳化铝的特点:硬度高,耐磨性好;机械强度高,抗弯性好;导热率较高而膨胀系数较小,密封面摩擦热容易导出;无钻硬质合金耐腐蚀性较好。材料密度gNaN-3抗弯强度/MPa弹性模量/MPa热膨胀系数oc1硬度(HRA)热导率/W(mK)-1热压SiC3.13.2441.3539.373.92XlO54.5106939483.74常压烧结SiC3.O3.10372.65451.11

3、4.07XlOs4.3106919292.11反应烧结SiC3.05343.23362.853.33XlO54.31069192125.6表2列出国产碳化鸨的性能。机械辅助密封材料机械密封的辅助密封是保证密封可靠和延长使用寿命的重要零件。辅助密封包括动、静环的辅助密封圈。其作用是保证密封的轴与动环之间的静环座(压盖)与静环之间密封,补偿密封面的偏斜和振动;保证使动、静环端面紧密结合具有浮动性。牌号化学成分/%物理-力学性能备注WCCo密度硬度(HRC)抗弯强度/MPa膨胀系数/。CT(O300)YG397314.9-9110.29耐腐蚀性好,可在高速卜使用15.3YG694614.61589.

4、510.204.5X106耐摩性较高,有一定的冲击韧性,常用作动、静环材料YG892814.4-14.88914.714.5XlO6耐摩性较YG6差,有时也用作动、静环材料YG15851513.9-14.18718.635.3XlO6强度高,冲击韧性好,常用作动、静环材料表3.国产碳化鸨硬质合金的物理-力学性机械密封对辅助密封圈材料的要求:1)材料弹性好,特别是要求良好的复原性,永久变形要小;2)不受流体介质的侵蚀,而且在介质中的膨胀和收缩都不大;3)摩擦因数小和耐磨性好;4)使用温度范围要广,在高、低温下不粘着、不变硬、脆和失弹;5)要有适当的力学性能,如扯断强度及其延伸率、耐压等,在压力作

5、用下无显着变形,有优良的抗撕裂性、耐磨性和耐压性等;6)便于加工并可得到高的精度;7)抗介质腐蚀、溶解、溶胀、老化等性能好,对介质不应有污染等。作为辅助密封圈的材料有橡胶、塑料、石棉、膨胀石墨、石墨和金属胀圈等。橡胶圈是使用最广的一种辅助密封圈。常用的橡胶密封圈材料有丁懵橡胶、氟橡胶、硅橡胶、氯丁橡胶、丁苯橡胶等。丁盾橡胶是常用的一种耐油橡胶。它是丁二烯和丙烯懵的共聚物。根据丙烯懵含量多少分成若干种:低丙烯懵(丁睛-18)、中丙烯盾(T-26)和高丙烯盾(T-40),丙烯as含量越高,它的耐油性越好,抗张强度、硬度和耐磨性、耐水性增加,透气性减小。随之而来,它在极性溶剂中是溶解度却增大,耐腐蚀

6、性也受到影响,弹性和耐寒性也变差。丁懵橡胶不耐挠曲,抗撕裂也较差。氟橡胶具有耐高温、耐油、耐化学腐蚀的优点。氟橡胶中应用最广的是含氟烯燃共聚物,主要是26型和23型。26型中有氟橡胶-26系偏氟橡乙烯与六氟丙烯的乳液共聚物和氟橡胶-246系偏氟乙烯、六氟丙烯与四氟丙烯的三元共聚物。23型氟橡胶由偏氟乙烯与三氟氯乙烯在室温及3.24MPa压力下用悬浮聚合法制得的一种无定形橡胶状共聚物。它不能用于液氨、氨水中。硅橡胶是由二甲基硅氧烷与其他有机硅单体在酸或碱性催化剂存在下聚合成的一种极性高分子聚合物。硅橡胶有很高的热稳定性,但它有极性,容易在酸碱作用下发生离子型裂解,因此耐腐蚀性差,不适宜用于石油系

7、溶剂(如苯、甲苯等)、丙酮、酮酸等有机溶剂。聚四氟乙烯具有优异的化学稳定性和耐油、耐溶剂、抗老化、耐温性能,并有相当低的摩擦因数和一定的强度、弹性、柔性和不粘着性,因此广泛用作各种温度、压力、腐蚀性介质条件下的密封圈。综上所述,辅助密封材料,在一般介质中可使用橡胶材料制成的0形圈、垫圈和波纹管等;在腐蚀性介质中可使用聚四氟乙烯制成的V形圈、楔形环、垫圈和波纹管等;在高、低温条件下可使用金属波纹管。选用时应考虑材料的使用温度和耐腐蚀性。几种材料的使用温度、适用介质见表4。材料名称使用温度/使用介质或特性橡丁晴橡胶-30100油、水、醇等胶氯丁橡胶-40100无机酸、碱溶液、水、醇等乙丙橡胶-50

8、100碱、溶剂和各种化学、放射性介质氟橡胶-20-100酸、油类、溶剂等硅橡胶-60-230醇、碱、低溶胀性矿物质聚四氟乙烯-100-250各种腐蚀性介质金属沉淀硬化不锈钢AM350-40-450热处理后强度高,耐腐蚀性与lCrl8Ni9Ti相似高银合金Inconel-750-250-750高、低温强度好,耐腐蚀性好,但焊接困难,成本高银钳合金HastelloyC约1000耐腐蚀性最好,不用热处理,强度高,但成本高表4.机械密封辅助密封材料列表机械密封主要零件材料选择:机械密封各主要零件的材料应根据使用工况进行选择,见表5o工况摩擦副辅助密封介质浓度温度/旋转环静止环清水室温石墨陶瓷、高银铸铁

9、、堆焊钻铭鸨丁晴橡胶河水(含泥沙)碳化鸨、碳化硅碳化鸨、碳化硅晴橡胶海水石墨陶瓷,碳化鸨晴橡胶汽油-20-80石墨高银铸铁,碳化鸨,陶瓷氟橡胶80-135PTFE煤油-20-80石墨高银铸铁,碳化鸨,陶瓷丁晴橡胶80-200氟橡胶,PTFE柴油-20-80石墨高银铸铁,碳化铝,陶瓷丁晴橡胶80-200氟橡胶,PTFE机油-20-30石墨高银铸铁,碳化鸨,堆焊钻格鸨,青铜、陶瓷晴橡胶原油-20-135石墨碳化铝,陶瓷氟橡胶135-200PTFE(含杂质)-20-135碳化鸨碳化铝氟橡胶135200PTFE轻质碳氢化合物-20-80石墨碳化铝氟橡胶、PTFE硫酸10%-20135填充PTFEPTFE硝酸5%填充陶瓷PTFEPTFE醋酸30%石墨PTFE碱-20-80石墨、填充PTFE高银铸铁、陶瓷、碳化鸽乙丙橡胶80200PTFE食品-20-80石墨陶瓷丁晴橡胶植物油-2080石墨高银铸铁、陶瓷乙丙橡胶、PTFE有机物-2080石墨碳化鸨、铸铁、堆焊钻格鸨乙丙橡胶、PTFE

展开阅读全文
相关资源
猜你喜欢
相关搜索

当前位置:首页 > 高等教育 > 实验设计

copyright@ 2008-2023 1wenmi网站版权所有

经营许可证编号:宁ICP备2022001189号-1

本站为文档C2C交易模式,即用户上传的文档直接被用户下载,本站只是中间服务平台,本站所有文档下载所得的收益归上传人(含作者)所有。第壹文秘仅提供信息存储空间,仅对用户上传内容的表现方式做保护处理,对上载内容本身不做任何修改或编辑。若文档所含内容侵犯了您的版权或隐私,请立即通知第壹文秘网,我们立即给予删除!