水果酒标准.docx

上传人:p** 文档编号:246605 上传时间:2023-04-19 格式:DOCX 页数:6 大小:40.99KB
下载 相关 举报
水果酒标准.docx_第1页
第1页 / 共6页
水果酒标准.docx_第2页
第2页 / 共6页
水果酒标准.docx_第3页
第3页 / 共6页
水果酒标准.docx_第4页
第4页 / 共6页
水果酒标准.docx_第5页
第5页 / 共6页
水果酒标准.docx_第6页
第6页 / 共6页
亲,该文档总共6页,全部预览完了,如果喜欢就下载吧!
资源描述

《水果酒标准.docx》由会员分享,可在线阅读,更多相关《水果酒标准.docx(6页珍藏版)》请在第壹文秘上搜索。

1、备案号:xxxxxS-2014有效期至:2017年12月11日Q/THTC通化天池葡萄酒有限责任公司企业标准Q/THTC0001S-2014水果酒Q/THTC0001S-2014XXXXXS-2014201412120112112014-12-11实施20147270发布通化天池葡萄酒有限责任公司发布水果酒1范围本标准适用于以各种水果(包括蓝莓、草箍、洋姑娘、梨、苹果、樱桃、芒果、蓝靛果、橙子)鲜果为主要原料,辅以饮用水、白砂糖、柠檬酸经发酵或部分发酵,加入山梨酸钾、甘油、竣中基纤维素钠、二氧化碳、二氧化硫等食品添加剂,酒精度在4-15%VOI的含酒精饮料。2规范性引用文件下列文件对于本文件的

2、应用是必不可少的。凡是注日期的引用文件,仅注日期的版本适用于本文件,凡是不注日期的引用文件,其最新版本(包括所有的修改单)适应于本文件。GB/T191GBGBGBGBGB3171904198727582760GB/T4789.25 GB 5009.12 GB 5749GB/T 10344GB/T 12456 GB 12696 GB 13736 GB 14881GB/T 15038GB/T 24694 GB 29950 JJF 1070包装储运图示标志白砂糖食品添加剂竣甲基纤维素钠食品添加剂柠檬酸食品安全国家标准发酸酒及其配制酒食品安全国家标准食品添加剂使用标准 食品卫生微生物学检验酒类检验 食

3、品安全国家标准食品中铅的测定 生活饮用水卫生标准预包装饮料酒标签通则食品中总酸的测定葡萄酒厂卫生规范食品添加剂山梨酸钾食品安全国家标准食品生产通用卫生规范 葡萄酒、果酒通用试验方法玻璃容器白酒瓶食品安全国家标准食品添加剂甘油 定量包装商品净含量计量检验规则国家质量监督检验检疫总局令第75号(2005)定量包装商品计量监督管理办法国家质量监督检验检疫总局令第123号(2009)食品标识管理规定3分类3.1 按产品种类可分为蓝箍酒、草莓酒、洋姑娘酒、梨酒、苹果酒、樱桃酒、芒果酒、蓝靛果酒、橙子酒。QTHTC0001S-20143.2 按产品含糖量可分为:干水果酒、半干水果酒、半甜水果酒、甜水果酒。

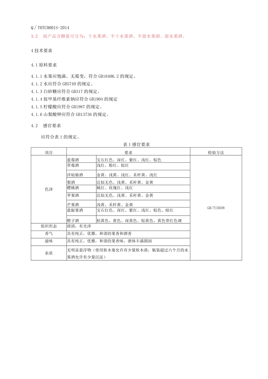
4、4技术要求4.1原料要求4.1.1水果应饱满、无霉变,符合GB18406.2的规定。4.1.2水应符合GB5749的规定。4.1.3白砂糖应符合GB317的规定。4.1.4按甲基纤维素钠应符合GB1904的规定4.1.5柠檬酸应符合GB1987的规定。4.1.6山梨酸钾应符合GB13736的规定。4.2 感官要求应符合表1的规定。表1感官要求项目要求检验方法色泽蓝莓酒宝石红色、深红、紫红、浅红、棕色GB/T15038草莓酒浅红、粉红、棕红洋姑娘酒金黄、浅黄、浅红、禾杆黄、浅红梨酒近似无色、浅黄、禾杆黄、金黄樱桃酒桃红、玫瑰红、浅红苹果酒近似无色、浅黄、禾杆黄、金黄芒果酒浅黄、禾杆黄、金黄蓝靛果

5、酒宝石红色、深红、紫红、浅红、棕色、暗红橙子酒桔黄色、黄色、深黄色、棕黄色、黄色带红色调组织形态澄清,有光泽香气具有纯正,优雅,和谐的果香和酒香滋味具有纯正,优雅,和谐的果香味,酒体丰满圆润杂质无明显悬浮物(使用软木塞允许有少量软木渣,瓶装超过六个月的水果酒允许有少量沉淀)4.3 理化指标应符合表2的规定。表2理化指标项目指标检验方法酒精度(20,体积分数)%4-15GB/T15038干浸出物(gL)蓝莓酒12草莓酒10梨酒10洋姑娘酒12樱桃酒12革果酒11芒果酒NIO蓝旋果酒12橙子酒510总二氧化硫(mgL)250挥发酸(gL)(乙酸计)1.1铁(mgL)8.0铜(mgL)1.0山梨酸或

6、山梨酸钾(以山梨酸计)(mgL)200总糖(以葡萄糖汁)(gL)干水果酒4半干水果酒4.1-12半甜水果酒12.1-45甜水果酒245.14.4 4污染物限量应符合表3的规定。表3污染物限量铅(以Pb计),mg/kgW0.2GB27624.5 微生物限量应符合表4的规定。表4微生物限量项目指标检验方法菌落总数,cfu/g50GB/T4789.25大肠菌群,MPN100gW3致病菌(沙门氏菌、志贺氏菌、金黄色葡萄球菌)不得检出展青霉素,gkg50GB/T57614.6 食品添加剂的品种、使用量和残留限量应符合表4的规定。表5食品添加剂品种使用功能使用量残留量检验方法山梨酸钾防腐剂0.2gkg0.

7、2gkgGB/T5009.29柠椽酸酸度调节剂按生产需要适量使用总二氧化硫抑制酵母菌250mgL250mgLGB/T15038甘油乳化剂按生产需要适量使用按甲基纤维索钠增稠剂按生产需要适量添加二氧化碳充气按生产需要适量添加5净含量应符合国家质量监督检验检疫总局令第75号(2005)的规定,并按照JJFlO70的规定检验。6生产加工过程的卫生要求应符合GB14881的规定。7检验规则1.2 1出J-检验产品出厂需经企业检验部门逐批检验合格,附产品合格证方能出厂。出厂检验项目包括酒精度、总糖、干浸出物、总酸、菌落总数、大肠菌群。1.3 型式检验型式检验项目包括技术要求中的全部项目。正常生产时每半年

8、进行一次型式检验。遇有下列情况时也应进行型式检验:更换设备或长期停产再恢复生产时;原辅料质量出现大的波动时;出厂检验结果与上次型式检验有较大差异时;国家质量监督机构提出要求时。1.4 组批同一批投料、同一个班次、同一条生产线、同一种规格的产品为一个批次。1.5 抽样方法和抽样数量按表6规定的抽样方案抽取样本,样本以瓶为单位。表6批量Vlooo箱NlOoo箱样本大小n(瓶)W500ml瓶8W500ml瓶122750ml瓶6275OmI瓶87.5判定规则检测结果全部合格时则判该批产品合格。感官、净含量、理化指标等项目有2项(含2项)以上不合格时,则判该批产品不合格;如有1项不符合要求,可重新加倍取

9、样复验,以复验结果为准。任何一项卫生(安全)或微生物学(生物学)指标不合格时则判该批产品不合格。8标签应符合GB/T191、GB7718、GB28050和国家质量监督检验检疫总局令第123号(2009)的规定。8.1标签式样食品名称:水果酒配料表(原料):蓝莓、草莓、洋姑娘、梨、苹果、芒果、蓝靛果、橙子、白砂糖、食品添加剂(柠檬酸、山梨酸钾、二氧化硫、甘油、装甲基纤维素钠、二氧化碳)净含量/规格:275亳升/瓶、500亳升/瓶、740毫升/瓶。生产者的名称、地址和联系方式:通化天池葡萄酒有限责任公司、梅河口市北环路、0435-4249097生产日期和保质期:保质期为十年。贮存条件:包装的成品酒,允许在5-35温度条件下贮存。食品生产许可证编号:220015020129产品标准代号:Q/TIITC0001S-2014酒精度:4-15%vol产地:吉林省通化市产品类型:干型、半干型、半甜型、甜型其他需要标示的内容:9包装9.1.1内包装玻璃瓶应符合GB/T24694的规定。包装容器应整齐、清洁、封装严密、无漏气、漏酒现象。9.1.2外包装签上除标明产品名称、制造者(或经销商)名称和地址外,还应标明单位包装的净含量和总数量。10保质期在符合本标准规定条件下,自生产之日起,保质期为十年。

展开阅读全文
相关资源
猜你喜欢
相关搜索

当前位置:首页 > 生活休闲 > 美容塑身

copyright@ 2008-2023 1wenmi网站版权所有

经营许可证编号:宁ICP备2022001189号-1

本站为文档C2C交易模式,即用户上传的文档直接被用户下载,本站只是中间服务平台,本站所有文档下载所得的收益归上传人(含作者)所有。第壹文秘仅提供信息存储空间,仅对用户上传内容的表现方式做保护处理,对上载内容本身不做任何修改或编辑。若文档所含内容侵犯了您的版权或隐私,请立即通知第壹文秘网,我们立即给予删除!