沥青类防腐蚀工程质量标准及检验方法.docx

上传人:p** 文档编号:247436 上传时间:2023-04-19 格式:DOCX 页数:3 大小:20.19KB
下载 相关 举报
沥青类防腐蚀工程质量标准及检验方法.docx_第1页
第1页 / 共3页
沥青类防腐蚀工程质量标准及检验方法.docx_第2页
第2页 / 共3页
沥青类防腐蚀工程质量标准及检验方法.docx_第3页
第3页 / 共3页
亲,该文档总共3页,全部预览完了,如果喜欢就下载吧!
资源描述

《沥青类防腐蚀工程质量标准及检验方法.docx》由会员分享,可在线阅读,更多相关《沥青类防腐蚀工程质量标准及检验方法.docx(3页珍藏版)》请在第壹文秘上搜索。

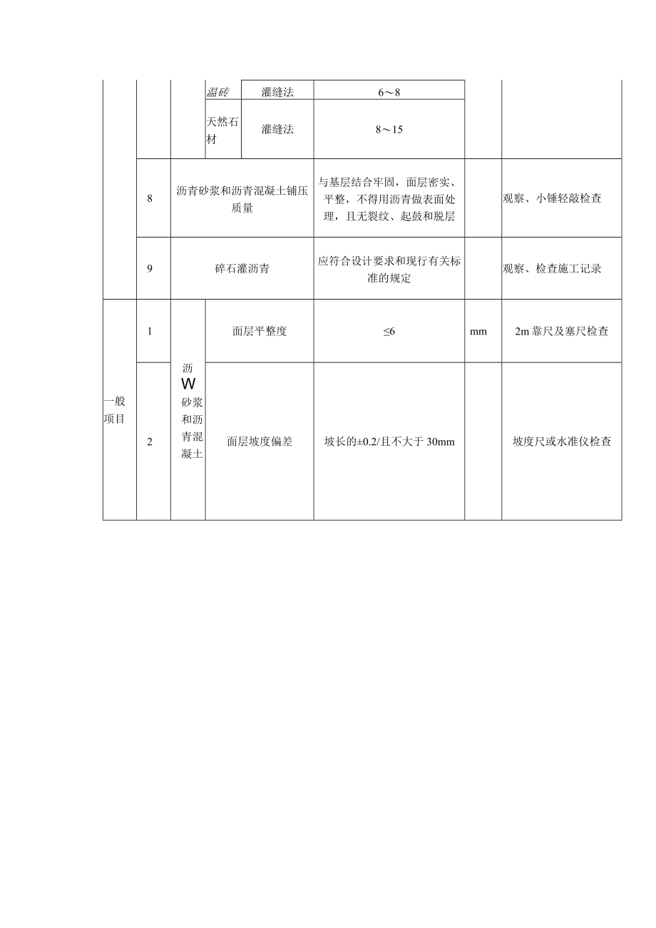
1、沥青类防腐蚀工程质量标准及检验方法1适用范围:本条适用于沥青稀胶泥铺贴的沥青卷材隔离层、涂覆的隔离层;铺贴的沥青防水卷材隔离层;沥青胶泥铺砌的块材面层;沥青砂浆和沥青混凝土铺筑的整体面层或垫层;碎石灌沥青垫层。2检查数量:逐个检查或按施工面积抽查25%o3质量标准和检验方法:沥青类防腐蚀工程质量标准和检验方法类别序号检查项目质量标准单位检验方法及器具主控项目1原材料质量用于建筑防腐蚀工程施工的材料必须具有产品质量证明文件,其质量不得低于国家现行标准的规定且应符合GB5021的规定。需要现场配制使用的材料,必须经试验确定,其配合比尚应符合GB5021附录A的规定。经试验确定的配合比不得任意改变检

2、查出厂证件和检验报告2基层要求混凝土或水泥砂浆基层必须坚固、密实、平整,坡度和强度符合设计要求,严禁有地下水渗漏、不均匀沉降;不得有起砂、起壳、裂缝、蜂窝麻面等现象。基层必须干燥,在深20的厚度层内,含水率不大于6%。基层坡度必须进行检测并应符合设计要求,其允许偏差应为坡长的土0.2%,最大偏差值不得大于30mm观察、检查试验报告钢结构基层表面应平整,无焊渣、毛刺、油污、铁锈观察检查3沥青胶泥技术性能耐热稳定性使用部位最局温度不大于30240检查配合比及试验报告使用部位最高温度31C40N50使用部位最高温度4150260使用部位最高温度51602700C浸酸后质量变化率1%4沥青砂浆和沥W混

3、凝抗压-强度20时23MPa检查配合比及试验报告50时MPa饱和吸水率(体积计)1.5%浸酸安定性合格主控项目5隔离层油毡隔离层沥青稀胶泥必须满浇,油毡须展平、压实,接缝处粘牢,油毡接缝宽度,短边和长边都不小于100mm;上下两层油毡搭接缝、同一层油毡搭接缝应错开。地面隔离层延续铺至沿地面高观察检查和钢尺检查涂覆隔离层涂覆层数按设计要求或现行有关标准的规定,总厚度为2mm3mm观察检查和钢尺检查6块材结合层耐酸砖、耐酸耐温砖挤缝法、灌缝法35mm钢尺检查刮浆铺砌法、分段浇灌法577块材灰缝宽度耐酸破、耐酸耐挤缝法、刮浆铺砌法、分段浇灌法35nun钢尺检查温砖灌缝法68天然石材灌缝法8158沥青砂浆和沥青混凝土铺压质量与基层结合牢固,面层密实、平整,不得用沥青做表面处理,且无裂纹、起鼓和脱层观察、小锤轻敲检查9碎石灌沥青应符合设计要求和现行有关标准的规定观察、检查施工记录一般项目1沥W砂浆和沥青混凝土面层平整度6mm2m靠尺及塞尺检查2面层坡度偏差坡长的0.2/且不大于30mm坡度尺或水准仪检查

展开阅读全文
相关资源
猜你喜欢
相关搜索

当前位置:首页 > 建筑/环境 > 防腐

copyright@ 2008-2023 1wenmi网站版权所有

经营许可证编号:宁ICP备2022001189号-1

本站为文档C2C交易模式,即用户上传的文档直接被用户下载,本站只是中间服务平台,本站所有文档下载所得的收益归上传人(含作者)所有。第壹文秘仅提供信息存储空间,仅对用户上传内容的表现方式做保护处理,对上载内容本身不做任何修改或编辑。若文档所含内容侵犯了您的版权或隐私,请立即通知第壹文秘网,我们立即给予删除!