泡沫灭火系统泡沫液储罐安装质量标准及检验方法.docx

上传人:p** 文档编号:247765 上传时间:2023-04-19 格式:DOCX 页数:2 大小:15.98KB
下载 相关 举报
泡沫灭火系统泡沫液储罐安装质量标准及检验方法.docx_第1页
第1页 / 共2页
泡沫灭火系统泡沫液储罐安装质量标准及检验方法.docx_第2页
第2页 / 共2页
亲,该文档总共2页,全部预览完了,如果喜欢就下载吧!
资源描述

《泡沫灭火系统泡沫液储罐安装质量标准及检验方法.docx》由会员分享,可在线阅读,更多相关《泡沫灭火系统泡沫液储罐安装质量标准及检验方法.docx(2页珍藏版)》请在第壹文秘上搜索。

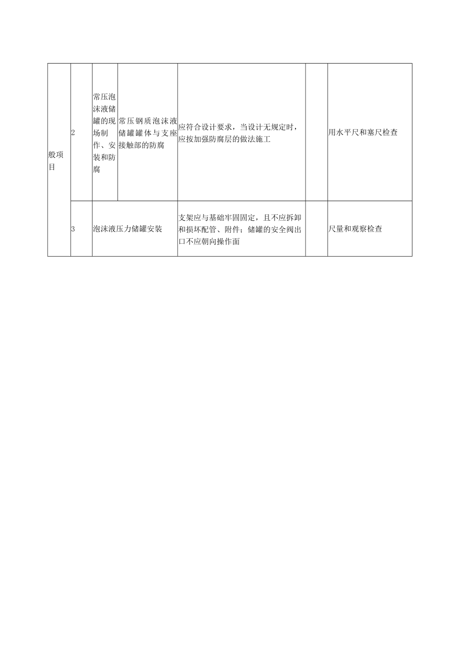
1、泡沫灭火系统泡沫液储罐安装质量标准及检验方法1检查数量:全数检查。2质量标准和检验方法:泡沫灭火系统泡沫液储罐安装质量标准和检验方法类别序,弓检查项目质量标准单位检验方法及器具主控项目1设在泡沫泵站外的泡沫液压力储罐安装应符合设计要求,并应根据环境条件采取防晒、防冻和防腐等措施观察检查般项目1泡沫液储罐的安装位置和高度应符合设计要求。当设计无要求时,泡沫液储罐周围应留有满足检修需要的通道,其宽度不宜小于0.7m,且操作面不宜小于1.5m;当泡沫液储罐上的控制阀距地面高度大于1.8m时,应在操作面处设置操作平台或操作凳观察检查2常压泡沫液储罐的现场制作、安装和防腐现场制作的常压钢质液储罐泡沫液管

2、道出液口不应高于泡沫液储罐最低液面1%泡沫液管道吸液口距泡沫液储罐底面不应小于0.15m,且宜做成喇叭口形用水平尺和塞尺检查现场制作的常压钢质泡沫液储罐应进行严密性试验试验压力应为储皤装满水后的静压力,试验时间不应小于30min,目测应无渗漏现场制作的常压钢质泡沫液储罐内、外表面防腐应按设计要求防腐,并应在严密性试验合格后进行常压泡沫液储罐的安装方式应符合设计要求,当设计无要求时,应根据其形状按立式或卧式安装在支架或支座上,支架应与基础固定,安装时不得损坏其储罐上的配管和附件般项目2常压泡沫液储罐的现场制作、安装和防腐常压钢质泡沫液储罐罐体与支座接触部的防腐应符合设计要求,当设计无规定时,应按加强防腐层的做法施工用水平尺和塞尺检查3泡沫液压力储罐安装支架应与基础牢固固定,且不应拆卸和损坏配管、附件;储罐的安全阀出口不应朝向操作面尺量和观察检查

展开阅读全文
相关资源
猜你喜欢
相关搜索

当前位置:首页 > 建筑/环境 > 防火建筑

copyright@ 2008-2023 1wenmi网站版权所有

经营许可证编号:宁ICP备2022001189号-1

本站为文档C2C交易模式,即用户上传的文档直接被用户下载,本站只是中间服务平台,本站所有文档下载所得的收益归上传人(含作者)所有。第壹文秘仅提供信息存储空间,仅对用户上传内容的表现方式做保护处理,对上载内容本身不做任何修改或编辑。若文档所含内容侵犯了您的版权或隐私,请立即通知第壹文秘网,我们立即给予删除!