混凝土预制桩钢筋安装质量标准及检验方法.docx

上传人:p** 文档编号:249048 上传时间:2023-04-19 格式:DOCX 页数:2 大小:17.81KB
下载 相关 举报
混凝土预制桩钢筋安装质量标准及检验方法.docx_第1页
第1页 / 共2页
混凝土预制桩钢筋安装质量标准及检验方法.docx_第2页
第2页 / 共2页
亲,该文档总共2页,全部预览完了,如果喜欢就下载吧!
资源描述

《混凝土预制桩钢筋安装质量标准及检验方法.docx》由会员分享,可在线阅读,更多相关《混凝土预制桩钢筋安装质量标准及检验方法.docx(2页珍藏版)》请在第壹文秘上搜索。

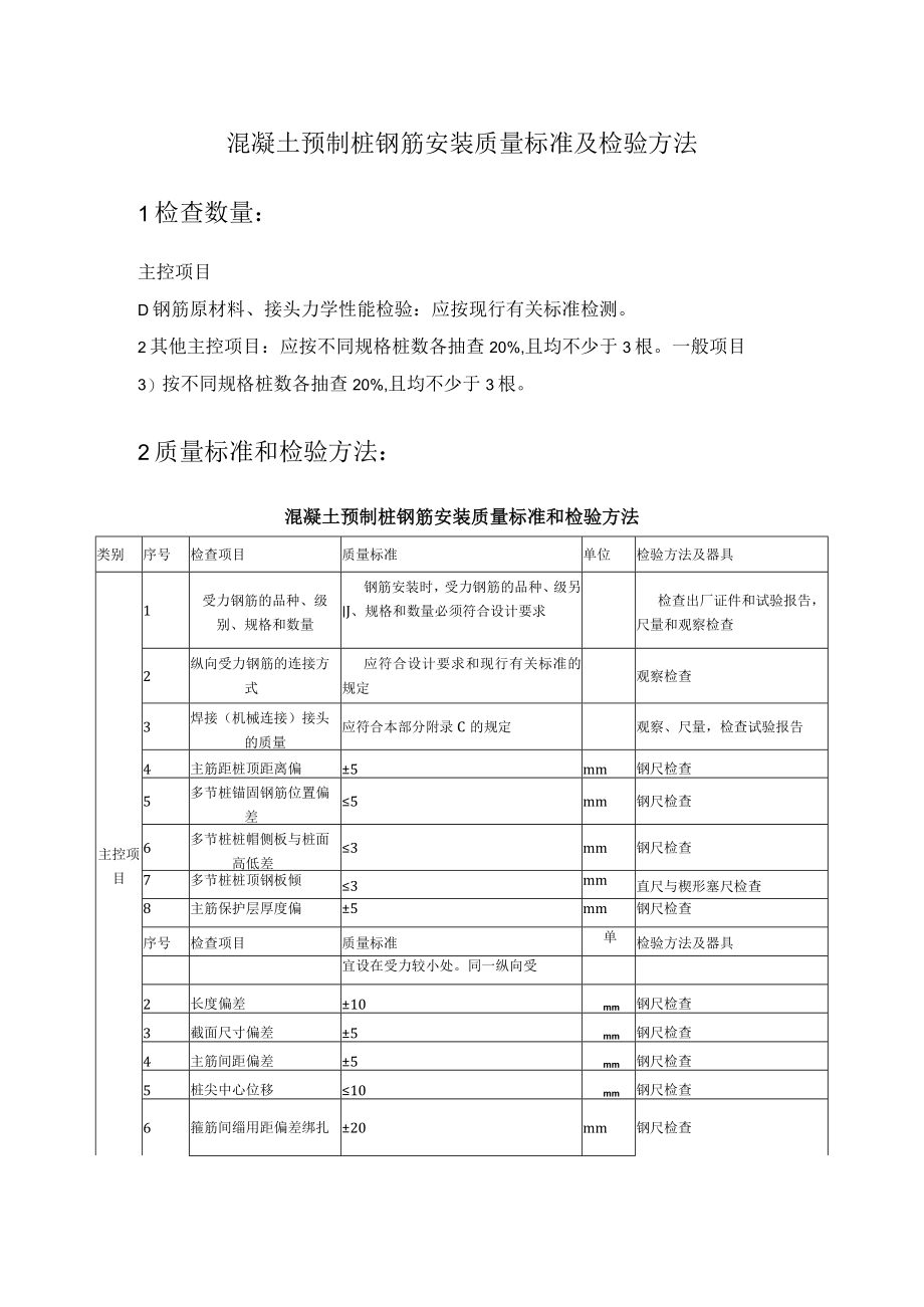
1、混凝土预制桩钢筋安装质量标准及检验方法1检查数量:主控项目D钢筋原材料、接头力学性能检验:应按现行有关标准检测。2其他主控项目:应按不同规格桩数各抽查20%,且均不少于3根。一般项目3)按不同规格桩数各抽查20%,且均不少于3根。2质量标准和检验方法:混凝土预制桩钢筋安装质量标准和检验方法类别序号检查项目质量标准单位检验方法及器具主控项目1受力钢筋的品种、级别、规格和数量钢筋安装时,受力钢筋的品种、级另J、规格和数量必须符合设计要求检查出厂证件和试验报告,尺量和观察检查2纵向受力钢筋的连接方式应符合设计要求和现行有关标准的规定观察检查3焊接(机械连接)接头的质量应符合本部分附录C的规定观察、尺

2、量,检查试验报告4主筋距桩顶距离偏5mm钢尺检查5多节桩锚固钢筋位置偏差5mm钢尺检查6多节桩桩帽侧板与桩面高低差3mm钢尺检查7多节桩桩顶钢板倾3mm直尺与楔形塞尺检查8主筋保护层厚度偏5mm钢尺检查序号检查项目质量标准单检验方法及器具宜设在受力较小处。同一纵向受2长度偏差10mm钢尺检查3截面尺寸偏差5mm钢尺检查4主筋间距偏差5mm钢尺检查5桩尖中心位移10mm钢尺检查6箍筋间缁用距偏差绑扎20mm钢尺检查点焊10mm7桩顶钢筋网片位置偏差10mm钢尺检查8多节桩锚固钢筋长度偏差10mm钢尺检查9吊环(孔)位移(纵、横向)20mm钢尺检查10吊环露出混凝土表面高度偏差O-IOmm钢尺检查

展开阅读全文
相关资源
猜你喜欢
相关搜索

当前位置:首页 > 建筑/环境 > 桩基础

copyright@ 2008-2023 1wenmi网站版权所有

经营许可证编号:宁ICP备2022001189号-1

本站为文档C2C交易模式,即用户上传的文档直接被用户下载,本站只是中间服务平台,本站所有文档下载所得的收益归上传人(含作者)所有。第壹文秘仅提供信息存储空间,仅对用户上传内容的表现方式做保护处理,对上载内容本身不做任何修改或编辑。若文档所含内容侵犯了您的版权或隐私,请立即通知第壹文秘网,我们立即给予删除!