烟囱工程混凝土结构外观及尺寸偏差(烟囱筒身)质量标准及检验方法.docx

上传人:p** 文档编号:249821 上传时间:2023-04-19 格式:DOCX 页数:2 大小:18.85KB
下载 相关 举报
烟囱工程混凝土结构外观及尺寸偏差(烟囱筒身)质量标准及检验方法.docx_第1页
第1页 / 共2页
烟囱工程混凝土结构外观及尺寸偏差(烟囱筒身)质量标准及检验方法.docx_第2页
第2页 / 共2页
亲,该文档总共2页,全部预览完了,如果喜欢就下载吧!
资源描述

《烟囱工程混凝土结构外观及尺寸偏差(烟囱筒身)质量标准及检验方法.docx》由会员分享,可在线阅读,更多相关《烟囱工程混凝土结构外观及尺寸偏差(烟囱筒身)质量标准及检验方法.docx(2页珍藏版)》请在第壹文秘上搜索。

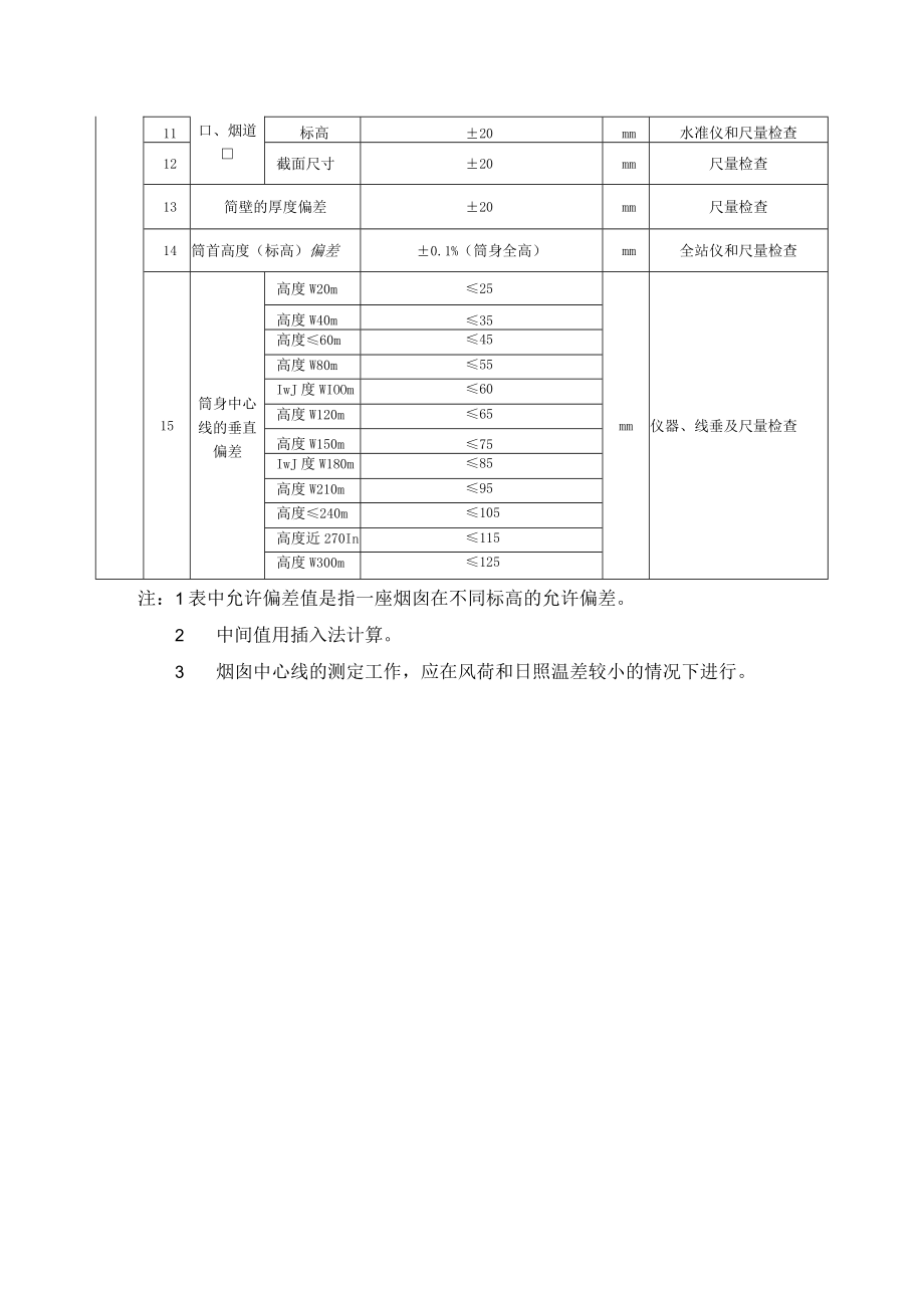
1、烟囱工程混凝土结构外观及尺寸偏差(烟囱筒身)质量标准及检验方法类别序号检验项目质量标准单位检验方法及器具主控项目1外观质量不应有严重缺陷。对已经出现的严重缺陷,应由施工单位提出技术处理方案,并经监理(建设)设计单位认可后进行处理。对经处理的部位,应重新检查验收观察检查技术处理方案2尺寸偏差不应有影响结构性能和使用功能的尺寸偏差。对超过尺寸允许偏差且影响结构性能和安装、使用功能的部位,应由施工单位提出技术处理方案,并经监理(建设)设计单位认可后进行处理。对经处理的部位,应重新检查验收量测检查技术处理方案一般项目1外观质量不不应有露筋、蜂窝、拉裂和明显的凹痕观察检查技术处理方案2中心轴线偏差3mm

2、经纬仪和尺量检查3预埋暗样偏差20m经纬仪和尺量检查4预埋螺栓中心偏差3mm经纬仪和尺量检查5预埋螺栓外露长度偏差0-20mm尺量检查6筒壁的扭转IOm100mm经纬仪和尺量检查测其筒壁外表面的弧长全高程内500mm7筒壁厚度偏差20mm尺量检查8任何截面上的半径偏差+25mm尺量检查9筒壁内外表面局部凸凹不平(沿半径方向)25mm尺量检查10预留洞中心线15mm经纬仪和尺量检查11口、烟道标高20mm水准仪和尺量检查12截面尺寸20mm尺量检查13简壁的厚度偏差20mm尺量检查14筒首高度(标高)偏差0.1%(筒身全高)mm全站仪和尺量检查15筒身中心线的垂直偏差高度W20m25mm仪器、线垂及尺量检查高度W40m35高度60m45高度W80m55IwJ度WIOOm60高度W120m65高度W150m75IwJ度W180m85高度W210m95高度240m105高度近270In115高度W300m125注:1表中允许偏差值是指一座烟囱在不同标高的允许偏差。2中间值用插入法计算。3烟囱中心线的测定工作,应在风荷和日照温差较小的情况下进行。

展开阅读全文
相关资源
猜你喜欢
相关搜索

当前位置:首页 > 建筑/环境 > 防腐

copyright@ 2008-2023 1wenmi网站版权所有

经营许可证编号:宁ICP备2022001189号-1

本站为文档C2C交易模式,即用户上传的文档直接被用户下载,本站只是中间服务平台,本站所有文档下载所得的收益归上传人(含作者)所有。第壹文秘仅提供信息存储空间,仅对用户上传内容的表现方式做保护处理,对上载内容本身不做任何修改或编辑。若文档所含内容侵犯了您的版权或隐私,请立即通知第壹文秘网,我们立即给予删除!