大体积砼养护测孔平面图和记录.docx

上传人:p** 文档编号:252918 上传时间:2023-04-19 格式:DOCX 页数:2 大小:22.76KB
下载 相关 举报
大体积砼养护测孔平面图和记录.docx_第1页
第1页 / 共2页
大体积砼养护测孔平面图和记录.docx_第2页
第2页 / 共2页
亲,该文档总共2页,全部预览完了,如果喜欢就下载吧!
资源描述

《大体积砼养护测孔平面图和记录.docx》由会员分享,可在线阅读,更多相关《大体积砼养护测孔平面图和记录.docx(2页珍藏版)》请在第壹文秘上搜索。

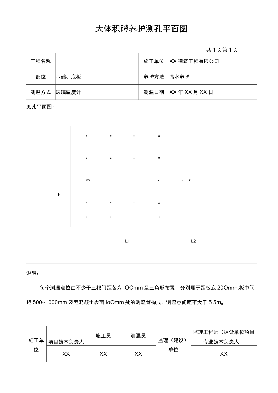
1、大体积磴养护测孔平面图共1页第1页工程名称施工单位XX建筑工程有限公司部位基础、底板养护方法温水养护测温方式玻璃温度计测温日期XX年XX月XX日测孔平面图:hXXXXXXXL1L2说明:每个测温点位由不少于三根间距各为IOOmm呈三角形布置,分别埋于距板底20Omrn,板中间距5001000mm及距混凝土表面IoOmm处的测温管构成。测温点间距不大于5.5mo施工单位项目技术负责人施工员测温员监理(建设)单位监理工程师(建设单位项目专业技术负责人)XXXXXXXX大体积硅测温记录共1页第1页工程名称施工单位XX建筑工程有限公司测温方式玻璃温度计部位基础、底板养护方法温水养护测温时间大气温度测孔

2、编号保温层下温度块体外表温度中靠上点温度中间点温度中偏下点温度块体底表温度最大温差蜡保温层内)大差硅温内最温层外间隙时间备注月日时XXX41182120191818332hXXX42192223211918232hXXX43172122191818242hXXX44182123191817332hXXX45172022201918352hXXX46162120191816352hXXX47182122201818232hXXX48172021211815332hXXX49182120191818332h施工项目技术负责人施工员测温员监理(建设)单位监理工程师(建设单位项目专业技术负责人)单位XXXXXXXX

展开阅读全文
相关资源
猜你喜欢
相关搜索

当前位置:首页 > 建筑/环境 > 安全文明施工

copyright@ 2008-2023 1wenmi网站版权所有

经营许可证编号:宁ICP备2022001189号-1

本站为文档C2C交易模式,即用户上传的文档直接被用户下载,本站只是中间服务平台,本站所有文档下载所得的收益归上传人(含作者)所有。第壹文秘仅提供信息存储空间,仅对用户上传内容的表现方式做保护处理,对上载内容本身不做任何修改或编辑。若文档所含内容侵犯了您的版权或隐私,请立即通知第壹文秘网,我们立即给予删除!