环氧丙烷储存包装工序主要设备设施清单.docx

上传人:p** 文档编号:261556 上传时间:2023-04-20 格式:DOCX 页数:1 大小:14.47KB
下载 相关 举报
环氧丙烷储存包装工序主要设备设施清单.docx_第1页
第1页 / 共1页
亲,该文档总共1页,全部预览完了,如果喜欢就下载吧!
资源描述

《环氧丙烷储存包装工序主要设备设施清单.docx》由会员分享,可在线阅读,更多相关《环氧丙烷储存包装工序主要设备设施清单.docx(1页珍藏版)》请在第壹文秘上搜索。

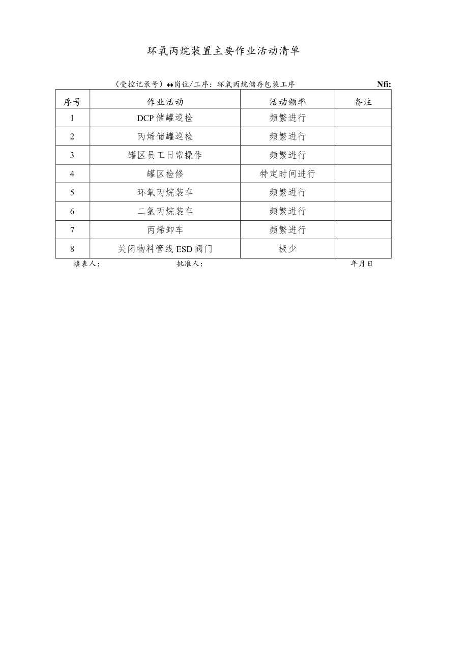
环氧丙烷装置主要作业活动清单(受控记录号)岗位/工序:环氧丙烷储存包装工序Nfi:序号作业活动活动频率备注1DCP储罐巡检频繁进行2丙烯储罐巡检频繁进行3罐区员工日常操作频繁进行4罐区检修特定时间进行5环氧丙烷装车频繁进行6二氯丙烷装车频繁进行7丙烯卸车频繁进行8关闭物料管线ESD阀门极少填表人:批准人:年月日

展开阅读全文
相关资源
猜你喜欢
相关搜索

当前位置:首页 > 行业资料 > 造纸印刷

copyright@ 2008-2023 1wenmi网站版权所有

经营许可证编号:宁ICP备2022001189号-1

本站为文档C2C交易模式,即用户上传的文档直接被用户下载,本站只是中间服务平台,本站所有文档下载所得的收益归上传人(含作者)所有。第壹文秘仅提供信息存储空间,仅对用户上传内容的表现方式做保护处理,对上载内容本身不做任何修改或编辑。若文档所含内容侵犯了您的版权或隐私,请立即通知第壹文秘网,我们立即给予删除!