砌砖墙交底模板.docx

上传人:p** 文档编号:264459 上传时间:2023-04-20 格式:DOCX 页数:6 大小:37.58KB
下载 相关 举报
砌砖墙交底模板.docx_第1页
第1页 / 共6页
砌砖墙交底模板.docx_第2页
第2页 / 共6页
砌砖墙交底模板.docx_第3页
第3页 / 共6页
砌砖墙交底模板.docx_第4页
第4页 / 共6页
砌砖墙交底模板.docx_第5页
第5页 / 共6页
砌砖墙交底模板.docx_第6页
第6页 / 共6页
亲,该文档总共6页,全部预览完了,如果喜欢就下载吧!
资源描述

《砌砖墙交底模板.docx》由会员分享,可在线阅读,更多相关《砌砖墙交底模板.docx(6页珍藏版)》请在第壹文秘上搜索。

1、工程名称交底部位主体工程编号日期交底内容:砌砖墙本技术交底适用于一般豉混、外砌内模、有抗震构造柱的砖墙砌筑工程。1 .材料要求(1)豉:品种、强度等级必须符合设计要求,并有出厂合格证或试验单。清水墙的砖应色泽均匀,边角整齐。(2)水泥:品种与标号应根据砌体部位及所处环境选择,一般宜采用325号普通硅酸盐水泥或矿渣硅酸盐水泥。(3)砂子:中砂,配制M5以下砂浆所用砂子的含泥量不超过10%。M5及其以上砂浆的砂子含泥量不超过5%,使用前用5mm孔径的筛子过筛。(4)掺合料:白灰膏熟化时间不少于7d,严禁使用脱水硬化和冻结的石灰膏。(5)其它材料:木砖应刷防腐剂;墙体拉结钢筋及预埋件等。2 .主要机

2、具应备有搅拌机、手推车、磅秤、垂直运输设备,大铲、刨铸、瓦刀、扁子、托线板、线坠、小白线、卷尺、铁水平尺、皮数杆、小水桶、灰槽、砖夹子、省帚等。3 .作业条件(1)完成室外及房心回填土,安装好暖气盖板。(2)办完地基、基础工程隐检手续。(3)按标高抹好水泥砂浆防潮层。(4)弹好墙身线、轴线,根据现场砖的实际规格尺寸,再弹出门窗洞口位置线,经验线符合设计图纸的尺寸要求,办完预检手续。(5)按标高立好皮数杆,皮数杆的间距以1520m为宜。(6)砂浆由试验室做好试配,准备好试模。4 .操作工艺工艺流程:作业准备语浇水-A砂浆搅拌砌砖墙一(1)砖浇水:粘土砖必须在砌筑前一天浇水湿润,一-般以水浸入砖四

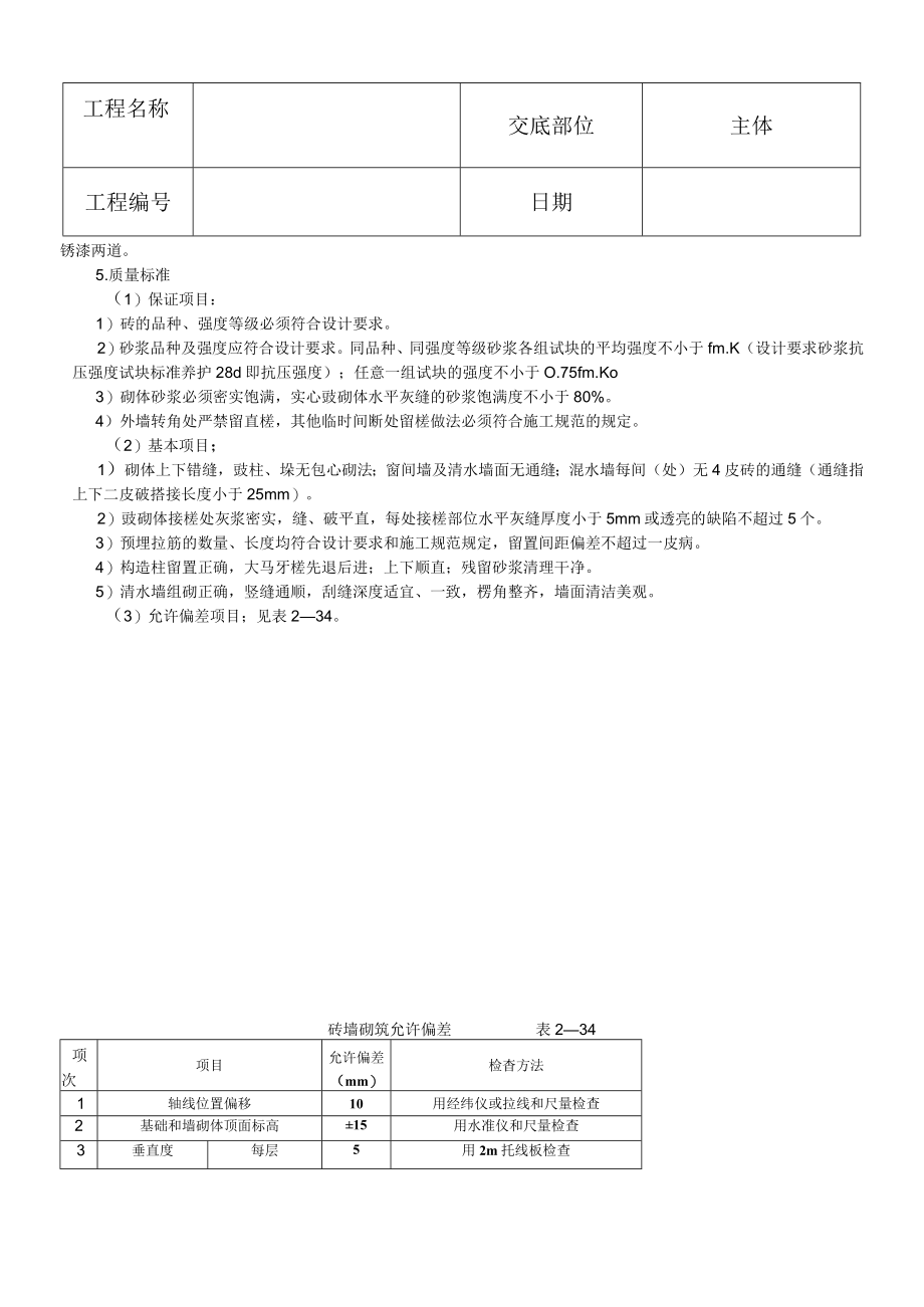
3、边1.5cm为宜,含水率为1015%,常温施工不得用干砖上墙;雨季不得使用含水率达到饱和状态的破砌墙;冬期浇水有困难,则必须适当增大砂浆稠度。(2)砂浆搅拌:砂浆配合比应采用重量比,计量精度水泥为2%,砂灰膏控制在5%以内。宜用机械搅拌,搅拌时间不少于1.5minIOm204表面平整度清水墙、柱5用2m靠尺和楔形塞尺检查混水墙、柱85水平灰缝平直度清水墙7拉IOm线和尺量检查混水墙106水平灰缝厚度(10皮嵇累计数)+8与皮数杆比较尺量检查7清水墙面游戊走缝20吊线和尺量检查,以底层第一皮砖为准8门窗洞口(后塞口)宽度+5尺量检查门口高度15-59预留构造柱载而10尺量检查10外墙上下窗Il偏

4、移20用经纬仪或吊线检查以底层窗II为准6.成品保护(1)墙体拉结筋,抗震构造柱钢筋,大模板混凝土墙体钢筋及各种预埋件、暖卫、电气管线等,均应注意保护,不得任意拆改或损坏。(2)砂浆稠度应适宜,砌墙时应防止砂浆溅脏墙面。(3)在吊放平台脚手架或安装大模板时,指挥人员和吊车司机要认真指挥和操作,防止碰撞刚砌好的砖他J同O(4)在高车架进料口周围,应用塑料薄膜或木板等遮盖,保持墙面洁净。(5)尚未安装楼板或层面板的墙和柱,当可能遇到大风时,应采取临时支撑等措施,以保证施工中的稳定性。7.应注意的质量问题(1)基础墙与墙错台:基础砖播底要正确,收退大方角两边要相等,退到墙身之前要检查轴线和边线是否正

5、确,如偏差较小可在基础部位纠正,不得在防潮层以上退台或出沿。(2)清水墙游戊走缝:排成时必须把立缝排匀,砌完一步架高度,每隔2m间距在戊依立楞处用托线板吊直弹线,三步架往上继续吊直弹粉线,由底往上所有七分头的长度应保持一致,上层分窗口位置时必须同下窗口保持垂直。(3)灰缝大小不匀:立皮杆要保证标高一致,盘角时灰缝要掌握均匀,砌砖时小线要拉紧,防止一层线松,一层线紧。(4)窗口上部立缝变活:清水墙排砖时,为了使窗间墙、垛排成好活,把破活排在中间位置,在砌过梁上第一行砖时,不得随意变动破活位置。(5)豉墙鼓胀:外豉内模墙体砌筑时,在窗间墙上,抗震柱两边分上中下留出6X12Cm通孔,抗震柱外墙面垫5

6、cm厚木板,用花篮螺栓与大模板连接牢固,混凝土要分层浇灌,振捣棒不可直接触及外墙。搂层圈梁外三皮12Cm砖墙也应认真加固。如在振捣时发现砖墙已鼓胀,则应及时拆掉重砌。(6)混水墙粗糙:舌头灰未刮尽,半头砖集中使用造成通缝;一砖厚墙背面偏差较大;破墙错层造成螺丝墙。半头砖要分散使用在较大的墙体上,首层或楼层的第一皮砖要查对皮数杆的标高及层高,防止到顶砌成螺丝墙,一砖厚墙采用外手挂线。工程名称交底部位主体工程编号日期(7)构造柱砌筑不符合要求:构造柱砖墙应砌成大马牙槎,设置好拉结筋从柱脚开始应先退后进,当齿深12Cm时上口一皮进6cm,再上一皮进12cm,以保证混凝土浇灌上角密实。构造柱内的落地灰

7、、豉渣杂物应清理干净防止夹渣。技术负责人:交底人:接交人:施工现场安全施工注意事项:1、施工人员进入施工现场前,必须要进行施工安全、消防知识的教育和考核工作,对考核不合格的职工,禁止进入施工现场参加施工。2、进入施工现场必须戴好安全帽,系好帽带,并正确使用个人劳动防护用品.3、严格执行操作规程,不得违章指挥和违章作业,对违章作业的指令有权拒绝并有责任制止他人违章作业。4、施工作业时必须正确穿戴个人防护用品,进入施工现场必须戴安全帽。不许私自用火,严禁酒后操作。5、穿拖鞋、高跟鞋、赤脚或赤膊不准进入施工现场。6、穿硬底鞋不得进行登高作业。7、在高空、钢筋、结构上作业时,一定要穿防滑鞋.8、现场用电,一定要有专人管理,同时设专用配电箱,严禁乱接乱拉,采取用电挂牌制度,尤其杜绝违章作业,防止人身、线路,设备事故的发生。9、电钻、电锤、电焊机等电动机具用电、配电箱必须要有漏电保护装置和良好的接地保

展开阅读全文
相关资源
猜你喜欢
相关搜索

当前位置:首页 > 建筑/环境 > 建筑图集

copyright@ 2008-2023 1wenmi网站版权所有

经营许可证编号:宁ICP备2022001189号-1

本站为文档C2C交易模式,即用户上传的文档直接被用户下载,本站只是中间服务平台,本站所有文档下载所得的收益归上传人(含作者)所有。第壹文秘仅提供信息存储空间,仅对用户上传内容的表现方式做保护处理,对上载内容本身不做任何修改或编辑。若文档所含内容侵犯了您的版权或隐私,请立即通知第壹文秘网,我们立即给予删除!