固定式起重机每月定期检查表.docx

上传人:p** 文档编号:276285 上传时间:2023-04-27 格式:DOCX 页数:2 大小:21.16KB
下载 相关 举报
固定式起重机每月定期检查表.docx_第1页
第1页 / 共2页
固定式起重机每月定期检查表.docx_第2页
第2页 / 共2页
亲,该文档总共2页,全部预览完了,如果喜欢就下载吧!
资源描述

《固定式起重机每月定期检查表.docx》由会员分享,可在线阅读,更多相关《固定式起重机每月定期检查表.docx(2页珍藏版)》请在第壹文秘上搜索。

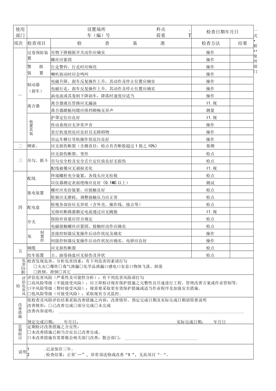
1、使用部门设置场所杵击车(编)号荷重T检查日期年月日项次检查项目检查基准检查方法结果过卷预防装置吊物下降极限开关动作应确实操作螺丝应紧固操作警报装置行走警铃,行走时应响亮操作喇叭按动时应会鸣叫操作制动器(刹车)电磁升降,刹车反复操作上升,其动作及停止位置应确实操作电磁行走,刹车反复操作上升,其动作及停止位置应确实操作涡电流或其卷制下降剁车,降落时速度应适当操作离合器离合器液压管路应无漏油I1.视离合器踏板间隙应排挡顺畅无异声测量他置其装护罩定位应良好I1.视传动系统应无异常声音操作直行轨道状况应良好且无障碍物操作吊运车横行导轨操作状况垃良好操作二钢索、应无损伤断裂(含测直径,检点有否断股超过1股

2、之10%)量测三吊勾、抓斗应无损伤断裂、变形检点吊勾安全栓及安全舌片定位放良好无损伤检点配线被覆应无剥损劣化I1.视四配线终端螺栓充分旋紧,各线头应无松脱检点以仪器测定表面绝缘应良好(0.1MC以上)测试集电装置螺丝应充份旋紧,应接触良好检点轮展应无磨耗,调整接触压力应正常检点配电盘检视各部份垃无异状(含外壳、操作线、接点等)检点无熔丝断路器额定电流通过应无跳脱I1.视开关保险丝容量应符合规定检点电磁接触螺丝应紧固,接触时动作应确实检点制置控装直接控制器反复操作后动作状况及确实操作间接控制器反复操作后动作状况应确实,电驿应良好操作五钢缆应无损伤断裂检点绞车装置主、副卷扬盘应无损伤及异状检点危害

3、分析检查发现危害,分析危害因素:有下列危害因素请打勾火灾爆炸毒气泄漏化学品泄漏口感电口室息口物体飞落、掉落跌倒、滑倒其它评估危害风险评估危害风险(严重性及可能性分析):有下列危害风险请打勾高风险等级(不能接受风险):应立即检讨现有保护措施之完整性且尽速进行工程、管理改善方案或作业管制等。口中风险等级(暂时接受风险):视需要采取更有效保护措施或适当作业程序及加强安全措施。低风险等级(可接受风险):采取现有方式监控。改善措施依检查及风险评估结果采取改善措施之内容:改善情形、预定完成日期及实际完成日期请简要说明改善情形:已改善完成部分完成未完成改善内容说明:预定完成日期:年月日;实际完成日期:年月日定期检讨定期检讨改善措施之合宜性:本改善措施已相当合宜且已改善完成。口本改善措施有需要敬会相关部门改善:散会部门:说明1 .记录保存三年。2 .检查结果:正常”,异常须送修或改善“X“,无此项目“-“。一式联使用部门存表号:规格:A4科长:检查人员:

展开阅读全文
相关资源
猜你喜欢
相关搜索

当前位置:首页 > 建筑/环境 > 铁路工程

copyright@ 2008-2023 1wenmi网站版权所有

经营许可证编号:宁ICP备2022001189号-1

本站为文档C2C交易模式,即用户上传的文档直接被用户下载,本站只是中间服务平台,本站所有文档下载所得的收益归上传人(含作者)所有。第壹文秘仅提供信息存储空间,仅对用户上传内容的表现方式做保护处理,对上载内容本身不做任何修改或编辑。若文档所含内容侵犯了您的版权或隐私,请立即通知第壹文秘网,我们立即给予删除!