S100-1B JZ15蠕动泵使用说明书.docx

上传人:p** 文档编号:283162 上传时间:2023-04-28 格式:DOCX 页数:6 大小:117.03KB
下载 相关 举报
S100-1B JZ15蠕动泵使用说明书.docx_第1页
第1页 / 共6页
S100-1B JZ15蠕动泵使用说明书.docx_第2页
第2页 / 共6页
S100-1B JZ15蠕动泵使用说明书.docx_第3页
第3页 / 共6页
S100-1B JZ15蠕动泵使用说明书.docx_第4页
第4页 / 共6页
S100-1B JZ15蠕动泵使用说明书.docx_第5页
第5页 / 共6页
S100-1B JZ15蠕动泵使用说明书.docx_第6页
第6页 / 共6页
亲,该文档总共6页,全部预览完了,如果喜欢就下载吧!
资源描述

《S100-1B JZ15蠕动泵使用说明书.docx》由会员分享,可在线阅读,更多相关《S100-1B JZ15蠕动泵使用说明书.docx(6页珍藏版)》请在第壹文秘上搜索。

1、S100-1B+JZ15蠕动泵使用说明书rSignal保定思诺流体科技有限公司地址保定市高开区锦绣街658号邮编071051电话400-0312-802技术支持传真网址HTTP:/邮箱1 .产品简介1.1 主要特点SlOoTB+JZ15蠕动泵最高转速IOOrPn1,流量范围为L0T20lin,分体式安装方式。分内控、外控两种控制方式,内控采用BCD拨码开关(共15档)不连续调节转速,外控通过OTOkHZ(或OTOv,0-5V,4-20mA)连续调节转速;开关量控制启停和方向。外形美观,体积小,操作简便直观,供电电源要求DClL4-25.2V范围均可以,适合OEM配套适用。1.2 产品构成1.3

2、 技术指标L31主要功能适用泵头:JZ15A(2滚轮泵头),JZ15B(4滚轮泵头)启停控制:可以控制启动和停止方向控制:正反方向可逆内控转速控制:BCD拨码开关调节外控转速控制:OTOkHZ脉冲控制(或0-5匕OToV,4-2OmA)1.3.2技术参数内控转速范围:5T00rpm,分档调节(具体见表2)外控转速范围:OTOOrpm,转速分辨率IrPnb全程线性对应转速误差:土士Pin启停停制:开关量控制:触点常开,蠕动泵运行;触点闭合(端口5与端口7短接),蠕动泵停止方向控制:开关量控制:触点常开,蠕动泵顺时针运行:触点常闭(端口6与端口7短接),蠕动泵逆时针运行适配软管:17#ffl:11

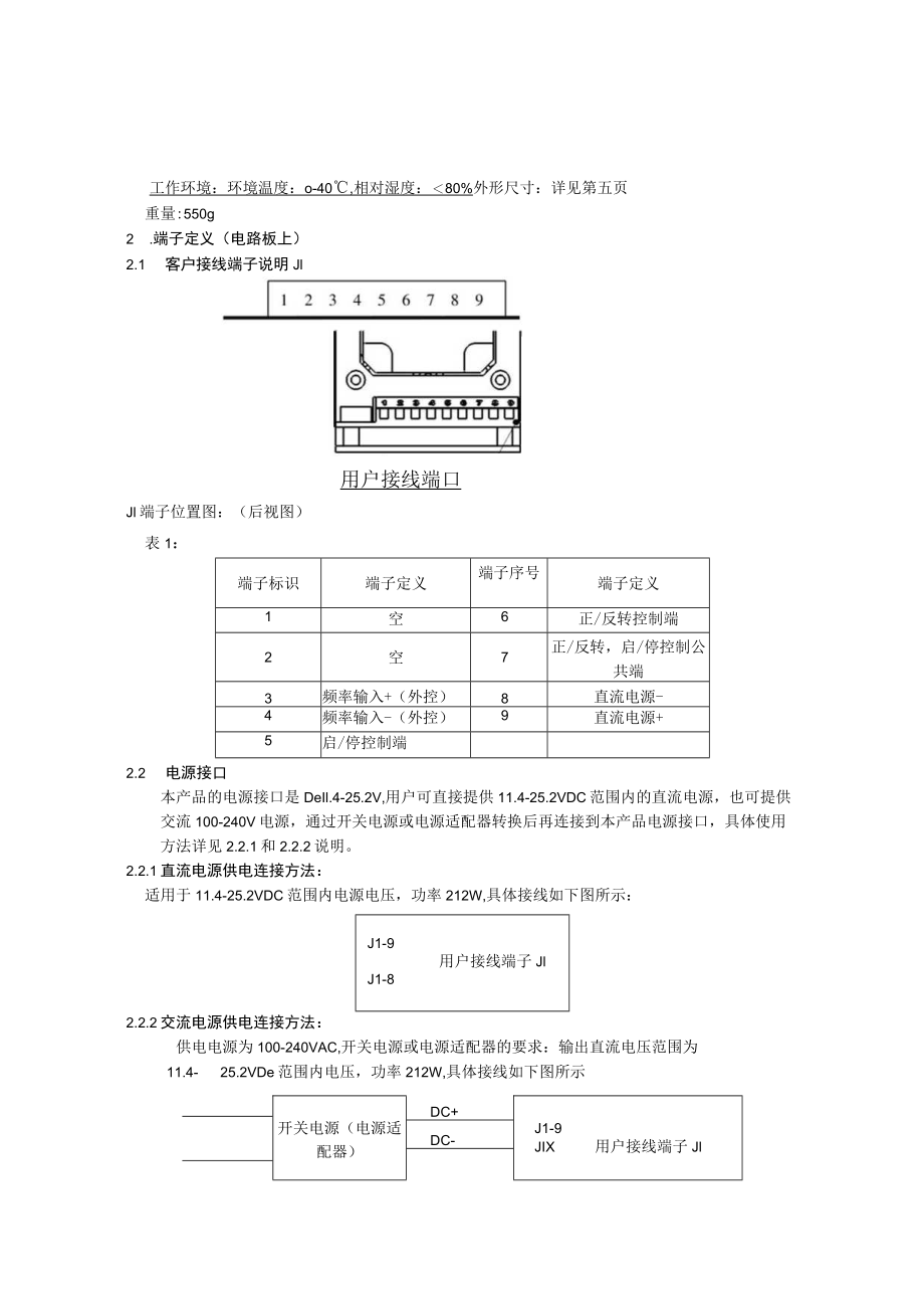
3、.4-25.2VDC;g10Q-240VAC(hdi)5060Hz消耗功率:W121工作环境:环境温度:o-40,相对湿度:80%外形尺寸:详见第五页重量:550g2 .端子定义(电路板上)2.1 客户接线端子说明Jl用户接线端口Jl端子位置图:(后视图)表1:端子标识端子定义端子序号端子定义1空6正/反转控制端2空7正/反转,启/停控制公共端3频率输入+(外控)8直流电源-4频率输入-(外控)9直流电源+5启/停控制端2.2 电源接口本产品的电源接口是DeIl.4-25.2V,用户可直接提供11.4-25.2VDC范围内的直流电源,也可提供交流100-240V电源,通过开关电源或电源适配器转

4、换后再连接到本产品电源接口,具体使用方法详见2.2.1和2.2.2说明。2.2.1直流电源供电连接方法:适用于11.4-25.2VDC范围内电源电压,功率212W,具体接线如下图所示:J1-9用户接线端子JlJ1-82.2.2交流电源供电连接方法:供电电源为100-240VAC,开关电源或电源适配器的要求:输出直流电压范围为11.4- 25.2VDe范围内电压,功率212W,具体接线如下图所示开关电源(电源适配器)DC+J1-9JIX用户接线端子JlDC-100-240VAC2.3BCD拨码开关说明BCD拨码开关设置对应表表2:控制模式BCD拨码开关位置转速(RPM)内控15210315420

5、525630735840945A50B60C70D80E90F100外控方式0通过外控信号调节转速3 .操作说明3.1 驱动器操作流程1 .1.1内控时操作流程首先,确定使用电源是否符合要求。然后,按照“表1”接好电源、控制线。最后,打开电源,按照“表2”调整到需要的转速。3 .L2外控时操作流程首先,确定使用电源是否符合要求,控制转速信号是否符合此型号蠕动泵。然后,按照端子定义接好电源、控制线、外控信号线。最后,BCD拨码开关拨到“0”位,打开电源、信号源,调整信号源到需要的转速3.2 泵头操作流程详见“JZ15泵头说明书”4 .用户安装图785 .产品维护长时间不运行时,应该将软管取出,避免长时间挤压软管使其变形。泵头的滚轮要保持清洁和干燥,否则会加快软管的磨损,缩短使用寿命。产品维修反馈卡如果产品出现问题,请致电本公司技术人员进行初步判断;若需要返厂维修,请填写此单,将此表沿虚线撕下附同产品一起返厂。谢谢您的合作I公司名称联系人联系方式故障现象描述:共台共台

展开阅读全文
相关资源
猜你喜欢
相关搜索

当前位置:首页 > 论文 > 医学论文

copyright@ 2008-2023 1wenmi网站版权所有

经营许可证编号:宁ICP备2022001189号-1

本站为文档C2C交易模式,即用户上传的文档直接被用户下载,本站只是中间服务平台,本站所有文档下载所得的收益归上传人(含作者)所有。第壹文秘仅提供信息存储空间,仅对用户上传内容的表现方式做保护处理,对上载内容本身不做任何修改或编辑。若文档所含内容侵犯了您的版权或隐私,请立即通知第壹文秘网,我们立即给予删除!