物业管理--高压清洗机操作规范.docx

上传人:p** 文档编号:316191 上传时间:2023-05-22 格式:DOCX 页数:2 大小:15.46KB
下载 相关 举报
物业管理--高压清洗机操作规范.docx_第1页
第1页 / 共2页
物业管理--高压清洗机操作规范.docx_第2页
第2页 / 共2页
亲,该文档总共2页,全部预览完了,如果喜欢就下载吧!
资源描述

《物业管理--高压清洗机操作规范.docx》由会员分享,可在线阅读,更多相关《物业管理--高压清洗机操作规范.docx(2页珍藏版)》请在第壹文秘上搜索。

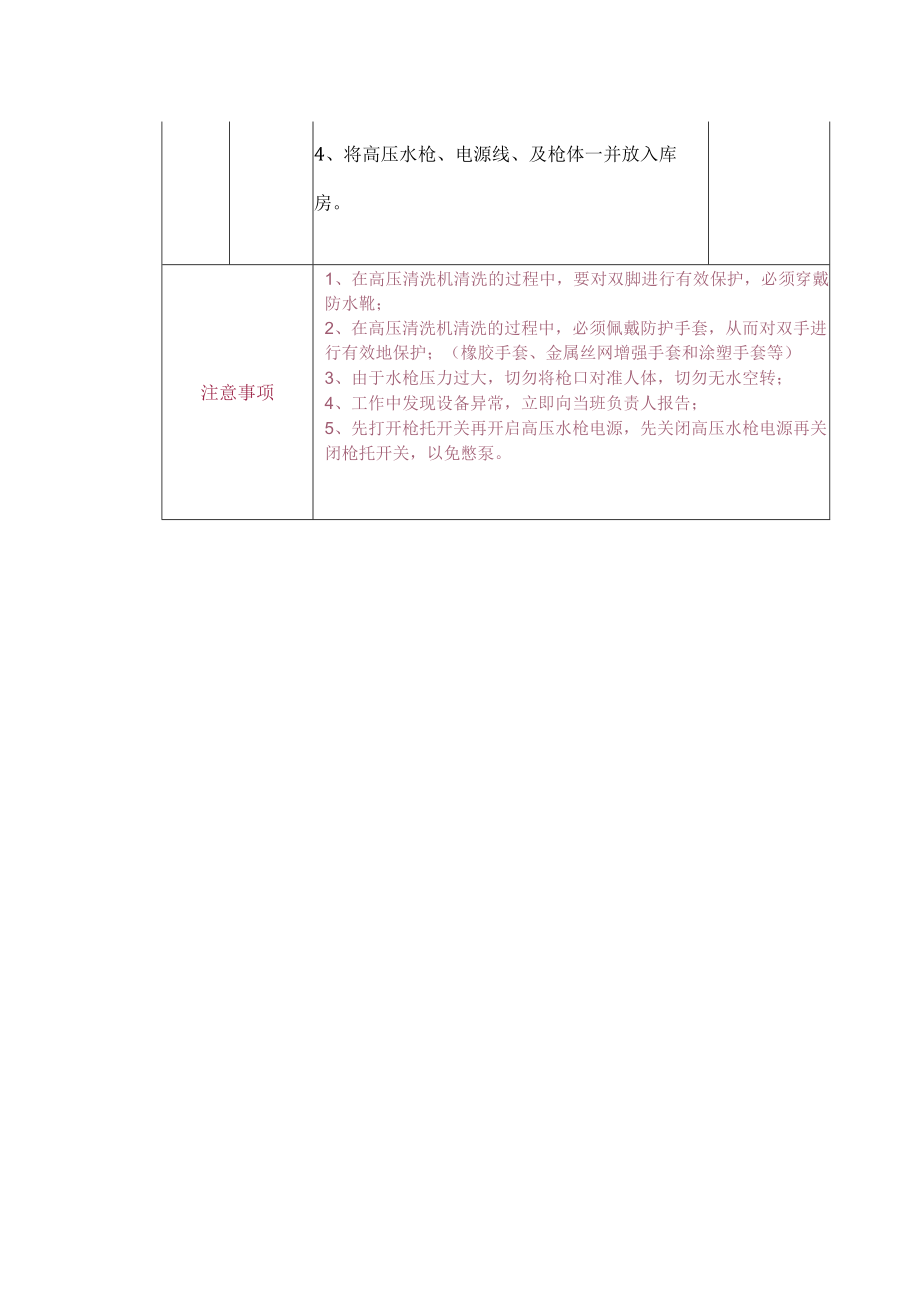
高压清洗机操作规范节点作业环-作业内容标准要求1检查1、检查高压水枪的电源线是否完好,有无破损;2、检查高压水枪的开关、喷水枪体、枪头是否完好、油位是否正常;3、检查高压水枪放置位置是否合理。能正常使用无泄漏2安装1、将枪、管与机身相连接;2、将水管与高压水枪进水口连接;3、电源连接:将高压水枪电源线与固定电源连接。电源匹离水源3操作1、拿好枪托打开枪托开关与水平面成45角对准冲洗物或地面,开启高压水枪电源,进行冲洗。2、冲洗过程中可调节调压阀调压旋钮来调节回水大小,从而调节出水压力。安全操作4结束1、先关闭电源、再关闭水源,取下电源线;2、取下水管及水枪;3、用毛巾将电源线、机器擦拭干净,收好电源线;机具设备干净4、将高压水枪、电源线、及枪体一并放入库房。注意事项1、在高压清洗机清洗的过程中,要对双脚进行有效保护,必须穿戴防水靴;2、在高压清洗机清洗的过程中,必须佩戴防护手套,从而对双手进行有效地保护;(橡胶手套、金属丝网增强手套和涂塑手套等)3、由于水枪压力过大,切勿将枪口对准人体,切勿无水空转;4、工作中发现设备异常,立即向当班负责人报告;5、先打开枪托开关再开启高压水枪电源,先关闭高压水枪电源再关闭枪托开关,以免憋泵。

展开阅读全文
相关资源
猜你喜欢
相关搜索

当前位置:首页 > 管理/人力资源 > 物业管理

copyright@ 2008-2023 1wenmi网站版权所有

经营许可证编号:宁ICP备2022001189号-1

本站为文档C2C交易模式,即用户上传的文档直接被用户下载,本站只是中间服务平台,本站所有文档下载所得的收益归上传人(含作者)所有。第壹文秘仅提供信息存储空间,仅对用户上传内容的表现方式做保护处理,对上载内容本身不做任何修改或编辑。若文档所含内容侵犯了您的版权或隐私,请立即通知第壹文秘网,我们立即给予删除!