混凝土灌注桩工程检验批平行检验记录.docx

上传人:p** 文档编号:318997 上传时间:2023-05-23 格式:DOCX 页数:3 大小:18.82KB
下载 相关 举报
混凝土灌注桩工程检验批平行检验记录.docx_第1页
第1页 / 共3页
混凝土灌注桩工程检验批平行检验记录.docx_第2页
第2页 / 共3页
混凝土灌注桩工程检验批平行检验记录.docx_第3页
第3页 / 共3页
亲,该文档总共3页,全部预览完了,如果喜欢就下载吧!
资源描述

《混凝土灌注桩工程检验批平行检验记录.docx》由会员分享,可在线阅读,更多相关《混凝土灌注桩工程检验批平行检验记录.docx(3页珍藏版)》请在第壹文秘上搜索。

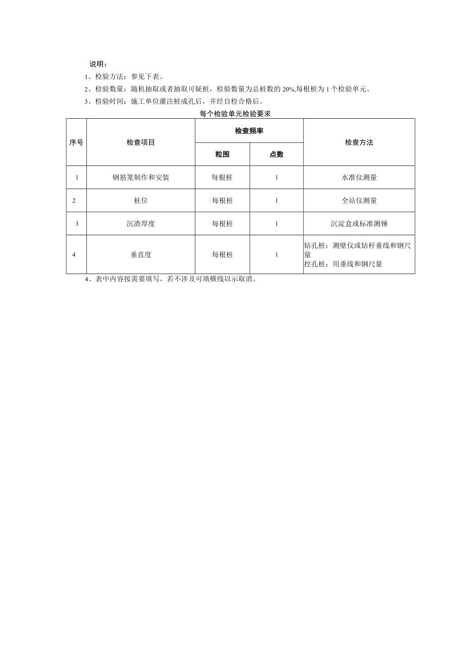
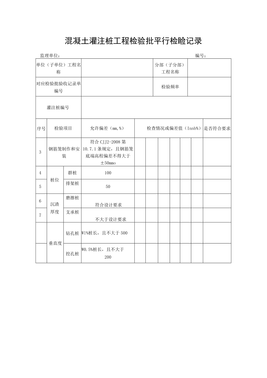
混凝土灌注桩工程检验批平行检睑记录监理单位:编号:单位(子单位)工程名称分部(子分部)工程名称对应检验批验收记录单编号检验频率灌注桩编号序号检验项目允许偏差(mm,%)检查情况或偏差值(Innb%)是否符合要求3钢筋笼制作和安装符合CJJ2-2008第10.7.1条规定,且钢筋笼底端高程偏差不得大于50mmo4桩位群桩1005排架桩506沉渣厚度磨擦桩符合设计要求7支承桩不大于设计要求垂直度钻孔桩Wl%桩长,且不大于500挖孔桩W0.5%桩长,且不大于200监理单位结论是否符合设计文件和相关规范要求: 是 否,下发监理通知书,要求施工单位整改。 其他,检查人员:专业监理工程师:年月日说明:1、检验方法:参见下表。2、检验数量:随机抽取或者抽取可疑桩,检验数量为总桩数的20%,每根桩为1个检验单元。3、检验时间:施工单位灌注桩成孔后,并经自检合格后。每个检验单元检验要求序号检查项目检查频率检查方法粒围点数1钢筋笼制作和安装每根桩1水准仪测量2桩位每根桩1全站仪测量3沉渣厚度每根桩1沉淀盒或标准测锤4垂直度每根桩1钻孔桩:测壁仪或钻杆垂线和钢尺量挖孔桩:用垂线和钢尺量4、表中内容按需要填写,若不涉及可填横线以示取消。

展开阅读全文
相关资源
猜你喜欢
相关搜索

当前位置:首页 > 建筑/环境 > 桩基础

copyright@ 2008-2023 1wenmi网站版权所有

经营许可证编号:宁ICP备2022001189号-1

本站为文档C2C交易模式,即用户上传的文档直接被用户下载,本站只是中间服务平台,本站所有文档下载所得的收益归上传人(含作者)所有。第壹文秘仅提供信息存储空间,仅对用户上传内容的表现方式做保护处理,对上载内容本身不做任何修改或编辑。若文档所含内容侵犯了您的版权或隐私,请立即通知第壹文秘网,我们立即给予删除!