牧星路东段(环港路——广牧路)建设工程--道路给水施工图设计说明.docx

上传人:p** 文档编号:323000 上传时间:2023-05-26 格式:DOCX 页数:9 大小:46.21KB
下载 相关 举报
牧星路东段(环港路——广牧路)建设工程--道路给水施工图设计说明.docx_第1页
第1页 / 共9页
牧星路东段(环港路——广牧路)建设工程--道路给水施工图设计说明.docx_第2页
第2页 / 共9页
牧星路东段(环港路——广牧路)建设工程--道路给水施工图设计说明.docx_第3页
第3页 / 共9页
牧星路东段(环港路——广牧路)建设工程--道路给水施工图设计说明.docx_第4页
第4页 / 共9页
牧星路东段(环港路——广牧路)建设工程--道路给水施工图设计说明.docx_第5页
第5页 / 共9页
牧星路东段(环港路——广牧路)建设工程--道路给水施工图设计说明.docx_第6页
第6页 / 共9页
牧星路东段(环港路——广牧路)建设工程--道路给水施工图设计说明.docx_第7页
第7页 / 共9页
牧星路东段(环港路——广牧路)建设工程--道路给水施工图设计说明.docx_第8页
第8页 / 共9页
牧星路东段(环港路——广牧路)建设工程--道路给水施工图设计说明.docx_第9页
第9页 / 共9页
亲,该文档总共9页,全部预览完了,如果喜欢就下载吧!
资源描述

《牧星路东段(环港路——广牧路)建设工程--道路给水施工图设计说明.docx》由会员分享,可在线阅读,更多相关《牧星路东段(环港路——广牧路)建设工程--道路给水施工图设计说明.docx(9页珍藏版)》请在第壹文秘上搜索。

1、道路给水施工图设计说明一.工程概况本工程为“牧星路东段(环港路一一广牧路)建设工程”。本次设计包括道路给水主管、排泥阀、排气阀井、预埋支管以及消火栓等附属构筑物。其中给水主管采用DN400球墨铸铁管,长约720米。二、上阶段意见及执行情况无。.设计相关规范及依据本次设计给水管道管径根据与双流区水务部门核实需配套供水管管径确定,本次道路给水管径按DN400设计。(1)市政公用工程设计文件编制深度规定建设部;(2)室外给水设计标准(GB50013-2018);(3)给水排水管道工程施工及验收规范(GB50268-2008);(4)城市工程管线综合规划规范(GB50289-2016);(5)城市给水

2、工程项目规范(GB55026-2022);(6)城乡排水工程项目规范(GB55027-2022):(7)消防给水及消火栓系统技术规范(GB50974-2014);(8)四川省市政工程消防设计技术审查要点(试行);(9)室外给水排水和燃气热力工程抗震设计规范GB50032-2003);(10)混凝土结构通用规范(GB55008-2021);(11)工程结构通用规范(GB55001-2021):(12)城市道路交通工程项目规范(GB55011-2021);(13)砌体结构通用规范(GB55007-2021);(14)建筑与市政地基基础通用规范(GB55003-2021);(15)成都市城市规划管理

3、技术规定(2022)市政分册;(16)消防设施通用规范(GB55036-2022);(17)其他相关国家规范标准;(18)工程设计合同;(19)相关道路设计图;地勘资料及地质情况(详见道路设计说明)。四.计量单位图中尺寸单位:管径、井径以亳米计,其余以米计。图中高程、坐标系统和里程桩号均与道路设计图相一致。图中道路设计地面标高指道路中心标高。道路交叉路口处设计地面标高以道路交叉口竖向设计图为准。五.管材及连接本次新建给水管管材均采用球墨铸铁管,K9级,承插接口。穿路供水管线及预留支管采用焊接钢管,穿路供水管线采用砂包封保护,以延长管道使用寿命。球墨铸铁管管材需满足水及燃气用球墨铸铁管、管件和附

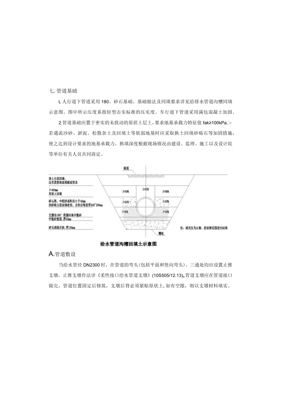
4、件(GB/T13295-2019)要求。本次设计给水管工作压力按LoMPa,设计管件公称压力1.6MPa0钢管采用焊接,与阀门、水表等管路附件采用法兰连接。本次过街用焊接钢管均采用单面焊接。焊缝等级应不低于二级,采用超声波检测法探伤。施工安装时,应符合给水排水管道工程施工及验收规范七.管道基础L人行道下管道采用180。砂石基础。基础做法及同填要求详见给排水管道沟槽同填示意图。图中所示压度系指轻型击实标准的压实度。车行道下管道采用满包混凝土加固。2.管道基础应置于密实的未扰动的原状土层上,要求地基承载力特征值fak100kPa,若遇流沙砂、淤泥、松散杂土及回填土等软弱地基时应采取换土回填砂砾石等

5、加固措施,使之达到设计要求的地基承载力。换填深度根据现场情况由建设、监理、施工以及设计院等单位有关人员共同商定。A.管道敷设当给水管径DN2300时,在管道的弯头(包括平面和竖向弯头)、三通处均应设置止推支墩,止推支墩作法详柔性接口给水管道支墩(10S505/12.13)o管道支墩应在管道接口做完,管道位置固定后修筑,支墩后背必须紧贴原状土,如有空隙,则以支墩材料填实。在管径DN2100(GB50268)的规定。六.钢管防腐钢管防腐处理如下:(1)钢管除锈:管内外壁均采用喷砂除锈达Sa2.5级。(2)钢管防腐采用标准a.埋地给水钢管水泥砂浆衬里技术标准T/CECS10-2019:b.涂覆涂料前

6、钢材表面处理表面清洁度的目视评定GB/T8923.1-2011;c.工业设备及管道防腐蚀工程施工质量验收规范GB50727-2011;d.埋地钢质管道阴极保护技术规范GB-T21448-2017;e.埋地钢制管道环氧煤沥青防腐层技术标准SY/T0447-2014o(3)钢管防腐处理钢管内外防腐前具备的条件应满足给水排水管道工程施工及验收规范“5.4钢管内外防腐”中满足施工前具备条件规定。钢管内防腐:除锈后采用IPN8710系列互穿网络底漆两道,面漆两道,即二底二面,漆膜厚度2200Um。钢管外防腐:采用环氧煤沥青涂料外防腐层构造,特加强级(六油二布)。在焊缝处两端各留出150Inm不做内外防腐

7、处理。待管道焊接后,补做焊缝处内外防腐。本次设计设计采用球墨铸铁管,出厂已做管道内外防腐预处理,钢管防腐处理为针对管件与过街钢管所做说明。4-2018)中相关要求。高分子复合材料井盖应符合聚合物基复合材料检查井盖(CJ/T211-2005)的行业标准和四川省工程建设地方标准四川省高分子复合材料检查井盖、水算技术规程(DB51/5057-2016)的要求.给水检查井井盖均采用700规格,并在井盖上进行明确标识“成岷水”。井内均设防坠网。踏步采用塑钢踏步。设于车行道和人行道下的井盖顶面与路面齐平,设于绿化带下的井盖顶面可高于地面0.3mO人行道采用隐形井盖,下层为高分子检查井盖,上层为不锈钢边框装

8、饰盖板,不锈钢边框装饰盖板做法详大样图。十.管道试压及冲洗消毒施工完毕后必须严格按照规范对管道进行水压试验及冲洗消毒。严禁用阀门作试压件。管道试压前应充分浸泡,有水泥砂浆衬里不少于48小时,无水泥砂浆衬里不少于24小时。水压试验长度不宜大于1000米,水压试验压力应符合给水排水管道工程施工及验收规范(GB5O268-2OO8)表10.2.10之规定:管材种类工作压力P(MP)实验压力(MP)钢管PP+0.5且不应小于0.9球墨铸铁管0.52P0.5P+0.5化学建材试验压力为工作压力P的1.5倍(且不小于0.8MPa),钢管试验压力为工作压力P+0.5(且不小于09MPa),球墨铸铁管实验压力

9、为工作的所有阀门井内的阀门下也应设置砖支墩。止推支墩以及拖拉墩根据现场情况具体设置,本设计未统计止推支墩及拖拉墩的工程量。弯道处给水铸铁管允许借转角进行借转。铸铁给水管需要配套适量的钢制管件(弯头、三通等)。九.附属构筑物消火栓设置间距不大于120m,选用SS150/65T.6(详见13S201/25)室外地上式消火栓。干管上阀门设置间距一般为400m,并遵守如下原则:当某一管段发生事故检修时,能迅速地关闭少数阀门隔断事故段,方便管道检修,且不会大范围地影响到用水。阀门靠近管网节点设置。与干管相接处的支管和消火栓均应设置阀门。检查井、阀门井详见07MSlOl国标图集。管径DN2300时,阀门选

10、用法兰式蝶阀,管径DNV300时,选用软密封闸阀,闸阀阀门井采用地面操作立式阀门井(详07MSlOl-2-14),蝶阀阀门井采用地面操作蝶阀阀门井(详07MS101-2-24)。为冲洗管道或放空管道进行检修,在管网低洼处设泄水阀;在管网隆起点上设复合排气阀,以在管道运行时排出管内空气。检查井井盖应符合检查井盖(GB23858-2009)标准:位于人行道、绿化带的检查井采用高分子复合材料井盖、井圈及井座,等级不低于B125级;车行道下检查井盖采用防坠落、防位移、防沉降、防盗、防噪音的新型五防球墨铸铁井盖,等级不低于D400级。球墨铸铁井盖应满足四川省地方标准球墨铸铁可调式防沉降检杳井盖安装及维护

11、技术规程(DB5101/T混凝土模板支撑工程:搭设5m及以上的混凝土模板支撑工程。(二)超过一定规模的危险性较大的分部分项工程范围深基坑工程开挖深度超过5m(含5m)的基坑(槽)的土方开挖、支护、降水工程。当基坑开挖深度23m时,应采取必要的支护措施,并注意:(1)施工前必须现场踏勘,准确摸清开挖基坑与地下管线及周边建筑物的相互关系;(2)除出土运输车辆外,基坑边IOm范围内不得停放施工重型车辆;(3)硅泵车停放位置处应做加强处理;(4)基坑开挖前应在现场准备一定数量的应急砂包等材料,发现异情后可采取卸土、回填等应急措施。(5)发生坑底隆起、坑底水平位移较大时,可采取PI填、坑内砂包反压措施。

12、(6)土方开挖期间,设专人定时检查边坡稳定情况,发现问题及时与设计人员联系以便及时处理;(7)未尽事项应参照现行有关规范与图集施工。(8)模板及支架应具有足够的承载力、刚度和稳定性,应能可靠地承受施工过程中所产生的各类荷载,模板不凹凸、支架不偏移、不扭曲。(9)安装和拆模应有专人指挥,并在下面标出作业区,暂停人员和车辆通过。拆模时,应按顺序逐块拆除,避免整体塌落;拆除顶板时,应设临时支撑确保安全作业。压力P+0.5o试压应做好堵板、后背、加压设备和进、排水管路等工作。管道分段试压合格后应对整条管道进行冲洗消毒。冲洗水应清洁,冲洗流速应大于lms,直至冲洗排放水与进水浊度一致。管道冲洗后应进行含

13、氯水浸泡消毒,用有效氯浓度不低于20mgl的清洁水浸泡24小时后,水质管理部门取样化验合格为止。十一.埋地管道抗震设计管道的连接对连续式管道钢管采用焊接,承插式给水管道采用橡胶圈柔性接口,以适应地震下的轴向变形。抗震设防烈度28度的地区不应采用刚性接口,7度区不宜采用刚性接口,确要采用时应采取抗震措施。管道穿越建(构)筑物墙壁或基础时,应设置套管并填以柔性材料,木次管道与井室洞孔之间采用双层密封胶圈连接。管周回填土均采用好土,密实度做严格控制。十二.危大工程根据中华人民共和国住房和城乡建设部危险性较大的分部分项工程安全管理规定(2018.3.28),结合本工程的实际情况,本工可能涉及危大工程的

14、重点部位和环节包括:(-)危险性较大的分部分项工程(1)基坑工程开挖深度超过3m(含3m)的基坑(槽)的土方开挖、支护、降水工程。(2)模板工程调整。5 .管道沿线应设置管道标志,埋地管道顶部上方应设置警示带。6 .设置市政消火栓的市政给水管网,平时运行工作压力应大于或等于O.14MPa,应保证市政消火栓用于消防救援时的出水流量大于或等于15Ls,供水压力(从地面算起)大于或等于0.10Mpa。7 .若遇其他具体问题,请及时与设计人员联系,现场与建设、监理及施工单位商定解决。十四,其它未尽事宜应按国家(地方)有关标准、规范的规定执行。当基坑开挖深度25m时,根据住建部令第37号(2018)文件

15、进行施工专项方案论证后方可施工。本说明中的施工要点只就设计认为的重点注意事项进行了说明,施工单位应当严格按照相应施工规范进行施工。其他未尽事项须按照相关施工及验收规范执行。施工中如发现现场情况与设计不符,应暂停施工,立即通知业主及设计单位。根据地勘资料场区黏土具有弱膨胀性,施工时应及时封闭坡面,并做好排水措施,确保施工安全。其它未尽事宜应严格按各现行相关规范及规定执行。+.注意事项L施工前应严格按照给排水管道工程施工及验收规范(GB50268-2008)做施工准备必须调查核实道路、排水管及其它管线或障碍物的位置、高程等基本资料,核实接管点的高程,若实际情况与设计图纸有矛盾,应在正式开工前提出并解决。若在施工期间出现因调查不清而未提前解决的实施障碍,由施工方负责提出解决方案,并经设计人员审核。2 .管道承口朝向施工前进的方向,管道两侧应同时均匀PI填,以免管道及构筑物发生位移。若需要分段施工时,应加强内业工作,严格控制管内底高程及管道设计纵坡。3 .图中给水管道桩号与道路桩号一致,给水管道放线以平面图尺寸进行定位放线,图中设计地面高程为管线所在位置的设计路面高程

展开阅读全文
相关资源
猜你喜欢
相关搜索

当前位置:首页 > 建筑/环境 > 给排水/暖通与智能化

copyright@ 2008-2023 1wenmi网站版权所有

经营许可证编号:宁ICP备2022001189号-1

本站为文档C2C交易模式,即用户上传的文档直接被用户下载,本站只是中间服务平台,本站所有文档下载所得的收益归上传人(含作者)所有。第壹文秘仅提供信息存储空间,仅对用户上传内容的表现方式做保护处理,对上载内容本身不做任何修改或编辑。若文档所含内容侵犯了您的版权或隐私,请立即通知第壹文秘网,我们立即给予删除!