表5.9.2 混凝土小型空心砖砌体工程 检验批质量验收记录.docx

上传人:p** 文档编号:333384 上传时间:2023-06-02 格式:DOCX 页数:2 大小:20.17KB
下载 相关 举报
表5.9.2 混凝土小型空心砖砌体工程 检验批质量验收记录.docx_第1页
第1页 / 共2页
表5.9.2 混凝土小型空心砖砌体工程 检验批质量验收记录.docx_第2页
第2页 / 共2页
亲,该文档总共2页,全部预览完了,如果喜欢就下载吧!
资源描述

《表5.9.2 混凝土小型空心砖砌体工程 检验批质量验收记录.docx》由会员分享,可在线阅读,更多相关《表5.9.2 混凝土小型空心砖砌体工程 检验批质量验收记录.docx(2页珍藏版)》请在第壹文秘上搜索。

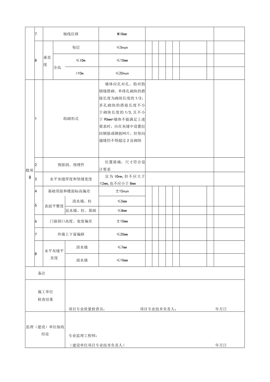
1、砌体工程混凝土小型空心砌块砌体工程检验批质量验收记录单位(子单位)工程名称分部(子分部)工程名称分项工程名称验收部位施工单位项目经理施工执行标准名称及编号专业工长(施工员)分包单位分包项目经理施工班组长检验项目质量标准施工单位自检记录监理(建设)单位验收记录主控项目1小砌块强度等级、龄期小砌块和砂浆的强度等级必须符合设计要求。施工时所用小砌块的产品龄期不应小于28d2砂浆品种强度等级和外加剂质量小砌块和砂浆的强度等级必须符合设计要求。凡在砂浆中掺入有机塑化剂、早强剂、缓凝剂、防冻剂等,均应经检验和试配符合要求后,方可使用。有机塑化剂应有砌体强度的型式检验报告3斜槎留置承重墙体严禁使用断裂小砌块

2、;小砌块应底面朝上反砌于墙上;墙体转角处和交接处应同时砌筑,临时间断处应砌成斜槎,斜槎水平投影长度不应小于斜槎的高度4洞口砌筑和补砌应在直槎上下搭砌的小砌块孔洞内用强度等级不低于C20(cb20)的混凝土灌实5砌体沿高度砖带及拉筋必须符合现行有关标准的规定6灰缝饱满度290%DUT5210.1-2012表5.9.2编号:7轴线位移WlOmm8垂直度每层5nun全高IOm10mm10m20nun般项Il1组砌形式墙体应孔对孔、肋对肋错缝搭砌。单排孔砌块的搭接长度为砌块长度的1/2;多孔砌块的搭接长度不小于砌块长度的1/3,且不小于90mm=墙体不能满足上述要求时,应在灰缝中设置拉结钢筋或钢筋网片,但竖向通缝仍不得超过2皮砌块2预留洞、预埋件位置准确,尺寸符合设计要求3水平灰缝厚度和竖缝宽度宜为IOnm,但不应大于12mm,也不应小于8mm4基础顶面和楼面标高偏差15nun5表面平整度清水墙、柱5mm昆水墙、柱、基础8mm6门窗洞口高度、宽度偏差10mm7外墙上下窗偏移20mm8水平灰缝平直度清水墙7mm混水墙10mm备注施工单位检查结果项目专业质量检查员:项目专业技术负责人:年月日监理(建设)单位验收结论专业监理工程师:(建设单位项目专业技术负责人)年月日

展开阅读全文
相关资源
猜你喜欢
相关搜索

当前位置:首页 > 建筑/环境 > 建筑图集

copyright@ 2008-2023 1wenmi网站版权所有

经营许可证编号:宁ICP备2022001189号-1

本站为文档C2C交易模式,即用户上传的文档直接被用户下载,本站只是中间服务平台,本站所有文档下载所得的收益归上传人(含作者)所有。第壹文秘仅提供信息存储空间,仅对用户上传内容的表现方式做保护处理,对上载内容本身不做任何修改或编辑。若文档所含内容侵犯了您的版权或隐私,请立即通知第壹文秘网,我们立即给予删除!