建筑安装符号大全.docx

上传人:p** 文档编号:348847 上传时间:2023-08-05 格式:DOCX 页数:23 大小:406.16KB
下载 相关 举报
建筑安装符号大全.docx_第1页
第1页 / 共23页
建筑安装符号大全.docx_第2页
第2页 / 共23页
建筑安装符号大全.docx_第3页
第3页 / 共23页
建筑安装符号大全.docx_第4页
第4页 / 共23页
建筑安装符号大全.docx_第5页
第5页 / 共23页
建筑安装符号大全.docx_第6页
第6页 / 共23页
建筑安装符号大全.docx_第7页
第7页 / 共23页
建筑安装符号大全.docx_第8页
第8页 / 共23页
建筑安装符号大全.docx_第9页
第9页 / 共23页
建筑安装符号大全.docx_第10页
第10页 / 共23页
亲,该文档总共23页,到这儿已超出免费预览范围,如果喜欢就下载吧!
资源描述

《建筑安装符号大全.docx》由会员分享,可在线阅读,更多相关《建筑安装符号大全.docx(23页珍藏版)》请在第壹文秘上搜索。

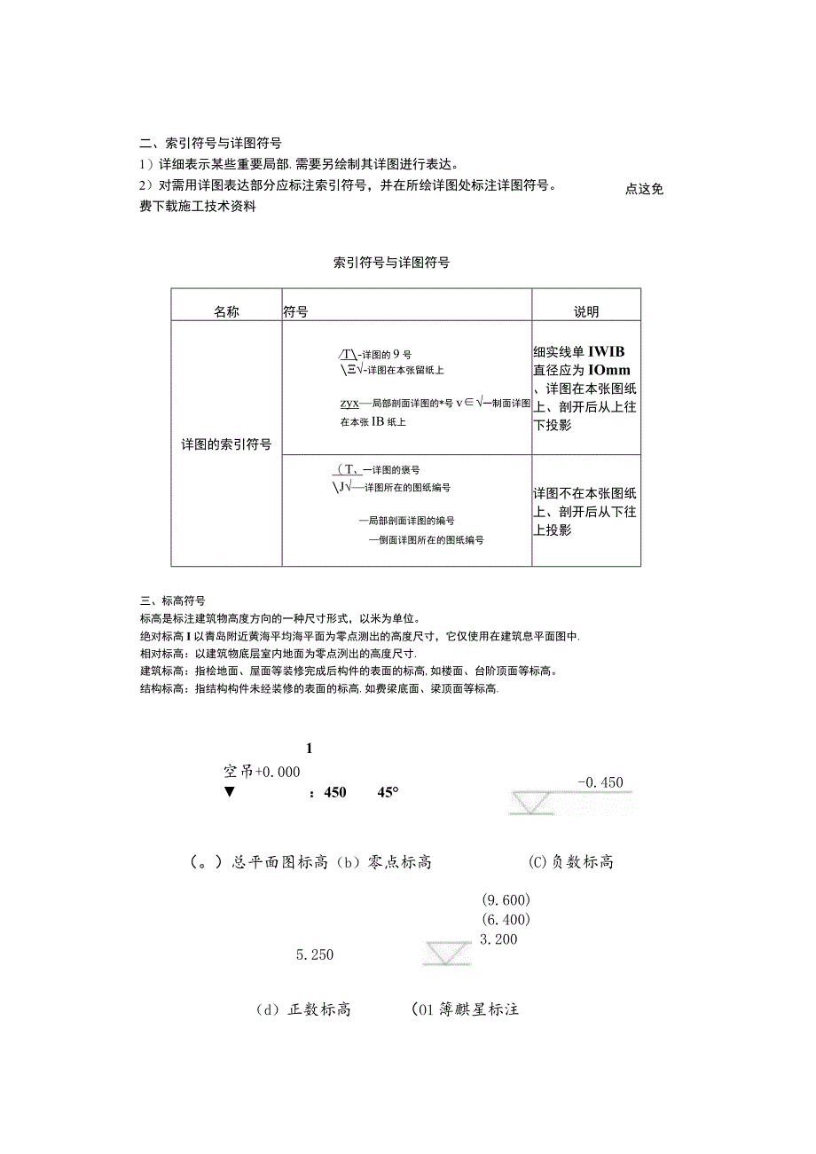
1、建筑施工图符号、图例大全施工图常用符号及图例:为了使房屋施工图的图面1、定位轴线qJ统一面整洁,制困标准对;常用的符号、图例画法做j了明确的规定.、2、索引符号与详图符号连接符号对称符号5、其他符号指比制与风玫瑰6.常用图例符号二折断符号速筑总平面图、逢路与铁路常用图例常用构造及配件图例常用耀筑材料图例一、定位轴线Ix作用定位轴线是施工中墙身砌筑、柱梁浇筑、构件安装等定位、放线的依据。规定I主要承重构件,应绘制水平和竖向定位轴线,并编注轴线号;对非承重墙或次要承重构件,编写附加定位轴线。2、定位轴线的编号D横向定位轴线编号用阿拉伯数字,自左向右顺序编写;2)纵向轴线编号用拉丁字母(除、O、Z)

2、,自下而上顺序编写。平面图上定位轴线的编号,宜标注在图样的下方与左侧。在两轴线之间,有的需要用附加轴线表示,附加轴线用分数编号.3)对于详图上的轴线编号,若该详图同时适用多根定位轴线,则应同时注明各有关轴线的编号,如下图所示。二、索引符号与详图符号1)详细表示某些重要局部.需要另绘制其详图迸行表达。2)对需用详图表达部分应标注索引符号,并在所绘详图处标注详图符号。费下载施工技术资料点这免名称符号说明详图的索引符号T-详图的9号-详图在本张留纸上zyx局部剖面详图的*号v一制面详图在本张IB纸上细实线单IWIB直径应为IOmm、详图在本张图纸上、剖开后从上往下投影(T、一详图的褒号J详图所在的图

3、纸编号局部剖面详图的编号倒面详图所在的图纸编号详图不在本张图纸上、剖开后从下往上投影索引符号与详图符号三、标高符号标高是标注建筑物高度方向的一种尺寸形式,以米为单位。绝对标高I以青岛附近黄海平均海平面为零点测出的高度尺寸,它仅使用在建筑息平面图中.相对标高:以建筑物底层室内地面为零点洌出的高度尺寸.建筑标高:指桧地面、屋面等装修完成后构件的表面的标高,如楼面、台阶顶面等标高。结构标高:指结构构件未经装修的表面的标高.如费梁底面、梁顶面等标高.1空吊+0.000:45045-0.450(。)总平面图标高(b)零点标高5.250(C)负数标高(9.600)(6.400)3.200(d)正数标高(O

4、1簿麒星标注标高符号及标高数字的注写匕条号/结沟圈四、引出线五、其他符号I、连接符号:对于较长的构件,当其长度方向的形状相同或按一定规律变化时,可断开绘制,断开处应用连接符号表示。连接符号为折断线(细实线),并用大写拉丁字母表示连接编号。2、折断符号D直线折断:当图形采用直线折断时,其折断符号为折断线,它经过被折断的图面。2)曲线折断:对图形构件的图形折断,其折断符号为曲线。I I(Q)直线折断(b)曲线折断*MSSS3、对称符号当房屋施H图的图形完全对称时,可只画该图形的一半,并画出对称符号,以节省图纸篇幅。(b)(CT)4、指北针在总平面图及底层建筑平面图上,f都画有指北针,以指明建筑物的

5、朝向。5、风向频率玫瑰图用来表示该地区常年的风向频率和房屋的朝向。风的吹向是指从外吹向中心。实线范围表示全年风向频率,虚线范围表示夏季风向频率。风(向频率)玫瑰图北全年静风频率用八或十六个罗盘方 向定位,是指从外面吹 向地区中心的。其中: 粗实线表示全年平均 风向:虚线表示夏季 平均风向;细实线 表示冬季平均风向; 风向为从外指向中心。风(向频率)玫瑰图(1)风(向玫瑰)频率图2)6、坡度在施工图中对倾斜部分的标注,通常用坡度(斜度)来表示,当坡度方向不明显时,在坡度的数字下面应加注坡度符号,坡度符号一般指向下坡方向。1)坡度较大时采用2)坡度一般时采用3)坡度平坦且坡度方向不明显时采用4)道

6、路及路面的坡度标志5)首道的坡度标志六、常用图例符号1、建筑总平面图图例建筑总邛面图图例*EDMi注IIl.1.Xf9tn.可用!不由入口,町在BJ*内右上角用点IBrIR幽与水层融2.窿黄物外M用相示r三B7ta(BaMffl中求示.地面以下建t1用金用理手三vmsI用竭实收表示i+tr三0三am:J用中由0级表示执斯SariC物尾iH实饯赛示*0:窿就也下面SilaI:十:.二UuiT1tr敢伏材口天墙场需要时可注财以名称幡天作我X架空索道-4F-T为支架位置斜城卷扬机道,机+l-斜城根希(戊帝鼐等)-懈实战袅示支架中心畿位1e,一坐标Xl(LSJX)ZY12(M上图表示函量坐标下8派K工

7、坐A05.(X)B25.原离道龄计划Ir建的道品幽的谟龄一-TAffW-1I-三m石道焉113.0.1构看及配件图例应符合及3.0.I的墟定.3.01构造及配件图例序号SaB例备性1埴体I上朋为外0.下册为内2外*1flHA入木有保层或,某壮3应B拄文字或旅色或国泉填充表示善修材、的修体S在番层年面图中防火墙H以物!t!E室博充我示1断1 .加注文字或除色RBBM埴光表不善仲M忖的立质新.2 .通用于Ilnl与不黑E隔勘.S避通幕“墙龙骨是否表示由MHiQ计决定4栏杆一5幡慢-m!M!l1 .二图为M星幡”牛面.中图为中【明星修懦-ar.下图为北屋幡平面2 .需吸,巾技手Jtt中间核手时,应在

8、图中*示工条号/结沟圈PPP1续表3.0.1序号g称图例备注I长坡道=C=6道I,上00为两侧重亶的门口坡遭,中图为有t1,11-U_Lt-.JU档*的门口坡道,下图为两恻线城的门口堆遣II7台阶L-Lr1.11IJ=8平面高差T=三=用于离善小的地面或楼面交接处.希底耳门的开启方向协调FX.9检杳口区1-JII一、左图为可见恰杳口,右IS为不可见植备口10孔洞rr阴账部分亦BT填充灰及取潦色代11帆懵O工名号/结构圈叶与你KM务窿12*1Z.I,x*a4打三,1 上HB一僧幽。.下HB为预做也2 WUlm槽)中心Je位3 MH中。定位-二以色国机Ml体和懵m13地汽上国力推”!快地由.下BB

9、K无僮根咽通l(*iMJMl14m三三Sa7.R1.阴影三分赤町色代,3.6通.贝OtgHW力0问1才料KI,通区堆Itt3.风4!Hlle*0c不JBUJg的内村15风S三三3三l断Ie的HlfC*LLSJI1117改时wrM*WIlBl11I-R三M三.S?=*哂鸵*现戈冬号/结构圈缕表3.0.1序名*F各拄左(5填的科 41不开或双WrI双层扁中开C1 .门的名体代号用入示2 .中面图中.下为外.上方内C开后线为90 . 60 45-3 .立InB中.开JBttl实线为外开.鼻缘为内 开.开启隙交角的一使1为安合贡一俐.开 启纹在崖筑立面图中可不表示.在立面大经 图中可根掳襦要绘出4 .

10、削置图中.左为外,右为内5.1HflO纱扇应以文字说小.在.立.r HE中均不表示6.立面雨式应按案际情况事1生信号/结构圈较表3.0.1 rm M面杆9M开 Jm *nM双面阡。XX4RteMXXfWJFJX2WM)In fcA :二 F*zy1. :的包。代号网 改 K2. WWH5下内外.上为内r开。线为9(.60- 4ti3. WB5.开修灰蝮为外开.最为内 开.开白曰文布%一翎|力安统合费一(M开 西 ft在it双立MJflB中可不求彳,在立!B大杵 SvK * th4.IHflB国中左方外,石为内 5附加”皮以文字说0 在一立、IKtK 国中均不赛出6.立阖一大应WE女除1次除M国

11、中立面国填充灰崖城冷色1.UbJ名一代号用N上乎2千皿国中.FK上RK3.立函as中.开er找实e为处开西纹为内开.H白幢文用的剜k安冷口一|.4.B40DHB中.左力”车力内5.口*%不且lMC*正惶例序号名曾3备注28懵打门W1 .门的名小代号用表示2 .平面图中,下为第.上为内门开6线为90。.60-XL45*3 .立窿国中.开电线实线为外开.由蝮为内齐开的税文翕的他方安装台IHR.开电线在建筑立面图中可不表示.在室内设计立面大样图中R根据熟宴绘出4 .酎蜃33中.左为外,右为内5 .立面形式应按实保情况维制29门连面Cr_.可续表3.0.1提升J1.C的名标代号用?Cn2立圃附式施修宴标Al双蛭制34分V提开门I三续表3.0.11 .Ir的名代勺田c&示2 千3M3B中下方”上为内3*fl11BB中.开三!级女歧力夕卜开.lft力内开开。栈交用*-AH为我转合贡禽.开日歧在爱欢立面国中可不衣水.在Cer立3B大杵曲中W绘HI4 .三面38中.左力外.三力内0我仅衣云开电方向收:,&讳不表不5 SWte妙三T(S以文咚说,用.在乎、立、J3BHB中场4、五示工学号/经勾圈6 .立面器式瓜花实际懵况坨IM续表30.148 平推箱1.窗的名称代号用C衰示2 .立面形式应按实

展开阅读全文
相关资源
猜你喜欢
相关搜索

当前位置:首页 > 建筑/环境 > 建筑图集

copyright@ 2008-2023 1wenmi网站版权所有

经营许可证编号:宁ICP备2022001189号-1

本站为文档C2C交易模式,即用户上传的文档直接被用户下载,本站只是中间服务平台,本站所有文档下载所得的收益归上传人(含作者)所有。第壹文秘仅提供信息存储空间,仅对用户上传内容的表现方式做保护处理,对上载内容本身不做任何修改或编辑。若文档所含内容侵犯了您的版权或隐私,请立即通知第壹文秘网,我们立即给予删除!