[混凝土结构(构件)]钢筋(连接及安装)检验批质量验收记录表(Ⅱ).docx

上传人:p** 文档编号:374106 上传时间:2023-08-06 格式:DOCX 页数:1 大小:18.97KB
下载 相关 举报
[混凝土结构(构件)]钢筋(连接及安装)检验批质量验收记录表(Ⅱ).docx_第1页
第1页 / 共1页
亲,该文档总共1页,全部预览完了,如果喜欢就下载吧!
资源描述

《[混凝土结构(构件)]钢筋(连接及安装)检验批质量验收记录表(Ⅱ).docx》由会员分享,可在线阅读,更多相关《[混凝土结构(构件)]钢筋(连接及安装)检验批质量验收记录表(Ⅱ).docx(1页珍藏版)》请在第壹文秘上搜索。

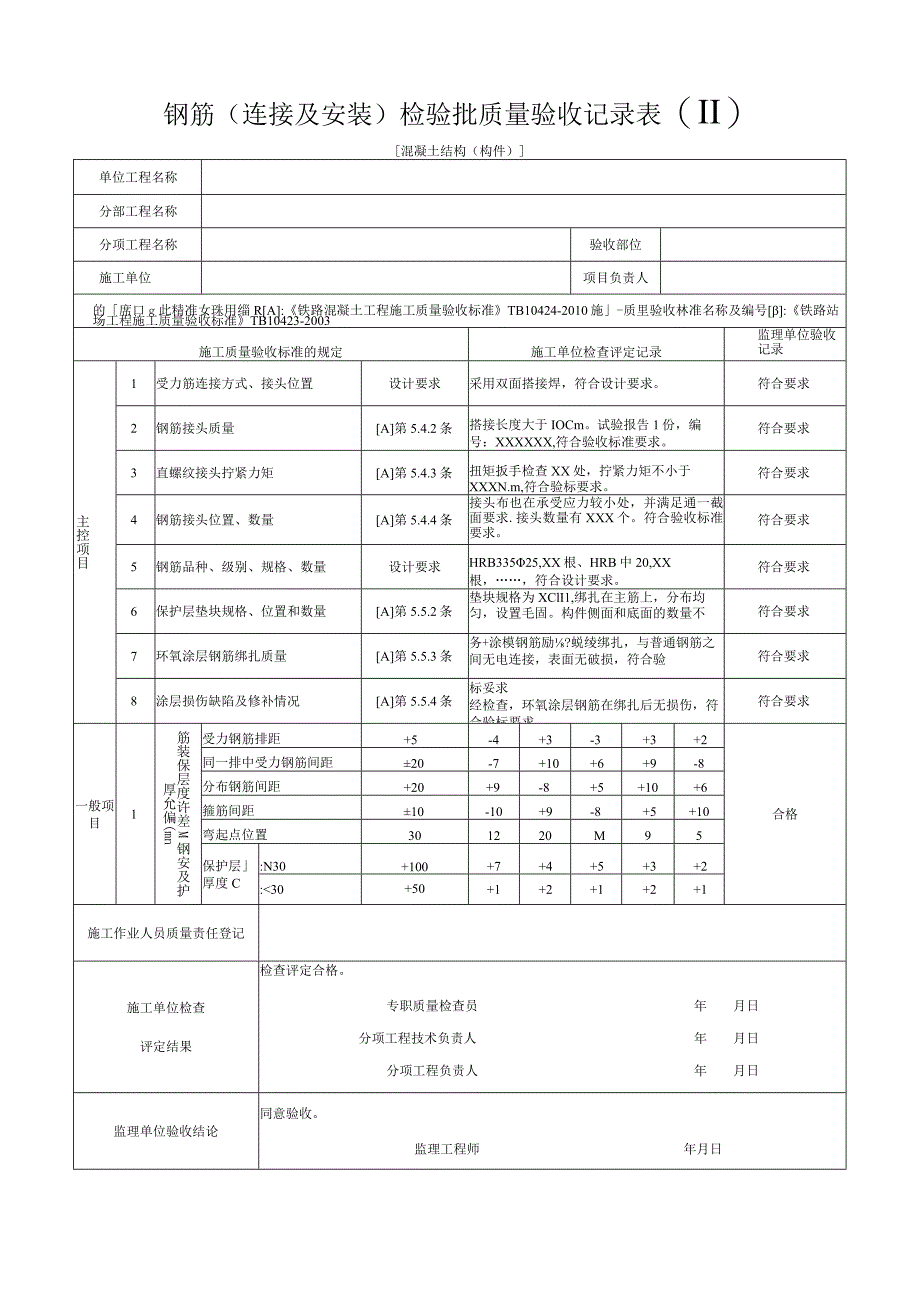
1、钢筋(连接及安装)检验批质量验收记录表(II)混凝土结构(构件)单位工程名称分部工程名称分项工程名称验收部位施工单位项目负责人的席口g此精准女珠用缁RA:铁路混凝土工程施工质量验收标准TB10424-2010施-质里验收林准名称及编号:铁路站场工程施工质量验收标准TB10423-2003施工质量验收标准的规定施工单位检查评定记录监理单位验收记录主控项目1受力筋连接方式、接头位置设计要求采用双面搭接焊,符合设计要求。符合要求2钢筋接头质量A第5.4.2条搭接长度大于IOCm。试验报告1份,编号:XXXXXX,符合验收标准要求。符合要求3直螺纹接头拧紧力矩A第5.4.3条扭矩扳手检查XX处,拧紧力

2、矩不小于XXXN.m,符合验标要求。符合要求4钢筋接头位置、数量A第5.4.4条接头布也在承受应力较小处,并满足通一截面要求.接头数量有XXX个。符合验收标准要求。符合要求5钢筋品种、级别、规格、数量设计要求HRB33525,XX根、HRB中20,XX根,符合设计要求。符合要求6保护层垫块规格、位置和数量A第5.5.2条垫块规格为XClI1,绑扎在主筋上,分布均匀,设置毛固。构件侧面和底面的数量不符合要求7环氧涂层钢筋绑扎质量A第5.5.3条务+涂模钢筋励?蜕绫绑扎,与普通钢筋之间无电连接,表面无破损,符合验符合要求8涂层损伤缺陷及修补情况A第5.5.4条标妥求经检查,环氧涂层钢筋在绑扎后无损伤,符合验标要求。符合要求一般项目1筋装保层度许差M钢安及护厚允偏(mn受力钢筋排距+5-4+3-3+3+2合格同一排中受力钢筋间距20-7+10+6+9-8分布钢筋间距+20+9-8+5+10+6箍筋间距10-10+9-8+5+10弯起点位置301220M95保护层厚度C:N30+100+7+4+5+3+2:30+50+1+2+1+2+1施工作业人员质量责任登记施工单位检查评定结果检查评定合格。专职质量检查员年月日分项工程技术负责人年月日分项工程负责人年月日监理单位验收结论同意验收。监理工程师年月日

展开阅读全文
相关资源
猜你喜欢
相关搜索

当前位置:首页 > 建筑/环境 > 钢结构

copyright@ 2008-2023 1wenmi网站版权所有

经营许可证编号:宁ICP备2022001189号-1

本站为文档C2C交易模式,即用户上传的文档直接被用户下载,本站只是中间服务平台,本站所有文档下载所得的收益归上传人(含作者)所有。第壹文秘仅提供信息存储空间,仅对用户上传内容的表现方式做保护处理,对上载内容本身不做任何修改或编辑。若文档所含内容侵犯了您的版权或隐私,请立即通知第壹文秘网,我们立即给予删除!