设备巡检表2.docx

上传人:p** 文档编号:377505 上传时间:2023-08-06 格式:DOCX 页数:2 大小:17.81KB
下载 相关 举报
设备巡检表2.docx_第1页
第1页 / 共2页
设备巡检表2.docx_第2页
第2页 / 共2页
亲,该文档总共2页,全部预览完了,如果喜欢就下载吧!
资源描述

《设备巡检表2.docx》由会员分享,可在线阅读,更多相关《设备巡检表2.docx(2页珍藏版)》请在第壹文秘上搜索。

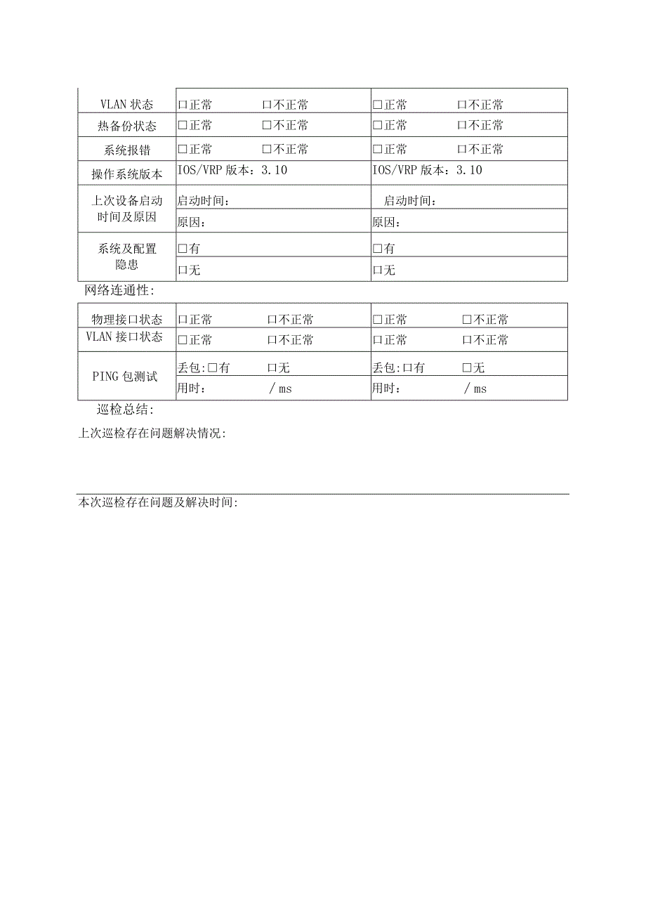
1、设备巡检表巡检工程师巡检日期开始时间:年月B结束时间:年月0机房环境:机房地址号展厅西面号展厅东面温度口正常不正常具体温度:正常口不正常具体温度:湿度正常口不正常具体湿度:正常口不正常具体湿度:电源口正常口不正常具体电压广220V正常口不正常具体电压广220V巡检设备设备名称:网络交换机;监控交换机设备名称:网络交换机;监控交换机编号:192.168.12.;192.168.2.编号:192.168.12.;192.168.2.硬件外观检查:冗余电源灯口正常(无)口不正常正常(无)口不正常系统指示灯口正常(绿,不闪烁)口不正常口正常(绿,不闪烁)口不正常电源指示灯口正常(绿,不闪烁)口不正常口

2、正常(绿,不闪烁)口不正常接口卡指示灯口正常(绿)口不正常正常(绿)口不正常电源连接正常口不正常正常口不正常系统检查:日志检查近期有无故障记录:无有近期有无故障记录:无口有CPU利用率未满已满具体利用率:未满已满具体利用率:内存利用率未满已满具体利用率:未满已满具体利用率:缓存利用率口未满口已满具体利用率:口未满口已满具体利用率:板卡状态口正常口不正常口正常口不正常Flash状态口正常口不正常正常口不正常电源状态电压:口正常口不正常电压:口正常口不正常温度:口正常口不正常温度:口正常口不正常路由表状态正常口不正常正常口不正常VLAN状态口正常口不正常正常口不正常热备份状态正常不正常正常口不正常系统报错正常不正常正常口不正常操作系统版本IOS/VRP版本:3.10IOS/VRP版本:3.10上次设备启动启动时间:启动时间:时间及原因原因:原因:系统及配置有有隐患口无口无网络连通性:物理接口状态口正常口不正常正常不正常VLAN接口状态正常口不正常口正常口不正常PING包测试丢包:有口无丢包:口有无用时:ms用时:ms巡检总结:上次巡检存在问题解决情况:本次巡检存在问题及解决时间:

展开阅读全文
相关资源
猜你喜欢
相关搜索

当前位置:首页 > 汽车/机械/制造 > 设备维修与保养

copyright@ 2008-2023 1wenmi网站版权所有

经营许可证编号:宁ICP备2022001189号-1

本站为文档C2C交易模式,即用户上传的文档直接被用户下载,本站只是中间服务平台,本站所有文档下载所得的收益归上传人(含作者)所有。第壹文秘仅提供信息存储空间,仅对用户上传内容的表现方式做保护处理,对上载内容本身不做任何修改或编辑。若文档所含内容侵犯了您的版权或隐私,请立即通知第壹文秘网,我们立即给予删除!