广东省皮具箱包产品质量监督抽查实施细则.docx

上传人:p** 文档编号:428814 上传时间:2023-08-24 格式:DOCX 页数:7 大小:50.87KB
下载 相关 举报
广东省皮具箱包产品质量监督抽查实施细则.docx_第1页
第1页 / 共7页
广东省皮具箱包产品质量监督抽查实施细则.docx_第2页
第2页 / 共7页
广东省皮具箱包产品质量监督抽查实施细则.docx_第3页
第3页 / 共7页
广东省皮具箱包产品质量监督抽查实施细则.docx_第4页
第4页 / 共7页
广东省皮具箱包产品质量监督抽查实施细则.docx_第5页
第5页 / 共7页
广东省皮具箱包产品质量监督抽查实施细则.docx_第6页
第6页 / 共7页
广东省皮具箱包产品质量监督抽查实施细则.docx_第7页
第7页 / 共7页
亲,该文档总共7页,全部预览完了,如果喜欢就下载吧!
资源描述

《广东省皮具箱包产品质量监督抽查实施细则.docx》由会员分享,可在线阅读,更多相关《广东省皮具箱包产品质量监督抽查实施细则.docx(7页珍藏版)》请在第壹文秘上搜索。

1、广东省皮具箱包产品质量监督抽查实施细则1范围本细则适用于对广东省皮具箱包产品的质量监督抽查工作。本细则内容包括产品分类、术语和定义、企业规模划分、检验依据、抽样、检验要求、判定原则、异议处理复检。2产品分类2.1产品分类及代码产品分类及代码见表1。表1产品分类及代码产品分类隶属小类行业小类产品详细产品分类代码19231903031分类名称皮箱、皮包(袋)制造背提包等背提包、旅行箱包、票夹和皮腰带2.2产品种类皮具箱包产品包括背提包、旅行箱包、票夹和皮腰带。3术语和定义本细则中未列出的术语和定义同相关引用标准。4企业规模划分依据皮具箱包产品德业的实际状况,生产企业规模以产品年销售额为标准划分为大

2、、中、小型企业。见表2。表2企业规模划分企业规模大型企业中型企业小型企业销售额/万元300003000-30000300-3000注:年销售额包括该类产品的内销和外销总额。5检验依据检测标准应以国家强制性标准和企业在产品或者其包装上注明采纳的产品标准为准。如明示采纳的产品标准是企业标准,则须向标称生产企业索要产品执行标准,并明确告知生产企业,如不供应企业标准,则按本细则中相应的产品标准判定,且检验后果由企业自负。检验依据如下:GB 20400-2006皮革和毛皮有害物质限量QB/T 1333-2010背提包QB/T 1618-2006皮腰带QB/T 1619-2006票夹QB/T2155-20

3、10旅行箱包国家质检总局第13号令产品质量国家监督抽查管理方法经备案现行有效的企.业标准及产品明示质量要求。6抽样6.1 抽样型号或规格抽取相同型号或规格、相同颜色的产品,优先抽取企业的主导产品。6.2 抽样方法、基数及数量在企业的成品库内、生产线末端或市场随机抽取经企业检验合格或以任何方式表明合格的产品。所抽取产品应为同品种、同款式、同颜色、同货号、同生产批次。在生产领域或流通领域抽样时,抽样基数满意抽样数量即可。抽取样品数:5个,其中3个作为检验样品,其余2个作为备用样品封存于检测机构。注:备用样品仅是指被抽查单位或者经过确认了样品的生产企业对检验结果提出异议,须要对不合格项目进行复检时采

4、纳的样品。6.3 样品处置抽取样品后,由抽样人员签封。封样时,应当有防拆封措施,以保证样品的真实性。检验样品及备用样品应分别封样,抽样人员负责将抽取的样品(含备样)送达指定的检验机构,在送样过程中不得损坏样品的密封和防拆封状态,检验用样品及备用样品应保存在检验机构。6.4抽样单6. 4.1应按有关规定填写抽样单,并记录被抽查产品及企业相关信息。同时记录被抽查企业上一年度生产的产品销售总额,以万元计。若被抽查企业上一年未生产此类产品,则记录本年度已实际生产此类产品的销售总额,并加以注明。7. 4.2应填写产品质量等级,若产品标签上未标注产品质量等级,由企业供应“质量等级”并确认。8. 4.3对于

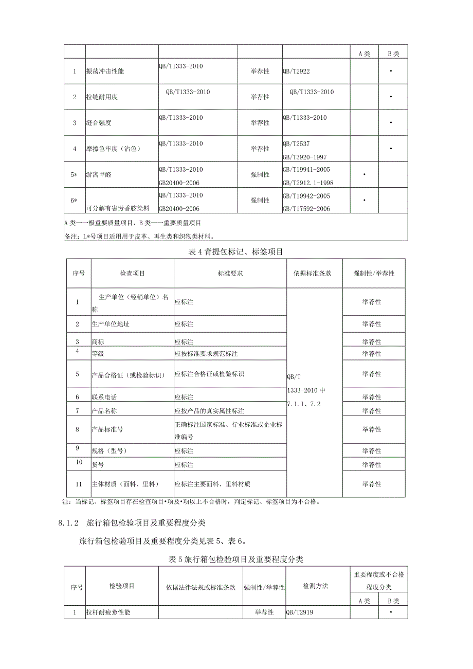
5、旅行箱包类产品,“备注栏”里应填写旅行箱包产品分类,”旅行衣箱(硬箱),“旅行衣箱(软箱)”、“旅行包”。7检验要求8.1 检验项目及重要程度分类8.1.1 背提包检验项目及重要程度分类背提包检验项目及重要程度分类见表3、表4。表3背提包检验项目及重要程度分类序检验项目依据法律法规强制性/举检测方法重要程度或不号或标准条款荐性合格程度分类A类B类1振荡冲击性能QB/T1333-2010举荐性QB/T29222拉链耐用度QB/T1333-2010举荐性QB/T1333-20103缝合强度QB/T1333-2010举荐性QB/T1333-20104摩擦色牢度(沾色)QB/T1333-2010举荐性

6、QB/T2537GB/T3920-19975*游离甲醛QB/T1333-2010GB20400-2006强制性GB/T19941-2005GB/T2912.1-19986*可分解有害芳香胺染料QB/T1333-2010GB20400-2006强制性GB/T19942-2005GB/T17592-2006A类一一极重要质量项目,B类一一重要质量项目备注:L*号项目适用用于皮革、再生类和织物类材料。表4背提包标记、标签项目序号检查项目标准要求依据标准条款强制性/举荐性1生产单位(经销单位)名称应标注QB/T1333-2010中7.1.1、7.2举荐性2生产单位地址应标注举荐性3商标应标注举荐性4等

7、级应按标准要求规范标注举荐性5产品合格证(或检验标识)应标注合格证或检验标识举荐性6联系电话应标注举荐性7产品名称应按产品的真实属性标注举荐性8产品标准号正确标注国家标准、行业标准或企业标准编号举荐性9规格(型号)应标注举荐性10货号应标注举荐性11主体材质(面料、里料)应标注主要面料、里料材质举荐性注:当标记、标签项目存在检查项目项及项以上不合格时,判定标记、标签项目为不合格。8.1.2 旅行箱包检验项目及重要程度分类旅行箱包检验项目及重要程度分类见表5、表6。表5旅行箱包检验项目及重要程度分类序号检验项目依据法律法规或标准条款强制性/举荐性检测方法重要程度或不合格程度分类A类B类1拉杆耐疲

8、惫性能举荐性QB/T29192行走性能举荐性QB/T2920A法3振荡冲击性能举荐性QB/T29214拉链平拉强力举荐性5缝合强度举荐性6旅行包面料摩擦色牢度举荐性QB/T2537GB/T3920-19977*游离甲醛QB/T2155-2010GB20400-2006强制性GB/T19941-2005GB/T2912.1-19988*可分解有害芳香胺染料QB/T2155-2010GB20400-2006强制性GB/T19942-2005GB/T17592-2006A类一一极重要质量项目,B类一一重要质量项目备注:*号项目适用用于皮革、再生类和织物类材料。表6旅行箱包标记、标签项目序号检查项目标

9、准要求依据标准条款强制性/举荐性1生产单位(经销单位)名称应标注QB/T2155-2010中7.1.K7.2举荐性2生产单位地址应标注举荐性3商标应标注举荐性4等级应按标准要求规范标注举荐性5产品合格证(或检验标识)应标注合格证或检验标识举荐性6联系电话应标注举荐性7产品名称应按产品的真实属性标注举荐性8产品标准号正确标注国家标准、行业标准或企业标准编号举荐性9规格(型号)应标注举荐性10货号应标注举荐性11主体材质(面料、里料)应标注主要面料、里料材质举荐性注:当标记、标签项目存在检查项目项及项以上不合格时.判定标记、标签项目为不合格。8.1.3 票夹检验项目及重要程度分类票夹检验项目及重要

10、程度分类见表7、表8。表7票夹检验项目及重要程度分类序号检验项目依据法律法规或标准条款强制性/举荐性检测方法重要程度或不合格程度分类A类B类1配件质量举荐性QB/T1619-20066.32拉链耐用度举荐性QB/T1619-20066.43摩擦色牢度(沾色)举荐性QB/T2537GB/T3920-19974游离甲醛GB20400-2006表1强制性GB/T19941-20055可分解有害芳香胺染料GB20400-2006表1强制性GB/T19942-2005A类极重要质量项目,B类一一重要质量项目注:摩擦色牢度项目干擦50次,湿擦IO次。表8票夹标记、标签项目序号检查项目标准要求依据标准条款强

11、制性/举荐性1产品名称应按产品的真实属性标注QB/T1619-2006中8.1、8.2举荐性2货号应标注举荐性3颜色应标注举荐性4材质应标注材料的名称举荐性5产地应标注举荐性6商标应标注举荐性7产品标准号正确标注国家标准、行业标准或企业标准编号举荐性8产品合格证(或检验标识)应标注合格证或检验标识举荐性9生产单位(经销单位)名称应标注举荐性10联系电话应标注举荐性11出厂(生产)日期应明确标注出厂或生产日期举荐性注:当标记、标签项目存在检查项目一项及一项以上不合格时,判定标记、标签项目为不合格。8.1.4 皮腰带检验项目及重要程度分类皮腰带检验项目及重要程度分类见表9、表10。表9皮腰带检验项

12、目及重要程度分类序号检验项目依据法律法规或标准条款强制性/举荐性检测方法重要程度或不合格程度分类A类B类1摩擦色牢度(沾色)QB/T1618-20065.2举荐性QB/T25372带体断裂力QB/T1618-20065.2举荐性QB/T1618-20066.43带孔撕裂力QB/T1618-20065.2举荐性QB/T1618-20066.54带扣咬合力QB/T1618-20065.2举荐性QB/T1618-20066.65带齿咬合力QB/T1618-20065.2举荐性QB/T1618-20066.76游离甲醛GB20400-2006表1强制性GB/T19941-20057可分解有害芳香胺染料GB20400-2006表1强制性GB/T19942-2005A类一一极重要质量项目,B类一一重要质量项目注:摩擦色牢度项目干擦50次,湿擦10次。表10皮腰带标记、标签项目序号检查项目标准要求依据标准条款强制性/举荐性1产品名称应按产品的真实属性标注QB/T1618-2006中8.1、8.2举荐性2货号应标注举荐性3颜色应标注举荐性4产地应标注举荐性5商标应标注举荐性6产品标准号正确标注国家标准、行业标准或企业标准编号举荐性7产品合格证(或检验标记)应标注合格证或检验标记举荐性8生产单位(经销单位)名称应标注举荐性9联系电话应标注举荐性10规格(长/宽)应标注长

展开阅读全文
相关资源
猜你喜欢
相关搜索

当前位置:首页 > 办公文档 > 通知/申请

copyright@ 2008-2023 1wenmi网站版权所有

经营许可证编号:宁ICP备2022001189号-1

本站为文档C2C交易模式,即用户上传的文档直接被用户下载,本站只是中间服务平台,本站所有文档下载所得的收益归上传人(含作者)所有。第壹文秘仅提供信息存储空间,仅对用户上传内容的表现方式做保护处理,对上载内容本身不做任何修改或编辑。若文档所含内容侵犯了您的版权或隐私,请立即通知第壹文秘网,我们立即给予删除!