软件开发模板-文件给制实施规定.docx

上传人:p** 文档编号:443954 上传时间:2023-08-28 格式:DOCX 页数:3 大小:28.92KB
下载 相关 举报
软件开发模板-文件给制实施规定.docx_第1页
第1页 / 共3页
软件开发模板-文件给制实施规定.docx_第2页
第2页 / 共3页
软件开发模板-文件给制实施规定.docx_第3页
第3页 / 共3页
亲,该文档总共3页,全部预览完了,如果喜欢就下载吧!
资源描述

《软件开发模板-文件给制实施规定.docx》由会员分享,可在线阅读,更多相关《软件开发模板-文件给制实施规定.docx(3页珍藏版)》请在第壹文秘上搜索。

1、软件开发模板文件给制实施规定的实例(GB856788)尽管在文件编制中存在着很多灵活性,然而,文件的编制确实是非常必要的,其意义如前所述。为了控制这种灵活性,保证文件编制能达到应该达到的目的,对于具体的软件开发任务,应编制的文件的种类、详细程度应取决于承担开发单位的管理能力、任务的规模、复杂性和成败风险等因素。一个软件开发单位应该根据本单位经营承包的应用软件的专业特点和本单位的管理能力,制定一个文件编制实施规定,说明在什么情况下应该编制哪些文件。由于国内目前在这方面还缺乏成熟的经验,这里提供参考国外经验制定的两个例子,用以向国内软件开发单位说明如何建立这种实施规定,使项目负责人能确定本项目开发

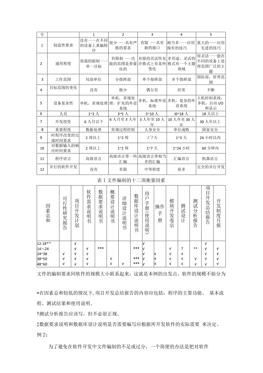
2、过程中应编制的文件的种类。当然,例子毕竟只是例子,这两个例子各自都不免有其片面性,它们两者之间也不免有不一致之处,之所以列出来无非是供国内软件开发单位参考。例1:此例规定用求和法来确定应编制的文件。该方法的要点是提出十二个考虑因素来衡量一个应用软,件,每个因素可能取值的范围是互至5。任务负责人可用这十二个因素对所要开发的程序进行衡量,确定每个因素的具体值。把这十二个因素的值相加,得到一个总和。然后由这个总和的值来确定应该编制的文件的种类。使用这个方法的具体过程如下:a.按表OI中的十二个因素衡量所要开发的程序,得到每个因素的值;b.把衡量所得的各个因素的值相加,得总和之值;c.根据总和之值,从

3、表OZ查出应编制的文件的种类。表1文件编制的十二项衡量因素因素因素取值准则号123451创造性要求没有一一在不同的设备上重编程序很少一一具有严格的要求有限具有新的接口相当多一一应用现有的技巧重大的应用先进的技巧2通用程度很强的限制一一单一目标有限制功能的范围是参量化的有限的灵活性允许格式上有某些变化多用途,灵活的格式有一个主题领域很灵活一一能在不同的设备上处理范围广泛的主题3工作范围局部单位分指挥部单个指挥部多个指挥部国防部,世界范围4目标范围的变化没有极少偶尔有经常不断5设备复杂性单机,常规处理单机,常规处理,扩充的外设系统多机,标准外设系统多机,复杂的外设系统主机控制系统,多机,自动I/O

4、和显示6人员12人35人510人I018人18人以上7开发投资6人月以下6人月至3人年3人年至10人年10人年至30人年30人年以上8重要程度数据处理常规过程控制人身安全单位成败国家安全9时程序改变的完成时间要求2周以上12周37天13天24小时以内10对数据输入的响应时间要求2周以上12周17天124小时60分钟内11程序语言高级语言高级语言带一些汇编高级语言带相当多的汇编汇编语言机器语言12并行的软件开发没有有限中等程度很多完全的并行开发表1文件编制的十二项衡量因素因素总和可行性研究报告项目开发计划软件需求说明书数据要求说明书概要设计说明书详细设计说明书数据库设计说明书用户手册(使用说明)

5、操作手册模块开发卷宗测试设计测试分析报告项目开发总结报告开发制度月报12-18在因素总和较低的情况下,项目开发总结报告的内容应包括:程序的主要功能、 基本流程、测试结果和使用说明。测试分析报告应该写,但不必很正规。数据要求说明和数据库设计说明是否需要编写应根据所开发软件的实际需要 来决定。例2:为了避免在软件开发中文件编制的不足或过分,一个简便的办法是把对软件1424*7*24383850*4860*文件的编制要求同软件的规模大小联系起来,这就是本例的出发点。软件的规模不妨分为四级:1 .小规模软件源程序行数小于5000的软件;2 .中规模软件源程序行数为100OO50000的软件;3 .大规

6、模软件源程序行数为100OOO500000的软件;4 .特大规模软件源程序行数大于500000的软件。对上述的四级软件的文件编制要求分别列于表3o至于源程序行数为500010000,50000100000的软件,其文件编制要求介于两级之间,可根据一个软件产品的具体情况,由项目负责人参照表3的规定,确定需要编制的文件种类。对于源程序行数大于500000的特大规模软件,可进一步把本指南规定的十四种文件按实际需要扩展成更多种类,这一点在本指南533已经提到。表3产品文件体系小规模软件中规模软件大规模软件超大规模软件可行性报告对应大规模软件(项目开发计划所规定的文件可项目开发计划进一步细分软件需求与开发计划软件需求说明软件需求说明YL数据要求说明I测试计划测试计划(概要设计说明软件设计说明软件设计说明详细设计说明数据库设计说明使用说明使用说明,用户手册、操作手册模块开发卷宗模块开发卷测试分析报告1L测试分析报告测试分析报告开发进度月报开发进度月报项目开发总结项目开发总结项目开发总结

展开阅读全文
相关资源
猜你喜欢
相关搜索

当前位置:首页 > 办公文档 > 规章制度

copyright@ 2008-2023 1wenmi网站版权所有

经营许可证编号:宁ICP备2022001189号-1

本站为文档C2C交易模式,即用户上传的文档直接被用户下载,本站只是中间服务平台,本站所有文档下载所得的收益归上传人(含作者)所有。第壹文秘仅提供信息存储空间,仅对用户上传内容的表现方式做保护处理,对上载内容本身不做任何修改或编辑。若文档所含内容侵犯了您的版权或隐私,请立即通知第壹文秘网,我们立即给予删除!