100D变频电源专用变频器.docx

上传人:p** 文档编号:490318 上传时间:2023-09-19 格式:DOCX 页数:5 大小:65.82KB
下载 相关 举报
100D变频电源专用变频器.docx_第1页
第1页 / 共5页
100D变频电源专用变频器.docx_第2页
第2页 / 共5页
100D变频电源专用变频器.docx_第3页
第3页 / 共5页
100D变频电源专用变频器.docx_第4页
第4页 / 共5页
100D变频电源专用变频器.docx_第5页
第5页 / 共5页
亲,该文档总共5页,全部预览完了,如果喜欢就下载吧!
资源描述

《100D变频电源专用变频器.docx》由会员分享,可在线阅读,更多相关《100D变频电源专用变频器.docx(5页珍藏版)》请在第壹文秘上搜索。

1、产品功能名称:O100D变频电源专用变频器相关说明功能技术特点:采用16位微处理器,正弦SPWM控制,动态输出电压高精度LED数字显示:输出电压、输出频率、输出电流,抗干扰能力强输出频率与输出电压可以任意在线调整快速稳定的频率给定方式:485方式参数给定(F79)面板给定外接模拟电压+外接模拟电流方式给定快速稳定的频率给定方式:参数方式(F13)485方式外接模拟电压(MoV)方式外接模拟电压(420mA)方式外接模拟电压和电流平均值方式具有三组预置的电压频率组快捷输出方式(通过端子MI1/MI2/MI3自由组合)高精度频率调节,频率精度为0.01Hz输出频率调节范围:OHz400Hz输入电压

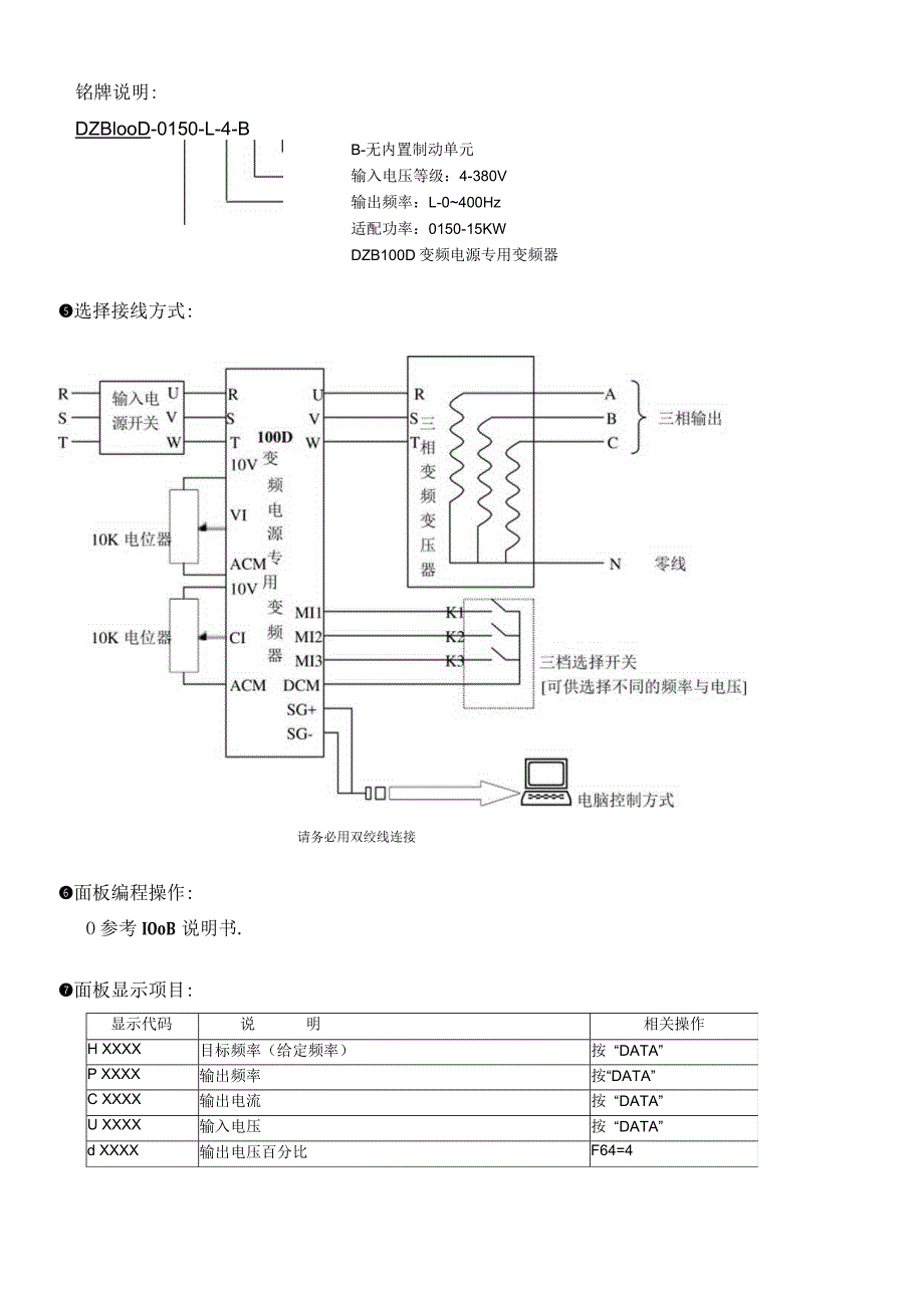
2、调节范围:300V460V输出电压调节范围:IOV输入电压值保护装置:电子电路快速侦测过电压、过电流、过负载、过热和缺相,短路并自动跳脱保护报警装置过载能力强:125%持续60分钟,150%为1分钟,200%为10秒载波频率9.015.0KHz任意设定内置485通讯接口功能技术标准:O参考100B说明书.使用注意事项:O参考IoOB说明书.铭牌说明:DZBlooD-0150-L-4-BB-无内置制动单元输入电压等级:4-380V输出频率:L-0400Hz适配功率:0150-15KWDZB100D变频电源专用变频器选择接线方式:请务必用双绞线连接面板编程操作:O参考IOoB说明书.面板显示项目:

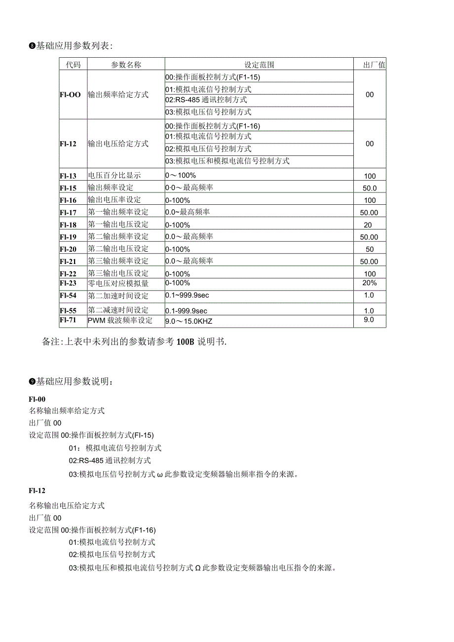
3、显示代码说明相关操作H XXXX目标频率(给定频率)按 “DATA”P XXXX输出频率按“DATA”C XXXX输出电流按 “DATA”U XXXX输入电压按 “DATA”d XXXX输出电压百分比F64=4基础应用参数列表:代码参数名称设定范围出厂值Fl-OO输出频率给定方式00:操作面板控制方式(F1-15)0001:模拟电流信号控制方式02:RS-485通讯控制方式03:模拟电压信号控制方式Fl-12输出电压给定方式00:操作面板控制方式(F1-16)0001:模拟电流信号控制方式02:模拟电压信号控制方式03:模拟电压和模拟电流信号控制方式Fl-13电压百分比显示0100%100Fl

4、-15输出频率设定00最高频率50.0Fl-16输出电压率设定0-100%100Fl-17第一输出频率设定0.0最高频率50.00Fl-18第一输出电压设定0-100%20Fl-19第二输出频率设定0.0最高频率50.00Fl-20第二输出电压设定0-100%50Fl-21第三输出频率设定0.0最高频率50.00Fl-22第三输出电压设定0-100%100Fl-23零电压对应模拟量0-100%20%Fl-54第二加速时间设定0.1999.9sec1.0Fl-55第二减速时间设定0.1-999.9sec1.0Fl-71PWM载波频率设定9.015.0KHZ9.0备注:上表中未列出的参数请参考10

5、0B说明书.基础应用参数说明:Fl-00名称输出频率给定方式出厂值00设定范围00:操作面板控制方式(FI-15)01:模拟电流信号控制方式02:RS-485通讯控制方式03:模拟电压信号控制方式此参数设定变频器输出频率指令的来源。Fl-12名称输出电压给定方式出厂值00设定范围00:操作面板控制方式(F1-16)01:模拟电流信号控制方式02:模拟电压信号控制方式03:模拟电压和模拟电流信号控制方式此参数设定变频器输出电压指令的来源。Sffl9HHl2aFl-13名称电压百分比显示出厂值100设定范围0100%IQa此参数可查看变频器当前的电压百分比。Fl-15名称输出频率设定出厂值50.0

6、Hz设定范围0.0最高输出频率此参数设定变频器的输出频率。Fl-16名称输出电压率设定出厂值100设定范围0100%此参数设定变频器的输出电压百分比。Fl-17名称第一输出频率设定出厂值50.0Hz设定范围0.0最高频率Fl-18名称第一输出电压设定出厂值20设定范围0100%Fl-19名称第二输出频率设定出厂值50.0Hz设定范围0.0最高频率Fl-20名称第二输出电压设定出厂值50设定范围0100%Fl-21名称第三输出频率设定出厂值50.0Hz设定范围0.0最高频率Fl-22名称第三输出电压设定出厂值100设定范围0-100%及国澄变频FULINGIMVEQTEfI通号用g制gaDZBIoo系列专用变频器相关说明Fl-23名称零电压对应模拟量出厂值20设定范围。100%Fl-54名称第二加速时间设定出厂值1.0sec设定范围0.1999.9sec此参数设定变频器从OHZ加速到最高频率(FI-O3)所需的时间。Fl-55名称第二减速时间设定出厂值1.0sec设定范围0.1999.9secffl此参数设定变频器从最高频率(FI-03)减速到OHZ所需的时间。Fl-71名称PWM载波频率设定出厂值9.0KHz设定范围9.015.0KHZEQ此参数根据实际运用情况进行合理地调节,以获得最佳的性能。备注:其余参数说明请参考100B说明书.故障诊断及处理方法:O参考IooB说明书.

展开阅读全文
相关资源
猜你喜欢
相关搜索

当前位置:首页 > 通信/电子 > 电子电气自动化

copyright@ 2008-2023 1wenmi网站版权所有

经营许可证编号:宁ICP备2022001189号-1

本站为文档C2C交易模式,即用户上传的文档直接被用户下载,本站只是中间服务平台,本站所有文档下载所得的收益归上传人(含作者)所有。第壹文秘仅提供信息存储空间,仅对用户上传内容的表现方式做保护处理,对上载内容本身不做任何修改或编辑。若文档所含内容侵犯了您的版权或隐私,请立即通知第壹文秘网,我们立即给予删除!