真空联合堆载预压铺布、推砂技术交底--张宗杨模板.docx

上传人:p** 文档编号:538769 上传时间:2023-10-19 格式:DOCX 页数:10 大小:47.59KB
下载 相关 举报
真空联合堆载预压铺布、推砂技术交底--张宗杨模板.docx_第1页
第1页 / 共10页
真空联合堆载预压铺布、推砂技术交底--张宗杨模板.docx_第2页
第2页 / 共10页
真空联合堆载预压铺布、推砂技术交底--张宗杨模板.docx_第3页
第3页 / 共10页
真空联合堆载预压铺布、推砂技术交底--张宗杨模板.docx_第4页
第4页 / 共10页
真空联合堆载预压铺布、推砂技术交底--张宗杨模板.docx_第5页
第5页 / 共10页
真空联合堆载预压铺布、推砂技术交底--张宗杨模板.docx_第6页
第6页 / 共10页
真空联合堆载预压铺布、推砂技术交底--张宗杨模板.docx_第7页
第7页 / 共10页
真空联合堆载预压铺布、推砂技术交底--张宗杨模板.docx_第8页
第8页 / 共10页
真空联合堆载预压铺布、推砂技术交底--张宗杨模板.docx_第9页
第9页 / 共10页
真空联合堆载预压铺布、推砂技术交底--张宗杨模板.docx_第10页
第10页 / 共10页
亲,该文档总共10页,全部预览完了,如果喜欢就下载吧!
资源描述

《真空联合堆载预压铺布、推砂技术交底--张宗杨模板.docx》由会员分享,可在线阅读,更多相关《真空联合堆载预压铺布、推砂技术交底--张宗杨模板.docx(10页珍藏版)》请在第壹文秘上搜索。

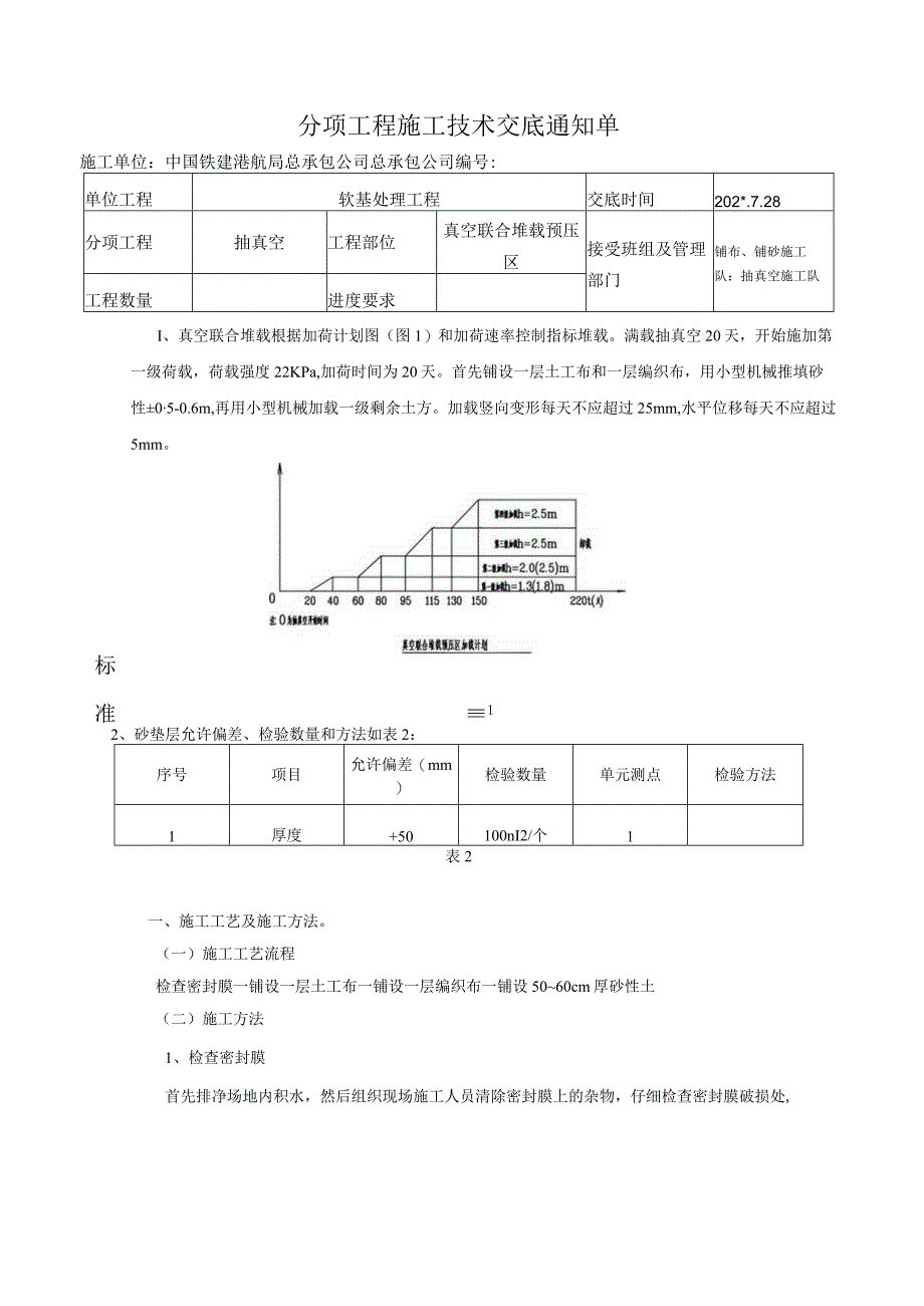
1、分项工程施工技术交底通知单施工单位:中国铁建港航局总承包公司总承包公司编号:单位工程软基处理工程交底时间202*.7.28分项工程抽真空工程部位真空联合堆载预压区接受班组及管理部门铺布、铺砂施工队:抽真空施工队工程数量进度要求I、真空联合堆载根据加荷计划图(图1)和加荷速率控制指标堆载。满载抽真空20天,开始施加第一级荷载,荷载强度22KPa,加荷时间为20天。首先铺设一层土工布和一层编织布,用小型机械推填砂性05-0.6m,再用小型机械加载一级剩余土方。加载竖向变形每天不应超过25mm,水平位移每天不应超过5mm。标准12、砂垫层允许偏差、检验数量和方法如表2:序号项目允许偏差(mm)检验数

2、量单元测点检验方法1厚度+50100nI2/个1表2一、施工工艺及施工方法。(一)施工工艺流程检查密封膜一铺设一层土工布一铺设一层编织布一铺设5060cm厚砂性土(二)施工方法1、检查密封膜首先排净场地内积水,然后组织现场施工人员清除密封膜上的杂物,仔细检查密封膜破损处,程 序 及 操 作 要 点找出密封膜破损处并修补。每个真空联合堆载预压区有专人负责,每日观测真空表读数,正式抽气后膜下真空度大于650mmHg,有效抽气时间220天。真空表读数不足86.7kpa的说明本区域存在漏气现象,需安排工人排查,找出密封膜破损处并修补。抽真空过程中容易破损及出现漏气现象的区域为压膜沟及密封墙位置,抽真空

3、过程中需保证压膜沟及密封墙内水分充足,防止压膜沟或密封墙表层开裂导致密封膜漏气。2、土工布、编织布铺设为保护密封膜不被扎漏,根据现场情况先铺一层土工布,再铺设一层编织布作为工作垫层。2.1 土工布铺设土工布采用短丝针刺非织造土工布,规格为400gm2,现场缝合搭接长度不小于20cm。首先在加工场地将土工布加工并卷好,运至现场,人工将土工布展开铺设。土工布铺设时需盖过压膜沟,并人工踩压至压膜沟内,避免堆载砂石与密封膜直接接触。2.2 编织布铺设编织布规格为150gm2o将编制布用100mm钢管卷成一滚筒状,由平板汽车运至现场,人工搬运至铺设区,人工滚动摊铺,并将编制布拉紧、铺平,避免发生皱折。现

4、场进行缝合,搭接长度不小于20cm。土工布铺设时需盖过压膜沟,并人工踩压至压膜沟内。2.3 资源配备人员配备序号工种配备数量备注1管理人员22操作工4土工织物缝合3普工10铺设机械设备配备序号设备名称配备数量备注1缝合机23、堆载5060cm厚砂性土3.1施工方法项目开工之前在三期工程堆场北侧储存粉细砂,膜上土工布、编织布铺设完成后立即组织砂垫层铺设施工。砂垫层铺设施工采用农用车将粉细砂运输至堆场内,然后用小装载机推平至5060cm厚度,施工时由外而内逐步推进。我部三期工程堆场原地面呈北高南低地势,摊铺粉细砂垫层过程中需保持其原有坡度,均匀摊铺至5060cm厚度即可,进行二级堆载时方可将场地推

5、平至同一高度,避免因压载不均导致场地沉降不均进而导致密封膜的撕裂。因此摊铺砂垫层过程中场内存在较大坡度,施工时需控制农用车车速,下坡时注意减速,避免出现交通事故。摊铺过程中注意保护监测装置,每日观测各项监测数据,对反常数据要及时分析产生原因并采取相应措施进行整改,保证抽真空正常有效。3.2资源配备人员配备序号工种配备数量备注1管理人员22测量人员23普工20机械设备配备序号设备名称配备数量备注1大挖掘机32小铲车43农用运输车20附件设计图纸地基处理(设计总说明、排水板及工艺图)施工草图某某30万矿石地基处理平面图施工方案真空联合堆载预压专项施工方案项目负责人技术负责人安全员质检员交底人班组签

6、认序号姓名工种序号姓名工种1202213224235246257268279281029113012311332143315341635173618371938分项工程职业健康安全/环保技术交底通知单施工单位:中国铁建港航局总承包公司总承包公司编号:单位工程软基处理工程交底时间202*.7.28分项工程抽真空工程部位真空联合堆载预压区接受班组铺布施工队、抽真空施工队等工程数量进度要求管理部门一、主要危险因素粘土帷幕墙及压膜沟均为淤泥填充,沟壑较深,需防止坠落。二、主要环境因素1、环境污染:剩余编织布、土工布随意丢弃,影响环境;2、噪音污染:农用运输车、挖掘机等机械设备发出噪声。三、安全预防措施

7、和注意事项1、严格遵守公司三必须,五不准的规定。施工人员根据防护的危险、危害因素和危险、危害作业类别配备具有相应防护功能的个人防护用品(包括:工作服、工作帽、工作鞋、劳动手套、防寒服、雨衣、绝缘胶鞋、眼护具、安全带、安全帽、防护面具、手灯等)。2、施工人员必须接受入场安全教育,严格执行项目部的规章制度及安全要求;树立“安全第一”的思想。严格执行各工班的操作规程,严禁工作时间饮酒。3、现场施工用电执行一箱、一机、一闸、一漏电保护的保护措施。其电箱设门、锁、编号、注明责任人。电箱内所配置的电闸、漏电、熔丝荷载必须与设备额定电流相等。不使用偏大或偏小额定电流的电熔丝,严禁使用金属丝代替电熔丝。4、铺

8、布时需穿雨鞋作业,严禁在场地内抽烟。铺布人员需注意压膜沟、粘土帷幕墙等沟壑较深处,禁止单独作业。5、夜间施工现场要有足够的照明灯光,要遵照有关规定设置灯光信号。施工人员要穿反光衣,要互相关照,及时清点参加作业人员的人数。6、作业时间过长、作业强度过大等疲劳作业时,注意作业人员的人身安全。7、施工现场内道路通畅、平坦、整洁,不乱堆放,无散落物,材料合理堆放,做到文明施工。8、施工现场必须安排安全巡视员紧盯现场,发生危险情况时及时进行救助。9、夏季施工现场准备好防暑降温药品以及遮荫棚,高温时停止作业。10、由于砂性土堆砌较高,挖掘机在沙堆上作业时需停放平稳,且作业时注意道路行驶车辆及行人。小农用车

9、在运输砂性土过程中下坡处需减速慢行,临近粘土帷幕墙及压膜沟等处卸砂时需由专人指挥,严禁自行卸载。11、现场人员使用缝布机时,接电由专业人员操作,不得私自接电。现场缝合由至少三人完成,且注意对手指的保护。12、现场架线较多,未经允许,不得擅自关闭电源及私自架线、接线。二、环境保护措施和注意事项1、加强对施工人员环境保护的教育,遵守环境保护法的相关要求。2、生活垃圾和建筑垃圾应按照港内相关要求执行。三、事故现场处理措施作业过程中发生生产事故时,目击者要立即通知现场负责人,拨打120急救,同时实施现场救援。1、机械伤人现场处置措施1.l发现有人受伤后,必须立即停止机械作业,向周围人员呼救,同时通知现

10、场急救中心,以及拨打“120”等社会急救电话。报警时,应注意说明受伤者的受伤部位和受伤情况,发生事件的区域或场所,以便让救护人员事先做好急救的准备。1.2项目人身伤害和突发环境事件应急工作组在组织进行应急抢救的同时,应立即上报项目安全生产应急领导小组,启动应急预案和现场处置方案,最大限度的减少人员伤害和财产损失。1.3 由现场人员进行现场包扎、止血等措施,防止受伤人员流血过多造成死亡事故发生。创伤出血者迅速包扎止血,送往医院救治。1.4 发生断手、断指等严重情况时,对伤者伤口要进行包扎止血、止痛、进行半握拳状的功能固定。对断手、断指应用消毒或清洁敷料包好,忌将断指浸入酒精等消毒液中,以防细胞变

11、质。将包好的断手、断指放在无泄漏的塑料袋内,扎紧好袋口,在袋周围放在冰块,或用冰棍代替,速随伤者送医院抢救。1.5 受伤人员出现肢体骨折时,应尽量保持受伤的体位,由现场医务人员对伤肢进行固定,并在其指导下采用正确的方式进行抬运,防止因救助方法不当导致伤情进一步加重。1.6 受伤人员出现呼吸、心跳停止症状后,必须立即进行心脏按摩或人工呼吸。1.7 事件有可能进一步扩大,或造成群体性事件时,必须立即上报当地政府有关部门,并请求必要的支持和救援。1.8 在做好事故紧急救助的同时,应注意保护事故现场,对相关信息和证据进行收集和整理,配合上级和当地政府部门做好事故调查工作。项目负责人技术负责人安全负责人

12、安全员交底人班组签认序号姓名工种序号姓名工种11821932042152262372482592610271128122913301431153216331734安全生产十项注意事项:一、工作前穿戴好规定的劳动防护品,检查设备及作业场地,做到安全可靠。二、不违章作业,并监督制止他人违章作业。三、不准擅自开动别人操作的机械,电器开关设备。登高作业应戴好安全带、安全帽、并有专人监护、防止坠落,严禁向下乱抛工具和设备零件。四、不准随便拆除各种安全防护装置、信号标志、仪表及专指示器等。保持设备齐全有效灵敏可靠。五、不准随意启动设备。机器设备停机检查或修理时,应切断电源并悬挂警示牌,取牌人应是挂牌人。开机时发出信号,听到回音确定安全后才能开机。六、不准吊装物及下行人。多人操作起重搬运要统一指挥,密切配合。不准超负荷使用机器。七、不在易燃物品附近吸烟动火,不乱扔垃圾。八、不在厂内无证驾驶机动车辆,机动车进出车间转弯必须鸣号减速。车辆行驶中严禁爬上跳下。九、工作时精力集中,不准打闹、赤脚、赤膊、穿拖鞋和高跟鞋。十、上班时间不准怠工、滋事、脱岗或擅离职守。有事请假经领导批准后方可离开岗位。

展开阅读全文
相关资源
猜你喜欢
相关搜索

当前位置:首页 > 建筑/环境 > 公路与桥梁

copyright@ 2008-2023 1wenmi网站版权所有

经营许可证编号:宁ICP备2022001189号-1

本站为文档C2C交易模式,即用户上传的文档直接被用户下载,本站只是中间服务平台,本站所有文档下载所得的收益归上传人(含作者)所有。第壹文秘仅提供信息存储空间,仅对用户上传内容的表现方式做保护处理,对上载内容本身不做任何修改或编辑。若文档所含内容侵犯了您的版权或隐私,请立即通知第壹文秘网,我们立即给予删除!