建筑公司工程现场安全检查评分表.docx

上传人:p** 文档编号:541626 上传时间:2023-10-21 格式:DOCX 页数:4 大小:26.11KB
下载 相关 举报
建筑公司工程现场安全检查评分表.docx_第1页
第1页 / 共4页
建筑公司工程现场安全检查评分表.docx_第2页
第2页 / 共4页
建筑公司工程现场安全检查评分表.docx_第3页
第3页 / 共4页
建筑公司工程现场安全检查评分表.docx_第4页
第4页 / 共4页
亲,该文档总共4页,全部预览完了,如果喜欢就下载吧!
资源描述

《建筑公司工程现场安全检查评分表.docx》由会员分享,可在线阅读,更多相关《建筑公司工程现场安全检查评分表.docx(4页珍藏版)》请在第壹文秘上搜索。

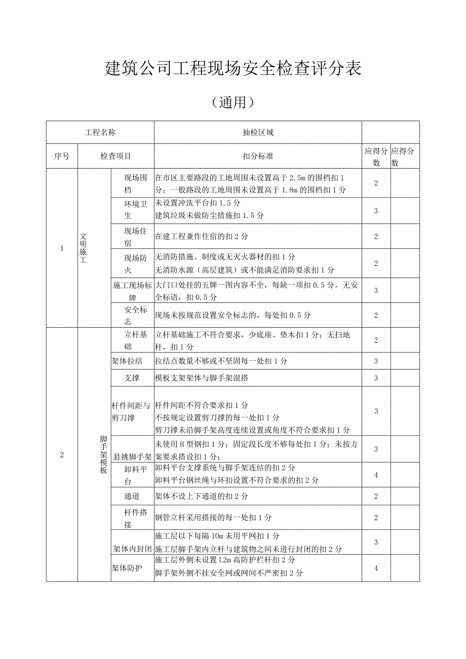
1、建筑公司工程现场安全检查评分表(通用)工程名称抽检区域序号检查项目扣分标准应得分数应得分数1文明施工现场围档在市区主要路段的工地周围未设置高于2.5m的围档扣1分;一般路段的工地周围未设置高于1.8m的围档扣1分2环境卫生未设置冲洗平台扣1.5分建筑垃圾未做防尘措施扣1.5分3现场住宿在建工程兼作住宿的扣2分2现场防火无消防措施、制度或无灭火器材的扣1分无消防水源(高层建筑)或不能满足消防要求扣1分2施工现场标牌大门口处挂的五牌一图内容不全,每缺一项扣0.5分,无安全标语,扣0.5分3安全标志现场未按规范设置安全标志的,每处扣0.5分22脚手架模板立杆基础立杆基础施工不符合要求,少底座、垫木扣

2、1分;无扫地杆,扣1分2架体拉结拉结点数量不够或不坚固每一处扣1分3支撑模板支架架体与脚手架混搭3杆件间距与剪刀撑杆件间距不符合要求扣1分不按规定设置剪刀撑的每一处扣1分剪刀撑未沿脚手架高度连续设置或角度不符合要求扣1分3悬挑脚手架未使用H型钢扣1分;固定段长度不够每处扣1分;未按方案要求搭设扣1分;3卸料平台卸料平台支撑系统与脚手架连结的扣2分卸料平台钢丝绳与环扣设置不符合要求的扣2分4通道架体不设上下通道的扣2分2杆件搭接钢管立杆采用搭接的每一处扣1分2架体内封闭施工层以下每隔IOm未用平网扣1分施工层脚手架内立杆与建筑物之间未进行封闭的扣2分3架体防护施工层外侧未设置L2m高防护栏杆扣2

3、分脚手架外侧不挂安全网或网间不严密扣2分43模板工程立柱稳定支撑模板的立柱材料不符合要求的扣1分不按规定设置纵横向支撑的扣1分立柱间距不符合规定的扣1分3支撑拆模留有未拆除的悬空模板的每处扣1分模板支架与脚手架连接的每处扣1分4作业环境作业面孔洞及临边无防护措施的扣1分垂直作业上下无隔离防护措施的扣1分24安全防护安全帽不戴安全帽的每人扣1分3安全带高空作业未系安全带每人扣1分2四口无防护措施或防护不合格的每处扣1分电梯井内平网缺失扣1分3五临边无防护措施的每处扣1分防护不合格每处扣1分35现场用电配电线路破皮未包扎的扣2分线路过道无保护的扣1分电缆架设或埋设不符合要求的扣1分4配电箱开关箱不

4、符合“三级配电两级保护”要求的扣1分开关箱无漏电保护器或保护器失灵扣1分违反“一机、一闸、一漏、一箱”的扣1分3现场照明室内线路及灯具安装高度低于2.4m未使用安全电压供电的扣1分潮湿作业未使用36V以下安全电压的扣1分使用36V安全电压照明线路混乱和接头处未使用绝缘布包扎的扣1分3外电防护小于安全距离又无防护措施的扣2分防护措施不符合要求,封闭不严的扣1分36机械设备避雷避雷装置不符合要求的每处扣1分2井字架人货梯防护地面梯笼出入口无防护棚的扣1分每层卸料口无防护门的扣2分有防护门关闭不严的扣1分卸料台口搭设不符合要求的扣1分5卷扬机操作棚卷扬机无操作棚的扣1分操作棚不符合要求的扣1分2限位

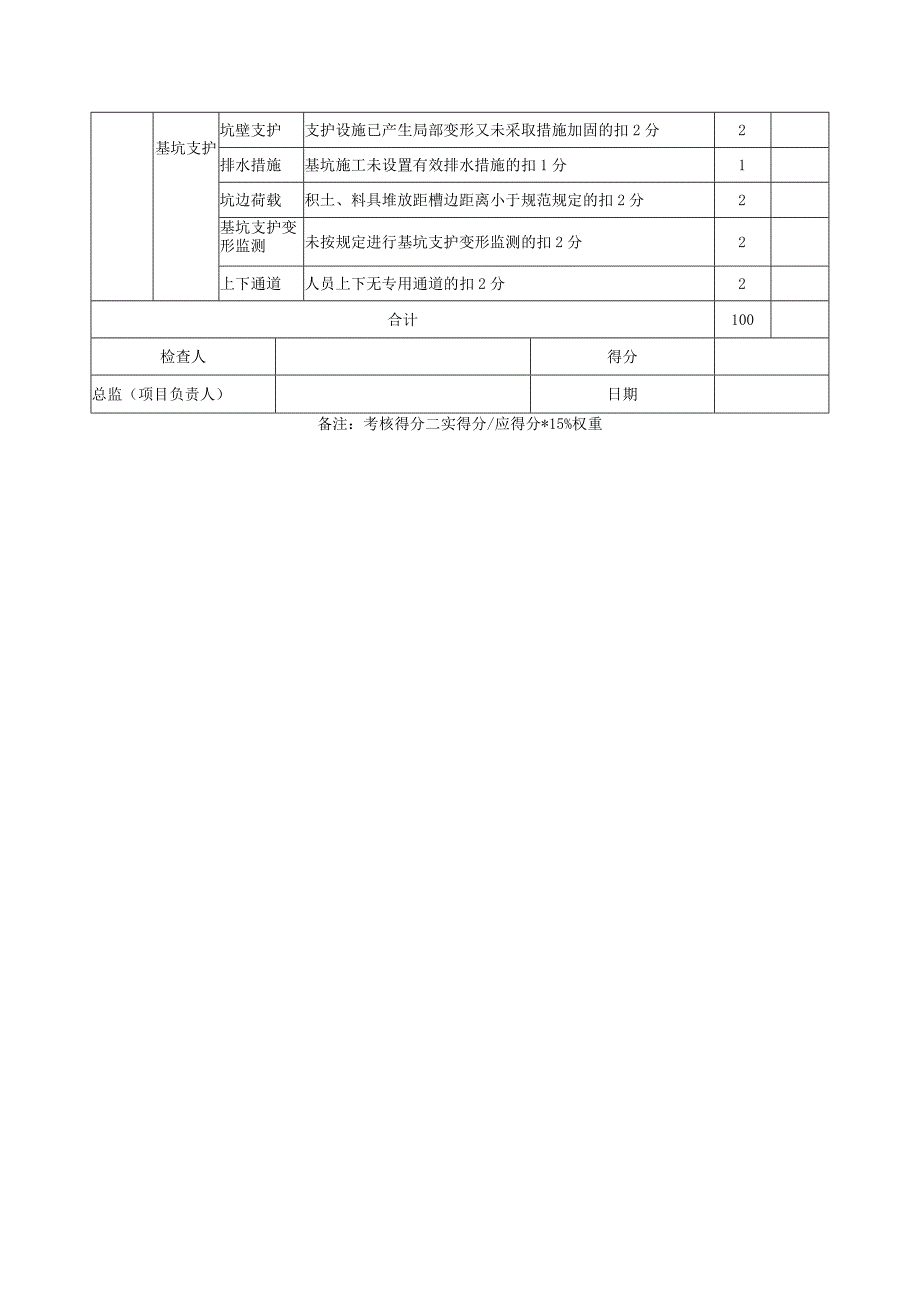
5、保险装置无三防装置每项扣1分3与建筑结构连接连墙杆的位置不符合规范要求的扣1分连墙杆连接不牢的扣1分连墙杆与脚手架连接的扣1分连墙杆材质或连接做法不符合要求的扣1分4多塔吊作业两台以上塔吊作业、无防碰撞措施扣2分27临边防护深度超过2m的基坑施工无临边防护措施的扣2分临边及其他防护不符合要求的扣1分3基坑支护坑壁支护支护设施已产生局部变形又未采取措施加固的扣2分2排水措施基坑施工未设置有效排水措施的扣1分1坑边荷载积土、料具堆放距槽边距离小于规范规定的扣2分2基坑支护变形监测未按规定进行基坑支护变形监测的扣2分2上下通道人员上下无专用通道的扣2分2合计100检查人得分总监(项目负责人)日期备注

6、:考核得分二实得分/应得分*15%权重公司办公室文员绩效考核评分表姓名岗位办公室文员考核负责人考核期限自年月日至年月日考核项目考核内容应得分主管评分经理评分工作内容各类文件资料的编集、整理,建档和管理;10企业文案资料打印、管理;8来客的接待工作,接收各种电传资料,接听、接转电话等,文件资料的收发、传递、登记10公司员工的人事档案、证件收集、管理、存档6公司召开各项会议的记录;临时性任务处理8对购物品的登记,领用手续的办理5管理公司的印签、证照、按规定使用7配合会计作好办公用品的定期核实与盘点稽核抽查6做好业务记录以及记录的保管,保守公司机密5职业素质具有责任心、工作积极主动、遇事不推诿3工作勤奋、任劳任怨竭力完成任务3具有相应的专业技能,能够完成本身专业职责3工作有能力、对事判断正确、处事正确3忠诚于公司、品行端正、言行诚信3服务意识对客户热情礼貌3对工作主动、积极、进取3对本职工作尽职尽责3对同事态度真诚热情3团体精神积极配合其他部门员工工作3内部员工之间互相配合3顾全大局、以公司利益为重4组织纪律遵守公司各种规章制度4遵守有关法律、法规4考核总分100

展开阅读全文
相关资源
猜你喜欢
相关搜索

当前位置:首页 > 建筑/环境 > 安全文明施工

copyright@ 2008-2023 1wenmi网站版权所有

经营许可证编号:宁ICP备2022001189号-1

本站为文档C2C交易模式,即用户上传的文档直接被用户下载,本站只是中间服务平台,本站所有文档下载所得的收益归上传人(含作者)所有。第壹文秘仅提供信息存储空间,仅对用户上传内容的表现方式做保护处理,对上载内容本身不做任何修改或编辑。若文档所含内容侵犯了您的版权或隐私,请立即通知第壹文秘网,我们立即给予删除!