汽车充电站生产安全事故隐患清单--有依据丨20页.docx

上传人:p** 文档编号:551098 上传时间:2023-10-27 格式:DOCX 页数:19 大小:68.57KB
下载 相关 举报
汽车充电站生产安全事故隐患清单--有依据丨20页.docx_第1页
第1页 / 共19页
汽车充电站生产安全事故隐患清单--有依据丨20页.docx_第2页
第2页 / 共19页
汽车充电站生产安全事故隐患清单--有依据丨20页.docx_第3页
第3页 / 共19页
汽车充电站生产安全事故隐患清单--有依据丨20页.docx_第4页
第4页 / 共19页
汽车充电站生产安全事故隐患清单--有依据丨20页.docx_第5页
第5页 / 共19页
汽车充电站生产安全事故隐患清单--有依据丨20页.docx_第6页
第6页 / 共19页
汽车充电站生产安全事故隐患清单--有依据丨20页.docx_第7页
第7页 / 共19页
汽车充电站生产安全事故隐患清单--有依据丨20页.docx_第8页
第8页 / 共19页
汽车充电站生产安全事故隐患清单--有依据丨20页.docx_第9页
第9页 / 共19页
汽车充电站生产安全事故隐患清单--有依据丨20页.docx_第10页
第10页 / 共19页
亲,该文档总共19页,到这儿已超出免费预览范围,如果喜欢就下载吧!
资源描述

《汽车充电站生产安全事故隐患清单--有依据丨20页.docx》由会员分享,可在线阅读,更多相关《汽车充电站生产安全事故隐患清单--有依据丨20页.docx(19页珍藏版)》请在第壹文秘上搜索。

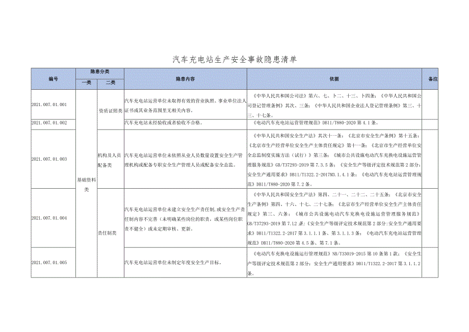
1、汽车充电站生产安全事故隐患清单编号隐患分类隐患内容依据备注一类二类2021.007.01.001基础资料类资质证照类汽车充电站运营单位未取得有效的营业执照、事业单位法人证书或其业务范围里无相关内容。中华人民共和国公司法第六、七、卜二、十三、卜四条;中华人民共和国公司登记管理条例其次、三条;中华人民共和国企业法人登记管理条例第三、十三、十七条。2021.007.01.002汽车充电站未经验收或者验收不合格。电动汽车充电站运营管理规范DBl1/T880-2020第4.1条。2021.007.01.003机构及人员配备类汽车充电站运营单位未依照从业人员数量设置安全生产管理机构或配备专职安全生产管理人

2、员或配备安全总监。中华人民共和国安全生产法其次十一条:北京市安全生产条例第十五条:北京市生产经营单位安全生产主体贲任规定第十一条;北京市生产经营单位安全总监制度实施方法(试行)第三条;城市公共设施电动汽车充换电设施运营管理服务规范GB/T37293-2019第7.3.5条;安全生产等级评定技术规范第2部分:安全生产通用要求DB11/T1322.2-2017M3.1.4.1条;电动汽车充电站运营管理规范DBl1/T880-2020第7.2条。2021.007.01.004责任制类汽车充电站运营单位未建立安全生产责任制,或安全生产责任制内容不完善(未明确某些岗位的职责,或某些岗位职责不健全)或未定

3、期审核、更新。中华人民共和国安全生产法第四、二十一、二十二、二十五条;北京市安全生产条例第四、十六、十七、二十七条;北京市生产经营单位安全生产主体责任规定第三、六条;城市公共设施电动汽车充换电设施运营管理服务规范GB/T37293-2019第7.L2条;安全生产等级评定技术规范第2部分:安全生产通用要求DB11/T1322.2-2017第3.1.1.1条、第3.1.1.3条;电动汽车充电站运营管理规范DBl1/T880-2020第4.5条、第7.1条。2021.007.01.005汽车充电站运营单位未制定年度安全生产目标。电动汽车充换电设施运行管理规范NB/T33019-2015第10条第1款

4、;安全生产等级评定技术规范第2部分:安全生产通用要求DBl1/T1322.2-2017第3.1.1.2条。编号隐患分类隐患内容依据备注一类二类2021.007.01.006汽车充电站运营单位未逐级签订年度安全生产责任书。安全生产等级评定技术规范第2部分:安全生产通用要求DBl1/T1322.2-2017第3.LL2条。2021.007.01.007制度类汽车充电站运营单位未建立健全并落实各项管理制度、安全制度城市公共设施电动汽车充换电设施运营管理服务规范GB/T37293-2019第7.1.1条、第7.1.3条、第7.1.4条、第7.1.5条、第7.1.6条、第7.6.2.1条;城市公共设施电

5、动汽车充换电设施安全技术防范系统要求GB/T37295-2019第&2.1条:电动汽车充换电设施运行管理规范NB/T33019-2015第6.1条、第8.1条、第10.2条a)、第ILl条;安全生产等级评定技术规范第2部分:安全生产通用要求DBl1/T1322.2-2017第3.1.2.1条:电动汽车充电站运营管理规范DBl1/T880-2020第4.5条、第6.LI条、第6.L3条、第6.2.1条、第6.3.2.1条、第8.2条。2021.007.01.008基础资料类制度类汽车充电站运营单位未及时跟踪并获取适用于其生产经营活动的安全生产法律法规、标准规范,并定期更新,确保安全生产规章制度符

6、合现行法律法规、标准规范的要求。安全生产等级评定技术规范第2部分:安全生产通用要求DB11/T1322.2-2017第3.L2.2条。2021.007.01.009安全生产规章制度现行有效版本未发放至相关岗位的从业人员。安全生产等级评定技术规范第2部分:安全生产通用要求DB11/T1322.2-2017第3.1.2.3条。2021.007.01.010安全生产规章制度未定期审核、更新。安全生产等级评定技术规范第2部分:安全生产通用要求DBU/T1322.2-2017第3.L2.4条。编号隐患分类隐患内容依据备注一类二类2021.007.01.011操作规程类汽车充电站运营单位未在危险有害因素辨

7、识的基础上,编制岗位安全操作规程。城市公共设施电动汽车充换电设施运营管理服务规范GB/T37293-2019第7.3.1条、第7.6.2.2条;城市公共设施电动汽车充换电设施安全技术防范系统要求GB/T37295-2019第8.2.1条;安全生产等级评定技术规范第2部分:安全生产通用要求DB11/T1322.2-2017第3.1.3.1条:电动汽车充电站运营管理规范DBl1/T880-2020第6.2.1条、第7.1条、第8.3条。2021.007.01.012岗位安全操作规程要素不齐全。安全生产等级评定技术规范第2部分:安全生产通用要求DB11/T1322.2-2017第3.L3.2条。20

8、21.007.01.013岗位安全操作规程现行有效版本未发放至相关岗位的从业人员。安全生产等级评定技术规范第2部分:安全生产通用要求DB11/T1322.2-2017第3.1.3.3条。2021.007.01.014工艺、设备发生变化后未及时修订或更新岗位安全操作规程,并保存相关记录。安全生产等级评定技术规范第2部分:安全生产通用要求DB11/T1322.2-2017第3.1.3.4条。2021.007.01.015记录档案类安全生产规章制无相应的执行记录,或记录归档保存不足3年。安全生产等级评定技术规范第2部分:安全生产通用要求DB11/T1322.2-2017第3.1.2.5条。2021.

9、007.01.016运营管理、服务等记录不及时、确切、真实、齐全完整。记录应包括但不限于:充换电记录、运行日志、用户交易记录、账单记录、设备及电池检修维护记录、巡查记录、交接班记录、客户投诉处理记录、事故报告等。城市公共设施电动汽车充换电设施运营管理服务规范GB/T37293-2019第7.2.3条、第7.5.1条、第7.6.2.3条;城市公共设施电动汽车充换电设施安全技术防范系统要求GB/T37295-2019第8.3.1条;电动汽车充换电设施运行管理规范NB/T33019-2015第6.2.1条、第7.2条d)、第9.1条c)、第9.2条。)、第10.2条b)、c)、第IL2条;电动汽车充

10、电站运营管理规范DBl1/T880-2020第4.6条、第6.3.L3条、第6.3.2.3条、第8.4条。编号隐患分类隐患内容依据备注一类二类2021.007.01.017汽车充电站运营单位未建立安全生产教育培训档案,或档案内不齐全。档案应包括培训记录表、培训签到表、培训试卷等有关书面材料和图片资料。电动汽车充换电设施运行管理规范NB/T33019-2015第6.2.1条、第10.2条d)、第IL3条:城市公共设施电动汽车充换电设施运营管理服务规范GB/T37293-2019第7.6.2.4条;安全生产等级评定技术规范第2部分:安全生产通用要求DB11/门322.2-2017第3.1.5.8条

11、。2021.007.01.018基础资料类记录档案类汽车充电站运营单位未建立事故隐患治理台账。城市公共设施电动汽车充换电设施运营管理服务规范GB/T372932019第7.6.1.4条;电动汽车充换电设施运行管理规范NB/T33019-2015第8.2条;安全生产等级评定技术规范第2部分:安全生产通用要求DBU/T1322.2-2017第3.1.7.3.1条;电动汽车充电站运营管理规范DBl1/T880-2020第6.L3条。2021.007.01.019应急救援类汽车充电站运营单位未按要求编制应急救援预案、应急处置方案等或未及时、定期修订。生产安全事故应急条例第五、六条;生产安全事故应急预案

12、管理方法第十三条到第十九条:城市公共设施电动汽车充换电设施运营管理服务规范GB/T37293-2019第7.6.3.2条、第7.6.3.4条;城市公共设施电动汽车充换电设施安全技术防范系统要求GB/T37295-2019第8.2.2条;安全生产等级评定技术规范第2部分:安全生产通用要求DBl1/T1322.2-2017第3.1.6.2.2条;电动汽车充电站运营管理规范DBl1/T880-2020第4.5条、第6.2.4条。2021.007.01.020汽车充电站运营单位未建立应急救援组织机构及专兼职应急救援队伍。中华人民共和国安全生产法第八十二条;生产安全事故应急条例第十、十一条:北京市生产经

13、营单位安全生产主体责任规定第三十条、第三十一条;城市公共设施电动汽车充换电设施运营管理服务规范GB/T37293-2019第7.6.3.1条。编号隐患分类隐患内容依据备注一类二类2021.007.01.021汽车充电站运营单位未按规定定期组织应急演练。中华人民共和国安全生产法第八十一条:生产安全事故应急条例第六、八条:北京市安全生产条例第七十七条:生产安全事故应急预案管理方法第三十三、三十五、三十六条;电动汽车充换电设施运行管理规范NB/T33019-2015第10.2条e);城市公共设施电动汽车充换电设施运营管理服务规范GB/T37293-2019第7.6.2.4条;城市公共设施电动汽车充换

14、电设施安全技术防范系统要求GB/T37295-2019第8.4.4条;电动汽车充电站运营管理规范DBl1/T880-2020第8.6条。2021.007.01.022相关方管理类汽车充电站运营单位未与相关方签订专门的安全生产管理协议或在承包合同、租赁合同中明确各自的安全生产管理职责。中华人民共和国安全生产法第四十八、四十九条:北京市生产经营单位安全生产主体责任规定其次十七条:安全生产等级评定技术规范第2部分:安全生产通用要求DB11/T1322.2-2017第3.L8条;电动汽车充电站运营管理规范DBl1/T880-2020第4.7条。2021.007.01.023汽车充电站运营单位未对相关方的安全生产统协调、管理,责令限期改正。中华人民共和国安全生产法第四十九条;安全生产等级评定技术规范第2部分:安全生产通用要求DBl1/T1322.2-2017第3.L8条。2021.007.01.024安全生产投入类汽车充电站运营单位未履行安全生产资金投入责任。中华人民共和国安全生产法其次十三、四十七条;北京市安全生产条例其次十条;北京市生产经营单位安全生产主体责任规定第九条。2021.007.01.025其他充电桩未定期检定,检定周期一般不超过1年。电动汽车交流充电桩JJG1148-2018第10.2条。2021.007.01.026人工充电服务的充电站未每Fl巡检。电动汽车充电

展开阅读全文
相关资源
猜你喜欢
相关搜索

当前位置:首页 > 办公文档 > 说明文书

copyright@ 2008-2023 1wenmi网站版权所有

经营许可证编号:宁ICP备2022001189号-1

本站为文档C2C交易模式,即用户上传的文档直接被用户下载,本站只是中间服务平台,本站所有文档下载所得的收益归上传人(含作者)所有。第壹文秘仅提供信息存储空间,仅对用户上传内容的表现方式做保护处理,对上载内容本身不做任何修改或编辑。若文档所含内容侵犯了您的版权或隐私,请立即通知第壹文秘网,我们立即给予删除!