热电锅炉管道及其附件检修工艺规程.docx

上传人:p** 文档编号:551270 上传时间:2023-10-27 格式:DOCX 页数:14 大小:192.34KB
下载 相关 举报
热电锅炉管道及其附件检修工艺规程.docx_第1页
第1页 / 共14页
热电锅炉管道及其附件检修工艺规程.docx_第2页
第2页 / 共14页
热电锅炉管道及其附件检修工艺规程.docx_第3页
第3页 / 共14页
热电锅炉管道及其附件检修工艺规程.docx_第4页
第4页 / 共14页
热电锅炉管道及其附件检修工艺规程.docx_第5页
第5页 / 共14页
热电锅炉管道及其附件检修工艺规程.docx_第6页
第6页 / 共14页
热电锅炉管道及其附件检修工艺规程.docx_第7页
第7页 / 共14页
热电锅炉管道及其附件检修工艺规程.docx_第8页
第8页 / 共14页
热电锅炉管道及其附件检修工艺规程.docx_第9页
第9页 / 共14页
热电锅炉管道及其附件检修工艺规程.docx_第10页
第10页 / 共14页
亲,该文档总共14页,到这儿已超出免费预览范围,如果喜欢就下载吧!
资源描述

《热电锅炉管道及其附件检修工艺规程.docx》由会员分享,可在线阅读,更多相关《热电锅炉管道及其附件检修工艺规程.docx(14页珍藏版)》请在第壹文秘上搜索。

1、热电锅炉管道及其附件检修工艺规程1质量标准更换蒸汽管、高压给水管等高温或高压管道应有制造厂出厂合格证和产品质量证明。否则取样做金属机械性能试验,合乎标准才可更换。检查管子外观无裂纹、蚀抗、外径允许偏差:管子直径159mm允许Imm管子直径159mm允许1.5mm检查管子壁厚允许偏差15乐同一截面处允许偏差8虬检查管子椭圆度允许偏差管子直径159mm允许Imm为2.5mm。管子直径159mm允许Imm为5mm。弯曲度每米长弯曲斗l5mm.清除管内浮锈及污物。管道的布置应保证设备及管路在运行时能自由膨胀。管道水平段要求有一定的坡度,一般对蒸汽管道倾斜方向应和介质流动方向一致,其倾斜度不应小于千分之

2、二,对水管道倾斜方向应和介质流动方向相反,其倾斜度亦不应小于千分之二。2管道的连接2. 1焊接管道焊口的位置应符合下列要求a. 焊口距弯管的弯曲起点不得小于管子外径,且不小于100毫米。b. 管道两个焊口间的距离不得小于管子外径,且不小于150毫米。c. 管道焊口不可布置在支吊架上,焊口距支吊架边缘不得小于50毫米。对于焊后需热处理的焊口,该距离不得少于焊缝宽度的五倍,且不少于100毫米。d. 管道焊口应避开疏、放水及仪表管等的开孔位置,一般距开孔的边缘不得少于50毫米,且不得小于孔径。e. 管道在穿过墙壁、楼板时,位于隔墙、楼板内的管段不得有焊口。f. 同径直管焊接时,两管应在同一条中心线上

3、,离焊缝在20Omm点上偏差值不大于Imnb可用钢直尺进行检查。g. 管径为12-32mm左右宜采用气焊,管径在50Inm以上宜采用电焊。3. 管子的焊接坡口可用切管机切割或手工加工,也可以用氧快焰粗割,而后再加工成合格的坡口,但合金钢管在氧快焰切割时应予以20(C.h.管子的切口端平面应垂直于管子的轴线,其偏差不大于Imnb可用角尺检查。管道焊接坡口4安下表进行:管壁厚度(1三)坡口角度(度)钝边(mm)对口间隙(mm)630-450.51.5121230-351.0-1.5l0.51230-351.5-2.020,5管道焊接时应用专用夹具,防止焊二度时管子走动,并对称进行点焊。对接口管两端

4、15mm以内均应清除锈和油污。k. 管道连接中不可强行对口。l. 热力管道冷拉必须符合设计规定,更换管道应保持原设计冷拉值,进行冷拉前应检查:冷拉区域各固定支架装置牢固;各固定支架间所有焊口(除冷拉口外)焊接完毕并经检验合格;应作热处理的焊口已作过热处理;法兰与阀门的连接螺栓已拧紧。管道冷拉口焊接后经检验合格,并热处理完毕,才可拆除拉具。m. 合金钢管道表面不得引弧试电流或焊接临时支撑物。在合金管道上开孔宜用机械法,必须用气刨或烙割时,应作回火处理或用机械法切除影响区并修圆孔缘。n.主蒸汽管、再热汽管、高中压导汽管的焊口位置应在竣工图上标明有档,并在管道(保温或罩壳)表面设明显标志,以便定期检

5、查。o.主蒸汽和再热汽管道应按金属监督要求测量蠕胀值和椭圆度。对超过设计使用期限的主蒸汽管道应按部颁“高温高压主蒸汽管道若干暂行规定”对弯管、三通、阀门和焊口作外观和无损探伤检查;直管和弯管壁厚测量;监视段硬度、金相、碳化物检查。对运行时间达20万小时的主蒸汽管道尚须作管子硬度、金相和碳化物检查,必要时进行高温强度和管道应力验算。P.主蒸汽、再热汽管道和高中压导汽管的螺栓按金属监督要求作外观检查、硬度测定、超声波探伤、金属抽验,必要时作机械性能试验。q. 对易锈蚀的管道应至少每次大修对监测点作内壁检查一次,并作好腐蚀情况记录,必要时作适当处理。r. 管道法兰应根据工作介质参数选用。法兰结合面应

6、平整光洁,接触良好,无径向沟通槽痕和裂纹、气孔或其它降低连接可靠性的缺陷。带凹凸或凹凸环的法兰应能自然嵌合,凸面的高度不得小于凹槽的深度。法兰背部的连接螺栓支承面应与法兰结合面平行,以保证连接时法兰和螺栓受力均匀和避免螺栓弯曲应力。高压法兰拆下后应用红丹粉检查平面变形状况,作必要的研磨至接触面连续均匀。s. 主蒸汽管道、阀门、三通、紧固件焊接结束后应进行射线检查和拍片,并打上焊工钢字。1.2 法兰连接1) 法兰应垂直于管道轴线,不得超过下列偏差:管道工作压力4Mpa管外径250mm0偏差值2mm,否则偏差值W1mm。2) 工作温度高于是100。C管道,法兰螺丝应涂黑铅粉,垫片也是如此,螺丝应露

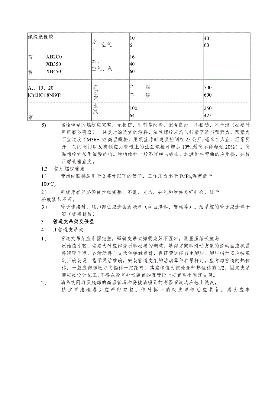
7、出螺母,但不能多于3牙。3) 高温管道的法兰垫片应采用金属垫,并经退火处理,表面平整无裂纹,采用耐高压纸箔垫亦可。油管道的法兰垫片应采用耐油纸箔垫片式金属垫片,不得使用橡胶垫和普通纸垫。法兰垫片的内径应较管道内径大23mm。外径应比法兰密封面略小,垫片形状应和法兰密封面形状相同。必须接口时应采用嵌接,不允许平口式对接。4) 法兰垫片材料应符合设计要求。如无具体要求时可参照下表选用。金属垫片表面应无裂纹、毛刺、凹痕等缺陷,用平尺目测检查应接触良好,硬度宜低于法兰硬度。法兰所用垫片内径应比法兰孔径大23毫米,并涂以涂料。垫片材料工作介质应用范围工作压力(公斤/厘米2)工作温度七不大于绝缘纸橡胶气空

8、水1064060石棉XB2C0XB350XB450水、空气、汽164060A,、10、20、lCrl3!Crl8Ni9Ti汽日汽不限不限500600铜水汽100642504255) 螺栓螺帽的螺纹应完整,无损伤、毛刺等缺陷并配合良好、不松动、不卡涩(必要时用研磨砂研磨)。装复时涂适宜的涂料,法兰螺栓应均匀拧紧至适当预紧力,预紧力不宜过度(M3652高温螺栓,用硬垫片时建议控制在25公斤/毫米2为宜,经常要开、关的阀门以及有预应力管道上的法兰螺栓可增加10%,最高不得超过20%)。高温螺栓宜采用细腰结构。种植螺栓一般不宜横向锤击,过渡歪斜弯曲的应更换,并校正螺孔垂直度。1.3 管牙螺纹连接1)

9、管螺纹联接适用于2英寸以下的管子,工作压力小于IMPa,温度低于100oCo2) 用板牙套丝必须使丝扣完整、不乱、光洁,并能和附件良好拧合,过于松或紧都不可。3) 管子连接时,丝扣部位应涂密封涂料(如白厚漆、麻丝等)。油系统的管子应涂洋干漆(或密封胶)。3 管道支吊架及保温4 .1管道支吊架1) 管道支吊架应牢固完整,弹簧支吊架弹簧完好不歪斜,测量压缩长度与原始值比较,偏差大时应作分析和必要的调整。导向支架和滑动支架的滑动面应裸露并清理干净,各滑动件与支承件接触良好,保证管道能自由膨胀。膨胀指示器应按规定正确装设,指示灵活准确。安装管道支架的活动零件和吊杆时,应考虑管道的热位移,一般应向膨胀方

10、向偏移一定距离,其偏移值为该处全部热位移的1/2。固定支吊架应按设计施工,不得在没有补偿装置的直管段上安置两个固定支架。2) 油系统附近及底部的高温管道和易被油喷到的高温管道均应包上铁皮,铁皮罩接缝搭头应严密完整。修时拆下的铁皮罩修后应装复。搭头应牢固,螺钉应齐全,外观应整齐。3.2管道保温1) 当周围空气温度为25。C时,保温层表面的最高温度不应超过5(C2) 对300。C以上的管道每隔34米应留1015毫米的伸缩缝,弯管的中心处要留2030毫米伸缩缝。3) 当保温层遇有支吊架或钢结构时,必须留出足够的膨胀间隙。4) 管道保温端面与法兰之间应留出可拆装螺栓的一般距离且与法兰面平行。5) 为便

11、于测量和检修,蠕胀测量点、法兰及阀门应采用便于拆装的保温结构。6) 在主蒸汽及给水管焊口保温表面应做标记,便于检查焊口时准确地拆开保温层(最好采用可卸结构)。7) 保温材料不得与螺栓螺纹接触,以免螺纹被锈蚀。8) 滑动支架处的保温应不妨碍支架的自由滑动。9) 平行或交叉布置的管道保温之间必须留有足够的间距。10) 垂直管道每隔3米应加一圈66毫米钢筋,对6159毫米以上的管道用30304毫米角铁四块加一圈66毫米钢筋。11) 对位于油管法兰和阀门下方的热管道,必须在保温层外面包上铁皮,以防漏油时着火。a.管道保温工艺如下: 保温前应清除管道表面的锈垢,以保证保温层与管壁贴合良好。 高温大直径管

12、道应采用双层砖,内层制成两半圆,外层制成12弧形砖;小直径管道可采用两半圆的单层结构。 保温进行于砌,并与管壁紧密贴合,保温砖之间用石棉灰浆勾缝,多层铺砌时应压缝,用16号铁丝进行绑扎,在主保温层外面抹面或只缠以玻璃丝布(在玻璃丝布上刷上浆糊进行缠绕),压层宽度为玻璃丝布幅的1/31/2。环h伸缩缝用石棉绳缠绕,外包铁皮。蠕胀测点外用石棉绳缠绕,外包铁皮。为了识别不同介质的管道,在管道保温层外面应按法规规定刷漆和加色管道的法兰保温工艺如下:对不同直径的管道法兰制成不同尺寸的定型砖。保温前应清除法兰表面的锈垢和油污,检查砖的尺寸是否合适,要求砖同时与管壁、法兰外圆管道保温层的端面及外园接触、与螺

13、栓应留510毫米间隙。 保温砖进行砌,砖之间用石棉灰浆勾缝、抹面,外园用三道钢带扎紧。c.阀门保温工艺如下: 对主蒸汽和给水阀门的门壳及门盖保温,应制成两半定型保温结构,并有钢筋骨架以增加强度。 保温前应清除阀门表面的锈垢油污,研合阀壳保温层使其与阀壳贴合严密。两半结合面留3-5毫米间隙(作勾缝用)。门盖保温罩的两半对合后其内壁应与法兰接触或有少许间隙。 两半阀壳保温层,在接合面上涂上石棉灰浆,扣合在一起用4道钢带扎紧;两半门盖保温罩结合面涂灰浆,用钢带扎紧,与螺栓留570毫米间隙。第十章阀门检修4一般汽水阀的检修4.1 从管道上拆下汽水门,应预先确认无压力,并做好记录方可拆下。4.2 解体和

14、组装门盖时,阀芯应在开启位置,并且法兰做好记号。4.3 取出阀芯,闸阀必须做好方向记号,装时仍按原记号装,球阀进出口方向不能寻错。4.4 全部零件进行清理。4.5 检查门杆应光滑,不得有凹槽、划痕、锈蚀、水垢等情况,丝扣应光滑完整,不得有损坏、断丝可毛刺,门杆和填料盒后盖间隙每边应为0.15-0.20mm,最大不能超过0.5mm。门杆不得有弯曲。4.6 根据填料室和阀杆之间的间隙选用大小适度的盘根。石墨盘根应优先选用。盘根的切口角度应为45度,并在180度的位置上交错放置。格兰的松紧应合适,以不泄漏为原则。石墨盘根使用注意以下几点:a. 盘根室和阀杆清理干净、无毛刺。b. 选用内径和阀杆相配,

15、外径和盘根室相配的盘根。c. 盘根室内最低部及地顶部应加石棉盘根各一根。d. 石墨盘根性脆,尽量不要掰拆,宜采用套装。阀门研磨a.密封面在撞伤、压伤、刀痕、凸痕等左0.5mm深度时,可以用研磨方法消除,深度0.5mm,应先在车床加工光平,然后再进行研磨,并放在平板上校验,阀芯与阀座接触线应成一条封闭线,并略偏阀芯密封面的下方。c.在研磨之前和每次更换研磨砂之后,必须用汽油将磨坯和阀座封面擦净,以防有硬物遗留在研磨面上。研磨砂应用透平油调匀,视密封面的损坏情况选择研磨砂粗细,一般刚开始选用粗砂,待痕迹基本消失时再换细砂研磨光洁度,在细砂的残沫中不断加透平油即可。在研磨时,应不断调换手把的方向,以免密封面磨偏。5 自动主汽门自动主汽门主要由手轮、弹簧、碟阀、活塞杆及子阀、大碟阀,扩散形汽嘴等部件组成。6 抽汽单向阀的检修6.1 抽汽逆止门及摇板止门检修1) 结构概述抽汽逆止门有两种型式,一种为一级抽

展开阅读全文
相关资源
猜你喜欢
相关搜索

当前位置:首页 > 行业资料 > 能源与动力工程

copyright@ 2008-2023 1wenmi网站版权所有

经营许可证编号:宁ICP备2022001189号-1

本站为文档C2C交易模式,即用户上传的文档直接被用户下载,本站只是中间服务平台,本站所有文档下载所得的收益归上传人(含作者)所有。第壹文秘仅提供信息存储空间,仅对用户上传内容的表现方式做保护处理,对上载内容本身不做任何修改或编辑。若文档所含内容侵犯了您的版权或隐私,请立即通知第壹文秘网,我们立即给予删除!