气动技术基本知识(doc15).docx

上传人:p** 文档编号:557306 上传时间:2023-11-01 格式:DOCX 页数:14 大小:294.88KB
下载 相关 举报
气动技术基本知识(doc15).docx_第1页
第1页 / 共14页
气动技术基本知识(doc15).docx_第2页
第2页 / 共14页
气动技术基本知识(doc15).docx_第3页
第3页 / 共14页
气动技术基本知识(doc15).docx_第4页
第4页 / 共14页
气动技术基本知识(doc15).docx_第5页
第5页 / 共14页
气动技术基本知识(doc15).docx_第6页
第6页 / 共14页
气动技术基本知识(doc15).docx_第7页
第7页 / 共14页
气动技术基本知识(doc15).docx_第8页
第8页 / 共14页
气动技术基本知识(doc15).docx_第9页
第9页 / 共14页
气动技术基本知识(doc15).docx_第10页
第10页 / 共14页
亲,该文档总共14页,到这儿已超出免费预览范围,如果喜欢就下载吧!
资源描述

《气动技术基本知识(doc15).docx》由会员分享,可在线阅读,更多相关《气动技术基本知识(doc15).docx(14页珍藏版)》请在第壹文秘上搜索。

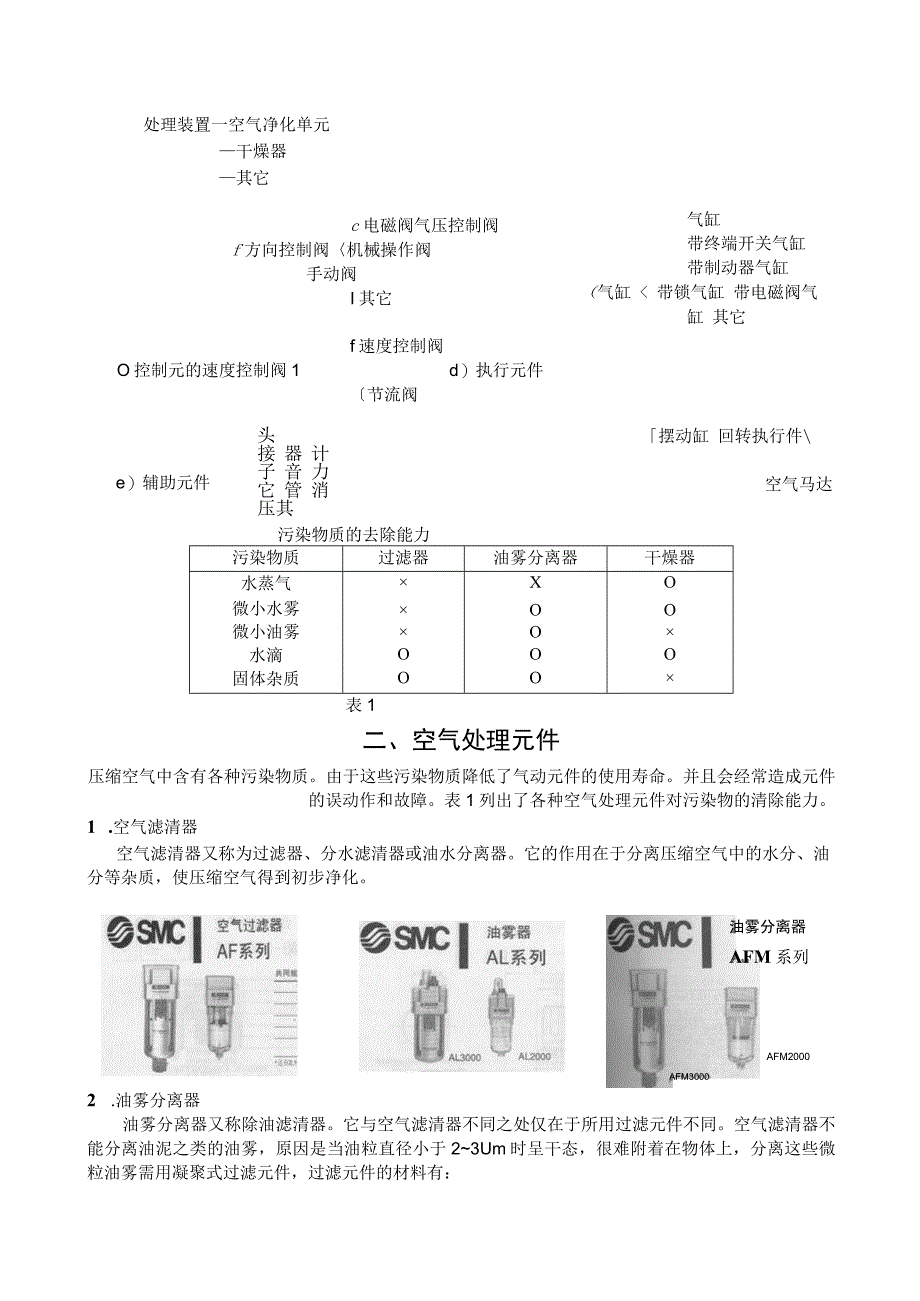
1、气动技术基本知识1 .气动技术中常用的单位1个大气压二76OmmHg=1.013bar=IOlkpa压力单位换算1 Nm2=o5bar=.(J2i7kgfmm2=1.02IOTkgfcm2lkgf7cmi=0.1Ma2 .气动控制装置的特点空气廉价且不污染环境,用过的气体可直接排入大气速度调整容易元件结构紧凑,可靠性高受湿度等环境影响小使用安全便于实现过载保护气动系统的稳定性差工作压力低,功率重量比小元件在行程中途停止精度低3.气动系统的组成气动系统基本由下列装置和元件组成(1)气源装置一一气动系统的动力源提供压缩空气(2)空气处理装置一一调节压缩空气的洁净度及压力(3)控制元件方向控制元件切

2、换空气的流向流量控制元件一一调节空气的流量(4)逻辑元件一一与或非(5)执行元件一一将压力能转换为机械功(6)辅助元件一一保证气动装置正常工作的一些元件压缩机a)气源装置储气罐后冷却器过滤器油雾分离器减压阀b)空气调节一油雾器处理装置一空气净化单元干燥器其它c电磁阀气压控制阀f方向控制阀机械操作阀手动阀I其它f速度控制阀O控制元的速度控制阀1d)执行元件气缸带终端开关气缸 带制动器气缸(气缸 A接通。当排气时,活塞下移,阀口2闭1开,AR接通,管路气体从R口排出。快速排气阀主要用于气缸排气,以加速气缸的动作。二、流量控制阀在气动系统中,如要对气缸运动速度加以控制或需要延时元件计时时.,就要控制

3、压缩空气的流量。在流量控制时,只要设法改变管道的截面就可。流量控制阀分为节流阀,速度控制阀和排气节流阀数种等。1 .节流阀可调式节流阀依靠改变的流通面积来调节气流。2 .速度控制阀速度控制阀由节流阀和单向阀组合而成。故而又叫单向节流阀,通过调节流量达到控制执行元件速度的目的。三、压力控制阀压力控制阀是利用阀芯上的气压作用力和弹簧力保持平衡来进行工作的,平衡状态的任何破坏都会使阀芯位置产生变化,其结果不是改变阀口开度的大小(例如溢流阀、减压阀),就是改变阀口的通断(例如安全阀,顺序阀1.溢流阀溢流阀由进口(P)处的气压压力控制阀芯动作,当进口处压力达到预设值时阀芯克服弹簧力动作使得进、出口导通,

4、从而实现溢流作用。如图3(a)所示。减压阀则是由出口处压力驱动阀芯,当出口处压力达到预设值时阀芯克服弹簧力动作使得进、出口截断,从而实现减压作用。如图3(b)所示。各种阀的符号见附表1四、执行元件气动系统中将压缩空气的压力转换成机械能,从而实现所要求运动的驱动元件,称为执行元件。它分为气缸和气动马达两大类。相对于液压和机械传动,它结构简单,维修方便。但由于压缩空气的压力通常为0.3-0.6MPa故而输出力小。气缸是用压缩空气作动力源,产生直线运动或摆动,输出力或力矩做功的元件。主要气缸主要类型和特点见附表2o五、气动回路(一)回路设计基础1)路的构成(图4)142)控制方式(二)驱动回路1 .

5、驱动气缸的基本回路在通常使用的气缸中有单作用气缸和双作用气缸。以下介绍驱动这些气缸的基本回路。1)单作用气缸只在一个方向上的运动靠压缩空气驱动,靠弹簧力的作用回程。气源三联件图5为使用单作用气缸作往复运动的气路图。换向阀(电磁阀)使用二位三通阀。换向阀的P口与气源净化装置相连接,A口与气缸相连接。速度控制阀接在换向阀与气缸之间。速度控制阀有方向性,连接时不可接反。回路的动作动原理如下:在初始位置时,P口封闭,气缸的气缸盖一侧通过速度控制阀的单向阀和换向阀直接与大气相通。气缸活塞靠弹簧力的作用停止于完全缩回的位置.当电磁阀通电换向时,气源通过速度控制阀给气缸供气,压缩弹簧使活塞前进.调整速度控制

6、阀节流孔的大小,可以控制活塞前进速度.当电磁阀断电恢复到初始位置时,P再次封闭,气缸内空气排出.活塞在弹簧力作用下后退并返回原点.这时气缸的速度不能控制.2)双作用气缸的驱动回路图6为使双作用气缸作往复运动的气路图。换向阀使用二位五通阀(二位四通阀也可以),换向阀的P口与气源静化装置相连接。A口与气缸杆一侧的接口相连,B与气缸盖一侧的接口相连。速度控制阀接在换向阀与气缸之间(注意方向与单作用气缸时相反)。在初始位置时,P口与气缸杆一一侧相通,另一方面,气缸盖一侧通过换向阀与大气相通。这时气缸活塞处于后死点的位置上。当电磁阀通电换向时,气缸盖一侧通压缩空气,气缸杆一侧空气排出,活塞前进。活塞的速

7、度由速度控制阀调整。当电磁阀断电回到初始位置时,气缸杆一侧充气,气缸盖一侧排气,活塞后退。后退的速度由速度控制阀调整。2 .气缸的速度控制回路基于不同的目的和条件,可使用各种回路对气缸进行速度控制。下面介绍通常使用的基本回路。b)入口节流式S7OiIINiii电磁阀侧陷入型(人口节漉)这种方式通过调节供给气缸的流量,对气缸的速度加以控制。图7示出了这种方式的路图。来自换向阀的空气流过速度控制阀时.,单向阀关闭,气流只有通过节流阀流向气缸,因为节流阀是可调的,所以通过调整节流阀便可设定气缸活塞的速度。气流反向流动时,即从气缸一侧流向阀一侧时,单向阀打开,空气流量不受控制(自由流)。在入口节流方式

8、中,气缸出口一-侧排气较快,因而容易受到所供气压变动的影响。对于所加负载为变动负载的情况,速度稳定性差,因而除了特殊回路(例如防止失控回路等),一般都采用下面将要介绍的出口节流式。限出型(出口节慌)c)出口节流式这种方式通过调节气缸的排气流量来控制气缸速度。图8示出了这种方式的回路图。注意,速度控制阀的方向与入口节流式相反。来自换向阀的空气流过速度控制阀时,单向阀打开,于是成为自由流,气流在不受控制的情况下流向气缸。而来自气缸一侧的空气使单向阀关闭,由节流阀调节流量,从而控制气缸活塞的速度。在气缸的两个口都按出口节流式连接速度控制阀时.,活塞靠两侧的压差(由排气一侧的速度控制阀调整)动作。因此

9、,在负载变动的情况下,它比入口节流方式有更好的速度稳定性。出口节流是应用得最普通的方式。d)排气节流式这种方式是将节流阀连接在换向阀的排气口上,调节排气的流量来控制气缸的速度。因为气缸的进气气流不经过节流阀,所以不需要单向阀。在调节排气流量来实现速度控制这一点上,它同出口节流式完全相同,不过,如果气缸与换向阀之间的管路较长,这一部分就成了气罐,使回路的响应变差,负载变动时,速度就会不稳定。图9为排气节流式的回路图。3 .基本回路,应用各种机能不同的电磁换向阀,可以构成不同的驱动回路。下面介绍几种基本的驱动回路。a)单作用气缸的往复动作回路图5所示的即为单作用气缸的往复动作回路。但由于它是采用单向的入口节流方式,所以气缸活塞的速度只有在伸出时受到控制。如果希望在缩回时(靠弹簧力作用)控

展开阅读全文
相关资源
猜你喜欢
相关搜索

当前位置:首页 > 金融/证券 > 股票经典资料

copyright@ 2008-2023 1wenmi网站版权所有

经营许可证编号:宁ICP备2022001189号-1

本站为文档C2C交易模式,即用户上传的文档直接被用户下载,本站只是中间服务平台,本站所有文档下载所得的收益归上传人(含作者)所有。第壹文秘仅提供信息存储空间,仅对用户上传内容的表现方式做保护处理,对上载内容本身不做任何修改或编辑。若文档所含内容侵犯了您的版权或隐私,请立即通知第壹文秘网,我们立即给予删除!